Республика Беларусь,
г. Минск, ул. Селицкого 21к - центральный склад
Пн-пт с 8:00 до 17:00
Меню
52-1802128 Гайка
Наименование: Гайка 52-1802128
Каталожный номер: 52-1802128
Производитель: RSTA
Код товара: 37250
Доставка: по всей Беларуси
Остаток: под заказ

Нашли не точность в описании товара? сообщить администратору.

+375 (44) 770-80-78 +375 (29) 747-80-78
* Выставить счет, получить техническую информацию и стоимость
Заказать деталь Онлайн
Описание
Наличие на филиалах
Применяемость
Заменить на СТО

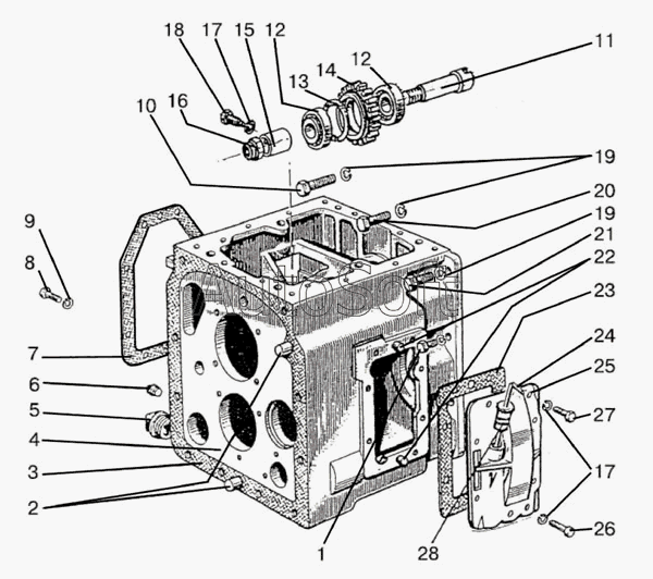
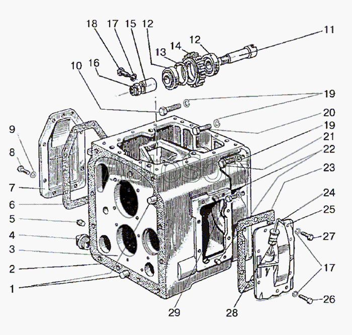
Гайка 52-1802128 производства ГАЗ (РФ), Код для заказа: 37250

Марка Модель Кат.номер Наим. по каталогу Чертеж
ГАЗ ГАЗ-69 (1957) 69-1802128 Подшипник шариковый вала включения переднего моста Коробка раздаточная Чертеж Коробка раздаточная
МТЗ МТЗ-80 (1998) 72-1802128 Гайка Раздаточная коробка Чертеж Раздаточная коробка
МТЗ МТЗ-900 72-1802128 Гайка Корпус коробки передач. Привод ПВМ
МТЗ МТЗ-1523 52-1802128 Гайка Передний ведущий мост. Редуктор центральный
МТЗ МТЗ-1522 (2008) 52-1802128 Гайка Передний ведущий мост. Редуктор центральный
МТЗ МТЗ-822 (2008) 52-1802128 Гайка Коробка передач. Привод ПВМ Чертеж Коробка передач. Привод ПВМ
МТЗ МТЗ-822 (2008) 52-1802128 Гайка Раздаточная коробка
МТЗ МТЗ-922 (2008) 52-1802128 Гайка Коробка передач. Привод ПВМ
МТЗ МТЗ-922 (2008) 52-1802128 Гайка Раздаточная коробка
МТЗ МТЗ-923 (2008) 52-1802128 Гайка Коробка передач. Привод ПВМ
МТЗ МТЗ-923 (2008) 52-1802128 Гайка Раздаточная коробка
МТЗ МТЗ-80 (2002) (2002) 52-1802128 Гайка 1802 Раздаточная коробка Чертеж 1802 Раздаточная коробка
МТЗ МТЗ-90/92 (2008) 72-1802128 Гайка Раздаточная коробка привода ПВМ (для трактора «БЕЛАРУС-92») Чертеж Раздаточная коробка привода ПВМ (для трактора «БЕЛАРУС-92»)
МТЗ МТЗ-80 (2009) (2009) 52-1802128 Гайка Раздаточная коробка привода ПВМ Чертеж Раздаточная коробка привода ПВМ
МТЗ МТЗ-570 (2010) 52-1802128 Гайка Корпус КП, привод ПВМ
МТЗ МТЗ-570 (2010) 52-1802128 Гайка Раздаточная коробка Чертеж Раздаточная коробка
МТЗ МТЗ-821/921 (2009) 52-1802128 Гайка Корпус КП, привод ПВМ Чертеж Корпус КП, привод ПВМ
МТЗ МТЗ-821/921 (2009) 52-1802128 Гайка Раздаточная коробка привода ПВМ, управление раздаточной коробкой
МТЗ МТЗ-900/920/950/952 (2009) 52-1802128 Гайка Корпус КП, привод ПВМ Чертеж Корпус КП, привод ПВМ
МТЗ МТЗ-900/920/950/952 (2009) 52-1802128 Гайка Раздаточная коробка (для Беларус - 920/920.2/920.3/952/952.2/952.3)