Республика Беларусь,
г. Минск, ул. Селицкого 21к - центральный склад
Пн-пт с 8:00 до 17:00
Меню
ТО-18Д.02.05.033 Фланец
Наименование: Фланец ТО-18Д.02.05.033
Каталожный номер: ТО-18Д.02.05.033
Производитель: Амкодор
Код товара: 00-ГР022009
Доставка: по всей Беларуси
Остаток: под заказ

Нашли не точность в описании товара? сообщить администратору.

+375 (44) 770-80-78 +375 (29) 747-80-78
* Выставить счет, получить техническую информацию и стоимость
Заказать деталь Онлайн
Описание
Наличие на филиалах
Применяемость
Заменить на СТО

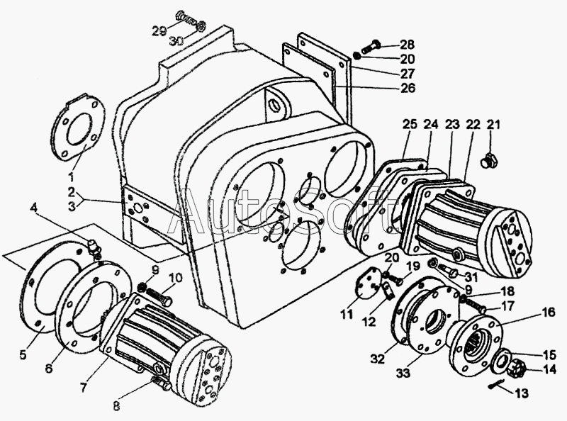
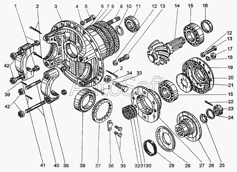
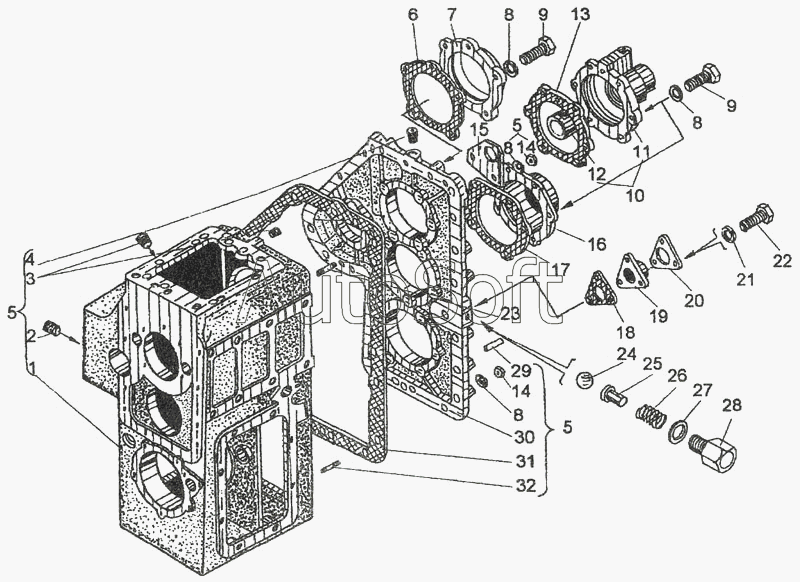
Фланец ТО-18Д.02.05.033 производства Амкодор (Амкодор), Код для заказа: 00-ГР022009

Марка Модель Кат.номер Наим. по каталогу Чертеж
Амкодор Амкодор-327 (ТО-18Д) (2003) ТО-18Д.02.05.033 Фланец Редуктор Чертеж Редуктор
Амкодор Амкодор-327 (ТО-18Д) (2003) У35.615-01.033 Прокладка Передача гидромеханическая Чертеж Передача гидромеханическая
Амкодор Амкодор-327 (ТО-18Д) (2003) ТО-18.08.00.033 Гайка Гидросистема ГМП Чертеж Гидросистема ГМП
Амкодор Амкодор-327 (ТО-18Д) (2003) У2210.02-03.033 Фланец ведущей шестерни Главная передача Чертеж Главная передача
Амкодор Амкодор-327 (ТО-18Д) (2003) Д-902.01.30.033 Гайка Цилиндр поворота руля Чертеж Цилиндр поворота руля
Амкодор Амкодор-327 (ТО-18Д) (2003) У2210.03-01.033 Пружина колодок Тормоз правый Чертеж Тормоз правый
Амкодор Амкодор-327 (ТО-18Д) (2003) 033-045-36-2-2.9833 Кольцо Тормоз правый Чертеж Тормоз правый
Амкодор Амкодор-352 (2006) ТО-18Д.02.05.033 Фланец Редуктор отбора мощности 350.02.04.000 Чертеж Редуктор отбора мощности 350.02.04.000
Амкодор Амкодор-332С-01 (2006) У2210.02-03.033 Фланец ведущей шестерни Вал карданный ТО-18Д.04.00.100
Амкодор Амкодор-333А (ТО-18Б2) (2006) У2210.02-03.033 Фланец ведущей шестерни Вал карданный ТО-18Д.04.00.100 Чертеж Вал карданный ТО-18Д.04.00.100
Амкодор Амкодор-325 (ТО-18К) (2006) ТО-18Д.02.05.033 Фланец Опора карданного вала 322.04.01.000 Чертеж Опора карданного вала 322.04.01.000
Амкодор Амкодор-325 (ТО-18К) (2006) ТО-18Д.02.05.033 Фланец Редуктор отбора мощности ТО-18Д.02.05.000 Чертеж Редуктор отбора мощности ТО-18Д.02.05.000
Амкодор Амкодор-351 (2006) ТО-18Д.02.05.033 Фланец 350.02.04.000 Редуктор отбора мощности Чертеж 350.02.04.000 Редуктор отбора мощности
Амкодор Амкодор-352C (2006) ТО-18Д.02.05.033 Фланец 350.02.04.000 Редуктор отбора мощности Чертеж 350.02.04.000 Редуктор отбора мощности
Амкодор Амкодор-332B, 332B4 (2008) У2210.02-03.033 Фланец ведущей шестерни Вал карданный ТО-18Д.04.00.100
Амкодор Амкодор-333В, 332С (2008) У2210.02-03.033 Фланец ведущей шестерни Вал карданный То-18д.04.00.100 Чертеж Вал карданный То-18д.04.00.100
Амкодор Амкодор-352 (352C, 352Л) (2008) ТО-18Д.02.05.033 Фланец Редуктор 350.02.04.000
Амкодор Амкодор-352-10 (2010) ТО-18Д.02.05.033 Фланец Редуктор 350.02.04.000-Т (для насоса 313.3.112.001.4 .Т1), 350.02.04.000-01 (для насоса H1V108) Чертеж Редуктор 350.02.04.000-Т (для насоса 313.3.112.001.4 .Т1), 350.02.04.000-01 (для насоса H1V108)
Амкодор Амкодор-352-10 (2010) ТО-18Д.02.05.033 Фланец Редуктор 350.02.04.000-Т (для насоса 313.3.112.001.4 .Т1), 350.02.04.000-01 (для насоса H1V108) Чертеж Редуктор 350.02.04.000-Т (для насоса 313.3.112.001.4 .Т1), 350.02.04.000-01 (для насоса H1V108)
Амкодор Амкодор-332С4 (2016) У2210.02-03.033 Фланец ведущей шестерни Вал карданный ТО-18Д.04.00.100
Товары из этой категории
Болт суппорта направляющий RG31105-3501214 (в сборе) 4 шт.RIGINAL RG31105-3501214
Болт суппорта направляющий RG31105-3501214 (в сборе) 4 шт.RIGINAL
Каталожный номер RG31105-3501214
Производитель RIGINAL RIGINAL
Код 00-ГР021983
Доставка по всей Беларуси
Доступность остатки на филиалах Остатки на филиалах
Остаток: г.Минск, ул.Селицкого 21к В наличии
Склад Адрес Контакт Остатки
г. Минск ул. Селицкого, 21к +375 (44) 770-80-78 ( Мало )
Схема проезда
Трос ручного тормоза задний 3302-3508180
Трос ручного тормоза задний
Каталожный номер 3302-3508180
Производитель Автотрос Автотрос
Код 12279
Доставка по всей Беларуси
Доступность остатки на филиалах Остатки на филиалах
Остаток: г.Минск, ул.Селицкого 21к В наличии
Склад Адрес Контакт Остатки
г. Минск ул. Селицкого, 21к +375 (44) 770-80-78 ( Средне )
Схема проезда
г. Барановичи ул. Бадака, 27Б +375 (29) 350-33-47 ( Мало )
Схема проезда
г. Березино ул. Комсомольская, д. 24 +375 (44) 770-80-17 ( Средне )
Схема проезда
г. Бобруйск ул. Гоголя, 181/1-6 +375 (29) 630-05-01 ( Средне )
Схема проезда
г. Бобруйск ул. Орловского, 22к3 +375 (29) 345-37-07 ( Средне )
Схема проезда
г. Борисов ул. Демина, 2а +375 (44) 560-99-75 ( Средне )
Схема проезда
г. Витебск ул. Правды, 33 +375 (44) 770-80-87 ( Много )
Схема проезда
г. Витебск ул. Петруся Бровки, 34 +375 (29) 636-25-08 ( Средне )
Схема проезда
г. Глубокое ул. Энгельса, 22 +375 (44) 505-71-40 ( Много )
Схема проезда
г. Гомель ул. Барыкина, 291Б +375 (44) 514-15-30 ( Средне )
Схема проезда
г. Гомель ул. Барыкина, 291Б +375 (44) 514-15-30 ( Средне )
Схема проезда
г. Горки ул.Мира, д.51а/1 +375 (44) 565-33-61 ( Средне )
Схема проезда
г. Гродно ул. Карского, 35 +375 (44) 770-70-21 ( Мало )
Схема проезда
г. Дятлово ул. Советская ,104 +375 (29) 187-87-37 ( Средне )
Схема проезда
г. Житковичи ул. Комсомольская, 49 +375 (29) 394-82-52 ( Много )
Схема проезда
г. Жлобин ул. Козлова, 25 +375 (29) 346-06-78 ( Средне )
Схема проезда
г. Ивацевичи ул. Загородная, 6А +375 (29) 188-59-01 ( Средне )
Схема проезда
г. Кобрин ул. Пролетарская, 177А +375 (44) 588-10-80 ( Средне )
Схема проезда
г. Кричев ул. Комсомольская, 126 +375 (29) 628-88-42 ( Мало )
Схема проезда
г. Лельчицы ул. Советская, д.96/1 +375 (29) 346-98-96 ( Мало )
Схема проезда
г. Мозырь промузел Козенки +375 (44) 731-94-60 ( Средне )
Схема проезда
г. Молодечно ул. Галицкого, 14 +375 (44) 567-28-47 ( Средне )
Схема проезда
г. Несвиж ул. Кутузова, 2 +375 (29) 394-82-48 ( Средне )
Схема проезда
г. Новогрудок ул. Индустриальная, 3 +375 (44) 729-39-19 ( Средне )
Схема проезда
г. Осиповичи ул. Короткая, 11 +375 (29) 165-60-07 ( Мало )
Схема проезда
г. Ошмяны ул. Льнозоводская 3 +375 (44) 770-80-91 ( Средне )
Схема проезда
г. Петриков ул. Первомайская, 124 +375 (33) 660-06-75 ( Мало )
Схема проезда
г. Пинск ул. Калиновского 32 +375 (44) 560-99-59 ( Средне )
Схема проезда
г. Полоцк-2 ул. Шенягина, 52 +375 (29) 302-94-73 ( Средне )
Схема проезда
г. Полоцк-2 ул. Шенягина, 52 +375 (29) 302-94-73 ( Средне )
Схема проезда
г. Полоцк-2 ул. Шенягина, 52 +375 (29) 302-94-73 ( Средне )
Схема проезда
г. Поставы ул. Советская, 69 +375 (44) 770-80-13 ( Средне )
Схема проезда
г. Пружаны ул. Макаренко, 21 +375 (29) 348-83-18 ( Средне )
Схема проезда
г. Слоним ул. Советская, 93а +375 (29) 394-82-01 ( Средне )
Схема проезда
г. Слуцк ул. Тутаринова, 8 +375 (29) 346-06-90 ( Средне )
Схема проезда
г. Сморгонь ул. Железнодорожная, 32 +375 (29) 671-02-10 ( Средне )
Схема проезда
г. Солигорск Чижевичский сельсовет, 3Г +375 (29) 899-58-52 ( Средне )
Схема проезда
г. Столин ул. Быковского, 29 +375 (33) 304-54-36 ( Мало )
Схема проезда
Цилиндр тормозной рабочий задний с АБС 3309-3502340
Цилиндр тормозной рабочий задний с АБС
Каталожный номер 3309-3502340
Производитель V-NN V-NN
Код 21489
Доставка по всей Беларуси
Доступность остатки на филиалах Остатки на филиалах
Остаток: г.Минск, ул.Селицкого 21к В наличии
Склад Адрес Контакт Остатки
г. Минск ул. Селицкого, 21к +375 (44) 770-80-78 ( Мало )
Схема проезда
г. Березино ул. Комсомольская, д. 24 +375 (44) 770-80-17 ( Средне )
Схема проезда
г. Бобруйск ул. Гоголя, 181/1-6 +375 (29) 630-05-01 ( Средне )
Схема проезда
г. Бобруйск ул. Орловского, 22к3 +375 (29) 345-37-07 ( Средне )
Схема проезда
г. Витебск ул. Правды, 33 +375 (44) 770-80-87 ( Средне )
Схема проезда
г. Гомель ул. Барыкина, 291Б +375 (44) 514-15-30 ( Средне )
Схема проезда
г. Горки ул.Мира, д.51а/1 +375 (44) 565-33-61 ( Средне )
Схема проезда
г. Дятлово ул. Советская ,104 +375 (29) 187-87-37 ( Средне )
Схема проезда
г. Жлобин ул. Козлова, 25 +375 (29) 346-06-78 ( Мало )
Схема проезда
г. Ивацевичи ул. Загородная, 6А +375 (29) 188-59-01 ( Средне )
Схема проезда
г. Кобрин ул. Пролетарская, 177А +375 (44) 588-10-80 ( Мало )
Схема проезда
г. Лунинец ул.Красная, 175а +375 (44) 721-46-74 ( Мало )
Схема проезда
г. Молодечно ул. Галицкого, 14 +375 (44) 567-28-47 ( Средне )
Схема проезда
г. Новогрудок ул. Индустриальная, 3 +375 (44) 729-39-19 ( Средне )
Схема проезда
г. Орша ул. Сергея Кирова, д. 34 +375 (44) 583-91-42 ( Средне )
Схема проезда
г. Осиповичи ул. Короткая, 11 +375 (29) 165-60-07 ( Мало )
Схема проезда
г. Ошмяны ул. Льнозоводская 3 +375 (44) 770-80-91 ( Средне )
Схема проезда
г. Полоцк-2 ул. Шенягина, 52 +375 (29) 302-94-73 ( Средне )
Схема проезда
г. Полоцк-2 ул. Шенягина, 52 +375 (29) 302-94-73 ( Средне )
Схема проезда
г. Пружаны ул. Макаренко, 21 +375 (29) 348-83-18 ( Средне )
Схема проезда
г. Слоним ул. Советская, 93а +375 (29) 394-82-01 ( Средне )
Схема проезда
г. Сморгонь ул. Железнодорожная, 32 +375 (29) 671-02-10 ( Средне )
Схема проезда
г. Солигорск Чижевичский сельсовет, 3Г +375 (29) 899-58-52 ( Мало )
Схема проезда
г. Щучин ул. Советская, 39 +375 (29) 177-29-70 ( Средне )
Схема проезда
Цилиндр 24-3501040-01 (K3208C3) тормозной FENOX K3208C3
Цилиндр 24-3501040-01 (K3208C3) тормозной FENOX
Каталожный номер K3208C3
Производитель FENOX FENOX
Код 00-ГР018729
Доставка по всей Беларуси
Доступность остатки на филиалах Остатки на филиалах
Остаток В наличии
Склад Адрес Контакт Остатки
г. Барановичи ул. Пролетарская, 40 +375 (29) 795-96-37 ( Мало )
Схема проезда
г. Барановичи ул. Бадака, 27Б +375 (29) 350-33-47 ( Средне )
Схема проезда
г. Бобруйск ул. Орловского, 22к3 +375 (29) 345-37-07 ( Средне )
Схема проезда
г. Витебск ул. Правды, 33 +375 (44) 770-80-87 ( Средне )
Схема проезда
г. Глубокое ул. Энгельса, 22 +375 (44) 505-71-40 ( Средне )
Схема проезда
г. Гомель ул. Барыкина, 291Б +375 (44) 514-15-30 ( Средне )
Схема проезда
г. Горки ул.Мира, д.51а/1 +375 (44) 565-33-61 ( Мало )
Схема проезда
г. Гродно ул. Карского, 35 +375 (44) 770-70-21 ( Мало )
Схема проезда
г. Дрогичин ул. Юбилейная, 42 +375 (29) 682-17-13 ( Средне )
Схема проезда
г. Житковичи ул. Комсомольская, 49 +375 (29) 394-82-52 ( Средне )
Схема проезда
г. Жлобин ул. Козлова, 25 +375 (29) 346-06-78 ( Средне )
Схема проезда
г. Ивацевичи ул. Загородная, 6А +375 (29) 188-59-01 ( Средне )
Схема проезда
г. Кобрин ул. Пролетарская, 177А +375 (44) 588-10-80 ( Средне )
Схема проезда
г. Лельчицы ул. Советская, д.96/1 +375 (29) 346-98-96 ( Средне )
Схема проезда
г. Лунинец ул.Красная, 175а +375 (44) 721-46-74 ( Средне )
Схема проезда
г. Молодечно ул. Галицкого, 14 +375 (44) 567-28-47 ( Средне )
Схема проезда
г. Осиповичи ул. Короткая, 11 +375 (29) 165-60-07 ( Мало )
Схема проезда
г. Ошмяны ул. Льнозоводская 3 +375 (44) 770-80-91 ( Средне )
Схема проезда
г. Петриков ул. Первомайская, 124 +375 (33) 660-06-75 ( Средне )
Схема проезда
г. Полоцк-2 ул. Шенягина, 52 +375 (29) 302-94-73 ( Средне )
Схема проезда
г. Пружаны ул. Макаренко, 21 +375 (29) 348-83-18 ( Мало )
Схема проезда
г. Слуцк ул. Тутаринова, 8 +375 (29) 346-06-90 ( Средне )
Схема проезда
Эксцентрик 51-3501028 тормоза  ГАЗ 51-3501028
Эксцентрик 51-3501028 тормоза ГАЗ
Каталожный номер 51-3501028
Производитель ГАЗ ГАЗ
Код 00-ГР024102
Доставка по всей Беларуси
Доступность остатки на филиалах Остатки на филиалах
Остаток: г.Минск, ул.Селицкого 21к В наличии
Склад Адрес Контакт Остатки
г. Минск ул. Селицкого, 21к +375 (44) 770-80-78 ( Много )
Схема проезда
г. Бобруйск ул. Гоголя, 181/1-6 +375 (29) 630-05-01 ( Средне )
Схема проезда
г. Гомель ул. Барыкина, 291Б +375 (44) 514-15-30 ( Много )
Схема проезда
г. Осиповичи ул. Короткая, 11 +375 (29) 165-60-07 ( Средне )
Схема проезда
г. Столин ул. Быковского, 29 +375 (33) 304-54-36 ( Средне )
Схема проезда
г. Щучин ул. Советская, 39 +375 (29) 177-29-70 ( Много )
Схема проезда