Республика Беларусь,
г. Минск, ул. Селицкого 21к - центральный склад
Пн-пт с 8:00 до 17:00
Меню
11-6252 Фланец упорный распредвала
Наименование: Фланец 11-6252 упорный распредвала
Каталожный номер: 11-6252
Производитель: RSTA
Код товара: 00-ГР021915
Доставка: по всей Беларуси
Остаток: под заказ

Нашли не точность в описании товара? сообщить администратору.

+375 (44) 770-80-78 +375 (29) 747-80-78
* Выставить счет, получить техническую информацию и стоимость
Заказать деталь Онлайн
Описание
Наличие на филиалах
Применяемость
Заменить на СТО

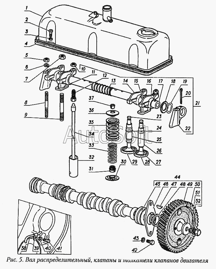
Фланец 11-6252 упорный распредвала производства RSTA (РФ), Код для заказа: 00-ГР021915

Марка Модель Кат.номер Наим. по каталогу Чертеж
ГАЗ ГАЗ-14 (Чайка) (1980) 11-6252 Фланец упорный распределительного вала Вал распределительный, клапаны и толкатели клапанов двигателя Чертеж Вал распределительный, клапаны и толкатели клапанов двигателя
ГАЗ ГАЗ-24 11-6252 Фланец упорный распределительного вала Распределительный вал
ГАЗ ГАЗ-24-10 (1995) 11-6252 Фланец упорный распределительного вала Вал распределительный, клапаны и толкатели клапанов двигателя
ГАЗ ГАЗ-3102 (2000) 11-6252 Фланец упорный распределительного вала Вал распределительный и газопровод
ГАЗ ГАЗ-31029 11-6252 Фланец упорный распределительного вала Вал распределительный, клапаны и толкатели клапанов двигателя Чертеж Вал распределительный, клапаны и толкатели клапанов двигателя
ГАЗ ГАЗ-3110 11-6252 Фланец упорный распределительного вала Вал распределительный, ось коромысел, клапаны и толкатели клапанов, крышка коромысел двигателей ЗМЗ-402.10 и ЗМЗ-4021.10 Чертеж Вал распределительный, ось коромысел, клапаны и толкатели клапанов, крышка коромысел двигателей ЗМЗ-402.10 и ЗМЗ-4021.10
ГАЗ ГАЗ-3302 (ГАЗель) 11-6252 Фланец упорный распределительного вала Вал распределительный, клапаны и толкатели клапанов двигателей ЗМЗ 4025.10, ЗМЗ 4026.10 Чертеж Вал распределительный, клапаны и толкатели клапанов двигателей ЗМЗ 4025.10, ЗМЗ 4026.10
ГАЗ ГАЗ-2705 (ГАЗель) (2000) 11-6252 Фланец упорный распределительного вала Вал распределительный, ось коромысел, клапаны и толкатели клапанов, крышка коромысел двигателей ЗМЗ-4025.10, ЗМЗ-4026.10 Чертеж Вал распределительный, ось коромысел, клапаны и толкатели клапанов, крышка коромысел двигателей ЗМЗ-4025.10, ЗМЗ-4026.10
ГАЗ ГАЗ-3307 (2000) 11-6252 Фланец упорный распределительного вала Вал распределительный, клапаны и толкатели клапанов
ГАЗ ГАЗ-52-01 11-6252 Фланец упорный распределительного вала Вал распределительный Чертеж Вал распределительный
ГАЗ ГАЗ-53 А (1989) 11-6252 Фланец упорный распределительного вала Распределительный вал, клапаны и толкатели Чертеж Распределительный вал, клапаны и толкатели
ГАЗ ГАЗ-66 (Каталог 1983 г.) (1983) 11-6252 Фланец упорный распределительного вала Распределительный вал, клапаны и толкатели
ГАЗ ГАЗ-66 (Каталог 1996 г.) (1996) 11-6252 Фланец упорный распределительного вала Вал распределительный, клапаны и толкатели клапанов двигателя Чертеж Вал распределительный, клапаны и толкатели клапанов двигателя
ГАЗ ГАЗ-69 (1957) 11-6252 Фланец упорный распределительного вала Распределительный вал Чертеж Распределительный вал
ГАЗ ГАЗ-71 11-6252 Фланец упорный распределительного вала Распределительный механизм Чертеж Распределительный механизм
УАЗ УАЗ-3151 (1993) 11-6252 Фланец упорный Вал распределительный
УАЗ УАЗ-3741 11-6252 Фланец упорный Вал распределительный Чертеж Вал распределительный
УАЗ УАЗ-3962 11-6252 Фланец упорный Вал распределительный
УАЗ УАЗ-2206 11-6252 Фланец упорный Вал распределительный Чертеж Вал распределительный
УАЗ УАЗ-3303 11-6252 Фланец упорный Вал распределительный Чертеж Вал распределительный
Товары из этой категории
Бак топливный 105л ГАЗ-3307 4301-1101010
Бак топливный 105л ГАЗ-3307
Каталожный номер 4301-1101010
Производитель Автотехнология Автотехнология
Код 10643
Доставка по всей Беларуси
Доступность остатки на филиалах Остатки на филиалах
Остаток: г.Минск, ул.Селицкого 21к В наличии
Склад Адрес Контакт Остатки
г. Минск ул. Селицкого, 21к +375 (44) 770-80-78 ( Средне )
Схема проезда
г. Витебск ул. Правды, 33 +375 (44) 770-80-87 ( Мало )
Схема проезда
г. Полоцк-2 ул. Шенягина, 52 +375 (29) 302-94-73 ( Мало )
Схема проезда
Бак топливный под погружной насос 32213-1101010
Бак топливный под погружной насос
Каталожный номер 32213-1101010
Производитель БАКИ-НН БАКИ-НН
Код 27038
Доставка по всей Беларуси
Доступность остатки на филиалах Остатки на филиалах
Остаток: г.Минск, ул.Селицкого 21к В наличии
Склад Адрес Контакт Остатки
г. Минск ул. Селицкого, 21к +375 (44) 770-80-78 ( Средне )
Схема проезда
г. Бобруйск ул. Орловского, 22к3 +375 (29) 345-37-07 ( Мало )
Схема проезда
г. Витебск ул. Правды, 33 +375 (44) 770-80-87 ( Мало )
Схема проезда
г. Лунинец ул.Красная, 175а +375 (44) 721-46-74 ( Мало )
Схема проезда
г. Полоцк-2 ул. Шенягина, 52 +375 (29) 302-94-73 ( Мало )
Схема проезда
Шланг наливной трубы бака Г-53 52-1101070
Шланг наливной трубы бака Г-53
Каталожный номер 52-1101070
Производитель СЗРТ СЗРТ
Код 16443
Доставка по всей Беларуси
Доступность остатки на филиалах Остатки на филиалах
Остаток: г.Минск, ул.Селицкого 21к В наличии
Склад Адрес Контакт Остатки
г. Минск ул. Селицкого, 21к +375 (44) 770-80-78 ( Средне )
Схема проезда
г. Бобруйск ул. Орловского, 22к3 +375 (29) 345-37-07 ( Мало )
Схема проезда
г. Дрогичин ул. Юбилейная, 42 +375 (29) 682-17-13 ( Мало )
Схема проезда
г. Дятлово ул. Советская ,104 +375 (29) 187-87-37 ( Мало )
Схема проезда
г. Житковичи ул. Комсомольская, 49 +375 (29) 394-82-52 ( Мало )
Схема проезда
г. Кричев ул. Комсомольская, 126 +375 (29) 628-88-42 ( Мало )
Схема проезда
г. Осиповичи ул. Короткая, 11 +375 (29) 165-60-07 ( Мало )
Схема проезда
г. Слоним ул. Советская, 93а +375 (29) 394-82-01 ( Мало )
Схема проезда
Насос топливный (модуль) 515-1139010-10 погружной PEKAR 515-1139010-10
Насос топливный (модуль) 515-1139010-10 погружной PEKAR
Каталожный номер 515-1139010-10
Производитель PEKAR PEKAR
Код 00-ГР018269
Доставка по всей Беларуси
Доступность остатки на филиалах Остатки на филиалах
Остаток: г.Минск, ул.Селицкого 21к В наличии
Склад Адрес Контакт Остатки
г. Минск ул. Селицкого, 21к +375 (44) 770-80-78 ( Мало )
Схема проезда
Трос 3302-1108050  (RG3302-1108050) газа (1015мм) RIGINAL RG3302-1108050
Трос 3302-1108050  (RG3302-1108050) газа (1015мм) RIGINAL
Каталожный номер RG3302-1108050
Производитель RIGINAL RIGINAL
Код 00-ГР032630
Доставка по всей Беларуси
Доступность остатки на филиалах Остатки на филиалах
Остаток: г.Минск, ул.Селицкого 21к В наличии
Склад Адрес Контакт Остатки
г. Минск ул. Селицкого, 21к +375 (44) 770-80-78 ( Много )
Схема проезда
г. Глубокое ул. Энгельса, 22 +375 (44) 505-71-40 ( Мало )
Схема проезда
г. Ивацевичи ул. Загородная, 6А +375 (29) 188-59-01 ( Мало )
Схема проезда
г. Лельчицы ул. Советская, д.96/1 +375 (29) 346-98-96 ( Мало )
Схема проезда
г. Новогрудок ул. Индустриальная, 3 +375 (44) 729-39-19 ( Мало )
Схема проезда
г. Солигорск Чижевичский сельсовет, 3Г +375 (29) 899-58-52 ( Мало )
Схема проезда