Республика Беларусь,
г. Минск, ул. Селицкого 21к - центральный склад
Пн-пт с 8:00 до 17:00
Меню
4301-3553010 Фильтр воздушный топливного бака
Наименование: Фильтр воздушный 4301-3553010 топливного бака
Каталожный номер: 4301-3553010
Производитель: RSTA
Код товара: 36937
Доставка: по всей Беларуси
Остаток: под заказ

Нашли не точность в описании товара? сообщить администратору.

+375 (44) 770-80-78 +375 (29) 747-80-78
* Выставить счет, получить техническую информацию и стоимость
Заказать деталь Онлайн
Описание
Наличие на филиалах
Применяемость
Заменить на СТО

Фильтр воздушный 4301-3553010 топливного бака производства ГАЗ (РФ), Код для заказа: 36937

Марка Модель Кат.номер Наим. по каталогу Чертеж
ГАЗ ГАЗ-3306 (1994) 4301-3553010 Фильтр воздушный гидровакуумного усилителя тормозов в сборе Бак топливный Чертеж Бак топливный
ГАЗ ГАЗ-3306 (1994) 4301-3553010 Фильтр воздушный гидровакуумного усилителя тормозов в сборе Баллоны вакуумные, аварийная сигнализация прекращения действия тормозов, фильтр воздушный гидровакуумного усилителя тормозов Чертеж Баллоны вакуумные, аварийная сигнализация прекращения действия тормозов, фильтр воздушный гидровакуумного усилителя тормозов
ГАЗ ГАЗ-3307 (2000) 4301-3553010 Фильтр воздушный гидровакуумного усилителя тормозов в сборе Баллоны, сигнализация аварийная прекращения действия тормозов, фильтр воздушный гидровакуумного усилителя тормозов
ГАЗ ГАЗ-3309 4301-3553010 Фильтр воздушный гидровакуумного усилителя тормозов в сборе Бак топливный, крепление бака Чертеж Бак топливный, крепление бака
ГАЗ ГАЗ-3309 4301-3553010 Фильтр воздушный гидровакуумного усилителя тормозов в сборе Баллоны вакуумные, аварийная сигнализация неисправности тормозов, фильтр воздушный гидровакуумного усилителя Чертеж Баллоны вакуумные, аварийная сигнализация неисправности тормозов, фильтр воздушный гидровакуумного усилителя
ГАЗ ГАЗ-4301 4301-3553010 Фильтр воздушный гидровакуумного усилителя тормозов в сборе Фланец приемной трубки с фильтром, фильтр грубой очистки топлива, фильтр воздушный, трубопроводы топливные
ГАЗ ГАЗ-4301 4301-3553010 Фильтр воздушный гидровакуумного усилителя тормозов в сборе Бачок главного цилиндра тормозов, трубопроводы, фильтр воздушный гидровакуумного усилителя тормоза
ГАЗ ГАЗ-3308 (2000) 4301-3553010 Фильтр воздушный гидровакуумного усилителя тормозов в сборе Топливный бак автомобиля с дизельным двигателем Чертеж Топливный бак автомобиля с дизельным двигателем
ГАЗ ГАЗ-3308 (2000) 4301-3553010 Фильтр воздушный гидровакуумного усилителя тормозов в сборе Трубопроводы тормозной системы Чертеж Трубопроводы тормозной системы
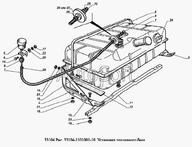
ГАЗ ГАЗ-33104 Валдай (2006) 4301-3553010 Фильтр воздушный гидровакуумного усилителя тормозов в сборе Установка топливного бака Чертеж Установка топливного бака
ГАЗ ГАЗ-3309 (доп. с дв. ЗМЗ Е 3) (2009) 4301-3553010 Фильтр воздушный гидровакуумного усилителя тормозов в сборе 3309-1101001-10. Установка топливного бака
ГАЗ ГАЗ-3309 (Евро 2) (2008) 4301-3553010 Фильтр воздушный гидровакуумного усилителя тормозов в сборе Установка топливного бака
ГАЗ ГАЗ-33104 Валдай Евро 3 (2008) 4301-3553010 Фильтр воздушный гидровакуумного усилителя тормозов в сборе Установка топливного бака Чертеж Установка топливного бака
ГАЗ ГАЗ-33106 Евро 3 (2015) 4301-3553022 Корпус фильтра Фильтр воздушный гидровакуумного усилителя тормозов 4301-3553010
ГАЗ ГАЗ-3308 (2002) 4301-3553010 Фильтр воздушный гидровакуумного усилителя тормозов в сборе Топливный баки автомобиля с дизельным двигателем
ГАЗ ГАЗ-3308 (2002) 4301-3553010 Фильтр воздушный гидровакуумного усилителя тормозов в сборе Трубопроводы тормозной системы
ГАЗ ГАЗ-33081 (2008) 4301-3553010 Фильтр воздушный гидровакуумного усилителя тормозов в сборе 33081-1101001-40. Установка топливного бака Чертеж 33081-1101001-40. Установка топливного бака
ГАЗ ГАЗ-33081 (2008) 4301-3553010 Фильтр воздушный гидровакуумного усилителя тормозов в сборе 33097-1101001. Установка топливного бака Чертеж 33097-1101001. Установка топливного бака
ГАЗ ГАЗель NEXT Citiline A64R42 (2021) 4301-3553010 Фильтр воздушный гидровакуумного усилителя тормозов в сборе A60R42-1101002 Установка топливного бака
ГАЗ ГАЗель NEXT Citiline A64R42 (2021) 4301-3553022 Корпус фильтра 4301-3553010 Фильтр воздушный гидровакуумного усилителя тормозов
Товары из этой категории
Цилиндр тормозной рабочий передний левый УАЗ 469-3501041
Цилиндр тормозной рабочий передний левый УАЗ
Каталожный номер 469-3501041
Производитель Автомагнат Автомагнат
Код 13372
Доставка по всей Беларуси
Доступность остатки на филиалах Остатки на филиалах
Остаток: г.Минск, ул.Селицкого 21к В наличии
Склад Адрес Контакт Остатки
г. Минск ул. Селицкого, 21к +375 (44) 770-80-78 ( Средне )
Схема проезда
г. Горки ул.Мира, д.51а/1 +375 (44) 565-33-61 ( Средне )
Схема проезда
г. Дрогичин ул. Юбилейная, 42 +375 (29) 682-17-13 ( Мало )
Схема проезда
г. Дятлово ул. Советская ,104 +375 (29) 187-87-37 ( Мало )
Схема проезда
г. Жлобин ул. Козлова, 25 +375 (29) 346-06-78 ( Средне )
Схема проезда
г. Ивацевичи ул. Загородная, 6А +375 (29) 188-59-01 ( Мало )
Схема проезда
г. Новогрудок ул. Индустриальная, 3 +375 (44) 729-39-19 ( Мало )
Схема проезда
г. Ошмяны ул. Льнозоводская 3 +375 (44) 770-80-91 ( Средне )
Схема проезда
г. Полоцк-2 ул. Шенягина, 52 +375 (29) 302-94-73 ( Мало )
Схема проезда
г. Сморгонь ул. Железнодорожная, 32 +375 (29) 671-02-10 ( Мало )
Схема проезда
Диск тормозной RGC41R92-3502078 задний RIGINAL RGC41R92-3502078
Диск тормозной RGC41R92-3502078 задний RIGINAL
Каталожный номер RGC41R92-3502078
Производитель RIGINAL RIGINAL
Код 00-ГР037535
Доставка по всей Беларуси
Доступность остатки на филиалах Остатки на филиалах
Остаток: г.Минск, ул.Селицкого 21к В наличии
Склад Адрес Контакт Остатки
г. Минск ул. Селицкого, 21к +375 (44) 770-80-78 ( Средне )
Схема проезда
г. Витебск ул. Правды, 33 +375 (44) 770-80-87 ( Средне )
Схема проезда
К-т стержней задних колодок (4 шт.) 3302-3502900
К-т стержней задних колодок (4 шт.)
Каталожный номер 3302-3502900
Производитель ЗавГар ЗавГар
Код 30110
Доставка по всей Беларуси
Доступность остатки на филиалах Остатки на филиалах
Остаток: г.Минск, ул.Селицкого 21к В наличии
Склад Адрес Контакт Остатки
г. Минск ул. Бабушкина, 37 +375 (29) 632-00-82 ( Мало )
Схема проезда
г. Минск ул. Селицкого, 21к +375 (44) 770-80-78 ( Много )
Схема проезда
г. Барановичи ул. Бадака, 27Б +375 (29) 350-33-47 ( Средне )
Схема проезда
г. Березино ул. Комсомольская, д. 24 +375 (44) 770-80-17 ( Мало )
Схема проезда
г. Бобруйск ул. Гоголя, 181/1-6 +375 (29) 630-05-01 ( Средне )
Схема проезда
г. Бобруйск ул. Орловского, 22к3 +375 (29) 345-37-07 ( Мало )
Схема проезда
г. Борисов ул. Демина, 2а +375 (44) 560-99-75 ( Мало )
Схема проезда
г. Брест Тельминский с/с, 1Д/1, 1 км южнее д. Тельмы-2 +375 (44) 599-90-75 ( Мало )
Схема проезда
г. Витебск ул. Правды, 33 +375 (44) 770-80-87 ( Средне )
Схема проезда
г. Глубокое ул. Энгельса, 22 +375 (44) 505-71-40 ( Мало )
Схема проезда
г. Гомель ул. Барыкина, 291Б +375 (44) 514-15-30 ( Мало )
Схема проезда
г. Гомель ул. Барыкина, 291Б +375 (44) 514-15-30 ( Мало )
Схема проезда
г. Горки ул.Мира, д.51а/1 +375 (44) 565-33-61 ( Мало )
Схема проезда
г. Гродно ул. Карского, 35 +375 (44) 770-70-21 ( Средне )
Схема проезда
г. Дрогичин ул. Юбилейная, 42 +375 (29) 682-17-13 ( Мало )
Схема проезда
г. Дятлово ул. Советская ,104 +375 (29) 187-87-37 ( Мало )
Схема проезда
г. Житковичи ул. Комсомольская, 49 +375 (29) 394-82-52 ( Мало )
Схема проезда
г. Жлобин ул. Козлова, 25 +375 (29) 346-06-78 ( Средне )
Схема проезда
г. Ивацевичи ул. Загородная, 6А +375 (29) 188-59-01 ( Мало )
Схема проезда
г. Кобрин ул. Пролетарская, 177А +375 (44) 588-10-80 ( Средне )
Схема проезда
г. Кричев ул. Комсомольская, 126 +375 (29) 628-88-42 ( Мало )
Схема проезда
г. Лельчицы ул. Советская, д.96/1 +375 (29) 346-98-96 ( Мало )
Схема проезда
г. Мозырь промузел Козенки +375 (44) 731-94-60 ( Мало )
Схема проезда
г. Молодечно ул. Галицкого, 14 +375 (44) 567-28-47 ( Мало )
Схема проезда
г. Пинск ул. Калиновского 32 +375 (44) 560-99-59 ( Мало )
Схема проезда
г. Полоцк-2 ул. Шенягина, 52 +375 (29) 302-94-73 ( Средне )
Схема проезда
г. Полоцк-2 ул. Шенягина, 52 +375 (29) 302-94-73 ( Средне )
Схема проезда
г. Полоцк-2 ул. Шенягина, 52 +375 (29) 302-94-73 ( Мало )
Схема проезда
г. Пружаны ул. Макаренко, 21 +375 (29) 348-83-18 ( Мало )
Схема проезда
г. Слоним ул. Советская, 93а +375 (29) 394-82-01 ( Средне )
Схема проезда
г. Слуцк ул. Тутаринова, 8 +375 (29) 346-06-90 ( Средне )
Схема проезда
г. Солигорск Чижевичский сельсовет, 3Г +375 (29) 899-58-52 ( Мало )
Схема проезда
г. Щучин ул. Советская, 39 +375 (29) 177-29-70 ( Средне )
Схема проезда
Барабан тормозной 469-3501070
Барабан тормозной
Каталожный номер 469-3501070
Производитель RSTA RSTA
Код 13244
Доставка по всей Беларуси
Доступность остатки на филиалах Остатки на филиалах
Остаток: г.Минск, ул.Селицкого 21к В наличии
Склад Адрес Контакт Остатки
г. Минск ул. Селицкого, 21к +375 (44) 770-80-78 ( Средне )
Схема проезда
г. Витебск ул. Петруся Бровки, 34 +375 (29) 636-25-08 ( Средне )
Схема проезда
г. Дятлово ул. Советская ,104 +375 (29) 187-87-37 ( Средне )
Схема проезда
г. Поставы ул. Советская, 69 +375 (44) 770-80-13 ( Средне )
Схема проезда
Колодка стояночная тормозная C41R92-3507170 (RGC41R92-3507170) комплект 4 шт. RGC41R92-3507170
Колодка стояночная тормозная C41R92-3507170 (RGC41R92-3507170) комплект 4 шт.
Каталожный номер RGC41R92-3507170
Производитель RIGINAL RIGINAL
Код 00-ГР037630
Доставка по всей Беларуси
Доступность остатки на филиалах Остатки на филиалах
Остаток: г.Минск, ул.Селицкого 21к В наличии
Склад Адрес Контакт Остатки
г. Минск ул. Селицкого, 21к +375 (44) 770-80-78 ( Много )
Схема проезда
г. Витебск ул. Правды, 33 +375 (44) 770-80-87 ( Средне )
Схема проезда
К-т тормозных трубок тормоз. (10 шт) медь 3302-3506000
К-т тормозных трубок тормоз. (10 шт) медь
Каталожный номер 3302-3506000
Производитель RSTA RSTA
Код 19062
Доставка по всей Беларуси
Доступность остатки на филиалах Остатки на филиалах
Остаток: г.Минск, ул.Селицкого 21к В наличии
Склад Адрес Контакт Остатки
г. Минск ул. Селицкого, 21к +375 (44) 770-80-78 ( Много )
Схема проезда
г. Березино ул. Комсомольская, д. 24 +375 (44) 770-80-17 ( Мало )
Схема проезда
г. Борисов ул. Демина, 2а +375 (44) 560-99-75 ( Мало )
Схема проезда
г. Витебск ул. Правды, 33 +375 (44) 770-80-87 ( Мало )
Схема проезда
г. Гомель ул. Барыкина, 291Б +375 (44) 514-15-30 ( Мало )
Схема проезда
г. Горки ул.Мира, д.51а/1 +375 (44) 565-33-61 ( Мало )
Схема проезда
г. Гродно ул. Карского, 35 +375 (44) 770-70-21 ( Мало )
Схема проезда
г. Дрогичин ул. Юбилейная, 42 +375 (29) 682-17-13 ( Мало )
Схема проезда
г. Лельчицы ул. Советская, д.96/1 +375 (29) 346-98-96 ( Мало )
Схема проезда
г. Ошмяны ул. Льнозоводская 3 +375 (44) 770-80-91 ( Мало )
Схема проезда
г. Полоцк-2 ул. Шенягина, 52 +375 (29) 302-94-73 ( Мало )
Схема проезда
г. Слоним ул. Советская, 93а +375 (29) 394-82-01 ( Мало )
Схема проезда
г. Солигорск Чижевичский сельсовет, 3Г +375 (29) 899-58-52 ( Мало )
Схема проезда
г. Щучин ул. Советская, 39 +375 (29) 177-29-70 ( Мало )
Схема проезда
Тормоз стояночный в сборе 52-3507010
Тормоз стояночный в сборе
Каталожный номер 52-3507010
Производитель RSTA RSTA
Код 13156
Доставка по всей Беларуси
Доступность остатки на филиалах Остатки на филиалах
Остаток: г.Минск, ул.Селицкого 21к В наличии
Склад Адрес Контакт Остатки
г. Минск ул. Селицкого, 21к +375 (44) 770-80-78 ( Мало )
Схема проезда
г. Новогрудок ул. Индустриальная, 3 +375 (44) 729-39-19 ( Мало )
Схема проезда
Комплект 3302-3506000 тормозных трубок (комплект 7шт.) Riginal RG3302-3506000
Комплект 3302-3506000 тормозных трубок (комплект 7шт.) Riginal
Каталожный номер RG3302-3506000
Производитель RIGINAL RIGINAL
Код 00-ГР022385
Доставка по всей Беларуси
Доступность остатки на филиалах Остатки на филиалах
Остаток: г.Минск, ул.Селицкого 21к В наличии
Склад Адрес Контакт Остатки
г. Минск ул. Селицкого, 21к +375 (44) 770-80-78 ( Много )
Схема проезда
г. Березино ул. Комсомольская, д. 24 +375 (44) 770-80-17 ( Мало )
Схема проезда
г. Бобруйск ул. Гоголя, 181/1-6 +375 (29) 630-05-01 ( Мало )
Схема проезда
г. Бобруйск ул. Орловского, 22к3 +375 (29) 345-37-07 ( Мало )
Схема проезда
г. Брест Тельминский с/с, 1Д/1, 1 км южнее д. Тельмы-2 +375 (44) 599-90-75 ( Мало )
Схема проезда
г. Витебск ул. Правды, 33 +375 (44) 770-80-87 ( Мало )
Схема проезда
г. Гомель ул. Барыкина, 291Б +375 (44) 514-15-30 ( Мало )
Схема проезда
г. Гомель ул. Барыкина, 291Б +375 (44) 514-15-30 ( Средне )
Схема проезда
г. Дятлово ул. Советская ,104 +375 (29) 187-87-37 ( Средне )
Схема проезда
г. Ивацевичи ул. Загородная, 6А +375 (29) 188-59-01 ( Мало )
Схема проезда
г. Лельчицы ул. Советская, д.96/1 +375 (29) 346-98-96 ( Мало )
Схема проезда
г. Осиповичи ул. Короткая, 11 +375 (29) 165-60-07 ( Мало )
Схема проезда
г. Ошмяны ул. Льнозоводская 3 +375 (44) 770-80-91 ( Мало )
Схема проезда
г. Пинск ул. Калиновского 32 +375 (44) 560-99-59 ( Мало )
Схема проезда
г. Полоцк-2 ул. Шенягина, 52 +375 (29) 302-94-73 ( Мало )
Схема проезда
г. Полоцк-2 ул. Шенягина, 52 +375 (29) 302-94-73 ( Мало )
Схема проезда
г. Поставы ул. Советская, 69 +375 (44) 770-80-13 ( Мало )
Схема проезда
г. Пружаны ул. Макаренко, 21 +375 (29) 348-83-18 ( Мало )
Схема проезда
г. Слоним ул. Советская, 93а +375 (29) 394-82-01 ( Мало )
Схема проезда
г. Сморгонь ул. Железнодорожная, 32 +375 (29) 671-02-10 ( Мало )
Схема проезда
г. Солигорск Чижевичский сельсовет, 3Г +375 (29) 899-58-52 ( Мало )
Схема проезда
г. Столин ул. Быковского, 29 +375 (33) 304-54-36 ( Мало )
Схема проезда