Республика Беларусь,
г. Минск, ул. Селицкого 21к - центральный склад
Пн-пт с 8:00 до 17:00
Меню
130-1117010 Фильтр топливный
Наименование: Фильтр топливный 130-1117010
Каталожный номер: 130-1117010
Производитель: RSTA
Код товара: 27386
Доставка: по всей Беларуси
Остаток: под заказ

Нашли не точность в описании товара? сообщить администратору.

+375 (44) 770-80-78 +375 (29) 747-80-78
* Выставить счет, получить техническую информацию и стоимость
Заказать деталь Онлайн
Описание
Наличие на филиалах
Применяемость
Заменить на СТО

Фильтр топливный 130-1117010 производства RSTA (РФ), Код для заказа: 27386

Марка Модель Кат.номер Наим. по каталогу Чертеж
ЛАЗ ЛАЗ 695Н (1976) 130-1117010-Б2 Фильтр тонкой очистки топлива сетчатый в сборе Система питания автобуса ЛАЗ-695Н Чертеж Система питания автобуса ЛАЗ-695Н
ЛАЗ ЛАЗ 695Н (1976) 130-1117010-Б2 Фильтр тонкой очистки топлива сетчатый в сборе Система питания автобуса ЛАЗ-697Н Чертеж Система питания автобуса ЛАЗ-697Н
ЛАЗ ЛАЗ 695Н (1976) 130-1117010-Б Фильтр тонкой очистки топлива керамический в сборе Фильтр-отстойник и фильтр тонкой очистки Чертеж Фильтр-отстойник и фильтр тонкой очистки
ЛАЗ ЛАЗ 699Р 130-1117010-Б2 Фильтр тонкой очистки топлива сетчатый в сборе Схема отопления автобуса Чертеж Схема отопления автобуса
ЛиАЗ ЛиАЗ 677 130-1117010-Б2 Фильтр тонкой очистки топлива сетчатый в сборе Система питания автобуса Чертеж Система питания автобуса
ЛиАЗ ЛиАЗ 677 130-1117010-Б Фильтр тонкой очистки топлива керамический в сборе Фильтр-отстойник и фильтр тонкой очистки Чертеж Фильтр-отстойник и фильтр тонкой очистки
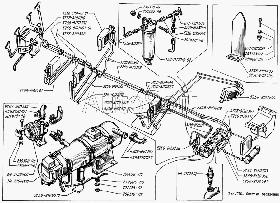
ЛиАЗ ЛиАЗ 5256 130-1117010-62 Фильтр тонкой очистки в сборе Система отопления Чертеж Система отопления
ЛиАЗ ЛиАЗ 5256 130-1117010-62 Фильтр тонкой очистки в сборе Система отопления Чертеж Система отопления
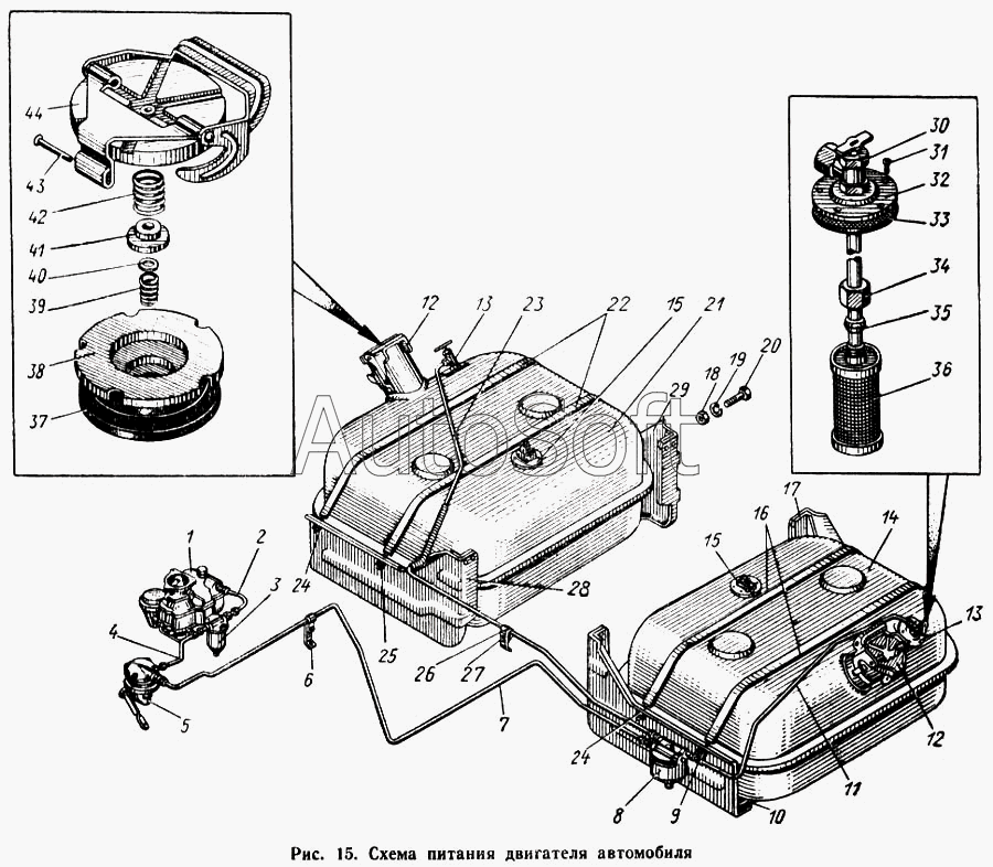
ЗИЛ ЗИЛ-431410 (130) 130-1117010-Б Фильтр тонкой очистки топлива Схема питания двигателя Чертеж Схема питания двигателя
ЗИЛ ЗИЛ-431416 (1990) 130-1117010-Б Фильтр тонкой очистки топлива Система питания\Схема питания двигателя Чертеж Система питания\Схема питания двигателя
ЗИЛ ЗИЛ-441517 Каталог 1987 г. (1987) 130-1117010-Б Фильтр тонкой очистки топлива Схема питания двигателя Чертеж Схема питания двигателя
ЗИЛ ЗИЛ-441517 Каталог 1987 г. (1987) 130-1117010-Б Фильтр тонкой очистки топлива Схема питания двигателя Чертеж Схема питания двигателя
ЗИЛ ЗИЛ-130 (1985) 130-1117010-Б Фильтр тонкой очистки топлива Фильтр тонкой очистки топлива Чертеж Фильтр тонкой очистки топлива
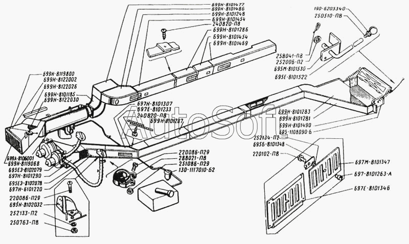
УралАЗ УРАЛ-375 130-1117010-Б2 Фильтр тонкой очистки топлива в сборе Центробежный датчик ограничителя оборотов коленчатого вала двигателя, топливопроводы карбюратора и топливного насоса (Рис. 29) Чертеж Центробежный датчик ограничителя оборотов коленчатого вала двигателя, топливопроводы карбюратора и топливного насоса (Рис. 29)
КАЗ КАЗ 608 130-1117010-Б2 Фильтр тонкой очистки топлива сетчатый в сборе Система питания двигателя автомобиля Чертеж Система питания двигателя автомобиля
КАЗ КАЗ 608 130-1117010-Б Фильтр тонкой очистки топлива керамический в сборе Фильтр отстойник и фильтр тонкой очистки топлива Чертеж Фильтр отстойник и фильтр тонкой очистки топлива
ВАЗ ВАЗ-21213-214i (NIVA) (2005) 2112-1117010-02 Фильтр топливный Трубопроводы топливные (130,133,134,139)
ВАЗ ВАЗ-21213-214i (NIVA) (2005) 2112-1117010-03 Фильтр топливный Трубопроводы топливные (130,133,134,139)
ВАЗ ВАЗ-21213-214i (NIVA) (2005) 2112-1117010-04 Фильтр топливный Трубопроводы топливные (130,133,134,139)
ВАЗ ВАЗ-21213-214i (NIVA) (2005) 2112-1117010-05 Фильтр топливный Трубопроводы топливные (130,133,134,139)
Товары из этой категории
Бензонасос 130П-1106010 Б-9 130-1106010
Бензонасос 130П-1106010 Б-9
Каталожный номер 130-1106010
Производитель RSTA RSTA
Код 48186
Доставка по всей Беларуси
Доступность остатки на филиалах Остатки на филиалах
Остаток Под заказ
Бензонасос в сборе 130-1106010
Бензонасос в сборе
Каталожный номер 130-1106010
Производитель ЗавГар ЗавГар
Код 10364
Доставка по всей Беларуси
Доступность остатки на филиалах Остатки на филиалах
Остаток: г.Минск, ул.Селицкого 21к В наличии
Склад Адрес Контакт Остатки
г. Минск ул. Селицкого, 21к +375 (44) 770-80-78 ( Средне )
Схема проезда
г. Бобруйск ул. Гоголя, 181/1-6 +375 (29) 630-05-01 ( Мало )
Схема проезда
г. Бобруйск ул. Орловского, 22к3 +375 (29) 345-37-07 ( Мало )
Схема проезда
г. Витебск ул. Правды, 33 +375 (44) 770-80-87 ( Мало )
Схема проезда
г. Глубокое ул. Энгельса, 22 +375 (44) 505-71-40 ( Мало )
Схема проезда
г. Гомель ул. Барыкина, 291Б +375 (44) 514-15-30 ( Мало )
Схема проезда
г. Ивацевичи ул. Загородная, 6А +375 (29) 188-59-01 ( Мало )
Схема проезда
г. Молодечно ул. Галицкого, 14 +375 (44) 567-28-47 ( Мало )
Схема проезда
г. Осиповичи ул. Короткая, 11 +375 (29) 165-60-07 ( Мало )
Схема проезда
г. Ошмяны ул. Льнозоводская 3 +375 (44) 770-80-91 ( Мало )
Схема проезда
г. Пинск ул. Калиновского 32 +375 (44) 560-99-59 ( Мало )
Схема проезда
г. Полоцк-2 ул. Шенягина, 52 +375 (29) 302-94-73 ( Мало )
Схема проезда
г. Слоним ул. Советская, 93а +375 (29) 394-82-01 ( Мало )
Схема проезда
г. Сморгонь ул. Железнодорожная, 32 +375 (29) 671-02-10 ( Мало )
Схема проезда
Элемент фильтра воздушного ЗИЛ-5301 комплект А-41.10.000-02МЭ/А-41.20.
Элемент фильтра воздушного ЗИЛ-5301 комплект
Каталожный номер А-41.10.000-02МЭ/А-41.20.
Производитель УП Фильтр УП Фильтр
Код 13519
Доставка по всей Беларуси
Доступность остатки на филиалах Остатки на филиалах
Остаток: г.Минск, ул.Селицкого 21к В наличии
Склад Адрес Контакт Остатки
г. Минск ул. Селицкого, 21к +375 (44) 770-80-78 ( Много )
Схема проезда
г. Барановичи ул. Пролетарская, 40 +375 (29) 795-96-37 ( Средне )
Схема проезда
г. Бобруйск ул. Орловского, 22к3 +375 (29) 345-37-07 ( Средне )
Схема проезда
г. Борисов ул. Демина, 2а +375 (44) 560-99-75 ( Средне )
Схема проезда
г. Витебск ул. Петруся Бровки, 34 +375 (29) 636-25-08 ( Мало )
Схема проезда
г. Глубокое ул. Энгельса, 22 +375 (44) 505-71-40 ( Средне )
Схема проезда
г. Гомель ул. Барыкина, 291Б +375 (44) 514-15-30 ( Мало )
Схема проезда
г. Дятлово ул. Советская ,104 +375 (29) 187-87-37 ( Средне )
Схема проезда
г. Житковичи ул. Комсомольская, 49 +375 (29) 394-82-52 ( Мало )
Схема проезда
г. Кричев ул. Комсомольская, 126 +375 (29) 628-88-42 ( Средне )
Схема проезда
г. Мозырь промузел Козенки +375 (44) 731-94-60 ( Мало )
Схема проезда
г. Молодечно ул. Галицкого, 14 +375 (44) 567-28-47 ( Мало )
Схема проезда
г. Ошмяны ул. Льнозоводская 3 +375 (44) 770-80-91 ( Средне )
Схема проезда
г. Петриков ул. Первомайская, 124 +375 (33) 660-06-75 ( Средне )
Схема проезда
г. Полоцк-2 ул. Шенягина, 52 +375 (29) 302-94-73 ( Мало )
Схема проезда
г. Полоцк-2 ул. Шенягина, 52 +375 (29) 302-94-73 ( Мало )
Схема проезда
г. Полоцк-2 ул. Шенягина, 52 +375 (29) 302-94-73 ( Мало )
Схема проезда
г. Пружаны ул. Макаренко, 21 +375 (29) 348-83-18 ( Мало )
Схема проезда
г. Слоним ул. Советская, 93а +375 (29) 394-82-01 ( Мало )
Схема проезда
г. Солигорск Чижевичский сельсовет, 3Г +375 (29) 899-58-52 ( Мало )
Схема проезда
г. Столин ул. Быковского, 29 +375 (33) 304-54-36 ( Средне )
Схема проезда
Патрубок (Зил 5301) ТКР большой 260-1109009-А
Патрубок (Зил 5301) ТКР большой
Каталожный номер 260-1109009-А
Производитель RSTA RSTA
Код 15754
Доставка по всей Беларуси
Доступность остатки на филиалах Остатки на филиалах
Остаток В наличии
Склад Адрес Контакт Остатки
г. Глубокое ул. Энгельса, 22 +375 (44) 505-71-40 ( Средне )
Схема проезда
г. Новогрудок ул. Индустриальная, 3 +375 (44) 729-39-19 ( Мало )
Схема проезда
г. Осиповичи ул. Короткая, 11 +375 (29) 165-60-07 ( Мало )
Схема проезда
г. Полоцк-2 ул. Шенягина, 52 +375 (29) 302-94-73 ( Мало )
Схема проезда