Республика Беларусь,
г. Минск, ул. Селицкого 21к - центральный склад
Пн-пт с 8:00 до 17:00
Меню
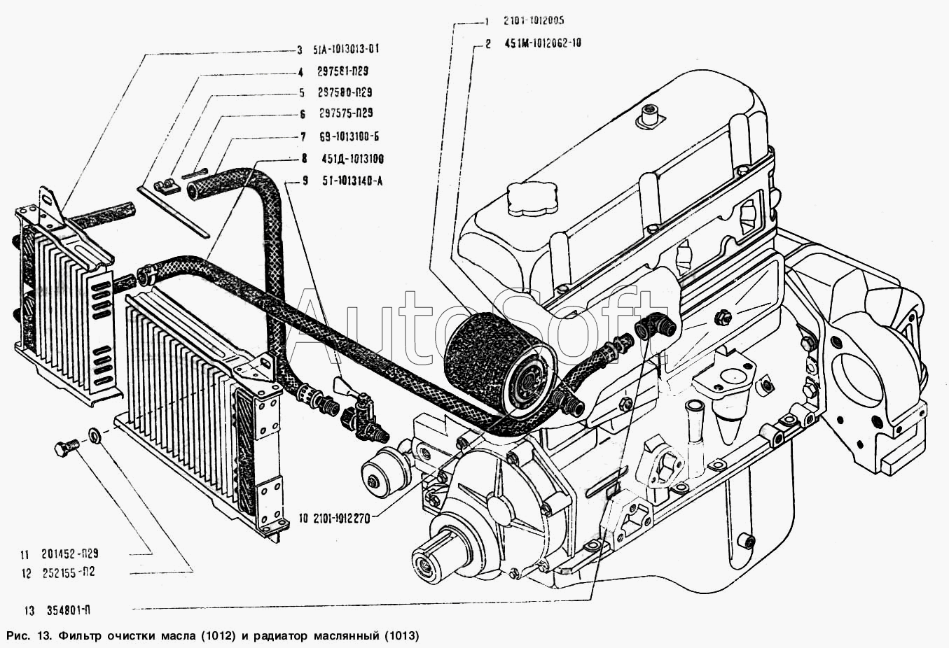
2101-1012005 Фильтр масляный
Наименование: Фильтр 2101-1012005 масляный
Каталожный номер: 2101-1012005
Производитель: RSTA
Код товара: 00-ГР002660
Доставка: по всей Беларуси
Остаток: под заказ

Нашли не точность в описании товара? сообщить администратору.

+375 (44) 770-80-78 +375 (29) 747-80-78
* Выставить счет, получить техническую информацию и стоимость
Заказать деталь Онлайн
Описание
Наличие на филиалах
Применяемость
Заменить на СТО

Фильтр 2101-1012005 масляный производства RSTA (РФ), Код для заказа: 00-ГР002660

Марка Модель Кат.номер Наим. по каталогу Чертеж
ВАЗ ВАЗ-2101 (1982) 2101-1012005 Фильтр масляный Система смазки Чертеж Система смазки
ВАЗ ВАЗ-2102 (1982) 2101-1012005 Фильтр масляный Система смазки
ВАЗ ВАЗ-2103 2101-1012005 Фильтр масляный Смазочная система Чертеж Смазочная система
ВАЗ ВАЗ-2104 2101-1012005 Фильтр масляный Система смазки Чертеж Система смазки
ВАЗ ВАЗ-2105 2101-1012005 Фильтр масляный Система смазки Чертеж Система смазки
ВАЗ ВАЗ-2106 2101-1012005 Фильтр масляный Маслоотделитель и фильтр масляный
ВАЗ ВАЗ-2107 (1990) 2101-1012005 Фильтр масляный Маслоотделитель и фильтр масляный Чертеж Маслоотделитель и фильтр масляный
ВАЗ ВАЗ-2120 (Надежда) 2101-1012005 Фильтр масляный Маслоотделитель и фильтр масляный Чертеж Маслоотделитель и фильтр масляный
ВАЗ ВАЗ-2120 (Надежда) 2101-1012005-04 Фильтр масляный Маслоотделитель и фильтр масляный Чертеж Маслоотделитель и фильтр масляный
ВАЗ ВАЗ-2120 (Надежда) 2101-1012005-20 Фильтр масляный Маслоотделитель и фильтр масляный Чертеж Маслоотделитель и фильтр масляный
ВАЗ ВАЗ-2121 (NIVA) 2101-1012005 Фильтр масляный Маслоотделитель и фильтр масляный Чертеж Маслоотделитель и фильтр масляный
ВАЗ ВАЗ-2131 (NIVA) 2101-1012005 Фильтр масляный Маслоотделитель и фильтр масляный
ВАЗ ВАЗ-2131 (NIVA) 2101-1012005-04 Фильтр масляный Маслоотделитель и фильтр масляный
ВАЗ ВАЗ-2131 (NIVA) 2101-1012005-20 Фильтр масляный Маслоотделитель и фильтр масляный
ГАЗ ГАЗ-3110 2101-1012005 Фильтр очистки масла Насос масляный и его привод, фильтр очистки масла, картер, масляный радиатор, указатель уровня масла, датчики давления и аварийного давления масла двигателя ЗМЗ-4062.10 Чертеж Насос масляный и его привод, фильтр очистки масла, картер, масляный радиатор, указатель уровня масла, датчики давления и аварийного давления масла двигателя ЗМЗ-4062.10
ГАЗ ГАЗ-3302 (ГАЗель) 2101-1012005 Фильтр очистки масла Картер масляный, указатель уровня масла, насос масляный и его привод, фильтр очистки масла, датчик указателя давления масла и датчик аварийного давления масла двигателей ЗМЗ 4061.10, ЗМЗ 4063.10, ЗМЗ 40637.10 Чертеж Картер масляный, указатель уровня масла, насос масляный и его привод, фильтр очистки масла, датчик указателя давления масла и датчик аварийного давления масла двигателей ЗМЗ 4061.10, ЗМЗ 4063.10, ЗМЗ 40637.10
ГАЗ ГАЗ-2705 (ГАЗель) (2000) 2101-1012005 Фильтр очистки масла Картер масляный, указатель уровня масла, насос масляный и его привод, фильтр очистки масла, датчики указателя давления и аварийного давления масла двигателей ЗМЗ-4061.10, ЗМЗ-4063.10 Чертеж Картер масляный, указатель уровня масла, насос масляный и его привод, фильтр очистки масла, датчики указателя давления и аварийного давления масла двигателей ЗМЗ-4061.10, ЗМЗ-4063.10
ГАЗ ГАЗ-2217 (Соболь) (1999) 2101-1012005 Фильтр очистки масла Насос масляный и его привод, фильтр очистки масла, картер, указатель уровня масла, датчики давления и аварийного давления масла двигателя ЗМЗ-4063 Чертеж Насос масляный и его привод, фильтр очистки масла, картер, указатель уровня масла, датчики давления и аварийного давления масла двигателя ЗМЗ-4063
ГАЗ ГАЗ-2217 (Соболь) (1999) 2101 С-1012005 РК-1 Фильтр очистки масла Насос масляный и его привод, фильтр очистки масла, картер, указатель уровня масла, датчики давления и аварийного давления масла двигателя ЗМЗ-4063 Чертеж Насос масляный и его привод, фильтр очистки масла, картер, указатель уровня масла, датчики давления и аварийного давления масла двигателя ЗМЗ-4063
УАЗ УАЗ-3151 (1993) 2101-1012005 Фильтр очистки масла фильтр очистки масла и радиатор масляный Чертеж фильтр очистки масла и радиатор масляный
Аналоги
Фильтр масляный 2101-1012005-20 супер 2101-1012005
Фильтр масляный 2101-1012005-20 супер
Каталожный номер 2101-1012005
Производитель Автомагнат Автомагнат
Код 16009
Доставка по всей Беларуси
Доступность остатки на филиалах Остатки на филиалах
Остаток: г.Минск, ул.Селицкого 21к В наличии
Склад Адрес Контакт Остатки
г. Минск ул. Селицкого, 21к +375 (44) 770-80-78 ( Много )
Схема проезда
г. Барановичи ул. Пролетарская, 40 +375 (29) 795-96-37 ( Средне )
Схема проезда
г. Барановичи ул. Бадака, 27Б +375 (29) 350-33-47 ( Средне )
Схема проезда
г. Березино ул. Комсомольская, д. 24 +375 (44) 770-80-17 ( Средне )
Схема проезда
г. Бобруйск ул. Гоголя, 181/1-6 +375 (29) 630-05-01 ( Средне )
Схема проезда
г. Бобруйск ул. Орловского, 22к3 +375 (29) 345-37-07 ( Средне )
Схема проезда
г. Борисов ул. Демина, 2а +375 (44) 560-99-75 ( Средне )
Схема проезда
г. Брест Тельминский с/с, 1Д/1, 1 км южнее д. Тельмы-2 +375 (44) 599-90-75 ( Мало )
Схема проезда
г. Витебск ул. Правды, 33 +375 (44) 770-80-87 ( Средне )
Схема проезда
г. Глубокое ул. Энгельса, 22 +375 (44) 505-71-40 ( Средне )
Схема проезда
г. Дрогичин ул. Юбилейная, 42 +375 (29) 682-17-13 ( Мало )
Схема проезда
г. Дятлово ул. Советская ,104 +375 (29) 187-87-37 ( Много )
Схема проезда
г. Житковичи ул. Комсомольская, 49 +375 (29) 394-82-52 ( Много )
Схема проезда
г. Жлобин ул. Козлова, 25 +375 (29) 346-06-78 ( Средне )
Схема проезда
г. Ивацевичи ул. Загородная, 6А +375 (29) 188-59-01 ( Мало )
Схема проезда
г. Кобрин ул. Пролетарская, 177А +375 (44) 588-10-80 ( Средне )
Схема проезда
г. Кричев ул. Комсомольская, 126 +375 (29) 628-88-42 ( Средне )
Схема проезда
г. Лельчицы ул. Советская, д.96/1 +375 (29) 346-98-96 ( Много )
Схема проезда
г. Лунинец ул.Красная, 175а +375 (44) 721-46-74 ( Средне )
Схема проезда
г. Молодечно ул. Галицкого, 14 +375 (44) 567-28-47 ( Средне )
Схема проезда
г. Новогрудок ул. Индустриальная, 3 +375 (44) 729-39-19 ( Средне )
Схема проезда
г. Осиповичи ул. Короткая, 11 +375 (29) 165-60-07 ( Мало )
Схема проезда
г. Ошмяны ул. Льнозоводская 3 +375 (44) 770-80-91 ( Мало )
Схема проезда
г. Петриков ул. Первомайская, 124 +375 (33) 660-06-75 ( Средне )
Схема проезда
г. Пинск ул. Калиновского 32 +375 (44) 560-99-59 ( Средне )
Схема проезда
г. Полоцк-2 ул. Шенягина, 52 +375 (29) 302-94-73 ( Средне )
Схема проезда
г. Полоцк-2 ул. Шенягина, 52 +375 (29) 302-94-73 ( Много )
Схема проезда
г. Полоцк-2 ул. Шенягина, 52 +375 (29) 302-94-73 ( Средне )
Схема проезда
г. Пружаны ул. Макаренко, 21 +375 (29) 348-83-18 ( Средне )
Схема проезда
г. Слоним ул. Советская, 93а +375 (29) 394-82-01 ( Много )
Схема проезда
г. Сморгонь ул. Железнодорожная, 32 +375 (29) 671-02-10 ( Средне )
Схема проезда
г. Солигорск Чижевичский сельсовет, 3Г +375 (29) 899-58-52 ( Мало )
Схема проезда
г. Щучин ул. Советская, 39 +375 (29) 177-29-70 ( Средне )
Схема проезда
Товары из этой категории
Ролик 610800060397 (WP7) натяжителя Weichai 610800060397
Ролик 610800060397 (WP7) натяжителя Weichai
Каталожный номер 610800060397
Производитель WEICHAI WEICHAI
Код 00-ГР023674
Доставка по всей Беларуси
Доступность остатки на филиалах Остатки на филиалах
Остаток Под заказ
Сальник 2108-1005160-02 коленвала задний «ЗавГар» 2108-1005160-02
Сальник 2108-1005160-02 коленвала задний «ЗавГар»
Каталожный номер 2108-1005160-02
Производитель ЗавГар ЗавГар
Код 00-ГР023663
Доставка по всей Беларуси
Доступность остатки на филиалах Остатки на филиалах
Остаток: г.Минск, ул.Селицкого 21к В наличии
Склад Адрес Контакт Остатки
г. Минск ул. Селицкого, 21к +375 (44) 770-80-78 ( Средне )
Схема проезда
г. Гомель ул. Барыкина, 291Б +375 (44) 514-15-30 ( Средне )
Схема проезда
г. Жлобин ул. Козлова, 25 +375 (29) 346-06-78 ( Мало )
Схема проезда
г. Осиповичи ул. Короткая, 11 +375 (29) 165-60-07 ( Средне )
Схема проезда
г. Ошмяны ул. Льнозоводская 3 +375 (44) 770-80-91 ( Мало )
Схема проезда
г. Слуцк ул. Тутаринова, 8 +375 (29) 346-06-90 ( Мало )
Схема проезда
г. Сморгонь ул. Железнодорожная, 32 +375 (29) 671-02-10 ( Средне )
Схема проезда
Сальник 2108-1005034 коленвала передний (малый) «ЗавГар» 2108-1005034
Сальник 2108-1005034 коленвала передний (малый) «ЗавГар»
Каталожный номер 2108-1005034
Производитель ЗавГар ЗавГар
Код 42132
Доставка по всей Беларуси
Доступность остатки на филиалах Остатки на филиалах
Остаток: г.Минск, ул.Селицкого 21к В наличии
Склад Адрес Контакт Остатки
г. Минск ул. Селицкого, 21к +375 (44) 770-80-78 ( Средне )
Схема проезда
г. Гродно ул. Карского, 35 +375 (44) 770-70-21 ( Мало )
Схема проезда
Сальник коленвала задний 2108-1005160
Сальник коленвала задний
Каталожный номер 2108-1005160
Производитель РФ РФ
Код 18017
Доставка по всей Беларуси
Доступность остатки на филиалах Остатки на филиалах
Остаток: г.Минск, ул.Селицкого 21к В наличии
Склад Адрес Контакт Остатки
г. Минск ул. Селицкого, 21к +375 (44) 770-80-78 ( Средне )
Схема проезда
г. Дятлово ул. Советская ,104 +375 (29) 187-87-37 ( Средне )
Схема проезда
г. Мозырь промузел Козенки +375 (44) 731-94-60 ( Средне )
Схема проезда
г. Новогрудок ул. Индустриальная, 3 +375 (44) 729-39-19 ( Мало )
Схема проезда
г. Орша ул. Сергея Кирова, д. 34 +375 (44) 583-91-42 ( Средне )
Схема проезда
г. Осиповичи ул. Короткая, 11 +375 (29) 165-60-07 ( Средне )
Схема проезда
г. Полоцк-2 ул. Шенягина, 52 +375 (29) 302-94-73 ( Мало )
Схема проезда
г. Полоцк-2 ул. Шенягина, 52 +375 (29) 302-94-73 ( Средне )
Схема проезда
г. Сморгонь ул. Железнодорожная, 32 +375 (29) 671-02-10 ( Средне )
Схема проезда
г. Щучин ул. Советская, 39 +375 (29) 177-29-70 ( Средне )
Схема проезда
Гайка М10*1,25 1/21647/11 1/21647/11
Гайка М10*1,25 1/21647/11
Каталожный номер 1/21647/11
Производитель КММЗ КММЗ
Код 00-ГР000792
Доставка по всей Беларуси
Доступность остатки на филиалах Остатки на филиалах
Остаток: г.Минск, ул.Селицкого 21к В наличии
Склад Адрес Контакт Остатки
г. Минск ул. Селицкого, 21к +375 (44) 770-80-78 ( Много )
Схема проезда
г. Бобруйск ул. Орловского, 22к3 +375 (29) 345-37-07 ( Много )
Схема проезда
г. Брест Тельминский с/с, 1Д/1, 1 км южнее д. Тельмы-2 +375 (44) 599-90-75 ( Много )
Схема проезда
г. Витебск ул. Правды, 33 +375 (44) 770-80-87 ( Много )
Схема проезда
г. Витебск ул. Петруся Бровки, 34 +375 (29) 636-25-08 ( Много )
Схема проезда
г. Дрогичин ул. Юбилейная, 42 +375 (29) 682-17-13 ( Много )
Схема проезда
г. Лепель ул. Лобанка, 43 +375 (44) 778-65-21 ( Много )
Схема проезда
г. Новогрудок ул. Индустриальная, 3 +375 (44) 729-39-19 ( Много )
Схема проезда
г. Осиповичи ул. Короткая, 11 +375 (29) 165-60-07 ( Много )
Схема проезда
г. Ошмяны ул. Льнозоводская 3 +375 (44) 770-80-91 ( Средне )
Схема проезда
г. Пинск ул. Калиновского 32 +375 (44) 560-99-59 ( Много )
Схема проезда