Республика Беларусь,
г. Минск, ул. Селицкого 21к - центральный склад
Пн-пт с 8:00 до 17:00
Меню
А37.05.025 Фиксатор МТЗ
Наименование: Фиксатор А37.05.025 МТЗ
Каталожный номер: А37.05.025
Производитель: МТЗ
Код товара: 00-ГР040840
Доставка: по всей Беларуси
Остаток: под заказ

Нашли не точность в описании товара? сообщить администратору.

+375 (44) 770-80-78 +375 (29) 747-80-78
* Выставить счет, получить техническую информацию и стоимость
Заказать деталь Онлайн
Описание
Наличие на филиалах
Применяемость
Заменить на СТО

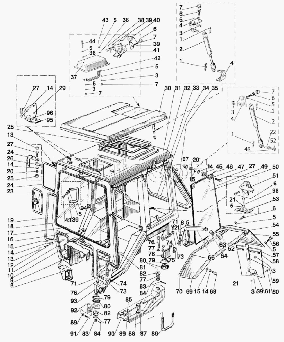
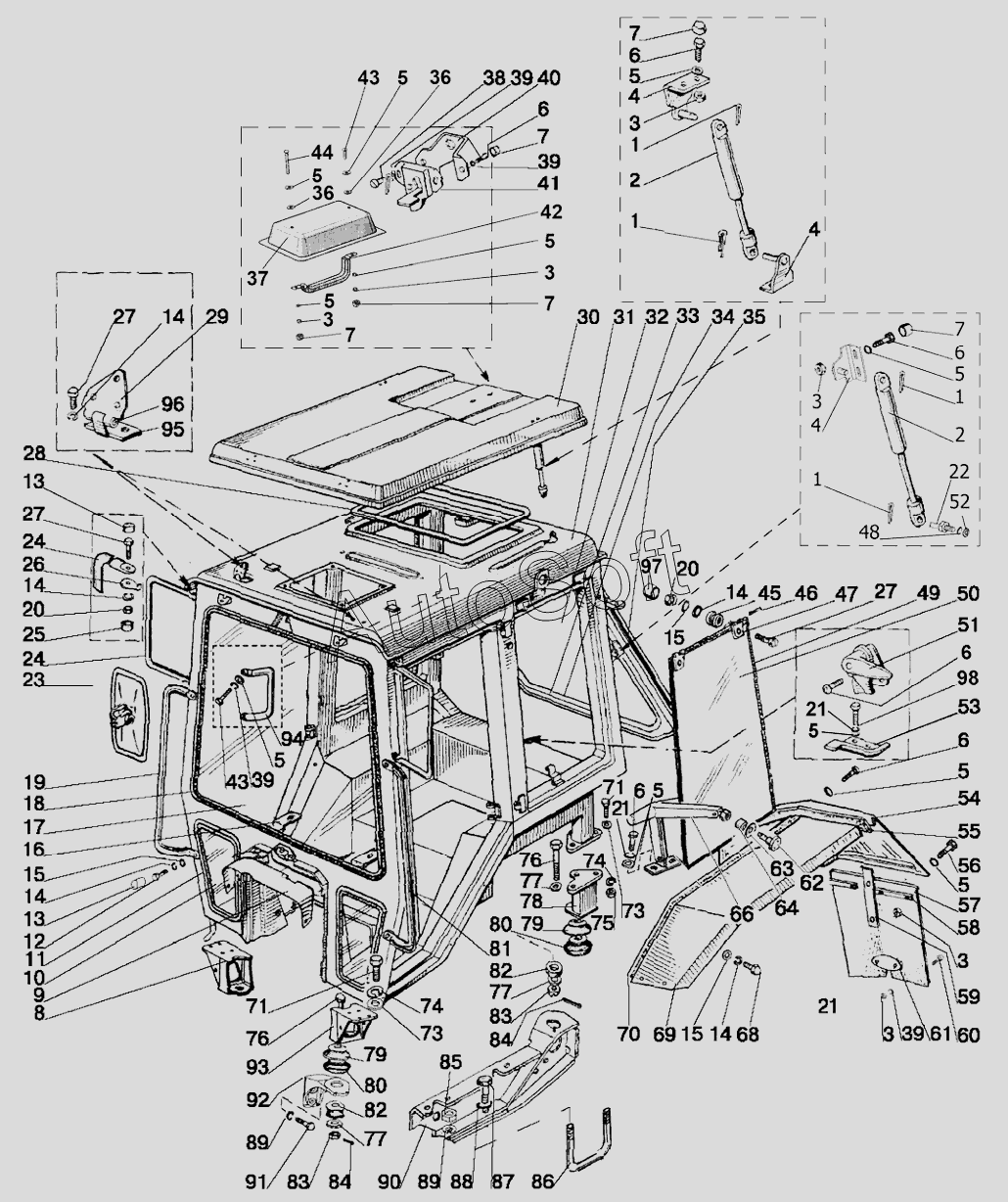
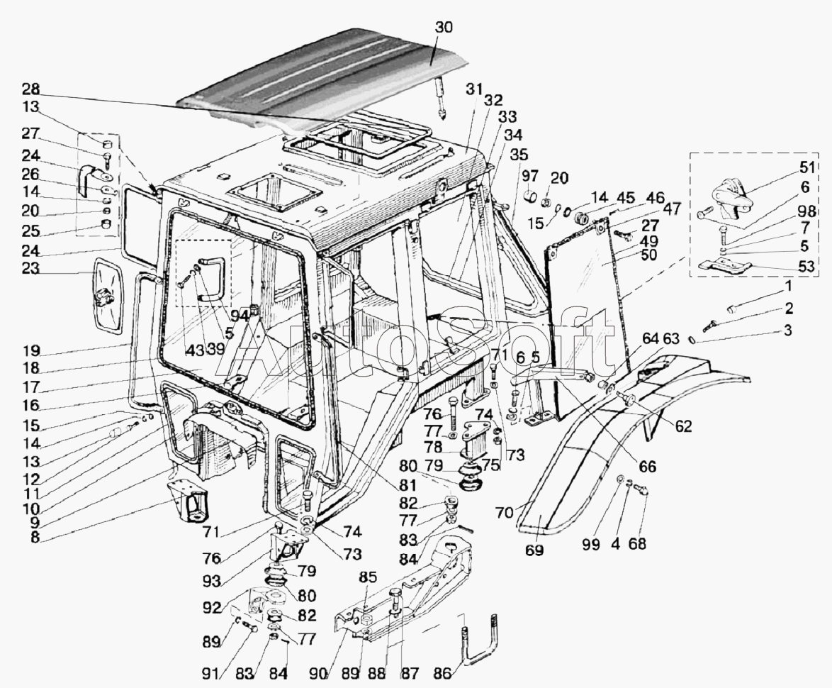
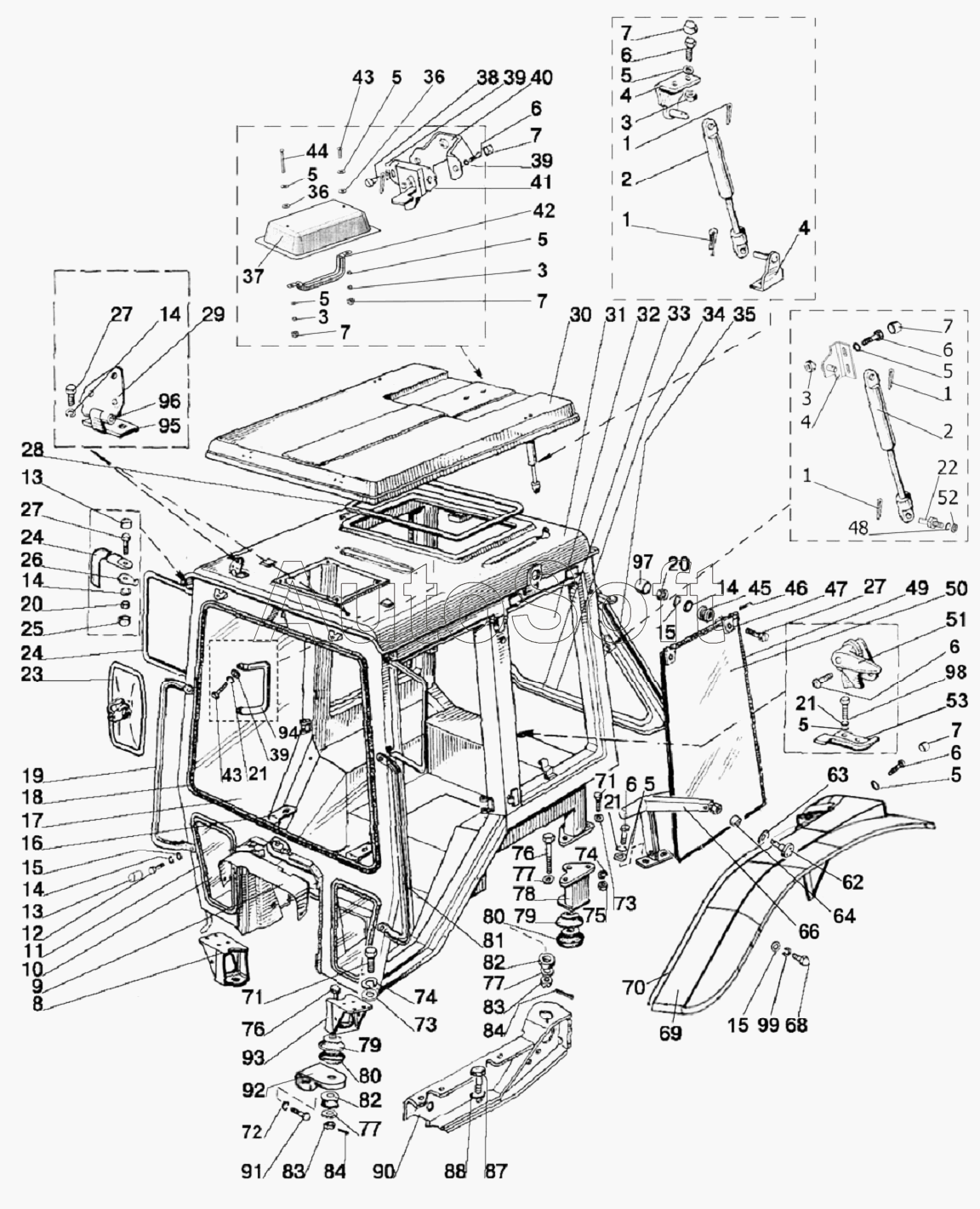
Фиксатор А37.05.025 МТЗ производства МТЗ (МТЗ), Код для заказа: 00-ГР040840

Марка Модель Кат.номер Наим. по каталогу Чертеж
МТЗ МТЗ-100 А37.05.025 Фиксатор Кабина трактора Чертеж Кабина трактора
МТЗ МТЗ-1221 (1997) А37.05.025 Фиксатор Кабина Чертеж Кабина
МТЗ МТЗ-1005 (2008) А37.05.025 Фиксатор Кабина Чертеж Кабина
МТЗ МТЗ-80 (2002) (2002) А37.05.025 Фиксатор 6700, 8400 Кабина трактора. Крылья задние Чертеж 6700, 8400 Кабина трактора. Крылья задние
МТЗ МТЗ-80 (2009) (2009) А37.05.025 Фиксатор Кабина трактора. Крылья задние
МТЗ МТЗ-570 (2010) А37.05.025 Фиксатор Управление блокировкой дифференциала Чертеж Управление блокировкой дифференциала
МТЗ МТЗ-570 (2010) А37.05.025 Фиксатор Кабина трактора. Крылья задние Чертеж Кабина трактора. Крылья задние
МТЗ МТЗ-900/920/950/952 (2009) А37.05.025 Фиксатор Кабина трактора ,крылья задние Чертеж Кабина трактора ,крылья задние
МТЗ МТЗ-900/920/950/952 (2009) А37.05.025 Фиксатор Кабина трактора, крылья задние Чертеж Кабина трактора, крылья задние
МТЗ МТЗ-920.4/952.4 (2009) А37.05.025 Фиксатор Кабина трактора. Крылья задние Чертеж Кабина трактора. Крылья задние
МТЗ МТЗ-826 (2010) А37.05.025 Фиксатор Кабина трактора. Крылья задние
МТЗ МТЗ-1021.3 (2010) А37.05.025 Фиксатор Кабина Чертеж Кабина
МТЗ МТЗ-1025.4 (2009) А37.05.025 Фиксатор Кабина Чертеж Кабина
МТЗ 1220 (2011) А37.05.025 Фиксатор Кабина трактора Чертеж Кабина трактора
МТЗ 92П (2010) А37.05.025 Фиксатор Окно заднее Чертеж Окно заднее
МТЗ 892 (2011) А37.05.025 Фиксатор Кабина трактора. Крылья задние Чертеж Кабина трактора. Крылья задние
МТЗ 892 (2011) А37.05.025 Фиксатор Кабина трактора. Крылья задние (вариант) Чертеж Кабина трактора. Крылья задние (вариант)
МТЗ 1220.5 (2013) А37.05.025 Фиксатор Кабина трактора
МТЗ 80Х (2012) А37.05.025 Фиксатор Кабина трактора. Крылья задние
МТЗ МТЗ-80.1 (2015) А37.05.025 Фиксатор Кабина трактора. Крылья задние Чертеж Кабина трактора. Крылья задние