62.3711200-09 Элемент оптический (9371120009) галоген
| Наименование: | Элемент оптический 62.3711200-09 (9371120009) галоген |
| Каталожный номер: | 62.3711200-09 |
| Производитель: |
|
| Код товара: | 00-ГР036624 |
| Доставка: | по всей Беларуси |
| Остаток: | под заказ |
Нашли не точность в описании товара? сообщить администратору.
* Выставить счет, получить техническую информацию и стоимость
Заказать деталь Онлайн
Описание
Наличие на филиалах
Применяемость
Заменить на СТО
Email
ras.Drenchik@gmail.com
Email
ras.Drobot@gmail.com
Email
ras.Rozhkov@gmail.com
Email
los.Konoda@gmail.com
Email
ras.titenkova@gmail.com
Email
ras.Abramovich@gmail.com
Email
pinsk.sto@gmail.com
Email
sto.Polock@snabavto.by
Элемент оптический 62.3711200-09 (9371120009) галоген производства RSTA (РФ), Код для заказа: 00-ГР036624
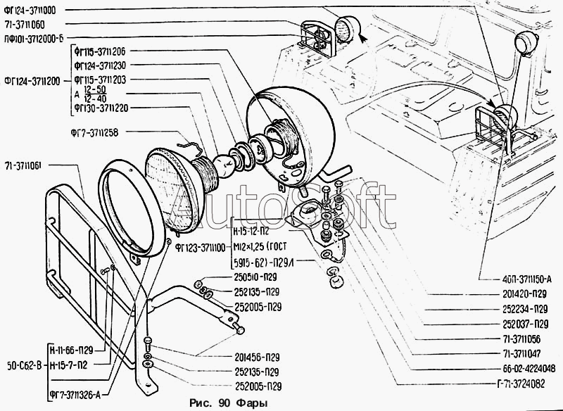
| Марка | Модель | Кат.номер | Наим. по каталогу | Чертеж | |
|---|---|---|---|---|---|
| ВАЗ | ВАЗ-2103 | 2103-3711200 | Элемент оптический | Фары | |
| ВАЗ | ВАЗ-2106 | 2103-3711200 | Элемент оптический | Фары | |
| ГАЗ | ГАЗ-14 (Чайка) (1980) | ФГ146-3711200 | Элемент оптический | Фары, фонари передние, повторители боковые указателей поворота, фары противотуманные |
|
| ГАЗ | ГАЗ-14 (Чайка) (1980) | ФГ145-3711200 | Элемент оптический | Фары, фонари передние, повторители боковые указателей поворота, фары противотуманные |
|
| ГАЗ | ГАЗ-24 | ФГ105-3711200 | Оптический элемент в сборе (13-3711015) | Фары | |
| ГАЗ | ГАЗ-24-10 (1995) | ФГ140-3711200-В | Оптический элемент | Фары, указатели поворота и фары противотуманные | |
| ГАЗ | ГАЗ-3307 (2000) | ФГ140-3711200 | Элемент оптический в сборе | Фары, фонари передние | |
| ГАЗ | ГАЗ-4301 | ФГ140-3711200-01 | Элемент оптический (покупная деталь) | Фары, фонари передние | |
| ГАЗ | ГАЗ-52-01 | 13-3711015 | Элемент оптический полуразборной фары в сборе (ФГ105-3711200) | Фары и подфарники | |
| ГАЗ | ГАЗ-52-02 | ФГ105-3711200 | Оптический элемент в сборе (13-3711015) | Переключатель света ножной, фары, подфарники и указатели поворота | |
| ГАЗ | ГАЗ-53 А (1989) | ФГ105-3711200 | Оптический элемент в сборе (13-3711015) | Фары и подфарники |
|
| ГАЗ | ГАЗ-66 (Каталог 1983 г.) (1983) | ФГ122-3711200-В | Оптический элемент фары в сборе | Фары и подфарники | |
| ГАЗ | ГАЗ-66 (Каталог 1996 г.) (1996) | 40-3711200 | Элемент оптический в сборе | Фары, фонари передние, повторители указателя поворота, фара поворотная и ножной переключатель света | |
| ГАЗ | ГАЗ-69 (1957) | ФГ2-3711200-А | Элемент оптический фары в сборе полуразборный | Фары | |
| ГАЗ | ГАЗ-71 | ФГ124-3711200 | Элемент оптический в сборе | Фары |
|
| УАЗ | УАЗ-3151 (1993) | ФГ140-3711200 | Элемент оптический в сборе | Фары и фонари передние |
|
| УАЗ | УАЗ-3741 | ФГ122-3711200-В | Элемент оптический (Фара со стояночным тормозом) | Фары |
|
| УАЗ | УАЗ-3741 | ФГ140-3711200 | Элемент оптический | Фары |
|
| УАЗ | УАЗ-3741 | ФГ16-3711200 | Оптический элемент | Фары |
|
| УАЗ | УАЗ-3962 | ФГ122-3711200-В | Элемент оптический (Фара со стояночным тормозом) | Фары | |
Под заказ
Товары из этой категории
| Замок зажигания 2101-3704000 с ключем ЗавГар | |
| Каталожный номер | 2101-3704000 |
| Производитель |
|
| Код | 00-ГР028231 |
| Доставка | по всей Беларуси |
| Доступность | остатки на филиалах |
| Остаток: г.Минск, ул.Селицкого 21к | В наличии |
| Склад | Адрес | Контакт | Остатки | |
|---|---|---|---|---|
| г. Минск | ул. Селицкого, 21к | +375 (44) 770-80-78 |
( Много )
|
Схема проезда |
| г. Барановичи | ул. Бадака, 27Б | +375 (29) 350-33-47 |
( Средне )
|
Схема проезда |
| г. Берёза | ул. Красноармейская, 89/11 | +375 (29) 676-70-71 |
( Мало )
|
Схема проезда |
| г. Бобруйск | ул. Гоголя, 181/1-6 | +375 (29) 630-05-01 |
( Средне )
|
Схема проезда |
| г. Бобруйск | ул. Орловского, 22к3 | +375 (29) 345-37-07 |
( Мало )
|
Схема проезда |
| г. Борисов | ул. Демина, 2а | +375 (44) 560-99-75 |
( Средне )
|
Схема проезда |
| г. Витебск | ул. Правды, 33 | +375 (44) 770-80-87 |
( Средне )
|
Схема проезда |
| г. Витебск | ул. Петруся Бровки, 34 | +375 (29) 636-25-08 |
( Мало )
|
Схема проезда |
| г. Глубокое | ул. Энгельса, 22 | +375 (44) 505-71-40 |
( Много )
|
Схема проезда |
| г. Гомель | ул. Барыкина, 291Б | +375 (44) 514-15-30 |
( Средне )
|
Схема проезда |
| г. Гродно | ул. Карского, 35 | +375 (44) 770-70-21 |
( Средне )
|
Схема проезда |
| г. Дрогичин | ул. Юбилейная, 42 | +375 (29) 682-17-13 |
( Мало )
|
Схема проезда |
| г. Дятлово | ул. Советская ,104 | +375 (29) 187-87-37 |
( Средне )
|
Схема проезда |
| г. Житковичи | ул. Комсомольская, 49 | +375 (29) 394-82-52 |
( Средне )
|
Схема проезда |
| г. Жлобин | ул. Козлова, 25 | +375 (29) 346-06-78 |
( Мало )
|
Схема проезда |
| г. Ивацевичи | ул. Загородная, 6А | +375 (29) 188-59-01 |
( Средне )
|
Схема проезда |
| г. Кобрин | ул. Пролетарская, 177А | +375 (44) 588-10-80 |
( Мало )
|
Схема проезда |
| г. Лельчицы | ул. Советская, д.96/1 | +375 (29) 346-98-96 |
( Средне )
|
Схема проезда |
| г. Лунинец | ул.Красная, 175а | +375 (44) 721-46-74 |
( Средне )
|
Схема проезда |
| г. Могилев | ул. Габровская 11Б | +375 (29) 662-02-16 |
( Средне )
|
Схема проезда |
| г. Мозырь | промузел Козенки | +375 (44) 731-94-60 |
( Средне )
|
Схема проезда |
| г. Молодечно | ул. Галицкого, 14 | +375 (44) 567-28-47 |
( Мало )
|
Схема проезда |
| г. Несвиж | ул. Кутузова, 2 | +375 (29) 394-82-48 |
( Средне )
|
Схема проезда |
| г. Орша | ул. Сергея Кирова, д. 34 | +375 (44) 583-91-42 |
( Средне )
|
Схема проезда |
| г. Осиповичи | ул. Короткая, 11 | +375 (29) 165-60-07 |
( Мало )
|
Схема проезда |
| г. Ошмяны | ул. Льнозоводская 3 | +375 (44) 770-80-91 |
( Средне )
|
Схема проезда |
| г. Петриков | ул. Первомайская, 124 | +375 (33) 660-06-75 |
( Средне )
|
Схема проезда |
| г. Пинск | ул. Калиновского 32 | +375 (44) 560-99-59 |
( Средне )
|
Схема проезда |
| г. Полоцк-2 | ул. Шенягина, 52 | +375 (29) 302-94-73 |
( Средне )
|
Схема проезда |
| г. Полоцк-2 | ул. Шенягина, 52 | +375 (29) 302-94-73 |
( Средне )
|
Схема проезда |
| г. Пружаны | ул. Макаренко, 21 | +375 (29) 348-83-18 |
( Средне )
|
Схема проезда |
| г. Слоним | ул. Советская, 93а | +375 (29) 394-82-01 |
( Средне )
|
Схема проезда |
| г. Слуцк | ул. Тутаринова, 8 | +375 (29) 346-06-90 |
( Мало )
|
Схема проезда |
| г. Сморгонь | ул. Железнодорожная, 32 | +375 (29) 671-02-10 |
( Мало )
|
Схема проезда |
| г. Столин | ул. Быковского, 29 | +375 (33) 304-54-36 |
( Средне )
|
Схема проезда |
| г. Щучин | ул. Советская, 39 | +375 (29) 177-29-70 |
( Мало )
|
Схема проезда |
| Рукав РВД 10-1SB-1300-RNM 10×1 | |
| Каталожный номер | РВД 10-1SB-1300-RNM 10x1 |
| Производитель |
|
| Код | 00-ГР029092 |
| Доставка | по всей Беларуси |
| Доступность | остатки на филиалах |
| Остаток | Под заказ |
| Регулятор напряжения 778.3702-03 | |
| Каталожный номер | 778.3702-03 |
| Производитель |
|
| Код | 00-ГР027429 |
| Доставка | по всей Беларуси |
| Доступность | остатки на филиалах |
| Остаток | Под заказ |
| Рукав с 20х28,5-0,63 резиновый ГОСТ 10362-76 | |
| Каталожный номер | 20х28,5-0,63 |
| Производитель |
|
| Код | 00-ГР027336 |
| Доставка | по всей Беларуси |
| Доступность | остатки на филиалах |
| Остаток | В наличии |
| Склад | Адрес | Контакт | Остатки | |
|---|---|---|---|---|
| г. Лепель | ул. Лобанка, 43 | +375 (44) 778-65-21 |
( Много )
|
Схема проезда |
| г. Полоцк-2 | ул. Шенягина, 52 | +375 (29) 302-94-73 |
( Много )
|
Схема проезда |
| г. Щучин | ул. Советская, 39 | +375 (29) 177-29-70 |
( Много )
|
Схема проезда |
Политика обработки файлов cookie
На сайте snabavto.by используются файлы cookie для сбора обезличенной информации о пользователях. Это помогает нам анализировать статистику, совершенствовать сервис и делать его более удобным для вас. Подробнее о файлах cookie вы можете узнать в соответствующем разделе Политики обработки файлов cookie.
Ремавтоснаб