Республика Беларусь,
г. Минск, ул. Селицкого 21к - центральный склад
Пн-пт с 8:00 до 17:00
Меню
45.3730-10 Электродвигатель (12В) отопителя с крыльчаткой
Наименование: Электродвигатель 45.3730-10 (12В) отопителя с крыльчаткой
Каталожный номер: 45.3730-10
Производитель: RSTA
Код товара: 24472
Доставка: по всей Беларуси
Остаток: под заказ

Нашли не точность в описании товара? сообщить администратору.

+375 (44) 770-80-78 +375 (29) 747-80-78
* Выставить счет, получить техническую информацию и стоимость
Заказать деталь Онлайн
Описание
Наличие на филиалах
Применяемость
Заменить на СТО

БС вес: 0,95 на 14.04.2020

Код для заказа: 24472

Марка Модель Кат.номер Наим. по каталогу Чертеж
ГАЗ ГАЗ-3105 (1996) 99.3730 Мотонасос смывателя (99. 3730000) Смыватель Чертеж Смыватель
ГАЗ ГАЗ-3105 (1996) 9302.3730 Электродвигатель перемещения сидений (9302.3730000) Электродвигатели Чертеж Электродвигатели
ГАЗ ГАЗ-3110 194.3730 Электродвигатель вентилятора заднего отопителя Отопитель, радиатор отопителя, кожух радиатора, электродвигатель с ротором, короб вентиляции Чертеж Отопитель, радиатор отопителя, кожух радиатора, электродвигатель с ротором, короб вентиляции
ГАЗ ГАЗ-3110 70.3730 Электровентилятор (70.3730000) Радиатор, электровентилятор (дополнительный вентилятор), датчик включения электровентилятора, датчик сигнализатора перегрева охлаждающей жидкости двигателей ЗМЗ-402.10 и ЗМЗ-4021.10 Чертеж Радиатор, электровентилятор (дополнительный вентилятор), датчик включения электровентилятора, датчик сигнализатора перегрева охлаждающей жидкости двигателей ЗМЗ-402.10 и ЗМЗ-4021.10
ГАЗ ГАЗ-3302 (ГАЗель) 511.3730 Электродвигатель вентилятора переднего отопителя (511.3730000) Корпус отопителя, крышка отопителя верхняя, радиатор, электродвигатели с роторами, привод вентиляции и отопления Чертеж Корпус отопителя, крышка отопителя верхняя, радиатор, электродвигатели с роторами, привод вентиляции и отопления
ГАЗ ГАЗ-3302 (ГАЗель) 5117.3730 Электродвигатель отопителя (5117.3730000) Корпус отопителя, крышка отопителя верхняя, радиатор, электродвигатели с роторами, привод вентиляции и отопления Чертеж Корпус отопителя, крышка отопителя верхняя, радиатор, электродвигатели с роторами, привод вентиляции и отопления
ГАЗ ГАЗ-2705 (ГАЗель) (2000) 511.3730 Электродвигатель вентилятора переднего отопителя (511.3730000) Корпус и верхняя крышка отопителя, радиатор отопителя, электродвигатель с роторами, привод вентиляции и отопления Чертеж Корпус и верхняя крышка отопителя, радиатор отопителя, электродвигатель с роторами, привод вентиляции и отопления
ГАЗ ГАЗ-2705 (ГАЗель) (2000) 351.3730 Электронасос (351.3730010) Трубопроводы отопителей, электронасос Чертеж Трубопроводы отопителей, электронасос
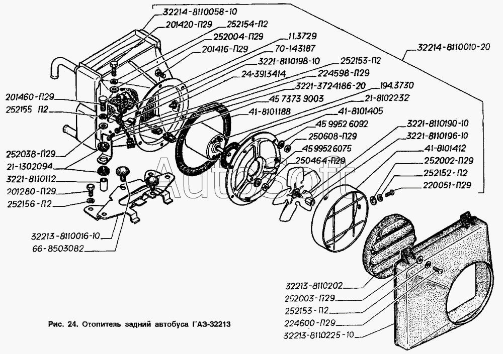
ГАЗ ГАЗ-2705 (ГАЗель) (2000) 194.3730 Электродвигатель вентилятора заднего отопителя Отопитель задний автобуса ГАЗ-3221
ГАЗ ГАЗ-2705 (ГАЗель) (2000) 194.3730 Электродвигатель вентилятора заднего отопителя Отопитель задний автобуса ГАЗ-32213 Чертеж Отопитель задний автобуса ГАЗ-32213
ГАЗ ГАЗ-33027 (Дополнение) 511.3730000 Электродвигатель 511.3730 отопите ля Электрооборудование Чертеж Электрооборудование
ГАЗ ГАЗ-2217 (Соболь) (1999) 511.3730 Электродвигатель вентилятора переднего отопителя (511.3730000) Корпус, радиатор и электродвигатель с роторами переднего отопителя, привод вентиляции и отопления
ГАЗ ГАЗ-2217 (Соболь) (1999) 194.3730 Электродвигатель вентилятора заднего отопителя Отопитель задний автобусов, ограждение отопителя 10-местного автобуса, радиатор, электродвигатель с вентилятором: I - для 6-местного автобуса, II -для 10-местного автобуса Чертеж Отопитель задний автобусов, ограждение отопителя 10-местного автобуса, радиатор, электродвигатель с вентилятором: I - для 6-местного автобуса, II -для 10-местного автобуса
ГАЗ ГАЗ-2217 (Соболь) (1999) 351.3730 Электронасос (351.3730010) Трубопроводы отопителей автобусов, электронасос I - для 6-местного автобуса. II -для 10-местного автобуса
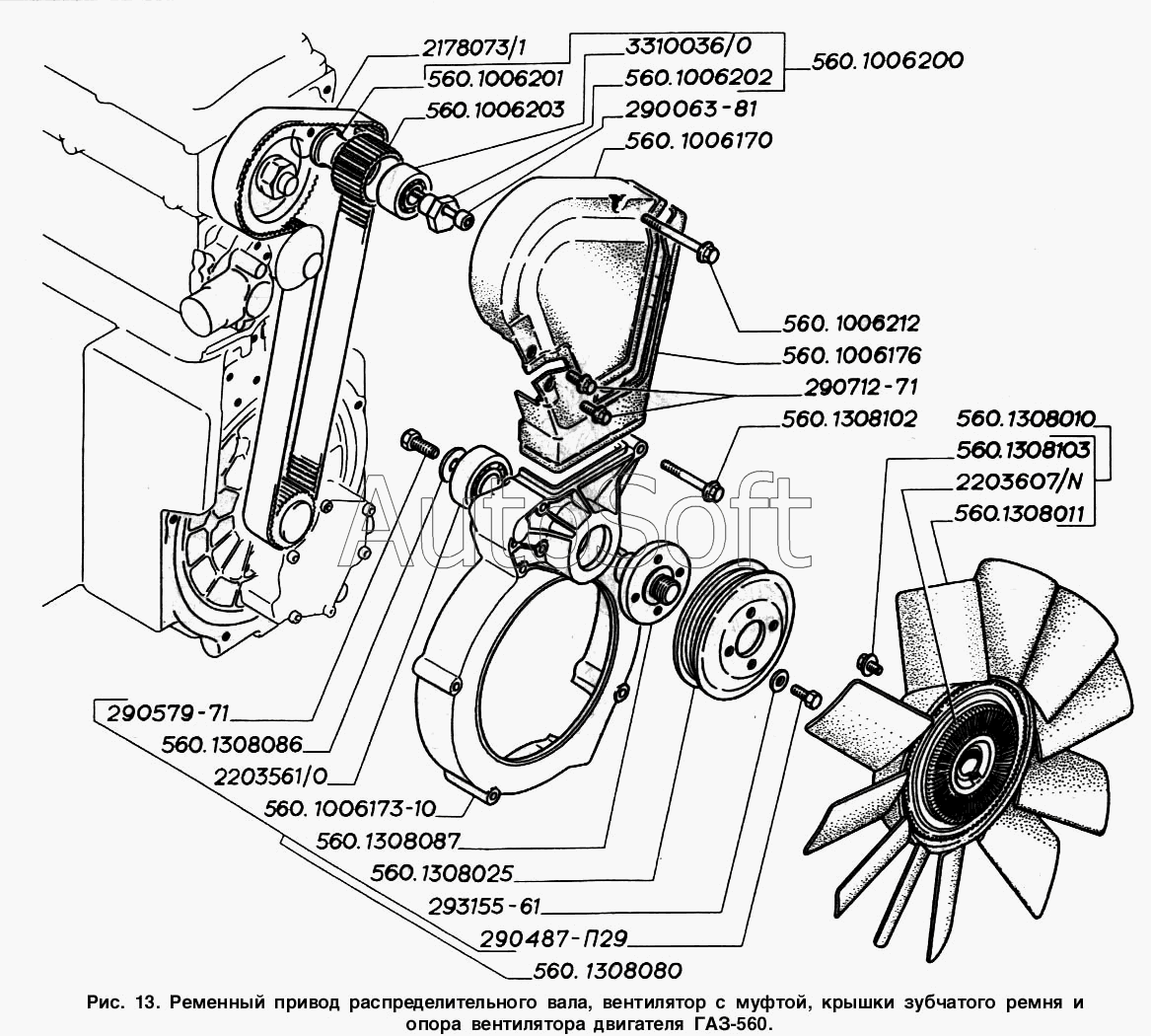
ГАЗ ГАЗ-2217 (Соболь) (1999) 351.3730 Электронасос (351.3730010) Ременный привод распределительного вала, вентилятор с муфтой, крышки зубчатого ремня и опора вентилятора двигателя ГАЗ-560 Чертеж Ременный привод распределительного вала, вентилятор с муфтой, крышки зубчатого ремня и опора вентилятора двигателя ГАЗ-560
ГАЗ ГАЗ-2217 (Соболь) (1999) 511.3730 Электродвигатель вентилятора переднего отопителя (511.3730000) Жгуты проводов с блоками предохранителей, выключатель зажигания, центральный переключатель освещения, переключатель стеклоочистителя и указателей поворота, выключатели на панели приборов автобусов с двигателем ЗМЗ-4063 Чертеж Жгуты проводов с блоками предохранителей, выключатель зажигания, центральный переключатель освещения, переключатель стеклоочистителя  и указателей поворота, выключатели на панели приборов автобусов с двигателем ЗМЗ-4063
ГАЗ ГАЗ-2217 (Соболь) (1999) 511.3730 Электродвигатель вентилятора переднего отопителя (511.3730000) Жгуты проводов с блоками предохранителей, выключатель приборов и стартера, центральный переключатель освещения, переключатели стеклоочистителя и указателей поворота, выключатели на панели приборов автомобиля-фургона с двигателем ГАЗ-560
ГАЗ ГАЗ-3306 (1994) 5002-3730000 Электродвигатель 5002.3730 Вентилятор пускового подогревателя Чертеж Вентилятор пускового подогревателя
ГАЗ ГАЗ-4301 16.3730 Электродвигатель с редуктором Стеклоочиститель и привод Чертеж Стеклоочиститель и привод
ГАЗ ГАЗ-4301 1607.3730000 Электродвигатель с редуктором 1607.3730 (покупная деталь тропическое исполнение) Стеклоочиститель и привод Чертеж Стеклоочиститель и привод
Аналоги
Электродвигатель отопителя с крыльчаткой (РФ) 45.3730-10
Электродвигатель отопителя с крыльчаткой (РФ)
Каталожный номер 45.3730-10
Производитель КНР КНР
Код 5764
Доставка по всей Беларуси
Доступность остатки на филиалах Остатки на филиалах
Остаток В наличии
Склад Адрес Контакт Остатки
г. Гродно ул. Карского, 35 +375 (44) 770-70-21 ( Средне )
Схема проезда
Товары из этой категории
Датчик давления масла ММ-358
Датчик давления масла
Каталожный номер ММ-358
Производитель RSTA RSTA
Код 10677
Доставка по всей Беларуси
Доступность остатки на филиалах Остатки на филиалах
Остаток В наличии
Склад Адрес Контакт Остатки
г. Горки ул.Мира, д.51а/1 +375 (44) 565-33-61 ( Мало )
Схема проезда
г. Гродно ул. Карского, 35 +375 (44) 770-70-21 ( Мало )
Схема проезда
г. Лепель ул. Лобанка, 43 +375 (44) 778-65-21 ( Мало )
Схема проезда
г. Мозырь промузел Козенки +375 (44) 731-94-60 ( Мало )
Схема проезда
Кран сливной  (КР-25) ПП6-1-О
Кран сливной (КР-25)
Каталожный номер ПП6-1-О
Производитель Випра Випра
Код 12068
Доставка по всей Беларуси
Доступность остатки на филиалах Остатки на филиалах
Остаток: г.Минск, ул.Селицкого 21к В наличии
Склад Адрес Контакт Остатки
г. Минск ул. Селицкого, 21к +375 (44) 770-80-78 ( Много )
Схема проезда
г. Березино ул. Комсомольская, д. 24 +375 (44) 770-80-17 ( Средне )
Схема проезда
г. Бобруйск ул. Гоголя, 181/1-6 +375 (29) 630-05-01 ( Мало )
Схема проезда
г. Борисов ул. Демина, 2а +375 (44) 560-99-75 ( Средне )
Схема проезда
г. Витебск ул. Правды, 33 +375 (44) 770-80-87 ( Мало )
Схема проезда
г. Витебск ул. Петруся Бровки, 34 +375 (29) 636-25-08 ( Мало )
Схема проезда
г. Гомель ул. Барыкина, 291Б +375 (44) 514-15-30 ( Средне )
Схема проезда
г. Горки ул.Мира, д.51а/1 +375 (44) 565-33-61 ( Мало )
Схема проезда
г. Гродно ул. Карского, 35 +375 (44) 770-70-21 ( Средне )
Схема проезда
г. Дрогичин ул. Юбилейная, 42 +375 (29) 682-17-13 ( Средне )
Схема проезда
г. Житковичи ул. Комсомольская, 49 +375 (29) 394-82-52 ( Мало )
Схема проезда
г. Жлобин ул. Козлова, 25 +375 (29) 346-06-78 ( Средне )
Схема проезда
г. Ивацевичи ул. Загородная, 6А +375 (29) 188-59-01 ( Средне )
Схема проезда
г. Кричев ул. Комсомольская, 126 +375 (29) 628-88-42 ( Средне )
Схема проезда
г. Лельчицы ул. Советская, д.96/1 +375 (29) 346-98-96 ( Средне )
Схема проезда
г. Лунинец ул.Красная, 175а +375 (44) 721-46-74 ( Мало )
Схема проезда
г. Молодечно ул. Галицкого, 14 +375 (44) 567-28-47 ( Средне )
Схема проезда
г. Новогрудок ул. Индустриальная, 3 +375 (44) 729-39-19 ( Средне )
Схема проезда
г. Осиповичи ул. Короткая, 11 +375 (29) 165-60-07 ( Средне )
Схема проезда
г. Полоцк-2 ул. Шенягина, 52 +375 (29) 302-94-73 ( Мало )
Схема проезда
г. Полоцк-2 ул. Шенягина, 52 +375 (29) 302-94-73 ( Мало )
Схема проезда
г. Полоцк-2 ул. Шенягина, 52 +375 (29) 302-94-73 ( Мало )
Схема проезда
г. Поставы ул. Советская, 69 +375 (44) 770-80-13 ( Мало )
Схема проезда
г. Пружаны ул. Макаренко, 21 +375 (29) 348-83-18 ( Средне )
Схема проезда
г. Слоним ул. Советская, 93а +375 (29) 394-82-01 ( Средне )
Схема проезда
г. Сморгонь ул. Железнодорожная, 32 +375 (29) 671-02-10 ( Мало )
Схема проезда
г. Солигорск Чижевичский сельсовет, 3Г +375 (29) 899-58-52 ( Мало )
Схема проезда
г. Столин ул. Быковского, 29 +375 (33) 304-54-36 ( Средне )
Схема проезда
г. Щучин ул. Советская, 39 +375 (29) 177-29-70 ( Мало )
Схема проезда
Выключатель массы 1212.3737-04 AE АВТОЭЛЕКТРИКА 1212.3737-04 AE
Выключатель массы 1212.3737-04 AE АВТОЭЛЕКТРИКА
Каталожный номер 1212.3737-04 AE
Производитель Автоэлектрика Автоэлектрика
Код 00-ГР022745
Доставка по всей Беларуси
Доступность остатки на филиалах Остатки на филиалах
Остаток: г.Минск, ул.Селицкого 21к В наличии
Склад Адрес Контакт Остатки
г. Минск ул. Бабушкина, 37 +375 (29) 632-00-82 ( Мало )
Схема проезда
г. Минск ул. Селицкого, 21к +375 (44) 770-80-78 ( Много )
Схема проезда
г. Березино ул. Комсомольская, д. 24 +375 (44) 770-80-17 ( Мало )
Схема проезда
г. Бобруйск ул. Орловского, 22к3 +375 (29) 345-37-07 ( Средне )
Схема проезда
г. Борисов ул. Демина, 2а +375 (44) 560-99-75 ( Средне )
Схема проезда
г. Витебск ул. Правды, 33 +375 (44) 770-80-87 ( Мало )
Схема проезда
г. Витебск ул. Петруся Бровки, 34 +375 (29) 636-25-08 ( Мало )
Схема проезда
г. Глубокое ул. Энгельса, 22 +375 (44) 505-71-40 ( Мало )
Схема проезда
г. Гродно ул. Карского, 35 +375 (44) 770-70-21 ( Мало )
Схема проезда
г. Дрогичин ул. Юбилейная, 42 +375 (29) 682-17-13 ( Мало )
Схема проезда
г. Дятлово ул. Советская ,104 +375 (29) 187-87-37 ( Мало )
Схема проезда
г. Житковичи ул. Комсомольская, 49 +375 (29) 394-82-52 ( Средне )
Схема проезда
г. Жлобин ул. Козлова, 25 +375 (29) 346-06-78 ( Мало )
Схема проезда
г. Ивацевичи ул. Загородная, 6А +375 (29) 188-59-01 ( Средне )
Схема проезда
г. Кобрин ул. Пролетарская, 177А +375 (44) 588-10-80 ( Мало )
Схема проезда
г. Кричев ул. Комсомольская, 126 +375 (29) 628-88-42 ( Мало )
Схема проезда
г. Лельчицы ул. Советская, д.96/1 +375 (29) 346-98-96 ( Средне )
Схема проезда
г. Лунинец ул.Красная, 175а +375 (44) 721-46-74 ( Средне )
Схема проезда
г. Могилев ул. Габровская 11Б +375 (29) 662-02-16 ( Средне )
Схема проезда
г. Молодечно ул. Галицкого, 14 +375 (44) 567-28-47 ( Мало )
Схема проезда
г. Несвиж ул. Кутузова, 2 +375 (29) 394-82-48 ( Средне )
Схема проезда
г. Новогрудок ул. Индустриальная, 3 +375 (44) 729-39-19 ( Мало )
Схема проезда
г. Осиповичи ул. Короткая, 11 +375 (29) 165-60-07 ( Мало )
Схема проезда
г. Ошмяны ул. Льнозоводская 3 +375 (44) 770-80-91 ( Мало )
Схема проезда
г. Петриков ул. Первомайская, 124 +375 (33) 660-06-75 ( Мало )
Схема проезда
г. Пинск ул. Калиновского 32 +375 (44) 560-99-59 ( Мало )
Схема проезда
г. Полоцк-2 ул. Шенягина, 52 +375 (29) 302-94-73 ( Мало )
Схема проезда
г. Полоцк-2 ул. Шенягина, 52 +375 (29) 302-94-73 ( Средне )
Схема проезда
г. Пружаны ул. Макаренко, 21 +375 (29) 348-83-18 ( Средне )
Схема проезда
г. Слоним ул. Советская, 93а +375 (29) 394-82-01 ( Средне )
Схема проезда
г. Сморгонь ул. Железнодорожная, 32 +375 (29) 671-02-10 ( Мало )
Схема проезда
г. Солигорск Чижевичский сельсовет, 3Г +375 (29) 899-58-52 ( Мало )
Схема проезда
г. Столин ул. Быковского, 29 +375 (33) 304-54-36 ( Средне )
Схема проезда
г. Щучин ул. Советская, 39 +375 (29) 177-29-70 ( Мало )
Схема проезда
Реле 932 3747 стеклоочистителя (3302 ,2217) 932.3747
Реле 932 3747 стеклоочистителя (3302 ,2217)
Каталожный номер 932.3747
Производитель РОМБ РОМБ
Код 15064
Доставка по всей Беларуси
Доступность остатки на филиалах Остатки на филиалах
Остаток: г.Минск, ул.Селицкого 21к В наличии
Склад Адрес Контакт Остатки
г. Минск ул. Селицкого, 21к +375 (44) 770-80-78 ( Мало )
Схема проезда
г. Глубокое ул. Энгельса, 22 +375 (44) 505-71-40 ( Средне )
Схема проезда
г. Дятлово ул. Советская ,104 +375 (29) 187-87-37 ( Мало )
Схема проезда
г. Житковичи ул. Комсомольская, 49 +375 (29) 394-82-52 ( Мало )
Схема проезда
г. Кричев ул. Комсомольская, 126 +375 (29) 628-88-42 ( Мало )
Схема проезда
г. Новогрудок ул. Индустриальная, 3 +375 (44) 729-39-19 ( Мало )
Схема проезда
Клемма АКБ (переходник болт-конус комплект 2 шт) Конус-болт
Клемма АКБ (переходник болт-конус комплект 2 шт)
Каталожный номер Конус-болт
Производитель ГАЗ ГАЗ
Код 8522
Доставка по всей Беларуси
Доступность остатки на филиалах Остатки на филиалах
Остаток В наличии
Склад Адрес Контакт Остатки
г. Гомель ул. Барыкина, 291Б +375 (44) 514-15-30 ( Мало )
Схема проезда