Республика Беларусь,
г. Минск, ул. Селицкого 21к - центральный склад
Пн-пт с 8:00 до 17:00
Меню
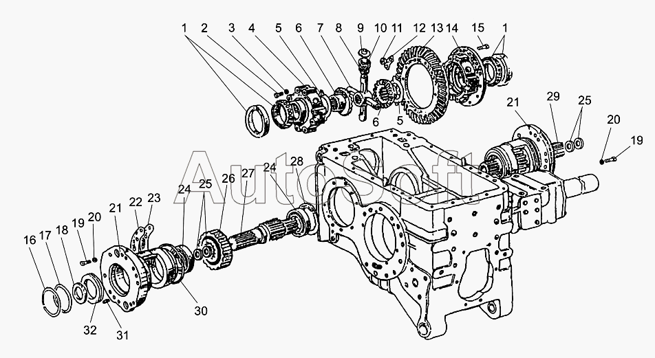
1522-2403010-А-01 Дифференциал
Наименование: Дифференциал 1522-2403010-А-01
Каталожный номер: 1522-2403010-А-01
Производитель: RSTA
Код товара: 00-ГР001523
Доставка: по всей Беларуси
Остаток: под заказ

Нашли не точность в описании товара? сообщить администратору.

+375 (44) 770-80-78 +375 (29) 747-80-78
* Выставить счет, получить техническую информацию и стоимость
Заказать деталь Онлайн
Описание
Наличие на филиалах
Применяемость
Заменить на СТО

Дифференциал 1522-2403010-А-01 производства RSTA (РФ), Код для заказа: 00-ГР001523

Марка Модель Кат.номер Наим. по каталогу Чертеж
МТЗ МТЗ-1523 1522-2403010 Дифференциал Дифференциал. Стакан подшипников
МТЗ МТЗ-1522 (2008) 1522-2403010 Дифференциал Дифференциал. Стакан подшипников
МТЗ МТЗ-1005 (2008) 1522-2403010-01 Дифференциал Корпус заднего моста
МТЗ МЛ-131 (2008) 1522-2403010 Дифференциал Передний мост Чертеж Передний мост
МТЗ МЛПТ-354М (2008) 1522-2403010 Дифференциал Дифференциал Чертеж Дифференциал
МТЗ МТЗ-1222/1523 (2009) 1522-2403010-А Дифференциал Дифференциал. Стакан подшипников
МТЗ МТЗ-1523.4 (2010) 1522-2403010-А Дифференциал Дифференциал, cтакан подшипников
МТЗ МТЗ-1021.3 (2010) 1522-2403010-А Дифференциал Задний мост, дифференциал, конечные передачи Чертеж Задний мост, дифференциал, конечные передачи
МТЗ МТЗ-1025.4 (2009) 1522-2403010-А-01 Дифференциал Корпус заднего моста, дифференциал, конечная передача Чертеж Корпус заднего моста, дифференциал, конечная передача
МТЗ МТЗ-1221 (2009) (2009) 1522-2403010-А Дифференциал Задний мост. Дифференциал. Конечные передачи Чертеж Задний мост. Дифференциал. Конечные передачи
МТЗ МЛПТ-344 (2011) 1522-2403010-А Дифференциал Мост задний Чертеж Мост задний
МТЗ МЛПТ-344 (2011) 1522-2403010-А Дифференциал Мост задний Чертеж Мост задний
МТЗ МЛПТ-344 (2011) 1522-2403010 Дифференциал Дифференциал. Стаканы Чертеж Дифференциал. Стаканы
МТЗ МЛПТ-344 (2011) 1522-2403010-А Дифференциал Дифференциал. Корпус дифференциала Чертеж Дифференциал. Корпус дифференциала
МТЗ 1220 (2011) 1522-2403010-А Дифференциал Задний мост. Дифференциал. Конечные передачи Чертеж Задний мост. Дифференциал. Конечные передачи
МТЗ 1220.5 (2013) 1522-2403010-А Дифференциал Задний мост. Дифференциал. Конечные передачи. Чертеж Задний мост. Дифференциал. Конечные передачи.
МТЗ МТЗ-1523.6 (2018) 1522-2403010-А Дифференциал Дифференциал. Стакан подшипников. Чертеж Дифференциал. Стакан подшипников.
МТЗ 1025/1025.2/1025.3 (2009) 1522-2403010-А-01 Дифференциал Корпус заднего моста. Дифференциал. Конечная передача
МТЗ 1025.5 (2013) 1522-2403010-А-01 Дифференциал Корпус заднего моста. Дифференциал. Конечная передача Чертеж Корпус заднего моста. Дифференциал. Конечная передача
МТЗ МТЗ-1221.5 (2013) 1522-2403010-А Дифференциал Задний мост. Дифференциал. Конечные передачи
Товары из этой категории
Крышка рукава полуоси 50-2407028
Крышка рукава полуоси
Каталожный номер 50-2407028
Производитель RSTA RSTA
Код 11608
Доставка по всей Беларуси
Доступность остатки на филиалах Остатки на филиалах
Остаток: г.Минск, ул.Селицкого 21к В наличии
Склад Адрес Контакт Остатки
г. Минск ул. Селицкого, 21к +375 (44) 770-80-78 ( Средне )
Схема проезда
г. Березино ул. Комсомольская, д. 24 +375 (44) 770-80-17 ( Средне )
Схема проезда
г. Берёза ул. Красноармейская, 89/11 +375 (29) 676-70-71 ( Мало )
Схема проезда
г. Бобруйск ул. Гоголя, 181/1-6 +375 (29) 630-05-01 ( Мало )
Схема проезда
г. Борисов ул. Демина, 2а +375 (44) 560-99-75 ( Мало )
Схема проезда
г. Горки ул.Мира, д.51а/1 +375 (44) 565-33-61 ( Мало )
Схема проезда
г. Дрогичин ул. Юбилейная, 42 +375 (29) 682-17-13 ( Средне )
Схема проезда
г. Дятлово ул. Советская ,104 +375 (29) 187-87-37 ( Мало )
Схема проезда
г. Житковичи ул. Комсомольская, 49 +375 (29) 394-82-52 ( Средне )
Схема проезда
г. Жлобин ул. Козлова, 25 +375 (29) 346-06-78 ( Мало )
Схема проезда
г. Ивацевичи ул. Загородная, 6А +375 (29) 188-59-01 ( Мало )
Схема проезда
г. Кобрин ул. Пролетарская, 177А +375 (44) 588-10-80 ( Мало )
Схема проезда
г. Кричев ул. Комсомольская, 126 +375 (29) 628-88-42 ( Средне )
Схема проезда
г. Лепель ул. Лобанка, 43 +375 (44) 778-65-21 ( Мало )
Схема проезда
г. Молодечно ул. Галицкого, 14 +375 (44) 567-28-47 ( Мало )
Схема проезда
г. Несвиж ул. Кутузова, 2 +375 (29) 394-82-48 ( Средне )
Схема проезда
г. Осиповичи ул. Короткая, 11 +375 (29) 165-60-07 ( Мало )
Схема проезда
г. Ошмяны ул. Льнозоводская 3 +375 (44) 770-80-91 ( Средне )
Схема проезда
г. Полоцк-2 ул. Шенягина, 52 +375 (29) 302-94-73 ( Мало )
Схема проезда
г. Полоцк-2 ул. Шенягина, 52 +375 (29) 302-94-73 ( Средне )
Схема проезда
г. Поставы ул. Советская, 69 +375 (44) 770-80-13 ( Средне )
Схема проезда
г. Пружаны ул. Макаренко, 21 +375 (29) 348-83-18 ( Мало )
Схема проезда
г. Слоним ул. Советская, 93а +375 (29) 394-82-01 ( Мало )
Схема проезда
г. Сморгонь ул. Железнодорожная, 32 +375 (29) 671-02-10 ( Мало )
Схема проезда
г. Солигорск Чижевичский сельсовет, 3Г +375 (29) 899-58-52 ( Средне )
Схема проезда
г. Столин ул. Быковского, 29 +375 (33) 304-54-36 ( Средне )
Схема проезда
Полуось без шлицов нового образца 50-2407082-А-01
Полуось без шлицов нового образца
Каталожный номер 50-2407082-А-01
Производитель КНР КНР
Код 34995
Доставка по всей Беларуси
Доступность остатки на филиалах Остатки на филиалах
Остаток: г.Минск, ул.Селицкого 21к В наличии
Склад Адрес Контакт Остатки
г. Минск ул. Селицкого, 21к +375 (44) 770-80-78 ( Средне )
Схема проезда
г. Дрогичин ул. Юбилейная, 42 +375 (29) 682-17-13 ( Мало )
Схема проезда
г. Лепель ул. Лобанка, 43 +375 (44) 778-65-21 ( Мало )
Схема проезда
Рукав полуоси МТЗ 50-2407018
Рукав полуоси МТЗ
Каталожный номер 50-2407018
Производитель RSTA RSTA
Код 11538
Доставка по всей Беларуси
Доступность остатки на филиалах Остатки на филиалах
Остаток: г.Минск, ул.Селицкого 21к В наличии
Склад Адрес Контакт Остатки
г. Минск ул. Селицкого, 21к +375 (44) 770-80-78 ( Много )
Схема проезда
г. Берёза ул. Красноармейская, 89/11 +375 (29) 676-70-71 ( Мало )
Схема проезда
г. Дрогичин ул. Юбилейная, 42 +375 (29) 682-17-13 ( Мало )
Схема проезда
г. Несвиж ул. Кутузова, 2 +375 (29) 394-82-48 ( Мало )
Схема проезда
г. Полоцк-2 ул. Шенягина, 52 +375 (29) 302-94-73 ( Мало )
Схема проезда
г. Пружаны ул. Макаренко, 21 +375 (29) 348-83-18 ( Мало )
Схема проезда
г. Столин ул. Быковского, 29 +375 (33) 304-54-36 ( Мало )
Схема проезда