Республика Беларусь,
г. Минск, ул. Селицкого 21к - центральный склад
Пн-пт с 8:00 до 17:00
Меню
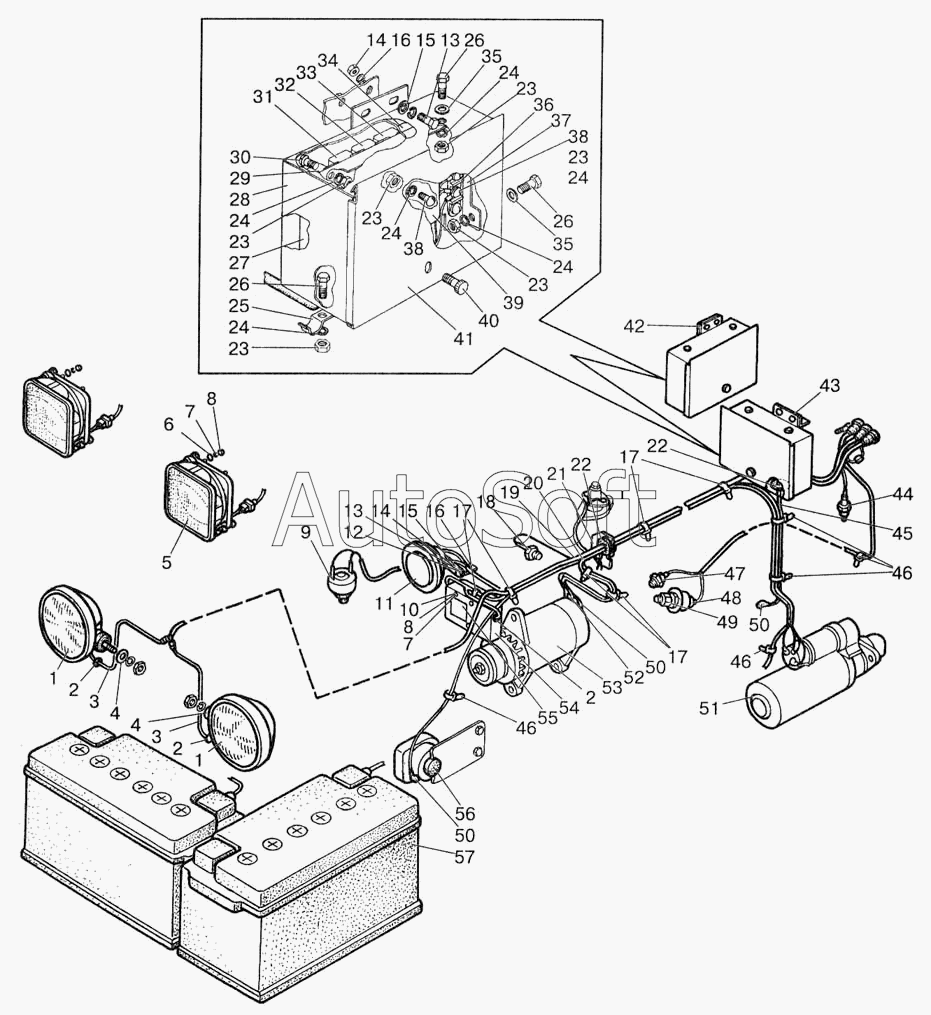
ДУТЖ-03 Датчик указателя температуры ОЖ
Наименование: Датчик ДУТЖ-03 указателя температуры ОЖ
Каталожный номер: ДУТЖ-03
Производитель: RSTA
Код товара: 49215
Доставка: по всей Беларуси
Остаток: под заказ

Нашли не точность в описании товара? сообщить администратору.

+375 (44) 770-80-78 +375 (29) 747-80-78
* Выставить счет, получить техническую информацию и стоимость
Заказать деталь Онлайн
Описание
Наличие на филиалах
Применяемость
Заменить на СТО

Код для заказа: 49215

Марка Модель Кат.номер Наим. по каталогу Чертеж
Амкодор Амкодор-333В (ТО-18Б3) ДУТЖ Датчик Электросистема Чертеж Электросистема
Амкодор Амкодор-342А (ТО-28А) ДУТЖ Датчик Электросистема Чертеж Электросистема
Амкодор Амкодор-208А (2006) ДУТЖ Датчик Гидросистема привода хода (вариант II с насосом МКРН.06.3234.014) Чертеж Гидросистема привода хода (вариант II с насосом МКРН.06.3234.014)
Амкодор Амкодор-352 (2006) ДУТЖ Датчик Электросистема 351.11.00.000 Чертеж Электросистема 351.11.00.000
Амкодор Амкодор-332С-01 (2006) ДУТЖ Датчик Электросистема ТО-28А.11.00.000 Чертеж Электросистема ТО-28А.11.00.000
Амкодор Амкодор-342В (ТО-18А) (2006) ДУТЖ Датчик Электросистема 351.11.00.000 Чертеж Электросистема 351.11.00.000
Амкодор Амкодор-342С (2006) ДУТЖ Датчик Электросистема 351.11.00.000 Чертеж Электросистема 351.11.00.000
Амкодор Амкодор-333А (ТО-18Б2) (2006) ДУТЖ Датчик Электросистема ТО-18Б.81.00.000 Чертеж Электросистема ТО-18Б.81.00.000
Амкодор Амкодор-325 (ТО-18К) (2006) ДУТЖ Датчик Электросистема ТО-18К.12.00.000 Чертеж Электросистема ТО-18К.12.00.000
МТЗ МТЗ-1523 ДУТЖ-02 Датчик указателя температуры Электрооборудование по дизелю Чертеж Электрооборудование по дизелю
МТЗ МТЗ-1522 (2008) ДУТЖ-02 Датчик указателя температуры Электрооборудование по дизелю Чертеж Электрооборудование по дизелю
МТЗ МТЗ-822 (2008) ДУТЖ-02 Датчик указателя температуры Электрооборудование по дизелю Чертеж Электрооборудование по дизелю
МТЗ МТЗ-922 (2008) ДУТЖ-02 Датчик указателя температуры Электрооборудование по дизелю
МТЗ МТЗ-923 (2008) ДУТЖ-02 Датчик указателя температуры Электрооборудование по дизелю Чертеж Электрооборудование по дизелю
МТЗ МТЗ-80 (2002) (2002) ДУТЖ-02 Датчик указателя температуры 3709, 3710 Электрооборудование двигателя и трансмиссии
МТЗ МТЗ-90/92 (2008) 3828.10 Датчик указателя температуры (ДУТЖ-02) Электрооборудование двигателя Чертеж Электрооборудование двигателя
МТЗ МЛПТ-354М (2008) ДУТЖ-02М Датчик указателя температуры Электрооборудование
МТЗ МТЗ-80 (2009) (2009) 3828.10 Датчик указателя температуры (ДУТЖ-02) Электрооборудование двигателя
Гомсельмаш КСК-600 (2007) Датчик ДУТЖ-01 Датчик ДУТЖ-01 Тройник КГС 0108090
Гомсельмаш КСК-600 (2007) Датчик ДУТЖ-01 Датчик ДУТЖ-01 Электрооборудование двигателя КГС 0116000 Чертеж Электрооборудование двигателя КГС 0116000
Товары из этой категории
Датчик ПД8093-4 спидометра (импульсов) ВЗЭП ПД8093-4
Датчик ПД8093-4 спидометра (импульсов) ВЗЭП
Каталожный номер ПД8093-4
Производитель ВЗЭП ВЗЭП
Код 10041
Доставка по всей Беларуси
Доступность остатки на филиалах Остатки на филиалах
Остаток: г.Минск, ул.Селицкого 21к В наличии
Склад Адрес Контакт Остатки
г. Минск ул. Селицкого, 21к +375 (44) 770-80-78 ( Средне )
Схема проезда
г. Бобруйск ул. Орловского, 22к3 +375 (29) 345-37-07 ( Мало )
Схема проезда
г. Ошмяны ул. Льнозоводская 3 +375 (44) 770-80-91 ( Мало )
Схема проезда
Датчик заднего хода 0068-1
Датчик заднего хода
Каталожный номер 0068-1
Производитель SHAANXI SHAANXI
Код 7705
Доставка по всей Беларуси
Доступность остатки на филиалах Остатки на филиалах
Остаток Под заказ
Датчик ДКД-5К AE давления АВТОЭЛЕКТРИКА ДКД-5К AE
Датчик ДКД-5К AE давления АВТОЭЛЕКТРИКА
Каталожный номер ДКД-5К AE
Производитель Автоэлектрика Автоэлектрика
Код 00-ГР032767
Доставка по всей Беларуси
Доступность остатки на филиалах Остатки на филиалах
Остаток: г.Минск, ул.Селицкого 21к В наличии
Склад Адрес Контакт Остатки
г. Минск ул. Селицкого, 21к +375 (44) 770-80-78 ( Средне )
Схема проезда
г. Барановичи ул. Бадака, 27Б +375 (29) 350-33-47 ( Мало )
Схема проезда
г. Витебск ул. Правды, 33 +375 (44) 770-80-87 ( Мало )
Схема проезда
г. Глубокое ул. Энгельса, 22 +375 (44) 505-71-40 ( Мало )
Схема проезда
г. Ивацевичи ул. Загородная, 6А +375 (29) 188-59-01 ( Средне )
Схема проезда
г. Могилев ул. Габровская 11Б +375 (29) 662-02-16 ( Мало )
Схема проезда
г. Орша ул. Сергея Кирова, д. 34 +375 (44) 583-91-42 ( Мало )
Схема проезда
г. Осиповичи ул. Короткая, 11 +375 (29) 165-60-07 ( Мало )
Схема проезда
г. Полоцк-2 ул. Шенягина, 52 +375 (29) 302-94-73 ( Мало )
Схема проезда
г. Столин ул. Быковского, 29 +375 (33) 304-54-36 ( Мало )
Схема проезда
Датчик температуры (ан. 428.3828) 428.3828
Датчик температуры (ан. 428.3828)
Каталожный номер 428.3828
Производитель АвтоТрейд АвтоТрейд
Код 5425
Доставка по всей Беларуси
Доступность остатки на филиалах Остатки на филиалах
Остаток: г.Минск, ул.Селицкого 21к В наличии
Склад Адрес Контакт Остатки
г. Минск ул. Селицкого, 21к +375 (44) 770-80-78 ( Мало )
Схема проезда
г. Березино ул. Комсомольская, д. 24 +375 (44) 770-80-17 ( Мало )
Схема проезда
г. Борисов ул. Демина, 2а +375 (44) 560-99-75 ( Мало )
Схема проезда
г. Брест Тельминский с/с, 1Д/1, 1 км южнее д. Тельмы-2 +375 (44) 599-90-75 ( Мало )
Схема проезда
г. Гомель ул. Барыкина, 291Б +375 (44) 514-15-30 ( Мало )
Схема проезда
г. Горки ул.Мира, д.51а/1 +375 (44) 565-33-61 ( Мало )
Схема проезда
г. Гродно ул. Карского, 35 +375 (44) 770-70-21 ( Средне )
Схема проезда
г. Жлобин ул. Козлова, 25 +375 (29) 346-06-78 ( Средне )
Схема проезда
г. Ивацевичи ул. Загородная, 6А +375 (29) 188-59-01 ( Мало )
Схема проезда
г. Кобрин ул. Пролетарская, 177А +375 (44) 588-10-80 ( Средне )
Схема проезда
г. Лельчицы ул. Советская, д.96/1 +375 (29) 346-98-96 ( Средне )
Схема проезда
г. Лепель ул. Лобанка, 43 +375 (44) 778-65-21 ( Мало )
Схема проезда
г. Лунинец ул.Красная, 175а +375 (44) 721-46-74 ( Мало )
Схема проезда
г. Несвиж ул. Кутузова, 2 +375 (29) 394-82-48 ( Мало )
Схема проезда
г. Орша ул. Сергея Кирова, д. 34 +375 (44) 583-91-42 ( Мало )
Схема проезда
г. Петриков ул. Первомайская, 124 +375 (33) 660-06-75 ( Мало )
Схема проезда
г. Пинск ул. Калиновского 32 +375 (44) 560-99-59 ( Мало )
Схема проезда
г. Слуцк ул. Тутаринова, 8 +375 (29) 346-06-90 ( Мало )
Схема проезда
г. Солигорск Чижевичский сельсовет, 3Г +375 (29) 899-58-52 ( Мало )
Схема проезда
Датчик давления воздуха комбинированный ДКД-1К (АДЮИ.406222.004)
Датчик давления воздуха комбинированный
Каталожный номер ДКД-1К (АДЮИ.406222.004)
Производитель Экран Экран
Код 4923
Доставка по всей Беларуси
Доступность остатки на филиалах Остатки на филиалах
Остаток: г.Минск, ул.Селицкого 21к В наличии
Склад Адрес Контакт Остатки
г. Минск ул. Бабушкина, 37 +375 (29) 632-00-82 ( Мало )
Схема проезда
г. Минск ул. Селицкого, 21к +375 (44) 770-80-78 ( Много )
Схема проезда
г. Барановичи ул. Пролетарская, 40 +375 (29) 795-96-37 ( Средне )
Схема проезда
г. Барановичи ул. Бадака, 27Б +375 (29) 350-33-47 ( Средне )
Схема проезда
г. Берёза ул. Красноармейская, 89/11 +375 (29) 676-70-71 ( Средне )
Схема проезда
г. Бобруйск ул. Гоголя, 181/1-6 +375 (29) 630-05-01 ( Мало )
Схема проезда
г. Бобруйск ул. Орловского, 22к3 +375 (29) 345-37-07 ( Мало )
Схема проезда
г. Брест Тельминский с/с, 1Д/1, 1 км южнее д. Тельмы-2 +375 (44) 599-90-75 ( Средне )
Схема проезда
г. Витебск ул. Правды, 33 +375 (44) 770-80-87 ( Мало )
Схема проезда
г. Витебск ул. Петруся Бровки, 34 +375 (29) 636-25-08 ( Средне )
Схема проезда
г. Глубокое ул. Энгельса, 22 +375 (44) 505-71-40 ( Средне )
Схема проезда
г. Гомель ул. Барыкина, 291Б +375 (44) 514-15-30 ( Мало )
Схема проезда
г. Гомель ул. Барыкина, 291Б +375 (44) 514-15-30 ( Средне )
Схема проезда
г. Горки ул.Мира, д.51а/1 +375 (44) 565-33-61 ( Средне )
Схема проезда
г. Гродно ул. Карского, 35 +375 (44) 770-70-21 ( Средне )
Схема проезда
г. Дрогичин ул. Юбилейная, 42 +375 (29) 682-17-13 ( Мало )
Схема проезда
г. Дятлово ул. Советская ,104 +375 (29) 187-87-37 ( Средне )
Схема проезда
г. Житковичи ул. Комсомольская, 49 +375 (29) 394-82-52 ( Средне )
Схема проезда
г. Кобрин ул. Пролетарская, 177А +375 (44) 588-10-80 ( Мало )
Схема проезда
г. Кричев ул. Комсомольская, 126 +375 (29) 628-88-42 ( Мало )
Схема проезда
г. Лепель ул. Лобанка, 43 +375 (44) 778-65-21 ( Средне )
Схема проезда
г. Могилев ул. Габровская 11Б +375 (29) 662-02-16 ( Средне )
Схема проезда
г. Мозырь промузел Козенки +375 (44) 731-94-60 ( Средне )
Схема проезда
г. Молодечно ул. Галицкого, 14 +375 (44) 567-28-47 ( Средне )
Схема проезда
г. Несвиж ул. Кутузова, 2 +375 (29) 394-82-48 ( Средне )
Схема проезда
г. Новогрудок ул. Индустриальная, 3 +375 (44) 729-39-19 ( Средне )
Схема проезда
г. Орша ул. Сергея Кирова, д. 34 +375 (44) 583-91-42 ( Средне )
Схема проезда
г. Осиповичи ул. Короткая, 11 +375 (29) 165-60-07 ( Средне )
Схема проезда
г. Ошмяны ул. Льнозоводская 3 +375 (44) 770-80-91 ( Средне )
Схема проезда
г. Пинск ул. Калиновского 32 +375 (44) 560-99-59 ( Средне )
Схема проезда
г. Полоцк-2 ул. Шенягина, 52 +375 (29) 302-94-73 ( Мало )
Схема проезда
г. Полоцк-2 ул. Шенягина, 52 +375 (29) 302-94-73 ( Мало )
Схема проезда
г. Поставы ул. Советская, 69 +375 (44) 770-80-13 ( Мало )
Схема проезда
г. Пружаны ул. Макаренко, 21 +375 (29) 348-83-18 ( Средне )
Схема проезда
г. Слоним ул. Советская, 93а +375 (29) 394-82-01 ( Средне )
Схема проезда
г. Слуцк ул. Тутаринова, 8 +375 (29) 346-06-90 ( Мало )
Схема проезда
г. Солигорск Чижевичский сельсовет, 3Г +375 (29) 899-58-52 ( Мало )
Схема проезда