Республика Беларусь,
г. Минск, ул. Селицкого 21к - центральный склад
Пн-пт с 8:00 до 17:00
Меню
АДЮИ.406422.001 Датчик сигн.засор. возд.фильтра ДСФ-45 Экран,Борисов
Наименование: Датчик сигн.засор. возд.фильтра ДСФ-45 Экран,Борисов
Каталожный номер: АДЮИ.406422.001
Код товара: АДЮИ406422001
Доставка: по всей Беларуси
Остаток: под заказ 1-45 дней

Нашли не точность в описании товара? сообщить администратору.

+375 (44) 770-80-78 +375 (29) 747-80-78
* Выставить счет, получить техническую информацию и стоимость
Заказать деталь Онлайн
Описание
Наличие на филиалах
Применяемость
Заменить на СТО

АДЮИ.406422.001 Датчик сигн.засор. возд.фильтра ДСФ-45.

  • Производитель: Экран,Борисов
  • Каталожный номер по заводу: АДЮИ.406422.001
  • Код для заказа:  АДЮИ406422001
Марка Модель Кат.номер Наим. по каталогу Чертеж
МАЗ МАЗ-5337 АДЮИ.406422.001 Датчик засорения воздушного фильтра Установка воздушного фильтра и воздухозаборника МАЗ-5551, МАЗ-5337 Чертеж Установка воздушного фильтра и воздухозаборника МАЗ-5551, МАЗ-5337
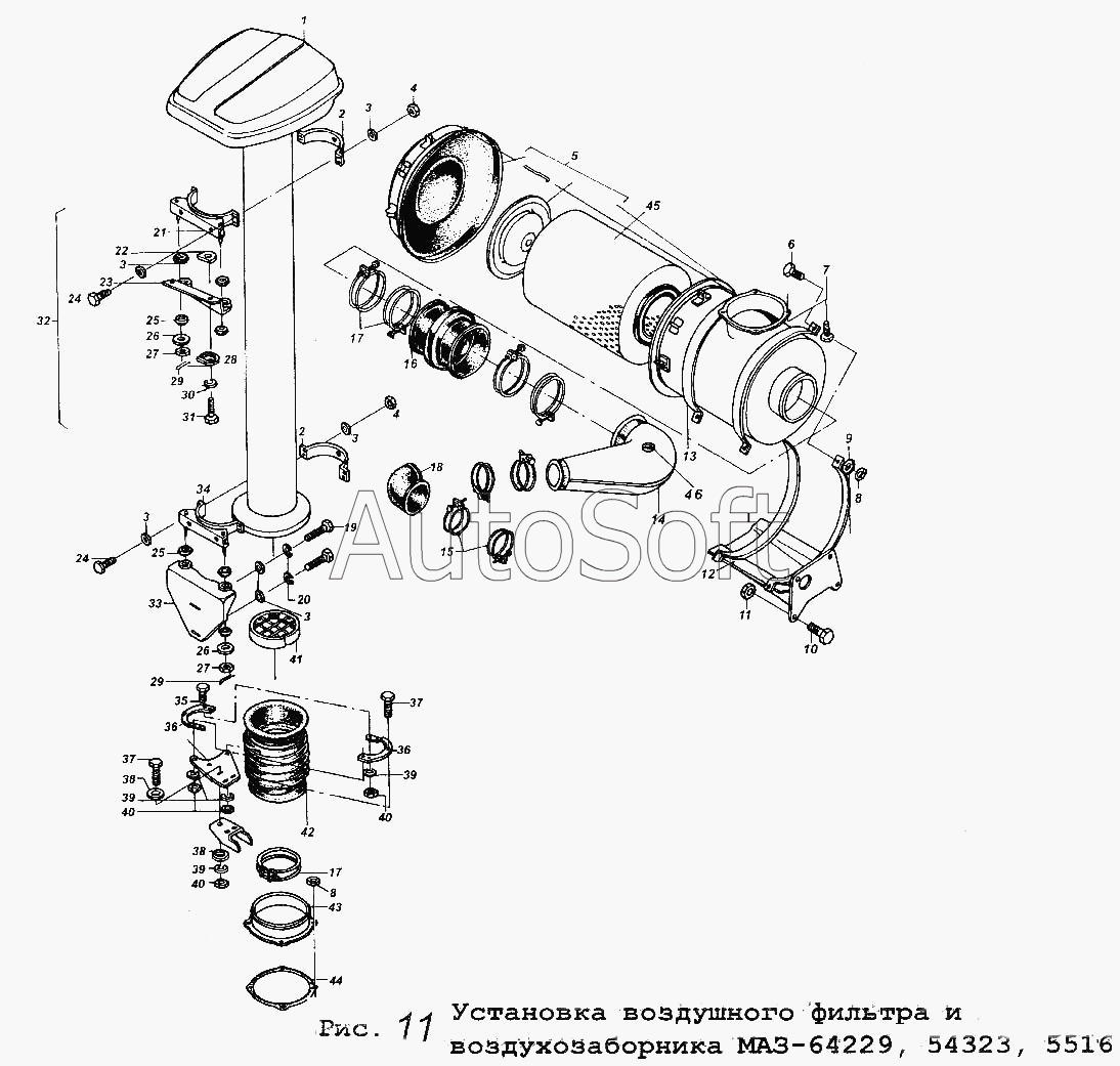
МАЗ МАЗ-54323 АДЮИ.406422.001 Датчик засорения воздушного фильтра Установка воздушного фильтра и воздухозаборника МАЗ-64229, 54323, 5516 Чертеж Установка воздушного фильтра и воздухозаборника МАЗ-64229, 54323, 5516
МАЗ МАЗ-5516 АДЮИ.406422.001 Датчик засорения воздушного фильтра Установка воздушного фильтра и воздухозаборника МАЗ-64229, 54323, 5516 Чертеж Установка воздушного фильтра и воздухозаборника МАЗ-64229, 54323, 5516
МАЗ МАЗ-5551 АДЮИ.406422.001 Датчик засорения воздушного фильтра Установка воздушного фильтра и воздухозаборника МАЗ-5551, МАЗ-5337 Чертеж Установка воздушного фильтра и воздухозаборника МАЗ-5551, МАЗ-5337
МАЗ МАЗ-64229 АДЮИ.406422.001 Датчик засорения воздушного фильтра Установка воздушного фильтра и воздухозаборника МАЗ-64229, 54323, 5516 Чертеж Установка воздушного фильтра и воздухозаборника МАЗ-64229, 54323, 5516
МАЗ Общий (см. мод-ции) АДЮИ.406422.001 Датчик засорения воздушного фильтра Установка воздушного фильтра и воздухозаборника МАЗ-64229, 54323, 5516
МАЗ Общий (см. мод-ции) АДЮИ.406422.001 Датчик засорения воздушного фильтра Установка воздушного фильтра и воздухозаборника МАЗ-5551, МАЗ-5337 Чертеж Установка воздушного фильтра и воздухозаборника МАЗ-5551, МАЗ-5337
МАЗ МАЗ-6422 (2003) АДЮИ.406422.001 Датчик засорения воздушного фильтра Установка датчиков на двигателе
МАЗ МАЗ-6303 (2005) (2005) АДЮИ.406422.001 Датчик засорения воздушного фильтра Установка датчиков на двигателе Чертеж Установка датчиков на двигателе
МАЗ МАЗ-5551 (2003) (2003) АДЮИ.406422.001 Датчик засорения воздушного фильтра Установка датчиков на двигателе Чертеж Установка датчиков на двигателе
МАЗ МАЗ-5337 (2005) (2005) АДЮИ.406422.001 Датчик засорения воздушного фильтра Установка датчиков на двигателе Чертеж Установка датчиков на двигателе
МАЗ МАЗ-5432 (2003) АДЮИ.406422.001 Датчик засорения воздушного фильтра Установка датчиков на двигателе Чертеж Установка датчиков на двигателе
МАЗ МАЗ-5516 (2003) (2003) АДЮИ.406422.001 Датчик засорения воздушного фильтра Установка датчиков на двигателе
МАЗ МАЗ-6430A8 (5440A8, 5440A5) (2008) АДЮИ.406422.001 Датчик засорения воздушного фильтра Расположение электрооборудования на двигателе 544008-3700098, (-700)
МАЗ МАЗ-555142 (2007) АДЮИ.406422.001-01 Датчик ДСФ-65 Расположение разъемов и элементов электрооборудования на двигателе 555142-3700098-075
МАЗ МАЗ-533731 (2009) АДЮИ.406422.001 Датчик засорения воздушного фильтра Установка электрооборудования на двигателе 533731-3700098 (-700) Чертеж Установка электрооборудования на двигателе 533731-3700098 (-700)
МАЗ МАЗ-5440B9, 6430B9 (2013) АДЮИ.406422.001 Датчик засорения воздушного фильтра Установка электрооборудования на двигателе 5440А9-3700098
МАЗ МАЗ-5440B9, 6430B9 (2013) АДЮИ.406422.001 Датчик засорения воздушного фильтра Установка электрооборудования на двигателе 5440А9-3700098-020
МАЗ МАЗ-5440B9, 6430B9 (2013) АДЮИ.406422.001 Датчик засорения воздушного фильтра Установка электрооборудования на двигателе 6312В9-3700098-000
МАЗ МАЗ-630333 (2012) АДЮИ.406422.001 Датчик засорения воздушного фильтра Установка электрооборудования на двигателе 533632-3700098 Чертеж Установка электрооборудования на двигателе 533632-3700098
Товары из этой категории
Палец  МАЗ ОАО 105-5020297
Палец МАЗ ОАО
Каталожный номер 105-5020297
Производитель
Код 1055020297
Доставка по всей Беларуси
Остаток Под заказ
Зеркало внешнее (левое)  Универсал,Бобруйск САКД.458201.100-01
Зеркало внешнее (левое) Универсал,Бобруйск
Каталожный номер САКД.458201.100-01
Производитель
Код САКД45820110001
Доставка по всей Беларуси
Остаток Под заказ
Фильтр очистки масла  Дифа,Гродно DIFA 5101/1
Фильтр очистки масла Дифа,Гродно
Каталожный номер DIFA 5101/1
Производитель
Код DIFA51011
Доставка по всей Беларуси
Остаток Под заказ
Втулка  МАЗ ОАО, УВК 5336-5001016
Втулка МАЗ ОАО, УВК
Каталожный номер 5336-5001016
Производитель
Код 53365001016
Доставка по всей Беларуси
Остаток Под заказ
Подставка  МАЗ ОАО, УВК 101-6837020
Подставка МАЗ ОАО, УВК
Каталожный номер 101-6837020
Производитель
Код 1016837020
Доставка по всей Беларуси
Остаток Под заказ