Республика Беларусь,
г. Минск, ул. Селицкого 21к - центральный склад
Пн-пт с 8:00 до 17:00
Меню
42.3828 Датчик температуры охлаждающей жидкости
Наименование: Датчик 42.3828 температуры охлаждающей жидкости
Каталожный номер: 42.3828
Производитель: RSTA
Код товара: 31590
Доставка: по всей Беларуси
Остаток: под заказ

Нашли не точность в описании товара? сообщить администратору.

+375 (44) 770-80-78 +375 (29) 747-80-78
* Выставить счет, получить техническую информацию и стоимость
Заказать деталь Онлайн
Описание
Наличие на филиалах
Применяемость
Заменить на СТО

Код для заказа: 31590

Марка Модель Кат.номер Наим. по каталогу Чертеж
ГАЗ ГАЗ-3105 (1996) 19.3828 Датчик указателя температуры охлаждающей жидкости Блок управления карбюратором Чертеж Блок управления карбюратором
ГАЗ ГАЗ-3110 19.3828 Датчик указателя температуры охлаждающей жидкости Топливопровод двигателя, дроссель с датчиком положения воздушной заслонки, регулятор холостого хода, электромагнитные форсунки, шланги вентиляции картера, датчик температуры воздуха системы управления двигателем ЗМЗ-4062.10 Чертеж Топливопровод двигателя, дроссель с датчиком положения воздушной заслонки, регулятор холостого хода, электромагнитные форсунки, шланги вентиляции картера, датчик температуры воздуха системы управления двигателем ЗМЗ-4062.10
ГАЗ ГАЗ-3110 19.3828 Датчик указателя температуры охлаждающей жидкости Насос водяной, ремень привода водяного насоса, термостат, датчики указателя температуры и сигнализатора перегрева охлаждающей жидкости, датчик указателя температуры охлаждающей жидкости системы управления двигателем ЗМЗ-4062.10 Чертеж Насос водяной, ремень привода водяного насоса, термостат, датчики указателя температуры и сигнализатора перегрева охлаждающей жидкости, датчик указателя температуры охлаждающей жидкости системы управления двигателем ЗМЗ-4062.10
ГАЗ ГАЗ-3110 19.3828 Датчик указателя температуры охлаждающей жидкости Датчики контрольно-измерительных приборов, датчики системы управления двигателем ЗМЗ-4062.10, выключатель света заднего хода и датчик спидометра на коробке передач
ГАЗ ГАЗ-3302 (ГАЗель) 19.3828 Датчик указателя температуры охлаждающей жидкости Насос водяной, вентилятор и его привод двигателей ЗМЗ 4061.10, ЗМЗ 4063.10, ЗМЗ 40637.10
ГАЗ ГАЗ-2705 (ГАЗель) (2000) 19.3828 Датчик указателя температуры охлаждающей жидкости Вентилятор, насос водяной, привод вентилятора и водяного насоса, термостат, датчик указателя температуры и перегрева охлаждающей жидкости, датчик температурного состояния двигателей ЗМЗ-4061.10, ЗМЗ-4063.10 Чертеж Вентилятор, насос водяной, привод вентилятора и водяного насоса, термостат, датчик указателя температуры и перегрева охлаждающей жидкости, датчик температурного состояния двигателей ЗМЗ-4061.10, ЗМЗ-4063.10
ГАЗ ГАЗ-2217 (Соболь) (1999) 19.3828 Датчик указателя температуры охлаждающей жидкости Насос водяной двигателя ЗМЗ-4063 6-местного автобуса, ремень привода водяного насоса, термостат, датчики указателя температуры и сигнализатора перегрева охлаждающей жидкости, датчик температуры охлаждающей жидкости системы управления зажиганием двигателя Чертеж Насос водяной двигателя ЗМЗ-4063 6-местного автобуса, ремень привода водяного насоса, термостат, датчики указателя температуры и сигнализатора перегрева охлаждающей жидкости, датчик температуры охлаждающей жидкости системы управления зажиганием двигателя
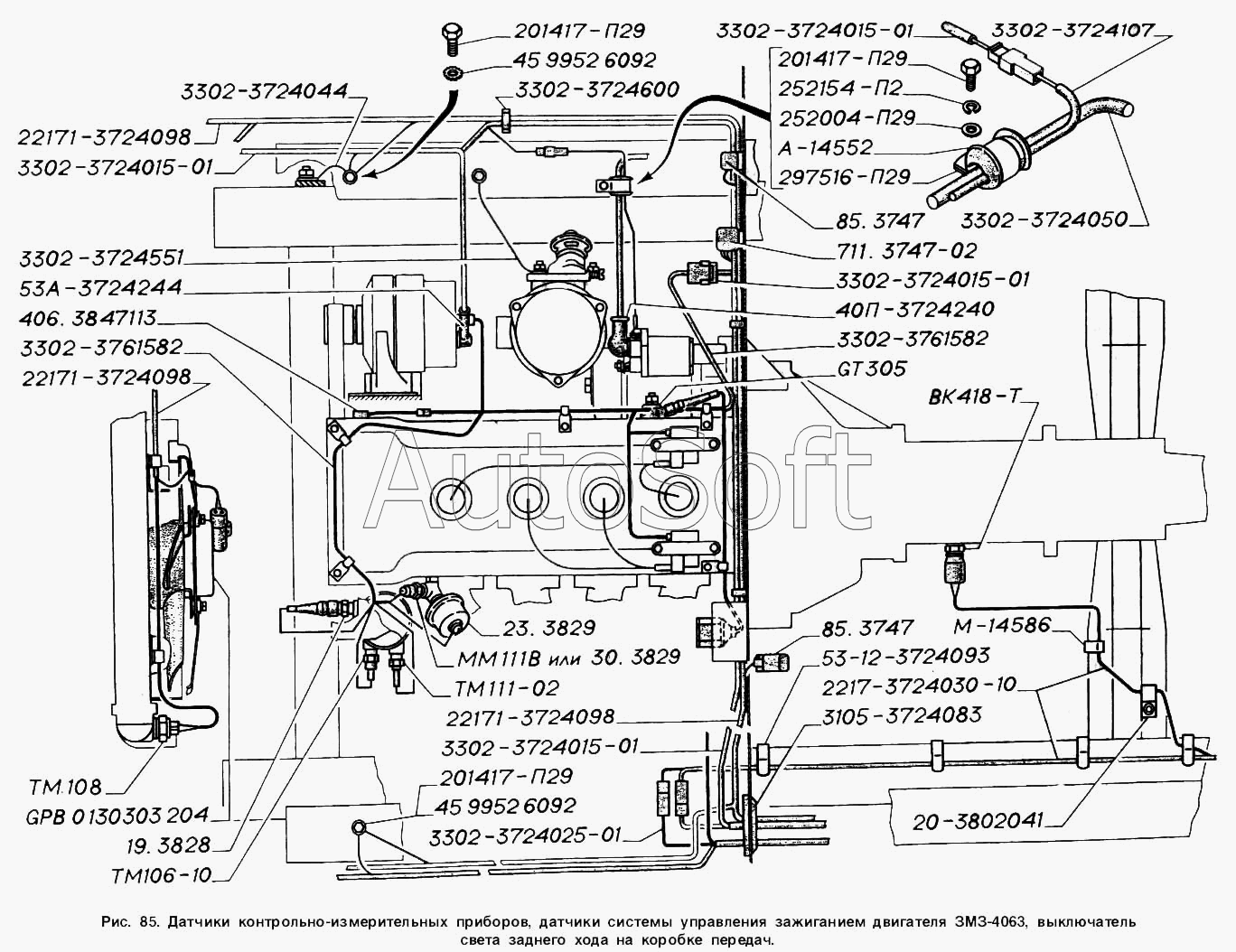
ГАЗ ГАЗ-2217 (Соболь) (1999) 19.3828 Датчик указателя температуры охлаждающей жидкости Датчики контрольно-измерительных приборов, датчики системы управления зажиганием двигателя ЗМЗ-4063, выключатель света заднего хода на коробке передач Чертеж Датчики контрольно-измерительных приборов, датчики системы управления зажиганием двигателя ЗМЗ-4063, выключатель света заднего хода на коробке передач
ГАЗ ГАЗ-3302 (2004) (2004) 19.3828 Датчик указателя температуры охлаждающей жидкости Вентилятор, насос водяной, термостат, датчики указателя температуры ЗМЗ-406 Чертеж Вентилятор, насос водяной, термостат, датчики указателя температуры ЗМЗ-406
ГАЗ ГАЗ-3302 (2004) (2004) 19.3828 Датчик указателя температуры охлаждающей жидкости Реле и элементы системы зажигания двигателей ЗМЗ-406 Чертеж Реле и элементы системы зажигания двигателей ЗМЗ-406
ГАЗ ГАЗ-3111 (2004) 233.3828 Датчик температуры охлаждающей жидкости Датчики системы управления двигателем и контрольно-измерительных приборов, датчик БСК уровня масла в двигателе (ДМК-1), датчик скорости на коробке передач, звуковые сигнальные приборы Чертеж Датчики системы управления двигателем и контрольно-измерительных приборов, датчик БСК уровня масла в двигателе (ДМК-1), датчик скорости на коробке передач, звуковые сигнальные приборы
УАЗ УАЗ-3160 (2002) 31604-3828010 Датчик 2422.3828 температуры Датчики указателей уровня топлива, температуры, давления масла, фазы, детонации, индуктивности, массового расхода топлива, углового положения дроссельной заслонки и регулятор холостого хода Чертеж Датчики указателей уровня топлива, температуры, давления масла, фазы, детонации, индуктивности, массового расхода топлива, углового положения дроссельной заслонки и регулятор холостого хода
УАЗ UAZ Patriot (2007) 234.3828000 Датчик 234.3828 температуры охлаждающей жидкости Датчик температуры, датчик давления масла, датчик скорости, датчик цифровой системы зажигания Чертеж Датчик температуры, датчик давления масла, датчик скорости, датчик цифровой системы зажигания
ЗИЛ ЗИЛ-433100 141.3828 Датчик температуры (на 70й) Схема электрооборудования автомобиля Чертеж Схема электрооборудования автомобиля
Камский автозавод 6520 14.3828 Датчик температуры 40° С Подогреватель жидкостный в сборе Чертеж Подогреватель жидкостный в сборе
Камский автозавод 6520 141.3828 Датчик температуры 70° С Подогреватель жидкостный в сборе Чертеж Подогреватель жидкостный в сборе
Камский автозавод 740.60-360 (Евро 3) (2007) 45104382800200 Датчик температуры 192.3828 740.60-3724010 Установка жгута проводов Чертеж 740.60-3724010 Установка жгута проводов
ПАЗ ПАЗ-4230 (2005) 2432.3828 Датчик указателя температуры охлаждающей жидкости Электрооборудование автобуса Чертеж Электрооборудование автобуса
ПАЗ ПАЗ-4230 (2005) 2432.3828 Датчик указателя температуры охлаждающей жидкости Электрооборудование автобуса Чертеж Электрооборудование автобуса
БелАЗ 7555A 19.3828 Датчик температуры Схема электрооборудования (монтаж проводов на шасси БелАЗ-7555В) Чертеж Схема электрооборудования (монтаж проводов на шасси БелАЗ-7555В)
Товары из этой категории
Датчик 3902.3829 AE давления масла АВТОЭЛЕКТРИКА 3902.3829 AE
Датчик 3902.3829 AE давления масла АВТОЭЛЕКТРИКА
Каталожный номер 3902.3829 AE
Производитель Автоэлектрика Автоэлектрика
Код 00-ГР022713
Доставка по всей Беларуси
Доступность остатки на филиалах Остатки на филиалах
Остаток: г.Минск, ул.Селицкого 21к В наличии
Склад Адрес Контакт Остатки
г. Минск ул. Селицкого, 21к +375 (44) 770-80-78 ( Много )
Схема проезда
г. Бобруйск ул. Орловского, 22к3 +375 (29) 345-37-07 ( Средне )
Схема проезда
г. Гомель ул. Барыкина, 291Б +375 (44) 514-15-30 ( Средне )
Схема проезда
г. Гродно ул. Карского, 35 +375 (44) 770-70-21 ( Средне )
Схема проезда
г. Кобрин ул. Пролетарская, 177А +375 (44) 588-10-80 ( Средне )
Схема проезда
г. Кричев ул. Комсомольская, 126 +375 (29) 628-88-42 ( Средне )
Схема проезда
г. Осиповичи ул. Короткая, 11 +375 (29) 165-60-07 ( Средне )
Схема проезда
г. Пинск ул. Калиновского 32 +375 (44) 560-99-59 ( Мало )
Схема проезда
г. Полоцк-2 ул. Шенягина, 52 +375 (29) 302-94-73 ( Средне )
Схема проезда
г. Слуцк ул. Тутаринова, 8 +375 (29) 346-06-90 ( Мало )
Схема проезда
г. Сморгонь ул. Железнодорожная, 32 +375 (29) 671-02-10 ( Мало )
Схема проезда
Датчик ДМРВ 351 (20.3855-10) АВТОТРЕЙД ДМРВ 351
Датчик ДМРВ 351 (20.3855-10) АВТОТРЕЙД
Каталожный номер ДМРВ 351
Производитель АвтоТрейд АвтоТрейд
Код 00-ГР036081
Доставка по всей Беларуси
Доступность остатки на филиалах Остатки на филиалах
Остаток: г.Минск, ул.Селицкого 21к В наличии
Склад Адрес Контакт Остатки
г. Минск ул. Селицкого, 21к +375 (44) 770-80-78 ( Средне )
Схема проезда
г. Новогрудок ул. Индустриальная, 3 +375 (44) 729-39-19 ( Мало )
Схема проезда
г. Ошмяны ул. Льнозоводская 3 +375 (44) 770-80-91 ( Мало )
Схема проезда
Датчик давления масла 6002.3829
Датчик давления масла
Каталожный номер 6002.3829
Производитель RSTA RSTA
Код 36479
Доставка по всей Беларуси
Доступность остатки на филиалах Остатки на филиалах
Остаток В наличии
Склад Адрес Контакт Остатки
г. Ивацевичи ул. Загородная, 6А +375 (29) 188-59-01 ( Мало )
Схема проезда
Вал гибкий ГВ 20 Д-01 ГАЗ-3307 ГВ 20 Д-01
Вал гибкий ГВ 20 Д-01 ГАЗ-3307
Каталожный номер ГВ 20 Д-01
Производитель Автотрос Автотрос
Код 10832
Доставка по всей Беларуси
Доступность остатки на филиалах Остатки на филиалах
Остаток: г.Минск, ул.Селицкого 21к В наличии
Склад Адрес Контакт Остатки
г. Минск ул. Селицкого, 21к +375 (44) 770-80-78 ( Средне )
Схема проезда
г. Барановичи ул. Бадака, 27Б +375 (29) 350-33-47 ( Мало )
Схема проезда
г. Березино ул. Комсомольская, д. 24 +375 (44) 770-80-17 ( Средне )
Схема проезда
г. Берёза ул. Красноармейская, 89/11 +375 (29) 676-70-71 ( Мало )
Схема проезда
г. Бобруйск ул. Орловского, 22к3 +375 (29) 345-37-07 ( Мало )
Схема проезда
г. Борисов ул. Демина, 2а +375 (44) 560-99-75 ( Мало )
Схема проезда
г. Витебск ул. Правды, 33 +375 (44) 770-80-87 ( Мало )
Схема проезда
г. Глубокое ул. Энгельса, 22 +375 (44) 505-71-40 ( Средне )
Схема проезда
г. Гомель ул. Барыкина, 291Б +375 (44) 514-15-30 ( Мало )
Схема проезда
г. Горки ул.Мира, д.51а/1 +375 (44) 565-33-61 ( Мало )
Схема проезда
г. Дрогичин ул. Юбилейная, 42 +375 (29) 682-17-13 ( Мало )
Схема проезда
г. Дятлово ул. Советская ,104 +375 (29) 187-87-37 ( Средне )
Схема проезда
г. Ивацевичи ул. Загородная, 6А +375 (29) 188-59-01 ( Средне )
Схема проезда
г. Кобрин ул. Пролетарская, 177А +375 (44) 588-10-80 ( Средне )
Схема проезда
г. Кричев ул. Комсомольская, 126 +375 (29) 628-88-42 ( Мало )
Схема проезда
г. Лельчицы ул. Советская, д.96/1 +375 (29) 346-98-96 ( Средне )
Схема проезда
г. Молодечно ул. Галицкого, 14 +375 (44) 567-28-47 ( Мало )
Схема проезда
г. Несвиж ул. Кутузова, 2 +375 (29) 394-82-48 ( Мало )
Схема проезда
г. Новогрудок ул. Индустриальная, 3 +375 (44) 729-39-19 ( Мало )
Схема проезда
г. Осиповичи ул. Короткая, 11 +375 (29) 165-60-07 ( Средне )
Схема проезда
г. Ошмяны ул. Льнозоводская 3 +375 (44) 770-80-91 ( Мало )
Схема проезда
г. Полоцк-2 ул. Шенягина, 52 +375 (29) 302-94-73 ( Мало )
Схема проезда
г. Полоцк-2 ул. Шенягина, 52 +375 (29) 302-94-73 ( Мало )
Схема проезда
г. Поставы ул. Советская, 69 +375 (44) 770-80-13 ( Мало )
Схема проезда
г. Пружаны ул. Макаренко, 21 +375 (29) 348-83-18 ( Мало )
Схема проезда
г. Слуцк ул. Тутаринова, 8 +375 (29) 346-06-90 ( Мало )
Схема проезда
г. Сморгонь ул. Железнодорожная, 32 +375 (29) 671-02-10 ( Мало )
Схема проезда
г. Солигорск Чижевичский сельсовет, 3Г +375 (29) 899-58-52 ( Средне )
Схема проезда
г. Щучин ул. Советская, 39 +375 (29) 177-29-70 ( Средне )
Схема проезда
Указатель УК-145 А температуры воды Г-53 АВТОПРИБОР УК-145
Указатель УК-145 А температуры воды Г-53 АВТОПРИБОР
Каталожный номер УК-145
Производитель Автоприбор Автоприбор
Код 00-ГР021410
Доставка по всей Беларуси
Доступность остатки на филиалах Остатки на филиалах
Остаток: г.Минск, ул.Селицкого 21к В наличии
Склад Адрес Контакт Остатки
г. Минск ул. Селицкого, 21к +375 (44) 770-80-78 ( Мало )
Схема проезда
г. Бобруйск ул. Орловского, 22к3 +375 (29) 345-37-07 ( Мало )
Схема проезда
г. Витебск ул. Правды, 33 +375 (44) 770-80-87 ( Мало )
Схема проезда
г. Глубокое ул. Энгельса, 22 +375 (44) 505-71-40 ( Мало )
Схема проезда
г. Гродно ул. Карского, 35 +375 (44) 770-70-21 ( Мало )
Схема проезда
г. Дрогичин ул. Юбилейная, 42 +375 (29) 682-17-13 ( Мало )
Схема проезда
г. Дятлово ул. Советская ,104 +375 (29) 187-87-37 ( Средне )
Схема проезда
г. Житковичи ул. Комсомольская, 49 +375 (29) 394-82-52 ( Мало )
Схема проезда
г. Кричев ул. Комсомольская, 126 +375 (29) 628-88-42 ( Мало )
Схема проезда
г. Петриков ул. Первомайская, 124 +375 (33) 660-06-75 ( Мало )
Схема проезда
г. Пинск ул. Калиновского 32 +375 (44) 560-99-59 ( Мало )
Схема проезда
г. Полоцк-2 ул. Шенягина, 52 +375 (29) 302-94-73 ( Мало )
Схема проезда
г. Столин ул. Быковского, 29 +375 (33) 304-54-36 ( Мало )
Схема проезда