Республика Беларусь,
г. Минск, ул. Селицкого 21к - центральный склад
Пн-пт с 8:00 до 17:00
Меню
4301-8401450 Брызговик облицовки боковой правый
Наименование: Брызговик 4301-8401450 облицовки боковой правый
Каталожный номер: 4301-8401450
Производитель: RSTA
Код товара: 15601
Доставка: по всей Беларуси
Остаток: под заказ

Нашли не точность в описании товара? сообщить администратору.

+375 (44) 770-80-78 +375 (29) 747-80-78
* Выставить счет, получить техническую информацию и стоимость
Заказать деталь Онлайн
Описание
Наличие на филиалах
Применяемость
Заменить на СТО

Код для заказа: 15601

Марка Модель Кат.номер Наим. по каталогу Чертеж
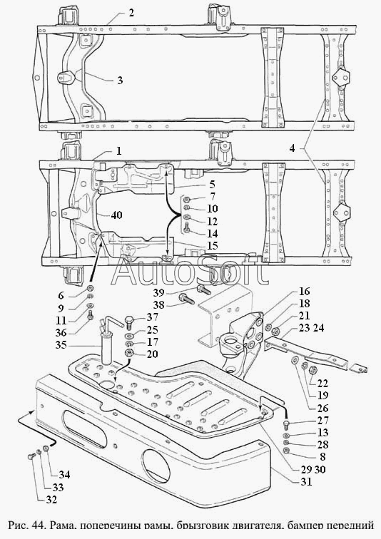
ГАЗ ГАЗ-3306 (1994) 4301-8401450 Брызговик облицовки боковой правый в сборе Рама, брызговики, бампер передний, устройство буксирное переднее, крюк буксирный Чертеж Рама, брызговики, бампер передний, устройство буксирное переднее, крюк буксирный
ГАЗ ГАЗ-3307 (2000) 4301-8401450 Брызговик облицовки боковой правый в сборе Рама в сборе, брызговик, бампер передний, прибор буксирный и устройство буксирное переднее Чертеж Рама в сборе, брызговик, бампер передний, прибор буксирный и устройство буксирное переднее
ГАЗ ГАЗ-3309 4301-8401450 Брызговик облицовки боковой правый в сборе Рама, брызговики, бампер передний, крюк буксирный Чертеж Рама, брызговики, бампер передний, крюк буксирный
ГАЗ ГАЗ-4301 4301-8401450 Брызговик облицовки боковой правый в сборе Рама, брызговики, бампер передний, устройство буксирное переднее Чертеж Рама, брызговики, бампер передний, устройство буксирное переднее
ГАЗ ГАЗ-3308 (2000) 4301-8401450 Брызговик облицовки боковой правый в сборе Рама, поперечины рамы, брызговик двигателя, бампер передний Чертеж Рама, поперечины рамы, брызговик двигателя, бампер передний
ГАЗ ГАЗ-3309 (Евро 2) (2008) 4301-8401450 Брызговик облицовки боковой правый в сборе Установка переднего бампера Чертеж Установка переднего бампера
ГАЗ ГАЗ-3308 (2002) 4301-8401450 Брызговик облицовки боковой правый в сборе Рама, поперечина, брызговик двигателя, бампер передний Чертеж Рама, поперечина, брызговик двигателя, бампер передний
Товары из этой категории
Крыло переднее правое 3309-8403012-20
Крыло переднее правое
Каталожный номер 3309-8403012-20
Производитель ГАЗ ГАЗ
Код 43769
Доставка по всей Беларуси
Доступность остатки на филиалах Остатки на филиалах
Остаток: г.Минск, ул.Селицкого 21к В наличии
Склад Адрес Контакт Остатки
г. Минск ул. Селицкого, 21к +375 (44) 770-80-78 ( Средне )
Схема проезда
г. Несвиж ул. Кутузова, 2 +375 (29) 394-82-48 ( Мало )
Схема проезда
г. Полоцк-2 ул. Шенягина, 52 +375 (29) 302-94-73 ( Мало )
Схема проезда
Крыло переднее левое 3309-8403013-20
Крыло переднее левое
Каталожный номер 3309-8403013-20
Производитель ГАЗ ГАЗ
Код 43768
Доставка по всей Беларуси
Доступность остатки на филиалах Остатки на филиалах
Остаток: г.Минск, ул.Селицкого 21к В наличии
Склад Адрес Контакт Остатки
г. Минск ул. Селицкого, 21к +375 (44) 770-80-78 ( Средне )
Схема проезда
г. Несвиж ул. Кутузова, 2 +375 (29) 394-82-48 ( Мало )
Схема проезда
г. Полоцк-2 ул. Шенягина, 52 +375 (29) 302-94-73 ( Мало )
Схема проезда
Подкрылки ГАЗ 3302 задние К-470 бортовая К-470
Подкрылки ГАЗ 3302 задние К-470 бортовая
Каталожный номер К-470
Производитель RSTA RSTA
Код 36048
Доставка по всей Беларуси
Доступность остатки на филиалах Остатки на филиалах
Остаток: г.Минск, ул.Селицкого 21к В наличии
Склад Адрес Контакт Остатки
г. Минск ул. Селицкого, 21к +375 (44) 770-80-78 ( Средне )
Схема проезда
Панель боковины капота правая 3307-8402308
Панель боковины капота правая
Каталожный номер 3307-8402308
Производитель ГАЗ ГАЗ
Код 13855
Доставка по всей Беларуси
Доступность остатки на филиалах Остатки на филиалах
Остаток Под заказ
Подножка левая 4301-8405013
Подножка левая
Каталожный номер 4301-8405013
Производитель ГАЗ ГАЗ
Код 16066
Доставка по всей Беларуси
Доступность остатки на филиалах Остатки на филиалах
Остаток: г.Минск, ул.Селицкого 21к В наличии
Склад Адрес Контакт Остатки
г. Минск ул. Селицкого, 21к +375 (44) 770-80-78 ( Мало )
Схема проезда
г. Полоцк-2 ул. Шенягина, 52 +375 (29) 302-94-73 ( Мало )
Схема проезда