Республика Беларусь,
г. Минск, ул. Селицкого 21к - центральный склад
Пн-пт с 8:00 до 17:00
Меню
ТО-28А.02.17.002 Болт
Наименование: Болт ТО-28А.02.17.002
Каталожный номер: ТО-28А.02.17.002
Производитель: Амкодор
Код товара: 00-ГР037370
Доставка: по всей Беларуси
Остаток: под заказ

Нашли не точность в описании товара? сообщить администратору.

+375 (44) 770-80-78 +375 (29) 747-80-78
* Выставить счет, получить техническую информацию и стоимость
Заказать деталь Онлайн
Описание
Наличие на филиалах
Применяемость
Заменить на СТО

Болт ТО-28А.02.17.002 производства Амкодор (Амкодор), Код для заказа: 00-ГР037370

Марка Модель Кат.номер Наим. по каталогу Чертеж
Амкодор Амкодор-333В (ТО-18Б3) ТО-28А.04.00.002 Шайба Установка карданных валов Чертеж Установка карданных валов
Амкодор Амкодор-333В (ТО-18Б3) ТО-28А.02.04.002 Прокладка Редуктор отбора мощности Чертеж Редуктор отбора мощности
Амкодор Амкодор-333В (ТО-18Б3) ТО-28А.05.00.002 Скоба Установка мостов и колес Чертеж Установка мостов и колес
Амкодор Амкодор-333В (ТО-18Б3) ТО-28А.05.00.002 Скоба Установка мостов и колес Чертеж Установка мостов и колес
Амкодор Амкодор-333В (ТО-18Б3) ТО-28А.08.05.002 Гайка Цилиндр рулевой Чертеж Цилиндр рулевой
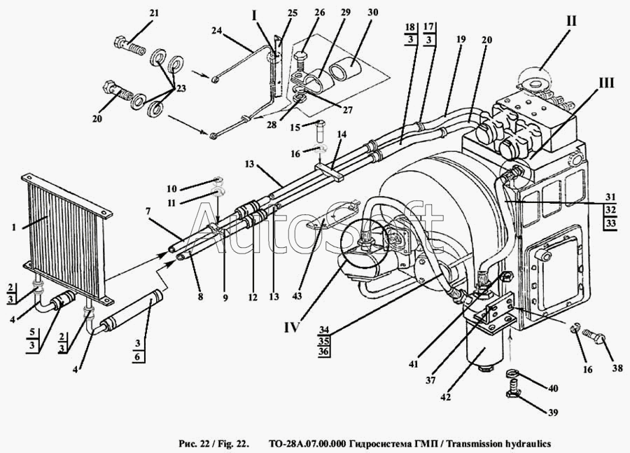
Амкодор Амкодор-333В (ТО-18Б3) ТО-28А.07.00.002 Труба Гидросистема ГМП Чертеж Гидросистема ГМП
Амкодор Амкодор-333В (ТО-18Б3) ТО-28А.18.00.002 Скоба Пневмосистема
Амкодор Амкодор-342А (ТО-28А) У22-237-50.002 Втулка Кабина Чертеж Кабина
Амкодор Амкодор-342А (ТО-28А) ТМ-3.20.05.002 Кронштейн Кабина Чертеж Кабина
Амкодор Амкодор-342А (ТО-28А) У22-237-50.002-01 Втулка Кабина Чертеж Кабина
Амкодор Амкодор-342А (ТО-28А) СИКМ.464328.002 Радиоприемник "Тонар-304А" Кабина Чертеж Кабина
Амкодор Амкодор-342А (ТО-28А) СИКМ.464328.002-02 Радиоприемник "Тонар-304А" Кабина Чертеж Кабина
Амкодор Амкодор-342А (ТО-28А) У7810.7-9.01.00.002-01 Стекло Кабина Чертеж Кабина
Амкодор Амкодор-342А (ТО-28А) ТО-18Б.85.00.002 Болт Установка кабины Чертеж Установка кабины
Амкодор Амкодор-342А (ТО-28А) У7810.7-9.02.00.002-01 Прокладка Подкабинник Чертеж Подкабинник
Амкодор Амкодор-342А (ТО-28А) УДГ-1.09.03.002 Заглушка Установка силовая Чертеж Установка силовая
Амкодор Амкодор-342А (ТО-28А) ТМ-59М.1030-002 Болт Установка силовая Чертеж Установка силовая
Амкодор Амкодор-342А (ТО-28А) ТО-18А.26.01.002 Прокладка Топливный бак Чертеж Топливный бак
Амкодор Амкодор-342А (ТО-28А) ТО-18Б.74.00.002 Планка Установка ГМП Чертеж Установка ГМП
Амкодор Амкодор-342А (ТО-28А) У35.605М-01.002-02 Направляющая Передача гидромеханическая Чертеж Передача гидромеханическая
Товары из этой категории
Хомут червячный 10-16-х ТРУД 10-16-х
Хомут червячный 10-16-х ТРУД
Каталожный номер 10-16-х
Производитель ТРУД ТРУД
Код 00-ГР008213
Доставка по всей Беларуси
Доступность остатки на филиалах Остатки на филиалах
Остаток В наличии
Склад Адрес Контакт Остатки
г. Несвиж ул. Кутузова, 2 +375 (29) 394-82-48 ( Много )
Схема проезда
Хомут червячный 20-32-х ПРОМ 20-32-х
Хомут червячный 20-32-х ПРОМ
Каталожный номер 20-32-х
Производитель ПРОМОПТКОМ ПРОМОПТКОМ
Код 00-ГР028192
Доставка по всей Беларуси
Доступность остатки на филиалах Остатки на филиалах
Остаток: г.Минск, ул.Селицкого 21к В наличии
Склад Адрес Контакт Остатки
г. Минск ул. Бабушкина, 37 +375 (29) 632-00-82 ( Много )
Схема проезда
г. Минск ул. Селицкого, 21к +375 (44) 770-80-78 ( Много )
Схема проезда
г. Барановичи ул. Пролетарская, 40 +375 (29) 795-96-37 ( Много )
Схема проезда
г. Березино ул. Комсомольская, д. 24 +375 (44) 770-80-17 ( Средне )
Схема проезда
г. Берёза ул. Красноармейская, 89/11 +375 (29) 676-70-71 ( Много )
Схема проезда
г. Бобруйск ул. Гоголя, 181/1-6 +375 (29) 630-05-01 ( Много )
Схема проезда
г. Бобруйск ул. Орловского, 22к3 +375 (29) 345-37-07 ( Много )
Схема проезда
г. Брест Тельминский с/с, 1Д/1, 1 км южнее д. Тельмы-2 +375 (44) 599-90-75 ( Много )
Схема проезда
г. Витебск ул. Правды, 33 +375 (44) 770-80-87 ( Много )
Схема проезда
г. Витебск ул. Петруся Бровки, 34 +375 (29) 636-25-08 ( Много )
Схема проезда
г. Глубокое ул. Энгельса, 22 +375 (44) 505-71-40 ( Много )
Схема проезда
г. Гомель ул. Барыкина, 291Б +375 (44) 514-15-30 ( Много )
Схема проезда
г. Гомель ул. Барыкина, 291Б +375 (44) 514-15-30 ( Много )
Схема проезда
г. Горки ул.Мира, д.51а/1 +375 (44) 565-33-61 ( Много )
Схема проезда
г. Гродно ул. Карского, 35 +375 (44) 770-70-21 ( Много )
Схема проезда
г. Дрогичин ул. Юбилейная, 42 +375 (29) 682-17-13 ( Много )
Схема проезда
г. Дятлово ул. Советская ,104 +375 (29) 187-87-37 ( Много )
Схема проезда
г. Житковичи ул. Комсомольская, 49 +375 (29) 394-82-52 ( Много )
Схема проезда
г. Жлобин ул. Козлова, 25 +375 (29) 346-06-78 ( Много )
Схема проезда
г. Ивацевичи ул. Загородная, 6А +375 (29) 188-59-01 ( Много )
Схема проезда
г. Кобрин ул. Пролетарская, 177А +375 (44) 588-10-80 ( Много )
Схема проезда
г. Кричев ул. Комсомольская, 126 +375 (29) 628-88-42 ( Много )
Схема проезда
г. Лельчицы ул. Советская, д.96/1 +375 (29) 346-98-96 ( Много )
Схема проезда
г. Лепель ул. Лобанка, 43 +375 (44) 778-65-21 ( Много )
Схема проезда
г. Лунинец ул.Красная, 175а +375 (44) 721-46-74 ( Много )
Схема проезда
г. Могилев ул. Габровская 11Б +375 (29) 662-02-16 ( Много )
Схема проезда
г. Мозырь промузел Козенки +375 (44) 731-94-60 ( Много )
Схема проезда
г. Молодечно ул. Галицкого, 14 +375 (44) 567-28-47 ( Много )
Схема проезда
г. Несвиж ул. Кутузова, 2 +375 (29) 394-82-48 ( Много )
Схема проезда
г. Новогрудок ул. Индустриальная, 3 +375 (44) 729-39-19 ( Много )
Схема проезда
г. Орша ул. Сергея Кирова, д. 34 +375 (44) 583-91-42 ( Много )
Схема проезда
г. Осиповичи ул. Короткая, 11 +375 (29) 165-60-07 ( Много )
Схема проезда
г. Ошмяны ул. Льнозоводская 3 +375 (44) 770-80-91 ( Много )
Схема проезда
г. Петриков ул. Первомайская, 124 +375 (33) 660-06-75 ( Много )
Схема проезда
г. Пинск ул. Калиновского 32 +375 (44) 560-99-59 ( Много )
Схема проезда
г. Полоцк-2 ул. Шенягина, 52 +375 (29) 302-94-73 ( Много )
Схема проезда
г. Полоцк-2 ул. Шенягина, 52 +375 (29) 302-94-73 ( Много )
Схема проезда
г. Полоцк-2 ул. Шенягина, 52 +375 (29) 302-94-73 ( Много )
Схема проезда
г. Поставы ул. Советская, 69 +375 (44) 770-80-13 ( Много )
Схема проезда
г. Пружаны ул. Макаренко, 21 +375 (29) 348-83-18 ( Много )
Схема проезда
г. Слоним ул. Советская, 93а +375 (29) 394-82-01 ( Много )
Схема проезда
г. Слуцк ул. Тутаринова, 8 +375 (29) 346-06-90 ( Много )
Схема проезда
г. Солигорск Чижевичский сельсовет, 3Г +375 (29) 899-58-52 ( Много )
Схема проезда
г. Столин ул. Быковского, 29 +375 (33) 304-54-36 ( Много )
Схема проезда
г. Щучин ул. Советская, 39 +375 (29) 177-29-70 ( Много )
Схема проезда
Хомут червячный 25-40-х ТРУД 25-40-х
Хомут червячный 25-40-х ТРУД
Каталожный номер 25-40-х
Производитель ТРУД ТРУД
Код 00-ГР008215
Доставка по всей Беларуси
Доступность остатки на филиалах Остатки на филиалах
Остаток В наличии
Склад Адрес Контакт Остатки
г. Житковичи ул. Комсомольская, 49 +375 (29) 394-82-52 ( Много )
Схема проезда
г. Несвиж ул. Кутузова, 2 +375 (29) 394-82-48 ( Средне )
Схема проезда
г. Петриков ул. Первомайская, 124 +375 (33) 660-06-75 ( Средне )
Схема проезда
г. Сморгонь ул. Железнодорожная, 32 +375 (29) 671-02-10 ( Средне )
Схема проезда
Хомут 12-20 AM-35-004
Хомут 12-20
Каталожный номер AM-35-004
Производитель Автомагнат Автомагнат
Код 8191
Доставка по всей Беларуси
Доступность остатки на филиалах Остатки на филиалах
Остаток: г.Минск, ул.Селицкого 21к В наличии
Склад Адрес Контакт Остатки
г. Минск ул. Селицкого, 21к +375 (44) 770-80-78 ( Много )
Схема проезда
г. Березино ул. Комсомольская, д. 24 +375 (44) 770-80-17 ( Много )
Схема проезда
г. Глубокое ул. Энгельса, 22 +375 (44) 505-71-40 ( Много )
Схема проезда
г. Гомель ул. Барыкина, 291Б +375 (44) 514-15-30 ( Много )
Схема проезда
г. Дятлово ул. Советская ,104 +375 (29) 187-87-37 ( Много )
Схема проезда
г. Осиповичи ул. Короткая, 11 +375 (29) 165-60-07 ( Много )
Схема проезда
г. Слуцк ул. Тутаринова, 8 +375 (29) 346-06-90 ( Много )
Схема проезда
г. Солигорск Чижевичский сельсовет, 3Г +375 (29) 899-58-52 ( Много )
Схема проезда
Хомут 40-60 AM-35-010
Хомут 40-60
Каталожный номер AM-35-010
Производитель Автомагнат Автомагнат
Код 8242
Доставка по всей Беларуси
Доступность остатки на филиалах Остатки на филиалах
Остаток В наличии
Склад Адрес Контакт Остатки
г. Минск ул. Бабушкина, 37 +375 (29) 632-00-82 ( Много )
Схема проезда
г. Березино ул. Комсомольская, д. 24 +375 (44) 770-80-17 ( Много )
Схема проезда
г. Борисов ул. Демина, 2а +375 (44) 560-99-75 ( Много )
Схема проезда
г. Брест Тельминский с/с, 1Д/1, 1 км южнее д. Тельмы-2 +375 (44) 599-90-75 ( Много )
Схема проезда
г. Дятлово ул. Советская ,104 +375 (29) 187-87-37 ( Много )
Схема проезда
г. Кобрин ул. Пролетарская, 177А +375 (44) 588-10-80 ( Много )
Схема проезда
г. Лельчицы ул. Советская, д.96/1 +375 (29) 346-98-96 ( Много )
Схема проезда
г. Ошмяны ул. Льнозоводская 3 +375 (44) 770-80-91 ( Много )
Схема проезда
г. Слуцк ул. Тутаринова, 8 +375 (29) 346-06-90 ( Мало )
Схема проезда
г. Столин ул. Быковского, 29 +375 (33) 304-54-36 ( Много )
Схема проезда