Республика Беларусь,
г. Минск, ул. Селицкого 21к - центральный склад
Пн-пт с 8:00 до 17:00
Меню
М12х30 Болт
Наименование: Болт М12х30
Каталожный номер: М12х30
Производитель: RSTA
Код товара: 00-ГР041718
Доставка: по всей Беларуси
Остаток: под заказ
Цена:

Нашли не точность в описании товара? сообщить администратору.

+375 (44) 770-80-78 +375 (29) 747-80-78
* Выставить счет, получить техническую информацию и стоимость
Заказать деталь Онлайн
Описание
Наличие на филиалах
Применяемость
Заменить на СТО

Болт М12х30 производства RSTA (РФ), Код для заказа: 00-ГР041718

Марка Модель Кат.номер Наим. по каталогу Чертеж
ГАЗ ГАЗ-66 (Каталог 1983 г.) (1983) 206576-П8 Болт М12х30 крепления накладки поворотного кулака Поворотные кулаки
УАЗ УАЗ-3741 205455-П2 Болт М12х30 переднего крепления платформы Платформа в сборе, борт платформы боковой
УАЗ УАЗ-3741 201540-П29 Болт М12х30 Крепление рулевого управления, тяги рулевые Чертеж Крепление рулевого управления, тяги рулевые
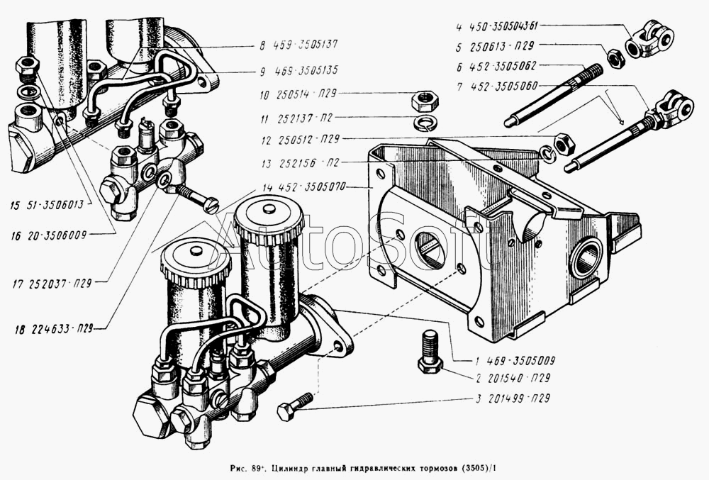
УАЗ УАЗ-3741 201540-П29 Болт М12х30 Цилиндр главный гидравлических тормозов Чертеж Цилиндр главный гидравлических тормозов
УАЗ УАЗ-3962 205455-П2 Болт М12х30 переднего крепления платформы Платформа в сборе, борт платформы боковой Чертеж Платформа в сборе, борт платформы боковой
УАЗ УАЗ-3962 201540-П29 Болт М12х30 Крепление рулевого управления, тяги рулевые
УАЗ УАЗ-3962 201540-П29 Болт М12х30 Цилиндр главный гидравлических тормозов
УАЗ УАЗ-2206 205455-П2 Болт М12х30 переднего крепления платформы Платформа в сборе, борт платформы боковой Чертеж Платформа в сборе, борт платформы боковой
УАЗ УАЗ-2206 201540-П29 Болт М12х30 Крепление рулевого управления, тяги рулевые Чертеж Крепление рулевого управления, тяги рулевые
УАЗ УАЗ-2206 201540-П29 Болт М12х30 Цилиндр главный гидравлических тормозов
УАЗ УАЗ-3303 205455-П2 Болт М12х30 переднего крепления платформы Платформа в сборе, борт платформы боковой Чертеж Платформа в сборе, борт платформы боковой
УАЗ УАЗ-3303 201540-П29 Болт М12х30 Крепление рулевого управления, тяги рулевые Чертеж Крепление рулевого управления, тяги рулевые
УАЗ УАЗ-3303 201540-П29 Болт М12х30 Цилиндр главный гидравлических тормозов Чертеж Цилиндр главный гидравлических тормозов
Ikarus 260.50 МSZ 2461-6.8 Болт с шестигранной головкой М12х30 Топливный бак и топливопроводы Чертеж Топливный бак и топливопроводы
Ikarus 260.50 МSZ 2461-6.8 Болт с шестигранной головкой М12х30 Топливный бак и топливопроводы Чертеж Топливный бак и топливопроводы
Ikarus 260.50 МSZ 2461-6.8 Болт с шестигранной головкой М12х30 Привод сцепления Чертеж Привод сцепления
Ikarus 260.50 МSZ 2463-10.9-В (302388) Болт с шестигранной головкой М12х30 Редуктор
Ikarus 260.50 МSZ 2467-6.8 Болт М12х30 Подвеска
Ikarus 260.50 МSZ 2461-6.8 Болт с шестигранной головкой М12х30 Подвеска
Ikarus 260.50 МSZ 2461-6.8 Болт с шестигранной головкой М12х30 Снабжение вспомогательным воздухом Чертеж Снабжение вспомогательным воздухом
Товары из этой категории
Ремень (С) 1650х25х21х14
Ремень (С)
Каталожный номер 1650х25х21х14
Производитель SUNWAY SUNWAY
Код 13107
Доставка по всей Беларуси
Доступность остатки на филиалах Остатки на филиалах
Остаток: г.Минск, ул.Селицкого 21к В наличии
Склад Адрес Контакт Остатки
г. Минск ул. Селицкого, 21к +375 (44) 770-80-78 ( Средне )
Схема проезда
г. Березино ул. Комсомольская, д. 24 +375 (44) 770-80-17 ( Средне )
Схема проезда
г. Бобруйск ул. Гоголя, 181/1-6 +375 (29) 630-05-01 ( Мало )
Схема проезда
г. Бобруйск ул. Орловского, 22к3 +375 (29) 345-37-07 ( Средне )
Схема проезда
г. Борисов ул. Демина, 2а +375 (44) 560-99-75 ( Средне )
Схема проезда
г. Витебск ул. Правды, 33 +375 (44) 770-80-87 ( Средне )
Схема проезда
г. Витебск ул. Петруся Бровки, 34 +375 (29) 636-25-08 ( Средне )
Схема проезда
г. Глубокое ул. Энгельса, 22 +375 (44) 505-71-40 ( Много )
Схема проезда
г. Гомель ул. Барыкина, 291Б +375 (44) 514-15-30 ( Средне )
Схема проезда
г. Дятлово ул. Советская ,104 +375 (29) 187-87-37 ( Средне )
Схема проезда
г. Лельчицы ул. Советская, д.96/1 +375 (29) 346-98-96 ( Средне )
Схема проезда
г. Лепель ул. Лобанка, 43 +375 (44) 778-65-21 ( Средне )
Схема проезда
г. Молодечно ул. Галицкого, 14 +375 (44) 567-28-47 ( Много )
Схема проезда
г. Несвиж ул. Кутузова, 2 +375 (29) 394-82-48 ( Средне )
Схема проезда
г. Новогрудок ул. Индустриальная, 3 +375 (44) 729-39-19 ( Средне )
Схема проезда
г. Осиповичи ул. Короткая, 11 +375 (29) 165-60-07 ( Средне )
Схема проезда
г. Ошмяны ул. Льнозоводская 3 +375 (44) 770-80-91 ( Средне )
Схема проезда
г. Петриков ул. Первомайская, 124 +375 (33) 660-06-75 ( Средне )
Схема проезда
г. Полоцк-2 ул. Шенягина, 52 +375 (29) 302-94-73 ( Мало )
Схема проезда
г. Полоцк-2 ул. Шенягина, 52 +375 (29) 302-94-73 ( Мало )
Схема проезда
г. Поставы ул. Советская, 69 +375 (44) 770-80-13 ( Средне )
Схема проезда
г. Слоним ул. Советская, 93а +375 (29) 394-82-01 ( Средне )
Схема проезда
г. Щучин ул. Советская, 39 +375 (29) 177-29-70 ( Средне )
Схема проезда
Шпилька задняя правая 120-3104050
Шпилька задняя правая
Каталожный номер 120-3104050
Производитель RSTA RSTA
Код 10314
Доставка по всей Беларуси
Доступность остатки на филиалах Остатки на филиалах
Остаток В наличии
Склад Адрес Контакт Остатки
г. Бобруйск ул. Орловского, 22к3 +375 (29) 345-37-07 ( Много )
Схема проезда
г. Борисов ул. Демина, 2а +375 (44) 560-99-75 ( Много )
Схема проезда
г. Глубокое ул. Энгельса, 22 +375 (44) 505-71-40 ( Много )
Схема проезда
г. Горки ул.Мира, д.51а/1 +375 (44) 565-33-61 ( Средне )
Схема проезда
г. Гродно ул. Карского, 35 +375 (44) 770-70-21 ( Много )
Схема проезда
г. Дятлово ул. Советская ,104 +375 (29) 187-87-37 ( Много )
Схема проезда
г. Житковичи ул. Комсомольская, 49 +375 (29) 394-82-52 ( Средне )
Схема проезда
г. Жлобин ул. Козлова, 25 +375 (29) 346-06-78 ( Много )
Схема проезда
г. Кобрин ул. Пролетарская, 177А +375 (44) 588-10-80 ( Много )
Схема проезда
г. Кричев ул. Комсомольская, 126 +375 (29) 628-88-42 ( Много )
Схема проезда
г. Лепель ул. Лобанка, 43 +375 (44) 778-65-21 ( Много )
Схема проезда
г. Новогрудок ул. Индустриальная, 3 +375 (44) 729-39-19 ( Много )
Схема проезда
г. Орша ул. Сергея Кирова, д. 34 +375 (44) 583-91-42 ( Много )
Схема проезда
г. Осиповичи ул. Короткая, 11 +375 (29) 165-60-07 ( Средне )
Схема проезда
г. Ошмяны ул. Льнозоводская 3 +375 (44) 770-80-91 ( Много )
Схема проезда
г. Поставы ул. Советская, 69 +375 (44) 770-80-13 ( Много )
Схема проезда
г. Сморгонь ул. Железнодорожная, 32 +375 (29) 671-02-10 ( Много )
Схема проезда
г. Щучин ул. Советская, 39 +375 (29) 177-29-70 ( Много )
Схема проезда
Подшипник 664613-Е (4421-1701161) 664613-Е
Подшипник 664613-Е (4421-1701161)
Каталожный номер 664613-Е
Производитель RCZP LTD RCZP LTD
Код 29852
Доставка по всей Беларуси
Доступность остатки на филиалах Остатки на филиалах
Остаток: г.Минск, ул.Селицкого 21к В наличии
Склад Адрес Контакт Остатки
г. Минск ул. Селицкого, 21к +375 (44) 770-80-78 ( Средне )
Схема проезда
Манжета заднего моста ЗИЛ (62х93х16) 486460
Манжета заднего моста ЗИЛ (62х93х16)
Каталожный номер 486460
Производитель БРТ БРТ
Код 13335
Доставка по всей Беларуси
Доступность остатки на филиалах Остатки на филиалах
Остаток Под заказ
Глушитель 495850-1201010-02 495850-1201010-02
Глушитель 495850-1201010-02
Каталожный номер 495850-1201010-02
Производитель Автоглушитель Автоглушитель
Код 00-ГР026928
Доставка по всей Беларуси
Доступность остатки на филиалах Остатки на филиалах
Остаток: г.Минск, ул.Селицкого 21к В наличии
Склад Адрес Контакт Остатки
г. Минск ул. Селицкого, 21к +375 (44) 770-80-78 ( Мало )
Схема проезда
Стартер СТ 230 К4 ЗИЛ-130 СТ230К4-3708000
Стартер СТ 230 К4 ЗИЛ-130
Каталожный номер СТ230К4-3708000
Производитель БАТЭ БАТЭ
Код 13973
Доставка по всей Беларуси
Доступность остатки на филиалах Остатки на филиалах
Остаток: г.Минск, ул.Селицкого 21к В наличии
Склад Адрес Контакт Остатки
г. Минск ул. Селицкого, 21к +375 (44) 770-80-78 ( Средне )
Схема проезда
г. Бобруйск ул. Орловского, 22к3 +375 (29) 345-37-07 ( Мало )
Схема проезда
К-т прокладок компрессора ЗИЛ-130
К-т прокладок компрессора ЗИЛ-130
Каталожный номер
Производитель RSTA RSTA
Код 35994
Доставка по всей Беларуси
Доступность остатки на филиалах Остатки на филиалах
Остаток В наличии
Склад Адрес Контакт Остатки
г. Витебск ул. Петруся Бровки, 34 +375 (29) 636-25-08 ( Средне )
Схема проезда
г. Дрогичин ул. Юбилейная, 42 +375 (29) 682-17-13 ( Мало )
Схема проезда
Подшипник 7510 (32210)
Подшипник
Каталожный номер 7510 (32210)
Производитель RCZP LTD RCZP LTD
Код 15943
Доставка по всей Беларуси
Доступность остатки на филиалах Остатки на филиалах
Остаток: г.Минск, ул.Селицкого 21к В наличии
Склад Адрес Контакт Остатки
г. Минск ул. Селицкого, 21к +375 (44) 770-80-78 ( Много )
Схема проезда
г. Барановичи ул. Пролетарская, 40 +375 (29) 795-96-37 ( Мало )
Схема проезда
г. Березино ул. Комсомольская, д. 24 +375 (44) 770-80-17 ( Средне )
Схема проезда
г. Бобруйск ул. Гоголя, 181/1-6 +375 (29) 630-05-01 ( Средне )
Схема проезда
г. Бобруйск ул. Орловского, 22к3 +375 (29) 345-37-07 ( Средне )
Схема проезда
г. Борисов ул. Демина, 2а +375 (44) 560-99-75 ( Средне )
Схема проезда
г. Витебск ул. Правды, 33 +375 (44) 770-80-87 ( Средне )
Схема проезда
г. Глубокое ул. Энгельса, 22 +375 (44) 505-71-40 ( Средне )
Схема проезда
г. Гомель ул. Барыкина, 291Б +375 (44) 514-15-30 ( Средне )
Схема проезда
г. Гомель ул. Барыкина, 291Б +375 (44) 514-15-30 ( Средне )
Схема проезда
г. Горки ул.Мира, д.51а/1 +375 (44) 565-33-61 ( Средне )
Схема проезда
г. Гродно ул. Карского, 35 +375 (44) 770-70-21 ( Средне )
Схема проезда
г. Дрогичин ул. Юбилейная, 42 +375 (29) 682-17-13 ( Мало )
Схема проезда
г. Житковичи ул. Комсомольская, 49 +375 (29) 394-82-52 ( Средне )
Схема проезда
г. Жлобин ул. Козлова, 25 +375 (29) 346-06-78 ( Средне )
Схема проезда
г. Кобрин ул. Пролетарская, 177А +375 (44) 588-10-80 ( Средне )
Схема проезда
г. Кричев ул. Комсомольская, 126 +375 (29) 628-88-42 ( Мало )
Схема проезда
г. Лепель ул. Лобанка, 43 +375 (44) 778-65-21 ( Средне )
Схема проезда
г. Лунинец ул.Красная, 175а +375 (44) 721-46-74 ( Много )
Схема проезда
г. Мозырь промузел Козенки +375 (44) 731-94-60 ( Средне )
Схема проезда
г. Молодечно ул. Галицкого, 14 +375 (44) 567-28-47 ( Средне )
Схема проезда
г. Новогрудок ул. Индустриальная, 3 +375 (44) 729-39-19 ( Много )
Схема проезда
г. Орша ул. Сергея Кирова, д. 34 +375 (44) 583-91-42 ( Средне )
Схема проезда
г. Осиповичи ул. Короткая, 11 +375 (29) 165-60-07 ( Средне )
Схема проезда
г. Ошмяны ул. Льнозоводская 3 +375 (44) 770-80-91 ( Средне )
Схема проезда
г. Петриков ул. Первомайская, 124 +375 (33) 660-06-75 ( Много )
Схема проезда
г. Пинск ул. Калиновского 32 +375 (44) 560-99-59 ( Мало )
Схема проезда
г. Полоцк-2 ул. Шенягина, 52 +375 (29) 302-94-73 ( Средне )
Схема проезда
г. Полоцк-2 ул. Шенягина, 52 +375 (29) 302-94-73 ( Средне )
Схема проезда
г. Поставы ул. Советская, 69 +375 (44) 770-80-13 ( Средне )
Схема проезда
г. Пружаны ул. Макаренко, 21 +375 (29) 348-83-18 ( Средне )
Схема проезда
г. Слоним ул. Советская, 93а +375 (29) 394-82-01 ( Средне )
Схема проезда
г. Слуцк ул. Тутаринова, 8 +375 (29) 346-06-90 ( Средне )
Схема проезда
г. Сморгонь ул. Железнодорожная, 32 +375 (29) 671-02-10 ( Средне )
Схема проезда
г. Столин ул. Быковского, 29 +375 (33) 304-54-36 ( Средне )
Схема проезда
г. Щучин ул. Советская, 39 +375 (29) 177-29-70 ( Средне )
Схема проезда