Республика Беларусь,
г. Минск, ул. Селицкого 21к - центральный склад
Пн-пт с 8:00 до 17:00
Меню
371777 Болт М12х1,5-6gх30 МАЗ
Наименование: Болт М12х1,5-6gх30 371777 МАЗ
Каталожный номер: 371777
Производитель: МАЗ
Код товара: 00-ГР011849
Доставка: по всей Беларуси
Остаток: в наличии

Нашли не точность в описании товара? сообщить администратору.

+375 (44) 770-80-78 +375 (29) 747-80-78
* Выставить счет, получить техническую информацию и стоимость
Заказать деталь Онлайн
Описание
Наличие на филиалах
Применяемость
Заменить на СТО

Болт М12х1,5-6gх30 371777 МАЗ. Код товара для заказа: 00-ГР011849

Марка Модель Кат.номер Наим. по каталогу Чертеж
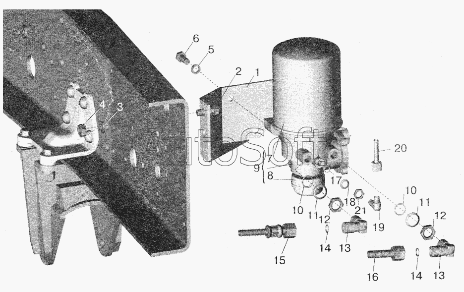
МАЗ МАЗ-437040 (Зубренок) (2002) 371777 Болт М12х1,5-6gх30 Установка осушителя воздуха и присоединительной арматуры Чертеж Установка осушителя воздуха и присоединительной арматуры
МАЗ МАЗ-643068 (2003) 371777 Болт М12х1,5-6gх30 Установка осушителя воздуха и присоединительной арматуры Чертеж Установка осушителя воздуха и присоединительной арматуры
МАЗ МАЗ-543202 (2003) 371777 Болт М12х1,5-6gх30 Установка осушителя воздуха и присоединительной арматуры МАЗ-642208, 642205
МАЗ МАЗ-543202 (2003) 371777 Болт М12х1,5-6gх30 Установка осушителя воздуха и присоединительной арматуры МАЗ-543208, 543205, 543203, 543202
МАЗ МАЗ-543202 (2003) 371777 Болт М12х1,5-6gх30 Установка осушителя воздуха и присоединительной арматуры МАЗ-555102
МАЗ МАЗ-543202 (2003) 371777 Болт М12х1,5-6gх30 Установка осушителя воздуха и присоединительной арматуры МАЗ-551605, 551603
МАЗ МАЗ-5336 (2005) 371777 Болт М12х1,5-6gх30 Установка осушителя воздуха и присоединительной арматуры на МАЗ-533608, МАЗ-533605, МАЗ-533603, МАЗ-533602, МАЗ-630308 Чертеж Установка осушителя воздуха и присоединительной арматуры на МАЗ-533608, МАЗ-533605, МАЗ-533603, МАЗ-533602, МАЗ-630308
МАЗ МАЗ-5336 (2005) 371777 Болт М12х1,5-6gх30 Установка осушителя воздуха и присоединительной арматуры на МАЗ-630305, МАЗ-630303
МАЗ МАЗ-5336 (2005) 371777 Болт М12х1,5-6gх30 Установка осушителя воздуха и присоединительной арматуры МАЗ-533702 Чертеж Установка осушителя воздуха и присоединительной арматуры МАЗ-533702
МАЗ МАЗ-6422 (2003) 371777 Болт М12х1,5-6gх30 Установка осушителя воздуха и присоединительной арматуры МАЗ-642208, 642205 Чертеж Установка осушителя воздуха и присоединительной арматуры МАЗ-642208, 642205
МАЗ МАЗ-6422 (2003) 371777 Болт М12х1,5-6gх30 Установка осушителя воздуха и присоединительной арматуры МАЗ-543208, 543205, 543203, 543202
МАЗ МАЗ-6422 (2003) 371777 Болт М12х1,5-6gх30 Установка осушителя воздуха и присоединительной арматуры МАЗ-555102
МАЗ МАЗ-6422 (2003) 371777 Болт М12х1,5-6gх30 Установка осушителя воздуха и присоединительной арматуры МАЗ-551605, 551603
МАЗ МАЗ-544069 371777 Болт М12х1,5-6gх30 Установка осушителя воздуха и присоединительной арматуры
МАЗ МАЗ-6303 (2005) (2005) 371777 Болт М12х1,5-6gх30 Установка осушителя воздуха и присоединительной арматуры на МАЗ-533608, МАЗ-533605, МАЗ-533603, МАЗ-533602, МАЗ-630308 Чертеж Установка осушителя воздуха и присоединительной арматуры на МАЗ-533608, МАЗ-533605, МАЗ-533603, МАЗ-533602, МАЗ-630308
МАЗ МАЗ-6303 (2005) (2005) 371777 Болт М12х1,5-6gх30 Установка осушителя воздуха и присоединительной арматуры
МАЗ МАЗ-6303 (2005) (2005) 371777 Болт М12х1,5-6gх30 Установка осушителя воздуха и присоединительной арматуры МАЗ-533702
МАЗ МАЗ-64226 (2000) 371777 Болт М12х1,5-6gх30 Крепление осушителя воздуха
МАЗ МАЗ-54326 (2000) 371777 Болт М12х1,5-6gх30 Крепление осушителя воздуха Чертеж Крепление осушителя воздуха
МАЗ МАЗ-5551 (2003) (2003) 371777 Болт М12х1,5-6gх30 Установка осушителя воздуха и присоединительной арматуры МАЗ-642208, 642205 Чертеж Установка осушителя воздуха и присоединительной арматуры МАЗ-642208, 642205
Склад Адрес Контакт Остатки
г. Минск ул. Селицкого, 21к +375 (44) 770-80-78 ( Много )
Схема проезда
г. Бобруйск ул. Орловского, 22к3 +375 (29) 345-37-07 ( Много )
Схема проезда
г. Брест Тельминский с/с, 1Д/1, 1 км южнее д. Тельмы-2 +375 (44) 599-90-75 ( Много )
Схема проезда
г. Новогрудок ул. Индустриальная, 3 +375 (44) 729-39-19 ( Много )
Схема проезда
г. Осиповичи ул. Короткая, 11 +375 (29) 165-60-07 ( Много )
Схема проезда
г. Ошмяны ул. Льнозоводская 3 +375 (44) 770-80-91 ( Много )
Схема проезда
г. Пинск ул. Калиновского 32 +375 (44) 560-99-59 ( Много )
Схема проезда
г. Полоцк-2 ул. Шенягина, 52 +375 (29) 302-94-73 ( Много )
Схема проезда
г. Сморгонь ул. Железнодорожная, 32 +375 (29) 671-02-10 ( Много )
Схема проезда
г. Щучин ул. Советская, 39 +375 (29) 177-29-70 ( Много )
Схема проезда
г. Барановичи ул. Бадака, 27Б +375 (29) 350-33-47 Под заказ
Схема проезда
г. Барановичи ул. Пролетарская, 40 +375 (29) 795-96-37 Под заказ
Схема проезда
г. Берёза ул. Красноармейская, 89/11 +375 (29) 676-70-71 Под заказ
Схема проезда
г. Березино ул. Комсомольская, д. 24 +375 (44) 770-80-17 Под заказ
Схема проезда
г. Бобруйск ул. Гоголя, 181/1-6 +375 (29) 630-05-01 Под заказ
Схема проезда
г. Борисов ул. Демина, 2а +375 (44) 560-99-75 Под заказ
Схема проезда
г. Витебск ул. Правды, 33 +375 (44) 770-80-87 Под заказ
Схема проезда
г. Витебск ул. Петруся Бровки, 34 +375 (29) 636-25-08 Под заказ
Схема проезда
г. Глубокое ул. Энгельса, 22 +375 (44) 505-71-40 Под заказ
Схема проезда
г. Гомель ул. Барыкина, 291Б +375 (44) 514-15-30 Под заказ
Схема проезда
г. Гомель ул. Текстильная, 10 +375 (44) 540-02-05 Под заказ
Схема проезда
г. Горки ул.Мира, д.51а/1 +375 (44) 565-33-61 Под заказ
Схема проезда
г. Гродно ул. Карского, 35 +375 (44) 770-70-21 Под заказ
Схема проезда
г. Дрогичин ул. Юбилейная, 42 +375 (29) 682-17-13 Под заказ
Схема проезда
г. Дятлово ул. Советская ,104 +375 (29) 187-87-37 Под заказ
Схема проезда
г. Житковичи ул. Комсомольская, 49 +375 (29) 394-82-52 Под заказ
Схема проезда
г. Жлобин ул. Козлова, 25 +375 (29) 346-06-78 Под заказ
Схема проезда
г. Ивацевичи ул. Загородная, 6А +375 (29) 188-59-01 Под заказ
Схема проезда
г. Кобрин ул. Пролетарская, 177А +375 (44) 588-10-80 Под заказ
Схема проезда
г. Кричев ул. Комсомольская, 126 +375 (29) 628-88-42 Под заказ
Схема проезда
г. Лельчицы ул. Советская, д.96/1 +375 (29) 346-98-96 Под заказ
Схема проезда
г. Лепель ул. Лобанка, 43 +375 (44) 778-65-21 Под заказ
Схема проезда
г. Лида ул. Качана, 7 +375 (29) 612-60-61 Под заказ
Схема проезда
г. Лунинец ул.Красная, 175а +375 (44) 721-46-74 Под заказ
Схема проезда
г. Минск ул. Бабушкина, 37 +375 (29) 632-00-82 Под заказ
Схема проезда
г. Могилев ул. Габровская 11Б +375 (29) 662-02-16 Под заказ
Схема проезда
г. Мозырь промузел Козенки +375 (44) 731-94-60 Под заказ
Схема проезда
г. Молодечно ул. Галицкого, 14 +375 (44) 567-28-47 Под заказ
Схема проезда
г. Несвиж ул. Кутузова, 2 +375 (29) 394-82-48 Под заказ
Схема проезда
г. Орша ул. Сергея Кирова, д. 34 +375 (44) 583-91-42 Под заказ
Схема проезда
г. Петриков ул. Первомайская, 124 +375 (33) 660-06-75 Под заказ
Схема проезда
г. Полоцк ул. Пролетарская, 6 +375 (29) 644-57-58 Под заказ
Схема проезда
г. Полоцк ул. Строительная, 30Б +375 (29) 302-97-91 Под заказ
Схема проезда
г. Поставы ул. Советская, 69 +375 (44) 770-80-13 Под заказ
Схема проезда
г. Пружаны ул. Макаренко, 21 +375 (29) 348-83-18 Под заказ
Схема проезда
г. Слоним ул. Советская, 93а +375 (29) 394-82-01 Под заказ
Схема проезда
г. Слуцк ул. Тутаринова, 8 +375 (29) 346-06-90 Под заказ
Схема проезда
г. Солигорск Чижевичский сельсовет, 3Г +375 (29) 899-58-52 Под заказ
Схема проезда
г. Столин ул. Быковского, 29 +375 (33) 304-54-36 Под заказ
Схема проезда
Аналоги
Болт М12х1.5х30  МАЗ ОАО 371777
Болт М12х1.5х30 МАЗ ОАО
Каталожный номер 371777
Производитель
Код 371777
Доставка по всей Беларуси
Остаток Под заказ
Товары из этой категории
Болт М20х1,5х85 372939 МАЗ 372939
Болт М20х1,5х85 372939 МАЗ
Каталожный номер 372939
Производитель МАЗ МАЗ
Код 6098
Доставка по всей Беларуси
Доступность остатки на филиалах Остатки на филиалах
Остаток В наличии
Склад Адрес Контакт Остатки
г. Мозырь промузел Козенки +375 (44) 731-94-60 ( Мало )
Схема проезда
Шайба М10 оц. ГОСТ 11371/ДИН125
Шайба М10 оц. ГОСТ 11371/ДИН125
Каталожный номер
Производитель РФ РФ
Код 9447
Доставка по всей Беларуси
Доступность остатки на филиалах Остатки на филиалах
Остаток В наличии
Склад Адрес Контакт Остатки
г. Витебск ул. Петруся Бровки, 34 +375 (29) 636-25-08 ( Много )
Схема проезда
Хомут 50-70 AM-35-011
Хомут 50-70
Каталожный номер AM-35-011
Производитель Автомагнат Автомагнат
Код 8243
Доставка по всей Беларуси
Доступность остатки на филиалах Остатки на филиалах
Остаток В наличии
Склад Адрес Контакт Остатки
г. Брест Тельминский с/с, 1Д/1, 1 км южнее д. Тельмы-2 +375 (44) 599-90-75 ( Много )
Схема проезда
г. Витебск ул. Петруся Бровки, 34 +375 (29) 636-25-08 ( Средне )
Схема проезда
г. Дятлово ул. Советская ,104 +375 (29) 187-87-37 ( Много )
Схема проезда
г. Житковичи ул. Комсомольская, 49 +375 (29) 394-82-52 ( Много )
Схема проезда
г. Лельчицы ул. Советская, д.96/1 +375 (29) 346-98-96 ( Много )
Схема проезда
г. Несвиж ул. Кутузова, 2 +375 (29) 394-82-48 ( Средне )
Схема проезда
г. Полоцк-2 ул. Шенягина, 52 +375 (29) 302-94-73 ( Много )
Схема проезда
г. Слоним ул. Советская, 93а +375 (29) 394-82-01 ( Много )
Схема проезда
г. Слуцк ул. Тутаринова, 8 +375 (29) 346-06-90 ( Много )
Схема проезда
Гайка М10х1,25-6Н 374377
Гайка М10х1,25-6Н
Каталожный номер 374377
Производитель МАЗ МАЗ
Код 4263
Доставка по всей Беларуси
Доступность остатки на филиалах Остатки на филиалах
Остаток В наличии
Склад Адрес Контакт Остатки
г. Минск ул. Бабушкина, 37 +375 (29) 632-00-82 ( Много )
Схема проезда
г. Барановичи ул. Пролетарская, 40 +375 (29) 795-96-37 ( Много )
Схема проезда
г. Бобруйск ул. Орловского, 22к3 +375 (29) 345-37-07 ( Много )
Схема проезда
г. Брест Тельминский с/с, 1Д/1, 1 км южнее д. Тельмы-2 +375 (44) 599-90-75 ( Много )
Схема проезда
г. Дрогичин ул. Юбилейная, 42 +375 (29) 682-17-13 ( Много )
Схема проезда
Гайка М16х1,5-5Н6Н 374727
Гайка М16х1,5-5Н6Н
Каталожный номер 374727
Производитель Контур Сервис Метиз Контур Сервис Метиз
Код 2272
Доставка по всей Беларуси
Доступность остатки на филиалах Остатки на филиалах
Остаток: г.Минск, ул.Селицкого 21к В наличии
Склад Адрес Контакт Остатки
г. Минск ул. Селицкого, 21к +375 (44) 770-80-78 ( Много )
Схема проезда
г. Барановичи ул. Пролетарская, 40 +375 (29) 795-96-37 ( Много )
Схема проезда
г. Барановичи ул. Бадака, 27Б +375 (29) 350-33-47 ( Много )
Схема проезда
г. Березино ул. Комсомольская, д. 24 +375 (44) 770-80-17 ( Много )
Схема проезда
г. Берёза ул. Красноармейская, 89/11 +375 (29) 676-70-71 ( Средне )
Схема проезда
г. Бобруйск ул. Гоголя, 181/1-6 +375 (29) 630-05-01 ( Много )
Схема проезда
г. Бобруйск ул. Орловского, 22к3 +375 (29) 345-37-07 ( Много )
Схема проезда
г. Борисов ул. Демина, 2а +375 (44) 560-99-75 ( Много )
Схема проезда
г. Брест Тельминский с/с, 1Д/1, 1 км южнее д. Тельмы-2 +375 (44) 599-90-75 ( Много )
Схема проезда
г. Витебск ул. Правды, 33 +375 (44) 770-80-87 ( Средне )
Схема проезда
г. Глубокое ул. Энгельса, 22 +375 (44) 505-71-40 ( Много )
Схема проезда
г. Гомель ул. Барыкина, 291Б +375 (44) 514-15-30 ( Средне )
Схема проезда
г. Горки ул.Мира, д.51а/1 +375 (44) 565-33-61 ( Много )
Схема проезда
г. Гродно ул. Карского, 35 +375 (44) 770-70-21 ( Много )
Схема проезда
г. Дятлово ул. Советская ,104 +375 (29) 187-87-37 ( Много )
Схема проезда
г. Житковичи ул. Комсомольская, 49 +375 (29) 394-82-52 ( Средне )
Схема проезда
г. Ивацевичи ул. Загородная, 6А +375 (29) 188-59-01 ( Много )
Схема проезда
г. Кобрин ул. Пролетарская, 177А +375 (44) 588-10-80 ( Много )
Схема проезда
г. Лельчицы ул. Советская, д.96/1 +375 (29) 346-98-96 ( Много )
Схема проезда
г. Лепель ул. Лобанка, 43 +375 (44) 778-65-21 ( Много )
Схема проезда
г. Лунинец ул.Красная, 175а +375 (44) 721-46-74 ( Много )
Схема проезда
г. Мозырь промузел Козенки +375 (44) 731-94-60 ( Много )
Схема проезда
г. Молодечно ул. Галицкого, 14 +375 (44) 567-28-47 ( Много )
Схема проезда
г. Несвиж ул. Кутузова, 2 +375 (29) 394-82-48 ( Много )
Схема проезда
г. Новогрудок ул. Индустриальная, 3 +375 (44) 729-39-19 ( Много )
Схема проезда
г. Орша ул. Сергея Кирова, д. 34 +375 (44) 583-91-42 ( Много )
Схема проезда
г. Осиповичи ул. Короткая, 11 +375 (29) 165-60-07 ( Много )
Схема проезда
г. Ошмяны ул. Льнозоводская 3 +375 (44) 770-80-91 ( Много )
Схема проезда
г. Пинск ул. Калиновского 32 +375 (44) 560-99-59 ( Много )
Схема проезда
г. Полоцк-2 ул. Шенягина, 52 +375 (29) 302-94-73 ( Много )
Схема проезда
г. Полоцк-2 ул. Шенягина, 52 +375 (29) 302-94-73 ( Много )
Схема проезда
г. Полоцк-2 ул. Шенягина, 52 +375 (29) 302-94-73 ( Много )
Схема проезда
г. Поставы ул. Советская, 69 +375 (44) 770-80-13 ( Средне )
Схема проезда
г. Пружаны ул. Макаренко, 21 +375 (29) 348-83-18 ( Средне )
Схема проезда
г. Слоним ул. Советская, 93а +375 (29) 394-82-01 ( Много )
Схема проезда
г. Сморгонь ул. Железнодорожная, 32 +375 (29) 671-02-10 ( Много )
Схема проезда
г. Солигорск Чижевичский сельсовет, 3Г +375 (29) 899-58-52 ( Много )
Схема проезда
г. Столин ул. Быковского, 29 +375 (33) 304-54-36 ( Много )
Схема проезда
г. Щучин ул. Советская, 39 +375 (29) 177-29-70 ( Средне )
Схема проезда