Республика Беларусь,
г. Минск, ул. Селицкого 21к - центральный склад
Пн-пт с 8:00 до 17:00
Меню
291554-П29 Болт карданный (ГАЗ-53,3307)
Наименование: Болт карданный 291554-П29 (ГАЗ-53,3307)
Каталожный номер: 291554-П29
Производитель: RSTA
Код товара: 39534
Доставка: по всей Беларуси
Остаток: в наличии

Нашли не точность в описании товара? сообщить администратору.

+375 (44) 770-80-78 +375 (29) 747-80-78
* Выставить счет, получить техническую информацию и стоимость
Заказать деталь Онлайн
Описание
Наличие на филиалах
Применяемость
Заменить на СТО

Аналог 290863 (обращайте внимание на длину)

Болт карданный 291554-П29 (ГАЗ-53,3307),

  • Каталожный номер:
  • Код товара  для заказа:  39534
Марка Модель Кат.номер Наим. по каталогу Чертеж
ГАЗ ГАЗ-3302 (ГАЗель) 291554-П29 Болт М12х1,25-6gх38 Рессора передняя Чертеж Рессора передняя
ГАЗ ГАЗ-2705 (ГАЗель) (2000) 291554-П29 Болт М12х1,25-6gх38 Рессора передняя, крепление передних рессор Чертеж Рессора передняя, крепление передних рессор
ГАЗ ГАЗ-2705 (ГАЗель) (2000) 291554-П29 Болт М12х1,25-6gх38 Рессора передняя многолистовая, крепление передних многолистовых рессор Чертеж Рессора передняя многолистовая, крепление передних многолистовых рессор
ГАЗ ГАЗ-2217 (Соболь) (1999) 291554-П29 Болт М12х1,25-6gх38 Передняя подвеска, стабилизатор поперечной устойчивости Чертеж Передняя подвеска, стабилизатор поперечной устойчивости
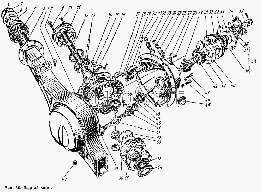
ГАЗ ГАЗ-3306 (1994) 291554-П29 Болт М12х1,25-6gх38 Мост задний
ГАЗ ГАЗ-3307 (2000) 291554-П29 Болт М12х1,25-6gх38 Мост задний
ГАЗ ГАЗ-3309 291554-П29 Болт М12х1,25-6gх38 Мост задний, картер моста, картер главной передачи, полуоси
ГАЗ ГАЗ-4301 291554-П29 Болт М12х1,25-6gх38 Картер, редуктор, полуось заднего моста и крепление ступиц, тормозных барабанов задних колес Чертеж Картер, редуктор, полуось заднего моста и крепление ступиц, тормозных барабанов задних колес
ГАЗ ГАЗ-53 А (1989) 291554-П29 Болт М12х1,25-6gх38 Мост задний Чертеж Мост задний
ГАЗ ГАЗ-66 (Каталог 1983 г.) (1983) 291554-П29 Болт М12х1,25-6gх38 Лебедка
ГАЗ ГАЗ-66 (Каталог 1996 г.) (1996) 291554-П29 Болт М12х1,25-6gх38 Сцепление 66-1601010-01
ГАЗ ГАЗ-66 (Каталог 1996 г.) (1996) 291554-П29 Болт М12х1,25-6gх38 Мост передний 66-02-2300012
ГАЗ ГАЗ-3308 (2000) 291554-П29 Болт М12х1,25-6gх38 Мосты передние, картер и редуктор моста Чертеж Мосты передние, картер и редуктор моста
ГАЗ ГАЗ-3308 (2000) 291554-П29 Болт М12х1,25-6gх38 Мосты задние, картер и редуктор моста, полуоси Чертеж Мосты задние, картер и редуктор моста, полуоси
ГАЗ ГАЗ-3302 (2004) (2004) 291554-П29 Болт М12х1,25-6gх38 Рессора передняя многолистовая (для автомобилей выпуска до апреля 2000 г.) Чертеж Рессора передняя многолистовая (для автомобилей выпуска до апреля 2000 г.)
ГАЗ ГАЗ-3302 (2004) (2004) 291554-П29 Болт М12х1,25-6gх38 Рессора передняя малолистовая (для автомобилей выпуска с апреля 2000 г.) Чертеж Рессора передняя малолистовая (для автомобилей выпуска с апреля 2000 г.)
ГАЗ ГАЗ-3102, 3110 (дополнение) (2009) 291554-П29 Болт М12х1,25-6gх38 Рычаги нижние и верхние передней подвески, кулаки поворотные: I-с АБС тормозов, II-без АБС
ГАЗ ГАЗ-3221 (1999) 291554-П29 Болт М12х1,25-6gх38 Рессора задняя, крепление задних рессор Чертеж Рессора задняя, крепление задних рессор
ПАЗ ПАЗ-3205-110 (2005) 291554-П29 Болт М12х1,25х38 Мост задний Чертеж Мост задний
ПАЗ ПАЗ-32053 (2004) 291554-П29 Болт М12х1,25х38 Задний мост (пр-во АО "КААЗ")
Склад Адрес Контакт Остатки
г. Минск ул. Селицкого, 21к +375 (44) 770-80-78 ( Много )
Схема проезда
г. Березино ул. Комсомольская, д. 24 +375 (44) 770-80-17 ( Много )
Схема проезда
г. Бобруйск ул. Гоголя, 181/1-6 +375 (29) 630-05-01 ( Средне )
Схема проезда
г. Бобруйск ул. Орловского, 22к3 +375 (29) 345-37-07 ( Много )
Схема проезда
г. Глубокое ул. Энгельса, 22 +375 (44) 505-71-40 ( Много )
Схема проезда
г. Гродно ул. Карского, 35 +375 (44) 770-70-21 ( Много )
Схема проезда
г. Дятлово ул. Советская ,104 +375 (29) 187-87-37 ( Средне )
Схема проезда
г. Ивацевичи ул. Загородная, 6А +375 (29) 188-59-01 ( Много )
Схема проезда
г. Кобрин ул. Пролетарская, 177А +375 (44) 588-10-80 ( Много )
Схема проезда
г. Мозырь промузел Козенки +375 (44) 731-94-60 ( Много )
Схема проезда
г. Орша ул. Сергея Кирова, д. 34 +375 (44) 583-91-42 ( Средне )
Схема проезда
г. Осиповичи ул. Короткая, 11 +375 (29) 165-60-07 ( Много )
Схема проезда
г. Ошмяны ул. Льнозоводская 3 +375 (44) 770-80-91 ( Средне )
Схема проезда
г. Пинск ул. Калиновского 32 +375 (44) 560-99-59 ( Много )
Схема проезда
г. Сморгонь ул. Железнодорожная, 32 +375 (29) 671-02-10 ( Много )
Схема проезда
г. Солигорск Чижевичский сельсовет, 3Г +375 (29) 899-58-52 ( Много )
Схема проезда
г. Столин ул. Быковского, 29 +375 (33) 304-54-36 ( Много )
Схема проезда
г. Барановичи ул. Бадака, 27Б +375 (29) 350-33-47 Под заказ
Схема проезда
г. Барановичи ул. Пролетарская, 40 +375 (29) 795-96-37 Под заказ
Схема проезда
г. Берёза ул. Красноармейская, 89/11 +375 (29) 676-70-71 Под заказ
Схема проезда
г. Борисов ул. Демина, 2а +375 (44) 560-99-75 Под заказ
Схема проезда
г. Брест Тельминский с/с, 1Д/1, 1 км южнее д. Тельмы-2 +375 (44) 599-90-75 Под заказ
Схема проезда
г. Витебск ул. Правды, 33 +375 (44) 770-80-87 Под заказ
Схема проезда
г. Витебск ул. Петруся Бровки, 34 +375 (29) 636-25-08 Под заказ
Схема проезда
г. Гомель ул. Барыкина, 291Б +375 (44) 514-15-30 Под заказ
Схема проезда
г. Гомель ул. Текстильная, 10 +375 (44) 540-02-05 Под заказ
Схема проезда
г. Горки ул.Мира, д.51а/1 +375 (44) 565-33-61 Под заказ
Схема проезда
г. Дрогичин ул. Юбилейная, 42 +375 (29) 682-17-13 Под заказ
Схема проезда
г. Житковичи ул. Комсомольская, 49 +375 (29) 394-82-52 Под заказ
Схема проезда
г. Жлобин ул. Козлова, 25 +375 (29) 346-06-78 Под заказ
Схема проезда
г. Кричев ул. Комсомольская, 126 +375 (29) 628-88-42 Под заказ
Схема проезда
г. Лельчицы ул. Советская, д.96/1 +375 (29) 346-98-96 Под заказ
Схема проезда
г. Лепель ул. Лобанка, 43 +375 (44) 778-65-21 Под заказ
Схема проезда
г. Лида ул. Качана, 7 +375 (29) 612-60-61 Под заказ
Схема проезда
г. Лунинец ул.Красная, 175а +375 (44) 721-46-74 Под заказ
Схема проезда
г. Минск ул. Бабушкина, 37 +375 (29) 632-00-82 Под заказ
Схема проезда
г. Могилев ул. Габровская 11Б +375 (29) 662-02-16 Под заказ
Схема проезда
г. Молодечно ул. Галицкого, 14 +375 (44) 567-28-47 Под заказ
Схема проезда
г. Несвиж ул. Кутузова, 2 +375 (29) 394-82-48 Под заказ
Схема проезда
г. Новогрудок ул. Индустриальная, 3 +375 (44) 729-39-19 Под заказ
Схема проезда
г. Петриков ул. Первомайская, 124 +375 (33) 660-06-75 Под заказ
Схема проезда
г. Полоцк ул. Пролетарская, 6 +375 (29) 644-57-58 Под заказ
Схема проезда
г. Полоцк ул. Строительная, 30Б +375 (29) 302-97-91 Под заказ
Схема проезда
г. Полоцк-2 ул. Шенягина, 52 +375 (29) 302-94-73 Под заказ
Схема проезда
г. Поставы ул. Советская, 69 +375 (44) 770-80-13 Под заказ
Схема проезда
г. Пружаны ул. Макаренко, 21 +375 (29) 348-83-18 Под заказ
Схема проезда
г. Слоним ул. Советская, 93а +375 (29) 394-82-01 Под заказ
Схема проезда
г. Слуцк ул. Тутаринова, 8 +375 (29) 346-06-90 Под заказ
Схема проезда
г. Щучин ул. Советская, 39 +375 (29) 177-29-70 Под заказ
Схема проезда
Аналоги
Болт-гайка карданные М12х1,25х38 к-т 4 шт (ГАЗ-53,3307) ЗавГар 291554-П29
Болт-гайка карданные М12х1,25х38 к-т 4 шт (ГАЗ-53,3307) ЗавГар
Каталожный номер 291554-П29
Производитель ЗавГар ЗавГар
Код 00-ГР029471
Доставка по всей Беларуси
Доступность остатки на филиалах Остатки на филиалах
Остаток: г.Минск, ул.Селицкого 21к В наличии
Склад Адрес Контакт Остатки
г. Минск ул. Селицкого, 21к +375 (44) 770-80-78 ( Много )
Схема проезда
г. Барановичи ул. Пролетарская, 40 +375 (29) 795-96-37 ( Средне )
Схема проезда
г. Барановичи ул. Бадака, 27Б +375 (29) 350-33-47 ( Средне )
Схема проезда
г. Борисов ул. Демина, 2а +375 (44) 560-99-75 ( Средне )
Схема проезда
г. Витебск ул. Правды, 33 +375 (44) 770-80-87 ( Мало )
Схема проезда
г. Дрогичин ул. Юбилейная, 42 +375 (29) 682-17-13 ( Средне )
Схема проезда
г. Молодечно ул. Галицкого, 14 +375 (44) 567-28-47 ( Много )
Схема проезда
г. Орша ул. Сергея Кирова, д. 34 +375 (44) 583-91-42 ( Мало )
Схема проезда
г. Осиповичи ул. Короткая, 11 +375 (29) 165-60-07 ( Средне )
Схема проезда
г. Полоцк-2 ул. Шенягина, 52 +375 (29) 302-94-73 ( Много )
Схема проезда
г. Полоцк-2 ул. Шенягина, 52 +375 (29) 302-94-73 ( Средне )
Схема проезда
г. Пружаны ул. Макаренко, 21 +375 (29) 348-83-18 ( Много )
Схема проезда
г. Слоним ул. Советская, 93а +375 (29) 394-82-01 ( Много )
Схема проезда
г. Щучин ул. Советская, 39 +375 (29) 177-29-70 ( Мало )
Схема проезда
Болт-гайка карданные (ГАЗ-53,3307) 291554-П29
Болт-гайка карданные (ГАЗ-53,3307)
Каталожный номер 291554-П29
Производитель ЗавГар ЗавГар
Код 14329
Доставка по всей Беларуси
Доступность остатки на филиалах Остатки на филиалах
Остаток В наличии
Склад Адрес Контакт Остатки
г. Бобруйск ул. Гоголя, 181/1-6 +375 (29) 630-05-01 ( Средне )
Схема проезда
г. Витебск ул. Петруся Бровки, 34 +375 (29) 636-25-08 ( Средне )
Схема проезда
г. Глубокое ул. Энгельса, 22 +375 (44) 505-71-40 ( Средне )
Схема проезда
г. Гомель ул. Барыкина, 291Б +375 (44) 514-15-30 ( Много )
Схема проезда
г. Горки ул.Мира, д.51а/1 +375 (44) 565-33-61 ( Средне )
Схема проезда
г. Дятлово ул. Советская ,104 +375 (29) 187-87-37 ( Много )
Схема проезда
г. Кобрин ул. Пролетарская, 177А +375 (44) 588-10-80 ( Много )
Схема проезда
г. Кричев ул. Комсомольская, 126 +375 (29) 628-88-42 ( Много )
Схема проезда
г. Лепель ул. Лобанка, 43 +375 (44) 778-65-21 ( Мало )
Схема проезда
г. Могилев ул. Габровская 11Б +375 (29) 662-02-16 ( Средне )
Схема проезда
г. Мозырь промузел Козенки +375 (44) 731-94-60 ( Много )
Схема проезда
г. Орша ул. Сергея Кирова, д. 34 +375 (44) 583-91-42 ( Средне )
Схема проезда
г. Полоцк-2 ул. Шенягина, 52 +375 (29) 302-94-73 ( Много )
Схема проезда
г. Слоним ул. Советская, 93а +375 (29) 394-82-01 ( Много )
Схема проезда
г. Слуцк ул. Тутаринова, 8 +375 (29) 346-06-90 ( Много )
Схема проезда
г. Сморгонь ул. Железнодорожная, 32 +375 (29) 671-02-10 ( Много )
Схема проезда
г. Щучин ул. Советская, 39 +375 (29) 177-29-70 ( Много )
Схема проезда
Товары из этой категории
Крестовина УАЗ,ГАЗ,МТЗ (30x88x55) 469-2201025
Крестовина УАЗ,ГАЗ,МТЗ (30x88x55)
Каталожный номер 469-2201025
Производитель ЗавГар ЗавГар
Код 00-ГР007965
Доставка по всей Беларуси
Доступность остатки на филиалах Остатки на филиалах
Остаток В наличии
Склад Адрес Контакт Остатки
г. Гродно ул. Карского, 35 +375 (44) 770-70-21 ( Мало )
Схема проезда
г. Дятлово ул. Советская ,104 +375 (29) 187-87-37 ( Средне )
Схема проезда
г. Молодечно ул. Галицкого, 14 +375 (44) 567-28-47 ( Средне )
Схема проезда
г. Ошмяны ул. Льнозоводская 3 +375 (44) 770-80-91 ( Средне )
Схема проезда
г. Пинск ул. Калиновского 32 +375 (44) 560-99-59 ( Мало )
Схема проезда
Фланец 53-2201100 53-2201100
Фланец 53-2201100
Каталожный номер 53-2201100
Производитель RSTA RSTA
Код 21866
Доставка по всей Беларуси
Доступность остатки на филиалах Остатки на филиалах
Остаток: г.Минск, ул.Селицкого 21к В наличии
Склад Адрес Контакт Остатки
г. Минск ул. Селицкого, 21к +375 (44) 770-80-78 ( Мало )
Схема проезда
г. Бобруйск ул. Орловского, 22к3 +375 (29) 345-37-07 ( Мало )
Схема проезда
Опора RG53-2202800 карданного вала в сборе с кронштейном  RIGINAL RG53-2202800
Опора RG53-2202800 карданного вала в сборе с кронштейном RIGINAL
Каталожный номер RG53-2202800
Производитель RIGINAL RIGINAL
Код 00-ГР032600
Доставка по всей Беларуси
Доступность остатки на филиалах Остатки на филиалах
Остаток: г.Минск, ул.Селицкого 21к В наличии
Склад Адрес Контакт Остатки
г. Минск ул. Селицкого, 21к +375 (44) 770-80-78 ( Мало )
Схема проезда
г. Витебск ул. Правды, 33 +375 (44) 770-80-87 ( Средне )
Схема проезда
г. Гомель ул. Барыкина, 291Б +375 (44) 514-15-30 ( Мало )
Схема проезда
Болт-гайка карданные 290863 (ГАЗ-53,3307) к-т 4 шт. Красная Этна 290863
Болт-гайка карданные 290863 (ГАЗ-53,3307) к-т 4 шт. Красная Этна
Каталожный номер 290863
Производитель Красная Этна Красная Этна
Код 00-ГР028823
Доставка по всей Беларуси
Доступность остатки на филиалах Остатки на филиалах
Остаток В наличии
Склад Адрес Контакт Остатки
г. Минск ул. Бабушкина, 37 +375 (29) 632-00-82 ( Средне )
Схема проезда
г. Бобруйск ул. Орловского, 22к3 +375 (29) 345-37-07 ( Средне )
Схема проезда
г. Брест Тельминский с/с, 1Д/1, 1 км южнее д. Тельмы-2 +375 (44) 599-90-75 ( Средне )
Схема проезда
г. Глубокое ул. Энгельса, 22 +375 (44) 505-71-40 ( Средне )
Схема проезда
г. Горки ул.Мира, д.51а/1 +375 (44) 565-33-61 ( Средне )
Схема проезда
г. Гродно ул. Карского, 35 +375 (44) 770-70-21 ( Средне )
Схема проезда
г. Дрогичин ул. Юбилейная, 42 +375 (29) 682-17-13 ( Мало )
Схема проезда
г. Дятлово ул. Советская ,104 +375 (29) 187-87-37 ( Много )
Схема проезда
г. Житковичи ул. Комсомольская, 49 +375 (29) 394-82-52 ( Много )
Схема проезда
г. Жлобин ул. Козлова, 25 +375 (29) 346-06-78 ( Много )
Схема проезда
г. Ивацевичи ул. Загородная, 6А +375 (29) 188-59-01 ( Средне )
Схема проезда
г. Лунинец ул.Красная, 175а +375 (44) 721-46-74 ( Много )
Схема проезда
г. Новогрудок ул. Индустриальная, 3 +375 (44) 729-39-19 ( Средне )
Схема проезда
г. Орша ул. Сергея Кирова, д. 34 +375 (44) 583-91-42 ( Средне )
Схема проезда
г. Осиповичи ул. Короткая, 11 +375 (29) 165-60-07 ( Средне )
Схема проезда
г. Ошмяны ул. Льнозоводская 3 +375 (44) 770-80-91 ( Средне )
Схема проезда
г. Пинск ул. Калиновского 32 +375 (44) 560-99-59 ( Средне )
Схема проезда
г. Поставы ул. Советская, 69 +375 (44) 770-80-13 ( Средне )
Схема проезда
г. Слоним ул. Советская, 93а +375 (29) 394-82-01 ( Много )
Схема проезда
Опора 3153-2204076 карданного вала 3153-2204076
Опора 3153-2204076 карданного вала
Каталожный номер 3153-2204076
Производитель Транскард Транскард
Код 24317
Доставка по всей Беларуси
Доступность остатки на филиалах Остатки на филиалах
Остаток Под заказ