Республика Беларусь,
г. Минск, ул. Селицкого 21к - центральный склад
Пн-пт с 8:00 до 17:00
Меню
870017 Болт М12*1,25х180
Наименование: Болт 870017 М12*1,25х180
Каталожный номер: 870017
Производитель: РФ
Код товара: 38703
Доставка: по всей Беларуси
Остаток: под заказ

Нашли не точность в описании товара? сообщить администратору.

+375 (44) 770-80-78 +375 (29) 747-80-78
* Выставить счет, получить техническую информацию и стоимость
Заказать деталь Онлайн
Описание
Наличие на филиалах
Применяемость
Заменить на СТО

Болт 870017 М12*1,25х180 производства РФ (РФ), Код для заказа: 38703

Марка Модель Кат.номер Наим. по каталогу Чертеж
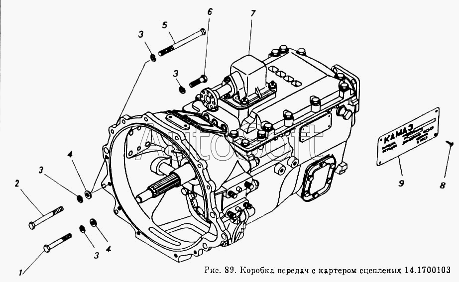
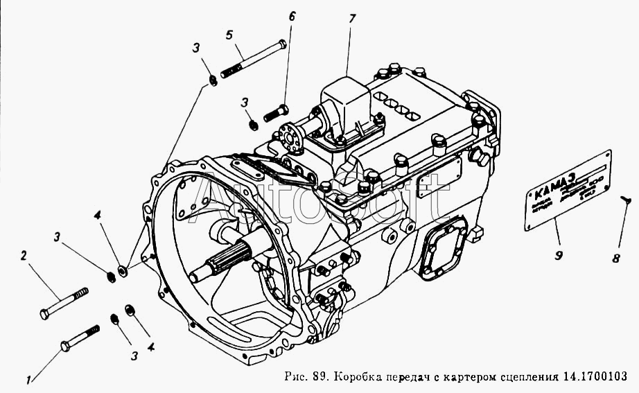
Камский автозавод 4310 870017 Болт М12х1,25-6gх180 Коробка передач в сборе Чертеж Коробка передач в сборе
Камский автозавод 4326 (2001) 870017 Болт М12х1,25-6gх180 Силовой агрегат
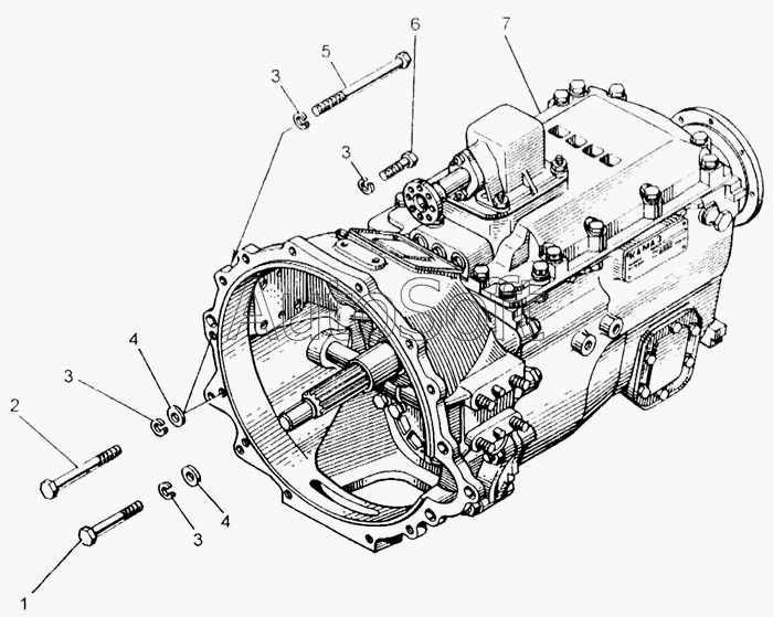
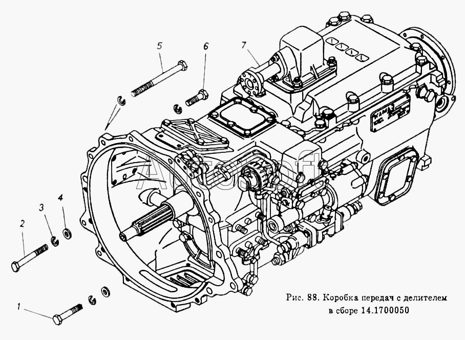
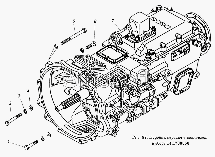
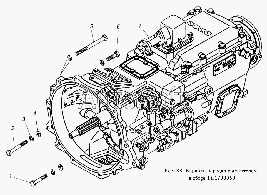
Камский автозавод 5320 870017 Болт М12х1,25-6gх180 Коробка передач с делителем в сборе Чертеж Коробка передач с делителем в сборе
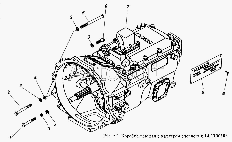
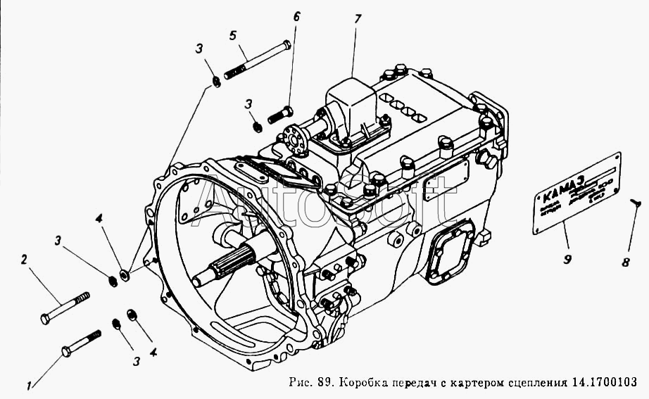
Камский автозавод 5320 870017 Болт М12х1,25-6gх180 Коробка передач с картером сцепления Чертеж Коробка передач с картером сцепления
Камский автозавод 53212 870017 Болт М12х1,25-6gх180 Коробка передач с делителем в сборе
Камский автозавод 53212 870017 Болт М12х1,25-6gх180 Коробка передач с картером сцепления Чертеж Коробка передач с картером сцепления
Камский автозавод 5410 870017 Болт М12х1,25-6gх180 Коробка передач с делителем в сборе Чертеж Коробка передач с делителем в сборе
Камский автозавод 5410 870017 Болт М12х1,25-6gх180 Коробка передач с картером сцепления Чертеж Коробка передач с картером сцепления
Камский автозавод 54112 870017 Болт М12х1,25-6gх180 Коробка передач с делителем в сборе Чертеж Коробка передач с делителем в сборе
Камский автозавод 54112 870017 Болт М12х1,25-6gх180 Коробка передач с картером сцепления Чертеж Коробка передач с картером сцепления
Камский автозавод 5511 (2003) 870017 Болт М12х1,25-6gх180 Коробка передач с делителем в сборе
Камский автозавод 5511 (2003) 870017 Болт М12х1,25-6gх180 Коробка передач с картером сцепления Чертеж Коробка передач с картером сцепления
Камский автозавод 55102 870017 Болт М12х1,25-6gх180 Коробка передач с делителем в сборе Чертеж Коробка передач с делителем в сборе
Камский автозавод 55102 870017 Болт М12х1,25-6gх180 Коробка передач с картером сцепления Чертеж Коробка передач с картером сцепления
Камский автозавод Общий (5320, 53212, 5410, 54112, 5511, 55102) 870017 Болт М12х1,25-6gх180 Коробка передач с делителем в сборе Чертеж Коробка передач с делителем в сборе
Камский автозавод Общий (5320, 53212, 5410, 54112, 5511, 55102) 870017 Болт М12х1,25-6gх180 Коробка передач с картером сцепления Чертеж Коробка передач с картером сцепления
Камский автозавод 65115 (2001) 870017 Болт М12х1,25-6gх180 Двигатель (740.11-1000410-21, 740.11-100410-03, 740.11-1000411-75, 740.13-1000400-22) Чертеж Двигатель (740.11-1000410-21, 740.11-100410-03, 740.11-1000411-75, 740.13-1000400-22)
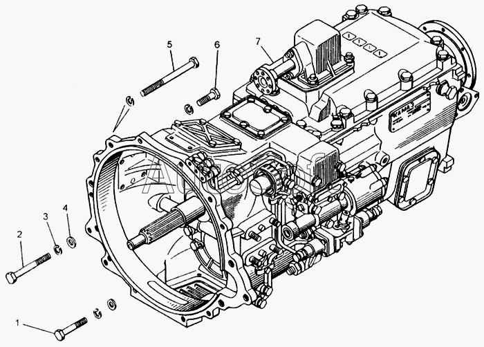
Камский автозавод 65115 (2001) 870017 Болт М12х1,25-6gх180 Коробка передач (142.1700100) Чертеж Коробка передач (142.1700100)
Камский автозавод 65115 (2001) 870017 Болт М12х1,25-6gх180 Коробка передач (152.1700050) Чертеж Коробка передач (152.1700050)
Камский автозавод 5297 (2004) 870017 Болт М12х1,25-6gх180 Агрегат силовой Чертеж Агрегат силовой
Товары из этой категории
К-т прокладок КПП КАМАЗ 14-1700001-01
К-т прокладок КПП КАМАЗ
Каталожный номер 14-1700001-01
Производитель RSTA RSTA
Код 16039
Доставка по всей Беларуси
Доступность остатки на филиалах Остатки на филиалах
Остаток: г.Минск, ул.Селицкого 21к В наличии
Склад Адрес Контакт Остатки
г. Минск ул. Селицкого, 21к +375 (44) 770-80-78 ( Мало )
Схема проезда
г. Лельчицы ул. Советская, д.96/1 +375 (29) 346-98-96 ( Мало )
Схема проезда
г. Ошмяны ул. Льнозоводская 3 +375 (44) 770-80-91 ( Мало )
Схема проезда
Кольцо проставочное КАМАЗ 150К-10021 с удлин. вала 150К-10021
Кольцо проставочное КАМАЗ 150К-10021 с удлин. вала
Каталожный номер 150К-10021
Производитель РФ РФ
Код 00-ГР021503
Доставка по всей Беларуси
Доступность остатки на филиалах Остатки на филиалах
Остаток Под заказ
Сальник 14-1701230
Сальник
Каталожный номер 14-1701230
Производитель БРТ БРТ
Код 11517
Доставка по всей Беларуси
Доступность остатки на филиалах Остатки на филиалах
Остаток: г.Минск, ул.Селицкого 21к В наличии
Склад Адрес Контакт Остатки
г. Минск ул. Селицкого, 21к +375 (44) 770-80-78 ( Много )
Схема проезда
г. Бобруйск ул. Орловского, 22к3 +375 (29) 345-37-07 ( Средне )
Схема проезда
г. Брест Тельминский с/с, 1Д/1, 1 км южнее д. Тельмы-2 +375 (44) 599-90-75 ( Средне )
Схема проезда
г. Горки ул.Мира, д.51а/1 +375 (44) 565-33-61 ( Мало )
Схема проезда
г. Дрогичин ул. Юбилейная, 42 +375 (29) 682-17-13 ( Мало )
Схема проезда
г. Кричев ул. Комсомольская, 126 +375 (29) 628-88-42 ( Мало )
Схема проезда
г. Мозырь промузел Козенки +375 (44) 731-94-60 ( Средне )
Схема проезда
г. Молодечно ул. Галицкого, 14 +375 (44) 567-28-47 ( Мало )
Схема проезда
г. Орша ул. Сергея Кирова, д. 34 +375 (44) 583-91-42 ( Мало )
Схема проезда
г. Осиповичи ул. Короткая, 11 +375 (29) 165-60-07 ( Средне )
Схема проезда
г. Пинск ул. Калиновского 32 +375 (44) 560-99-59 ( Мало )
Схема проезда
г. Слоним ул. Советская, 93а +375 (29) 394-82-01 ( Средне )
Схема проезда
г. Слуцк ул. Тутаринова, 8 +375 (29) 346-06-90 ( Средне )
Схема проезда
Шестерня 154-1770050
Шестерня
Каталожный номер 154-1770050
Производитель РФ РФ
Код 35732
Доставка по всей Беларуси
Доступность остатки на филиалах Остатки на филиалах
Остаток Под заказ
Сальник 14-1701238
Сальник
Каталожный номер 14-1701238
Производитель БРТ БРТ
Код 11265
Доставка по всей Беларуси
Доступность остатки на филиалах Остатки на филиалах
Остаток В наличии
Склад Адрес Контакт Остатки
г. Брест Тельминский с/с, 1Д/1, 1 км южнее д. Тельмы-2 +375 (44) 599-90-75 ( Средне )
Схема проезда
г. Мозырь промузел Козенки +375 (44) 731-94-60 ( Мало )
Схема проезда
г. Орша ул. Сергея Кирова, д. 34 +375 (44) 583-91-42 ( Мало )
Схема проезда
г. Осиповичи ул. Короткая, 11 +375 (29) 165-60-07 ( Средне )
Схема проезда
г. Пинск ул. Калиновского 32 +375 (44) 560-99-59 ( Средне )
Схема проезда
г. Слоним ул. Советская, 93а +375 (29) 394-82-01 ( Средне )
Схема проезда
г. Слуцк ул. Тутаринова, 8 +375 (29) 346-06-90 ( Мало )
Схема проезда