Республика Беларусь,
г. Минск, ул. Селицкого 21к - центральный склад
Пн-пт с 8:00 до 17:00
Меню
310236-П29 Болт (я)
Наименование: Болт 310236-П29 (я)
Каталожный номер: 310236-П29
Производитель: Автодизель
Код товара: 00-ГР007740
Доставка: по всей Беларуси
Остаток: в наличии

Нашли не точность в описании товара? сообщить администратору.

+375 (44) 770-80-78 +375 (29) 747-80-78
* Выставить счет, получить техническую информацию и стоимость
Заказать деталь Онлайн
Описание
Наличие на филиалах
Применяемость
Заменить на СТО

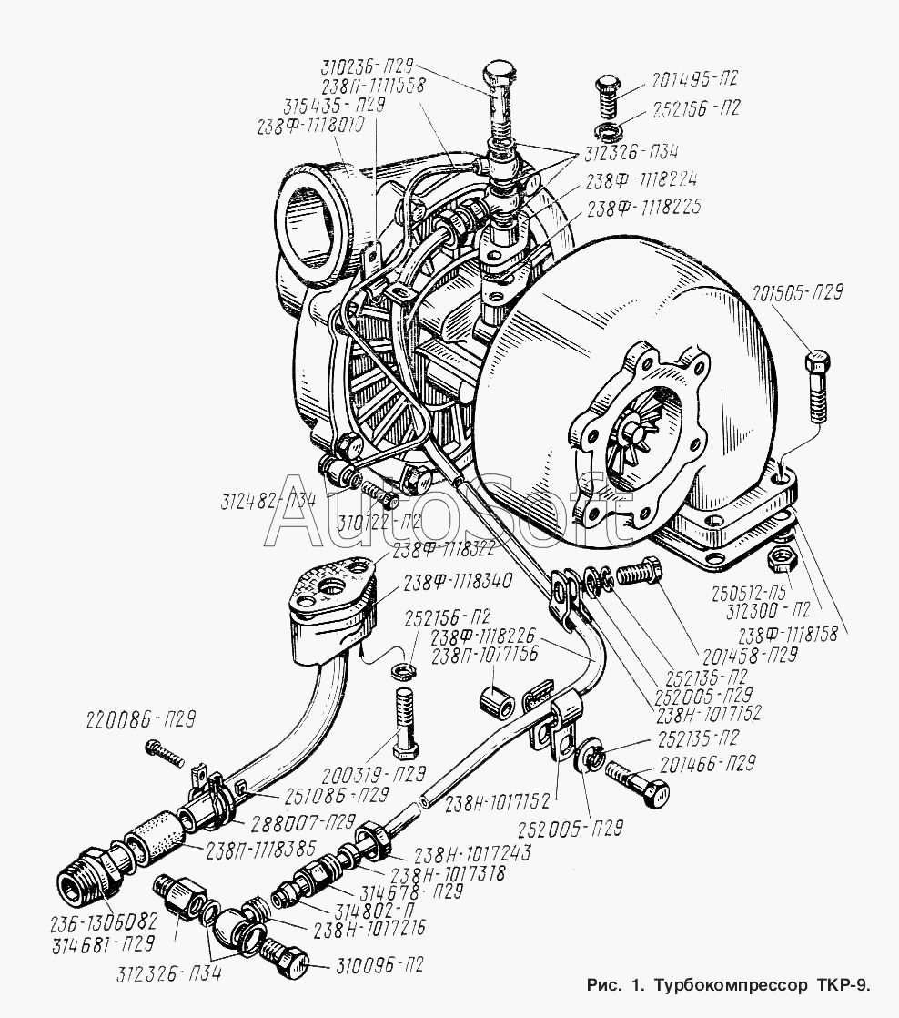
Болт-штуцер.
Размеры резьбы и длина: М14х1,5х48,5 (или 48).
Назначение: Маслоподводящий болт к турбине (турбокомпрессору).
Применяемость: Используется в двигателях производства ЯМЗ (Ярославский моторный завод) и ТМЗ (Тутаевский моторный завод), устанавливаемых на автомобили МАЗ, тракторы К-700, К-742, К-744 и другую технику.
Установка: Крепит топливную или маслоподводящую трубку (может использоваться под одну или две трубки в зависимости от модификации).

Болт 310236-П29 (я), 310236-П29. Код товара для заказа: 00-ГР007740

Марка Модель Кат.номер Наим. по каталогу Чертеж
МАЗ МАЗ-54328 310236-П29 Болт М14х 15х48,5 крепления трубки подвода топлива к электромагнитнону клапану Фильтр грубой очистки масла
ЯМЗ ЯМЗ-236 М 310236-П29 Болт Турбокомпрессор ТКР-9
ЯМЗ ЯМЗ-236 М 310236-П29 Болт Турбокомпрессор ТКР-9
ЯМЗ ЯМЗ-236 НЕ, 236 БЕ, 7601.10 (2003) 310236-П29 Болт Трубопроводы топливные двигателей ЯМЗ-236НЕ, ЯМЗ-236БЕ Чертеж Трубопроводы топливные двигателей ЯМЗ-236НЕ, ЯМЗ-236БЕ
ЯМЗ ЯМЗ-236 НЕ, 236 БЕ, 7601.10 (2003) 310236-П29 Болт Трубопроводы топливные двигателей с индивидуальными и общими головками цилиндров с рядным ТНВД
ЯМЗ ЯМЗ-236 НЕ, 236 БЕ, 7601.10 (2003) 310236-П29 Болт Трубопроводы топливные двигателей с V-образным ТНВД
ЯМЗ ЯМЗ-236 НЕ, 236 БЕ, 7601.10 (2003) 310236-П29 Болт Трубки подвода и слива масла турбокомпрессора
ЯМЗ ЯМЗ-236 ДК и ЯМЗ 238 АК (2002) 310236-П29 Болт Трубопроводы топливные двигателя ЯМЗ-236ДК Чертеж Трубопроводы топливные двигателя ЯМЗ-236ДК
ЯМЗ ЯМЗ-236 ДК и ЯМЗ 238 АК (2002) 310236-П29 Болт Трубопроводы топливные двигателя ЯМЗ-238АК
ЯМЗ ЯМЗ-238 М 310236-П29 Болт Топливопроводы двигателей ЯМЗ-238М, ЯМЗ-238НД, ЯМЗ-238ПМ и ЯМЗ-238ФМ Чертеж Топливопроводы двигателей ЯМЗ-238М, ЯМЗ-238НД, ЯМЗ-238ПМ и ЯМЗ-238ФМ
ЯМЗ ЯМЗ-238 М 310236-П29 Болт Топливопроводы двигателей ЯМЗ-238М, ЯМЗ-238НД, ЯМЗ238Н, ЯМЗ-238ПМ, ЯМЗ-238ФМ
ЯМЗ ЯМЗ-238 М 310236-П29 Болт Турбокомпрессор ТКР-9
ЯМЗ ЯМЗ-238 М 310236-П29 Болт Турбокомпрессор ТКР-9
ЯМЗ ЯМЗ-238 АМ 310236-П29 Болт Турбокомпрессор ТКР-9
ЯМЗ ЯМЗ-238 АМ 310236-П29 Болт Турбокомпрессор ТКР-9
ЯМЗ ЯМЗ-238 ГМ 310236-П29 Болт Турбокомпрессор ТКР-9 Чертеж Турбокомпрессор ТКР-9
ЯМЗ ЯМЗ-238 ГМ 310236-П29 Болт Турбокомпрессор ТКР-9
ЯМЗ ЯМЗ-238 ИМ 310236-П29 Болт Турбокомпрессор ТКР-9
ЯМЗ ЯМЗ-238 ИМ 310236-П29 Болт Турбокомпрессор ТКР-9
ЯМЗ ЯМЗ-238 НД 310236-П29 Болт Топливопроводы двигателей ЯМЗ-238М, ЯМЗ-238НД, ЯМЗ-238ПМ и ЯМЗ-238ФМ
Склад Адрес Контакт Остатки
г. Минск ул. Селицкого, 21к +375 (44) 770-80-78 ( Мало )
Схема проезда
г. Барановичи ул. Пролетарская, 40 +375 (29) 795-96-37 ( Средне )
Схема проезда
г. Бобруйск ул. Орловского, 22к3 +375 (29) 345-37-07 ( Средне )
Схема проезда
г. Витебск ул. Петруся Бровки, 34 +375 (29) 636-25-08 ( Мало )
Схема проезда
г. Барановичи ул. Бадака, 27Б +375 (29) 350-33-47 Под заказ
Схема проезда
г. Берёза ул. Красноармейская, 89/11 +375 (29) 676-70-71 Под заказ
Схема проезда
г. Березино ул. Комсомольская, д. 24 +375 (44) 770-80-17 Под заказ
Схема проезда
г. Бобруйск ул. Гоголя, 181/1-6 +375 (29) 630-05-01 Под заказ
Схема проезда
г. Борисов ул. Демина, 2а +375 (44) 560-99-75 Под заказ
Схема проезда
г. Брест Тельминский с/с, 1Д/1, 1 км южнее д. Тельмы-2 +375 (44) 599-90-75 Под заказ
Схема проезда
г. Витебск ул. Правды, 33 +375 (44) 770-80-87 Под заказ
Схема проезда
г. Глубокое ул. Энгельса, 22 +375 (44) 505-71-40 Под заказ
Схема проезда
г. Гомель ул. Барыкина, 291Б +375 (44) 514-15-30 Под заказ
Схема проезда
г. Гомель ул. Текстильная, 10 +375 (44) 540-02-05 Под заказ
Схема проезда
г. Горки ул.Мира, д.51а/1 +375 (44) 565-33-61 Под заказ
Схема проезда
г. Гродно ул. Карского, 35 +375 (44) 770-70-21 Под заказ
Схема проезда
г. Дрогичин ул. Юбилейная, 42 +375 (29) 682-17-13 Под заказ
Схема проезда
г. Дятлово ул. Советская ,104 +375 (29) 187-87-37 Под заказ
Схема проезда
г. Житковичи ул. Комсомольская, 49 +375 (29) 394-82-52 Под заказ
Схема проезда
г. Жлобин ул. Козлова, 25 +375 (29) 346-06-78 Под заказ
Схема проезда
г. Ивацевичи ул. Загородная, 6А +375 (29) 188-59-01 Под заказ
Схема проезда
г. Кобрин ул. Пролетарская, 177А +375 (44) 588-10-80 Под заказ
Схема проезда
г. Кричев ул. Комсомольская, 126 +375 (29) 628-88-42 Под заказ
Схема проезда
г. Лельчицы ул. Советская, д.96/1 +375 (29) 346-98-96 Под заказ
Схема проезда
г. Лепель ул. Лобанка, 43 +375 (44) 778-65-21 Под заказ
Схема проезда
г. Лида ул. Качана, 7 +375 (29) 612-60-61 Под заказ
Схема проезда
г. Лунинец ул.Красная, 175а +375 (44) 721-46-74 Под заказ
Схема проезда
г. Минск ул. Бабушкина, 37 +375 (29) 632-00-82 Под заказ
Схема проезда
г. Могилев ул. Габровская 11Б +375 (29) 662-02-16 Под заказ
Схема проезда
г. Мозырь промузел Козенки +375 (44) 731-94-60 Под заказ
Схема проезда
г. Молодечно ул. Галицкого, 14 +375 (44) 567-28-47 Под заказ
Схема проезда
г. Несвиж ул. Кутузова, 2 +375 (29) 394-82-48 Под заказ
Схема проезда
г. Новогрудок ул. Индустриальная, 3 +375 (44) 729-39-19 Под заказ
Схема проезда
г. Орша ул. Сергея Кирова, д. 34 +375 (44) 583-91-42 Под заказ
Схема проезда
г. Осиповичи ул. Короткая, 11 +375 (29) 165-60-07 Под заказ
Схема проезда
г. Ошмяны ул. Льнозоводская 3 +375 (44) 770-80-91 Под заказ
Схема проезда
г. Петриков ул. Первомайская, 124 +375 (33) 660-06-75 Под заказ
Схема проезда
г. Пинск ул. Калиновского 32 +375 (44) 560-99-59 Под заказ
Схема проезда
г. Полоцк ул. Пролетарская, 6 +375 (29) 644-57-58 Под заказ
Схема проезда
г. Полоцк ул. Строительная, 30Б +375 (29) 302-97-91 Под заказ
Схема проезда
г. Полоцк-2 ул. Шенягина, 52 +375 (29) 302-94-73 Под заказ
Схема проезда
г. Поставы ул. Советская, 69 +375 (44) 770-80-13 Под заказ
Схема проезда
г. Пружаны ул. Макаренко, 21 +375 (29) 348-83-18 Под заказ
Схема проезда
г. Слоним ул. Советская, 93а +375 (29) 394-82-01 Под заказ
Схема проезда
г. Слуцк ул. Тутаринова, 8 +375 (29) 346-06-90 Под заказ
Схема проезда
г. Сморгонь ул. Железнодорожная, 32 +375 (29) 671-02-10 Под заказ
Схема проезда
г. Солигорск Чижевичский сельсовет, 3Г +375 (29) 899-58-52 Под заказ
Схема проезда
г. Столин ул. Быковского, 29 +375 (33) 304-54-36 Под заказ
Схема проезда
г. Щучин ул. Советская, 39 +375 (29) 177-29-70 Под заказ
Схема проезда
Аналоги
БОЛТ  Силовые Агрегаты — группа ГАЗ, Ярославль 310236-П29
БОЛТ Силовые Агрегаты — группа ГАЗ, Ярославль
Каталожный номер 310236-П29
Производитель
Код 310236П29
Доставка по всей Беларуси
Остаток Под заказ
Болт М14х1.5-50х15 приводной 310236-П29
Болт М14х1.5-50х15 приводной
Каталожный номер 310236-П29
Производитель RSTA RSTA
Код 8761
Доставка по всей Беларуси
Доступность остатки на филиалах Остатки на филиалах
Остаток Под заказ
Товары из этой категории
Пробка перепускного клапана ЯМЗ-240, Автодизель 240-1017293-Б2
Пробка перепускного клапана ЯМЗ-240, Автодизель
Каталожный номер 240-1017293-Б2
Производитель Автодизель Автодизель
Код 00-ГР008634
Доставка по всей Беларуси
Доступность остатки на филиалах Остатки на филиалах
Остаток: г.Минск, ул.Селицкого 21к В наличии
Склад Адрес Контакт Остатки
г. Минск ул. Селицкого, 21к +375 (44) 770-80-78 ( Много )
Схема проезда
г. Барановичи ул. Пролетарская, 40 +375 (29) 795-96-37 ( Мало )
Схема проезда
г. Берёза ул. Красноармейская, 89/11 +375 (29) 676-70-71 ( Мало )
Схема проезда
г. Бобруйск ул. Орловского, 22к3 +375 (29) 345-37-07 ( Мало )
Схема проезда
г. Брест Тельминский с/с, 1Д/1, 1 км южнее д. Тельмы-2 +375 (44) 599-90-75 ( Средне )
Схема проезда
г. Гомель ул. Барыкина, 291Б +375 (44) 514-15-30 ( Мало )
Схема проезда
г. Гомель ул. Барыкина, 291Б +375 (44) 514-15-30 ( Средне )
Схема проезда
г. Горки ул.Мира, д.51а/1 +375 (44) 565-33-61 ( Средне )
Схема проезда
г. Кричев ул. Комсомольская, 126 +375 (29) 628-88-42 ( Средне )
Схема проезда
г. Новогрудок ул. Индустриальная, 3 +375 (44) 729-39-19 ( Мало )
Схема проезда
г. Пинск ул. Калиновского 32 +375 (44) 560-99-59 ( Мало )
Схема проезда
г. Полоцк-2 ул. Шенягина, 52 +375 (29) 302-94-73 ( Мало )
Схема проезда
г. Полоцк-2 ул. Шенягина, 52 +375 (29) 302-94-73 ( Мало )
Схема проезда
г. Поставы ул. Советская, 69 +375 (44) 770-80-13 ( Средне )
Схема проезда
г. Сморгонь ул. Железнодорожная, 32 +375 (29) 671-02-10 ( Мало )
Схема проезда
г. Столин ул. Быковского, 29 +375 (33) 304-54-36 ( Мало )
Схема проезда
г. Щучин ул. Советская, 39 +375 (29) 177-29-70 ( Мало )
Схема проезда
Головка блока цилиндров,Автодизель 236Д-1003013-А
Головка блока цилиндров,Автодизель
Каталожный номер 236Д-1003013-А
Производитель Автодизель Автодизель
Код 9861
Доставка по всей Беларуси
Доступность остатки на филиалах Остатки на филиалах
Остаток: г.Минск, ул.Селицкого 21к В наличии
Склад Адрес Контакт Остатки
г. Минск ул. Селицкого, 21к +375 (44) 770-80-78 ( Мало )
Схема проезда
Шатун 650-1004045 DONGFENG 650-1004045
Шатун 650-1004045 DONGFENG
Каталожный номер 650-1004045
Производитель DongFeng DongFeng
Код 00-ГР038837
Доставка по всей Беларуси
Доступность остатки на филиалах Остатки на филиалах
Остаток Под заказ
Болт 650.1005127 маховика (я) 650.1005127
Болт 650.1005127 маховика (я)
Каталожный номер 650.1005127
Производитель Автодизель Автодизель
Код 00-ГР012232
Доставка по всей Беларуси
Доступность остатки на филиалах Остатки на филиалах
Остаток: г.Минск, ул.Селицкого 21к В наличии
Склад Адрес Контакт Остатки
г. Минск ул. Селицкого, 21к +375 (44) 770-80-78 ( Средне )
Схема проезда
Труба выхлопная патрубок на глушитель выходной,Автодизель 437040-1203075 У
Труба выхлопная патрубок на глушитель выходной,Автодизель
Каталожный номер 437040-1203075 У
Производитель МАЗ МАЗ
Код 33143
Доставка по всей Беларуси
Доступность остатки на филиалах Остатки на филиалах
Остаток В наличии
Склад Адрес Контакт Остатки
г. Барановичи ул. Пролетарская, 40 +375 (29) 795-96-37 ( Мало )
Схема проезда
г. Бобруйск ул. Орловского, 22к3 +375 (29) 345-37-07 ( Средне )
Схема проезда
г. Борисов ул. Демина, 2а +375 (44) 560-99-75 ( Мало )
Схема проезда
г. Витебск ул. Петруся Бровки, 34 +375 (29) 636-25-08 ( Мало )
Схема проезда
г. Гомель ул. Барыкина, 291Б +375 (44) 514-15-30 ( Мало )
Схема проезда
г. Лельчицы ул. Советская, д.96/1 +375 (29) 346-98-96 ( Мало )
Схема проезда
г. Новогрудок ул. Индустриальная, 3 +375 (44) 729-39-19 ( Мало )
Схема проезда
г. Ошмяны ул. Льнозоводская 3 +375 (44) 770-80-91 ( Мало )
Схема проезда
г. Пинск ул. Калиновского 32 +375 (44) 560-99-59 ( Мало )
Схема проезда
г. Полоцк-2 ул. Шенягина, 52 +375 (29) 302-94-73 ( Мало )
Схема проезда
г. Полоцк-2 ул. Шенягина, 52 +375 (29) 302-94-73 ( Мало )
Схема проезда
г. Слуцк ул. Тутаринова, 8 +375 (29) 346-06-90 ( Мало )
Схема проезда