Республика Беларусь,
г. Минск, ул. Селицкого 21к - центральный склад
Пн-пт с 8:00 до 17:00
Меню
1/59722/21 Болт
Наименование: Болт 1/59722/21
Каталожный номер: 1/59722/21
Производитель: РФ
Код товара: 38707
Доставка: по всей Беларуси
Остаток: под заказ

Нашли не точность в описании товара? сообщить администратору.

+375 (44) 770-80-78 +375 (29) 747-80-78
* Выставить счет, получить техническую информацию и стоимость
Заказать деталь Онлайн
Описание
Наличие на филиалах
Применяемость
Заменить на СТО

Болт 1/59722/21. Код товара для заказа: 38707

Марка Модель Кат.номер Наим. по каталогу Чертеж
ЛАЗ ЛАЗ 4207 1/59722/21 Болт М10х1,25х120 Фильтр-теплообменник (установка)
ЛАЗ ЛАЗ 4207 1/59722/21 Болт М10х1,25х120 Фильтр центробежный очистки масла (вариант) Чертеж Фильтр центробежный очистки масла (вариант)
ЛиАЗ ЛиАЗ 5256 1/59722/21 Болт М10х1,25х120 Фильтр центробежный очистки масла Чертеж Фильтр центробежный очистки масла
Камский автозавод 4310 1/59722/21 Болт М10х1,25-6gх120 Зеркало наружное заднего вида Чертеж Зеркало наружное заднего вида
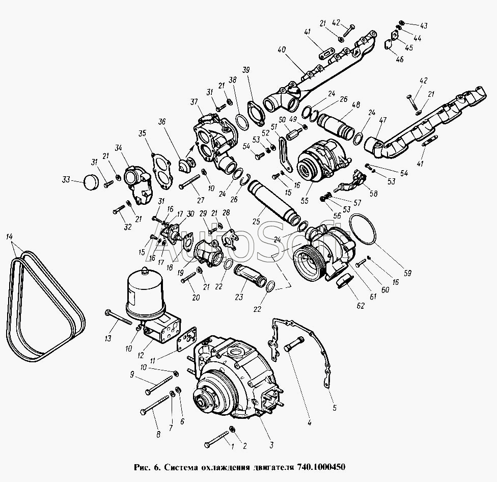
Камский автозавод 4310 1/59722/21 Болт М10х1,25-6gх120 Система охлаждения двигателя Чертеж Система охлаждения двигателя
Камский автозавод 4310 1/59722/21 Болт М10х1,25-6gх120 Глушитель выхлопа Чертеж Глушитель выхлопа
Камский автозавод 4310 1/59722/21 Болт М10х1,25-6gх120 Рессора задняя Чертеж Рессора задняя
Камский автозавод 5320 1/59722/21 Болт М10х1,25-6gх120 Зеркало наружное заднего вида Чертеж Зеркало наружное заднего вида
Камский автозавод 5320 1/59722/21 Болт М10х1,25-6gх120 Система охлаждения двигателя Чертеж Система охлаждения двигателя
Камский автозавод 5320 1/59722/21 Болт М10х1,25-6gх120 Рессора задняя Чертеж Рессора задняя
Камский автозавод 53212 1/59722/21 Болт М10х1,25-6gх120 Зеркало наружное заднего вида Чертеж Зеркало наружное заднего вида
Камский автозавод 53212 1/59722/21 Болт М10х1,25-6gх120 Система охлаждения двигателя Чертеж Система охлаждения двигателя
Камский автозавод 53212 1/59722/21 Болт М10х1,25-6gх120 Рессора задняя Чертеж Рессора задняя
Камский автозавод 5410 1/59722/21 Болт М10х1,25-6gх120 Зеркало наружное заднего вида Чертеж Зеркало наружное заднего вида
Камский автозавод 5410 1/59722/21 Болт М10х1,25-6gх120 Система охлаждения двигателя Чертеж Система охлаждения двигателя
Камский автозавод 5410 1/59722/21 Болт М10х1,25-6gх120 Рессора задняя Чертеж Рессора задняя
Камский автозавод 54112 1/59722/21 Болт М10х1,25-6gх120 Зеркало наружное заднего вида Чертеж Зеркало наружное заднего вида
Камский автозавод 54112 1/59722/21 Болт М10х1,25-6gх120 Система охлаждения двигателя Чертеж Система охлаждения двигателя
Камский автозавод 54112 1/59722/21 Болт М10х1,25-6gх120 Рессора задняя Чертеж Рессора задняя
Камский автозавод 5511 (2003) 1/59722/21 Болт М10х1,25-6gх120 Зеркало наружное заднего вида Чертеж Зеркало наружное заднего вида
Товары из этой категории
Фильтр очистки топлива дизелей и их сменный элемент PL-420 в сборе PL-420
Фильтр очистки топлива дизелей и их сменный элемент PL-420 в сборе
Каталожный номер PL-420
Производитель СпецМаш СпецМаш
Код 26130
Доставка по всей Беларуси
Доступность остатки на филиалах Остатки на филиалах
Остаток В наличии
Склад Адрес Контакт Остатки
г. Несвиж ул. Кутузова, 2 +375 (29) 394-82-48 ( Мало )
Схема проезда
г. Слуцк ул. Тутаринова, 8 +375 (29) 346-06-90 ( Мало )
Схема проезда
Фильтр очистки топлива дизелей и их сменный элемент PL-270 PL-270
Фильтр очистки топлива дизелей и их сменный элемент PL-270
Каталожный номер PL-270
Производитель ZTD ZTD
Код 21747
Доставка по всей Беларуси
Доступность остатки на филиалах Остатки на филиалах
Остаток В наличии
Склад Адрес Контакт Остатки
г. Барановичи ул. Пролетарская, 40 +375 (29) 795-96-37 ( Мало )
Схема проезда
г. Бобруйск ул. Гоголя, 181/1-6 +375 (29) 630-05-01 ( Средне )
Схема проезда
г. Борисов ул. Демина, 2а +375 (44) 560-99-75 ( Мало )
Схема проезда
г. Витебск ул. Правды, 33 +375 (44) 770-80-87 ( Мало )
Схема проезда
г. Глубокое ул. Энгельса, 22 +375 (44) 505-71-40 ( Средне )
Схема проезда
г. Гродно ул. Карского, 35 +375 (44) 770-70-21 ( Средне )
Схема проезда
г. Дятлово ул. Советская ,104 +375 (29) 187-87-37 ( Средне )
Схема проезда
г. Житковичи ул. Комсомольская, 49 +375 (29) 394-82-52 ( Мало )
Схема проезда
г. Осиповичи ул. Короткая, 11 +375 (29) 165-60-07 ( Мало )
Схема проезда
г. Петриков ул. Первомайская, 124 +375 (33) 660-06-75 ( Средне )
Схема проезда
г. Полоцк-2 ул. Шенягина, 52 +375 (29) 302-94-73 ( Мало )
Схема проезда
г. Пружаны ул. Макаренко, 21 +375 (29) 348-83-18 ( Мало )
Схема проезда
г. Слоним ул. Советская, 93а +375 (29) 394-82-01 ( Мало )
Схема проезда
Ремкомплект фильтра тонкой очистки топлива РТИ740.1117010К3
Ремкомплект фильтра тонкой очистки топлива
Каталожный номер РТИ740.1117010К3
Производитель Резинотехника Резинотехника
Код 11497
Доставка по всей Беларуси
Доступность остатки на филиалах Остатки на филиалах
Остаток В наличии
Склад Адрес Контакт Остатки
г. Барановичи ул. Пролетарская, 40 +375 (29) 795-96-37 ( Средне )
Схема проезда
г. Бобруйск ул. Гоголя, 181/1-6 +375 (29) 630-05-01 ( Средне )
Схема проезда
г. Бобруйск ул. Орловского, 22к3 +375 (29) 345-37-07 ( Средне )
Схема проезда
г. Витебск ул. Петруся Бровки, 34 +375 (29) 636-25-08 ( Мало )
Схема проезда
г. Дрогичин ул. Юбилейная, 42 +375 (29) 682-17-13 ( Мало )
Схема проезда
г. Мозырь промузел Козенки +375 (44) 731-94-60 ( Средне )
Схема проезда
г. Осиповичи ул. Короткая, 11 +375 (29) 165-60-07 ( Средне )
Схема проезда
г. Ошмяны ул. Льнозоводская 3 +375 (44) 770-80-91 ( Средне )
Схема проезда
г. Петриков ул. Первомайская, 124 +375 (33) 660-06-75 ( Мало )
Схема проезда
г. Полоцк-2 ул. Шенягина, 52 +375 (29) 302-94-73 ( Мало )
Схема проезда
г. Слуцк ул. Тутаринова, 8 +375 (29) 346-06-90 ( Мало )
Схема проезда
Стакан фильтра топливного КАМАЗ ЕВРО-2 (PL-270) PL-270-02
Стакан фильтра топливного КАМАЗ ЕВРО-2 (PL-270)
Каталожный номер PL-270-02
Производитель Автомагнат Автомагнат
Код 25369
Доставка по всей Беларуси
Доступность остатки на филиалах Остатки на филиалах
Остаток: г.Минск, ул.Селицкого 21к В наличии
Склад Адрес Контакт Остатки
г. Минск ул. Селицкого, 21к +375 (44) 770-80-78 ( Мало )
Схема проезда
г. Витебск ул. Правды, 33 +375 (44) 770-80-87 ( Мало )
Схема проезда
г. Гомель ул. Барыкина, 291Б +375 (44) 514-15-30 ( Мало )
Схема проезда
г. Дятлово ул. Советская ,104 +375 (29) 187-87-37 ( Мало )
Схема проезда
г. Мозырь промузел Козенки +375 (44) 731-94-60 ( Мало )
Схема проезда
г. Слуцк ул. Тутаринова, 8 +375 (29) 346-06-90 ( Средне )
Схема проезда
Фильтр топливный  (PL 420) в сборе DIFA 6402/1
Фильтр топливный (PL 420) в сборе
Каталожный номер DIFA 6402/1
Производитель ДИФА ДИФА
Код 27461
Доставка по всей Беларуси
Доступность остатки на филиалах Остатки на филиалах
Остаток: г.Минск, ул.Селицкого 21к В наличии
Склад Адрес Контакт Остатки
г. Минск ул. Селицкого, 21к +375 (44) 770-80-78 ( Много )
Схема проезда
г. Барановичи ул. Пролетарская, 40 +375 (29) 795-96-37 ( Средне )
Схема проезда
г. Барановичи ул. Бадака, 27Б +375 (29) 350-33-47 ( Средне )
Схема проезда
г. Березино ул. Комсомольская, д. 24 +375 (44) 770-80-17 ( Средне )
Схема проезда
г. Бобруйск ул. Гоголя, 181/1-6 +375 (29) 630-05-01 ( Средне )
Схема проезда
г. Бобруйск ул. Орловского, 22к3 +375 (29) 345-37-07 ( Мало )
Схема проезда
г. Борисов ул. Демина, 2а +375 (44) 560-99-75 ( Мало )
Схема проезда
г. Брест Тельминский с/с, 1Д/1, 1 км южнее д. Тельмы-2 +375 (44) 599-90-75 ( Средне )
Схема проезда
г. Витебск ул. Правды, 33 +375 (44) 770-80-87 ( Средне )
Схема проезда
г. Глубокое ул. Энгельса, 22 +375 (44) 505-71-40 ( Средне )
Схема проезда
г. Гомель ул. Барыкина, 291Б +375 (44) 514-15-30 ( Средне )
Схема проезда
г. Гомель ул. Барыкина, 291Б +375 (44) 514-15-30 ( Средне )
Схема проезда
г. Горки ул.Мира, д.51а/1 +375 (44) 565-33-61 ( Средне )
Схема проезда
г. Гродно ул. Карского, 35 +375 (44) 770-70-21 ( Средне )
Схема проезда
г. Дрогичин ул. Юбилейная, 42 +375 (29) 682-17-13 ( Мало )
Схема проезда
г. Дятлово ул. Советская ,104 +375 (29) 187-87-37 ( Мало )
Схема проезда
г. Житковичи ул. Комсомольская, 49 +375 (29) 394-82-52 ( Мало )
Схема проезда
г. Ивацевичи ул. Загородная, 6А +375 (29) 188-59-01 ( Средне )
Схема проезда
г. Кобрин ул. Пролетарская, 177А +375 (44) 588-10-80 ( Средне )
Схема проезда
г. Кричев ул. Комсомольская, 126 +375 (29) 628-88-42 ( Средне )
Схема проезда
г. Лельчицы ул. Советская, д.96/1 +375 (29) 346-98-96 ( Средне )
Схема проезда
г. Лепель ул. Лобанка, 43 +375 (44) 778-65-21 ( Средне )
Схема проезда
г. Лунинец ул.Красная, 175а +375 (44) 721-46-74 ( Средне )
Схема проезда
г. Могилев ул. Габровская 11Б +375 (29) 662-02-16 ( Много )
Схема проезда
г. Мозырь промузел Козенки +375 (44) 731-94-60 ( Средне )
Схема проезда
г. Молодечно ул. Галицкого, 14 +375 (44) 567-28-47 ( Средне )
Схема проезда
г. Несвиж ул. Кутузова, 2 +375 (29) 394-82-48 ( Средне )
Схема проезда
г. Осиповичи ул. Короткая, 11 +375 (29) 165-60-07 ( Мало )
Схема проезда
г. Ошмяны ул. Льнозоводская 3 +375 (44) 770-80-91 ( Средне )
Схема проезда
г. Петриков ул. Первомайская, 124 +375 (33) 660-06-75 ( Мало )
Схема проезда
г. Пинск ул. Калиновского 32 +375 (44) 560-99-59 ( Средне )
Схема проезда
г. Полоцк-2 ул. Шенягина, 52 +375 (29) 302-94-73 ( Средне )
Схема проезда
г. Полоцк-2 ул. Шенягина, 52 +375 (29) 302-94-73 ( Мало )
Схема проезда
г. Поставы ул. Советская, 69 +375 (44) 770-80-13 ( Средне )
Схема проезда
г. Слоним ул. Советская, 93а +375 (29) 394-82-01 ( Мало )
Схема проезда
г. Слуцк ул. Тутаринова, 8 +375 (29) 346-06-90 ( Средне )
Схема проезда
г. Сморгонь ул. Железнодорожная, 32 +375 (29) 671-02-10 ( Средне )
Схема проезда
г. Солигорск Чижевичский сельсовет, 3Г +375 (29) 899-58-52 ( Средне )
Схема проезда
г. Столин ул. Быковского, 29 +375 (33) 304-54-36 ( Мало )
Схема проезда
г. Щучин ул. Советская, 39 +375 (29) 177-29-70 ( Средне )
Схема проезда
Распылитель (33.1112110-12К) КАМАЗ 33.1112110-12К
Распылитель (33.1112110-12К) КАМАЗ
Каталожный номер 33.1112110-12К
Производитель АЗПИ АЗПИ
Код 26935
Доставка по всей Беларуси
Доступность остатки на филиалах Остатки на филиалах
Остаток: г.Минск, ул.Селицкого 21к В наличии
Склад Адрес Контакт Остатки
г. Минск ул. Селицкого, 21к +375 (44) 770-80-78 ( Много )
Схема проезда
г. Полоцк-2 ул. Шенягина, 52 +375 (29) 302-94-73 ( Много )
Схема проезда
г. Слоним ул. Советская, 93а +375 (29) 394-82-01 ( Много )
Схема проезда
Элемент фильтра возд. Урал,ЗИЛ-133 диз. 740-1109560-10МЭ
Элемент фильтра возд. Урал,ЗИЛ-133 диз.
Каталожный номер 740-1109560-10МЭ
Производитель УП Фильтр УП Фильтр
Код 15212
Доставка по всей Беларуси
Доступность остатки на филиалах Остатки на филиалах
Остаток: г.Минск, ул.Селицкого 21к В наличии
Склад Адрес Контакт Остатки
г. Минск ул. Селицкого, 21к +375 (44) 770-80-78 ( Средне )
Схема проезда
г. Барановичи ул. Пролетарская, 40 +375 (29) 795-96-37 ( Мало )
Схема проезда
г. Бобруйск ул. Орловского, 22к3 +375 (29) 345-37-07 ( Мало )
Схема проезда
г. Борисов ул. Демина, 2а +375 (44) 560-99-75 ( Мало )
Схема проезда
г. Гродно ул. Карского, 35 +375 (44) 770-70-21 ( Средне )
Схема проезда
г. Житковичи ул. Комсомольская, 49 +375 (29) 394-82-52 ( Мало )
Схема проезда
г. Ошмяны ул. Льнозоводская 3 +375 (44) 770-80-91 ( Мало )
Схема проезда
г. Полоцк-2 ул. Шенягина, 52 +375 (29) 302-94-73 ( Мало )
Схема проезда
г. Слоним ул. Советская, 93а +375 (29) 394-82-01 ( Мало )
Схема проезда
г. Столин ул. Быковского, 29 +375 (33) 304-54-36 ( Мало )
Схема проезда
Фильтр очистки топлива дизелей и их сменный элемент PL-270 в сборе с подогревом PL-270
Фильтр очистки топлива дизелей и их сменный элемент PL-270 в сборе с подогревом
Каталожный номер PL-270
Производитель СпецМаш СпецМаш
Код 35261
Доставка по всей Беларуси
Доступность остатки на филиалах Остатки на филиалах
Остаток В наличии
Склад Адрес Контакт Остатки
г. Гродно ул. Карского, 35 +375 (44) 770-70-21 ( Мало )
Схема проезда
г. Дятлово ул. Советская ,104 +375 (29) 187-87-37 ( Мало )
Схема проезда
г. Осиповичи ул. Короткая, 11 +375 (29) 165-60-07 ( Мало )
Схема проезда
г. Ошмяны ул. Льнозоводская 3 +375 (44) 770-80-91 ( Мало )
Схема проезда
г. Слуцк ул. Тутаринова, 8 +375 (29) 346-06-90 ( Мало )
Схема проезда