Республика Беларусь,
г. Минск, ул. Селицкого 21к - центральный склад
Пн-пт с 8:00 до 17:00
Меню
5336-6104033-01 Барабан ОЗАА,Осиповичи
Наименование: Барабан ОЗАА,Осиповичи
Каталожный номер: 5336-6104033-01
Код товара: 5336610403301
Доставка: по всей Беларуси
Остаток: под заказ

Нашли не точность в описании товара? сообщить администратору.

+375 (44) 770-80-78 +375 (29) 747-80-78
* Выставить счет, получить техническую информацию и стоимость
Заказать деталь Онлайн
Описание
Наличие на филиалах
Применяемость
Заменить на СТО

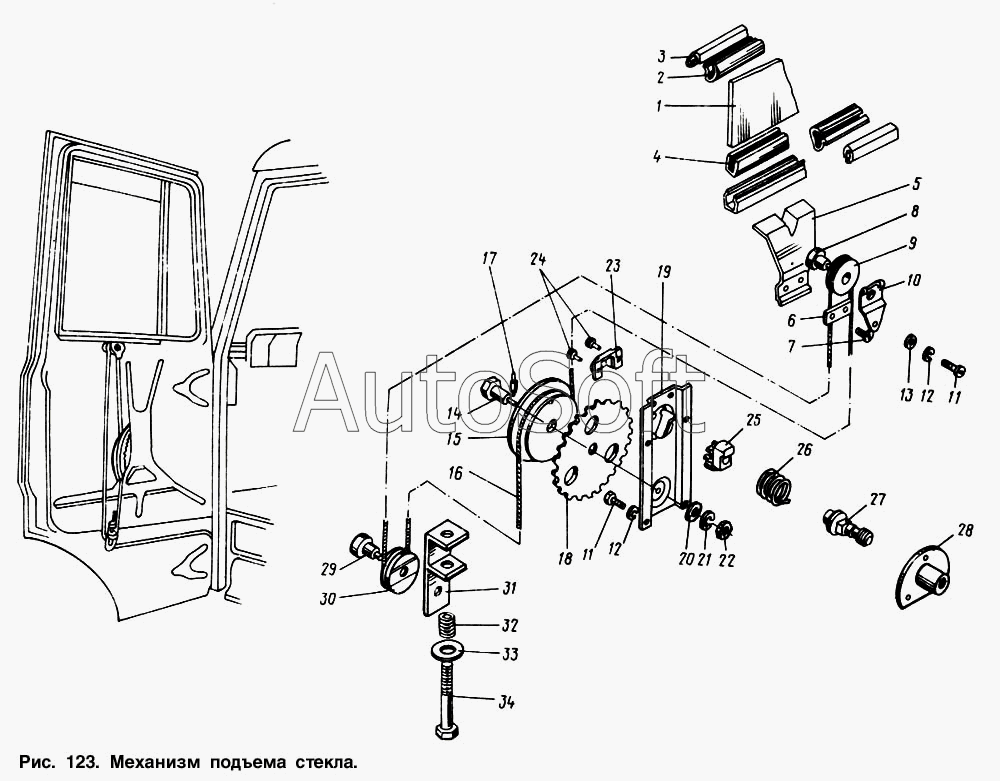
5336-6104033-01 Барабан.

  • Производитель: ОЗАА,Осиповичи
  • Каталожный номер по заводу: 5336-6104033-01
  • Код для заказа:  5336610403301
Марка Модель Кат.номер Наим. по каталогу Чертеж
МАЗ МАЗ-437040 (Зубренок) (2002) 5336-6104033-01 Барабан Установка стеклоподъемника и ручки стеклоподъемника Чертеж Установка стеклоподъемника и ручки стеклоподъемника
МАЗ МАЗ-53363 5336-6104033-01 Барабан Механизм подъема стекла
МАЗ МАЗ-53366 5336-6104033-01 Барабан Механизм подъема стекла Чертеж Механизм подъема стекла
МАЗ МАЗ-5337 5336-6104033-01 Барабан Механизм подъема стекла
МАЗ МАЗ-53371 5336-6104033-01 Барабан Механизм подъема стекла Чертеж Механизм подъема стекла
МАЗ МАЗ-54321 5336-6104033-01 Барабан Механизм подъема стекла Чертеж Механизм подъема стекла
МАЗ МАЗ-54323 5336-6104033-01 Барабан Механизм подъема стекла Чертеж Механизм подъема стекла
МАЗ МАЗ-5434 5336-6104033-01 Барабан Механизм подъема стекла
МАЗ МАЗ-5516 5336-6104033-01 Барабан Механизм подъема стекла Чертеж Механизм подъема стекла
МАЗ МАЗ-5551 5336-6104033-01 Барабан Механизм подъема стекла Чертеж Механизм подъема стекла
МАЗ МАЗ-6303 (2000) 5336-6104033-01 Барабан Механизм подъема стекла
МАЗ МАЗ-64221 5336-6104033-01 Барабан Механизм подъема стекла Чертеж Механизм подъема стекла
МАЗ МАЗ-64255 5336-6104033-01 Барабан Механизм подъема стекла Чертеж Механизм подъема стекла
МАЗ МАЗ-64229 5336-6104033-01 Барабан Механизм подъема стекла Чертеж Механизм подъема стекла
МАЗ Общий (см. мод-ции) 5336-6104033-01 Барабан Механизм подъема стекла Чертеж Механизм подъема стекла
МАЗ МАЗ-543202 (2003) 5336-6104033-01 Барабан Установка стеклоподъемника и ручки стеклоподъемника Чертеж Установка стеклоподъемника и ручки стеклоподъемника
МАЗ МАЗ-5336 (2005) 5336-6104033-01 Барабан Установка стеклоподъемника и ручки стеклоподъемника Чертеж Установка стеклоподъемника и ручки стеклоподъемника
МАЗ МАЗ-6422 (2003) 5336-6104033-01 Барабан Установка стеклоподъемника и ручки стеклоподъемника
МЗКТ МЗКТ-65158 (1999) 5336-6104033-01 Барабан Механизм подъема стекла Чертеж Механизм подъема стекла
МЗКТ МЗКТ-79092 (2005) 5336-6104033-01 Барабан Механизм подъема стекла Чертеж Механизм подъема стекла
Товары из этой категории
Угольник  МАЗ ОАО 379762
Угольник МАЗ ОАО
Каталожный номер 379762
Производитель
Код 379762
Доставка по всей Беларуси
Остаток Под заказ
Панель основания правая  МАЗ ОАО 555102-5101024
Панель основания правая МАЗ ОАО
Каталожный номер 555102-5101024
Производитель
Код 5551025101024
Доставка по всей Беларуси
Остаток Под заказ
Решетка передняя  JAC, Китай 5509011R001-Z001
Решетка передняя JAC, Китай
Каталожный номер 5509011R001-Z001
Производитель
Код 5509011R001Z001
Доставка по всей Беларуси
Остаток Под заказ
Ступица  МАЗ ОАО 9758-3104006
Ступица МАЗ ОАО
Каталожный номер 9758-3104006
Производитель
Код 97583104006
Доставка по всей Беларуси
Остаток Под заказ
Шланг  БААЗ,Барановичи 5335-3408009-10
Шланг БААЗ,Барановичи
Каталожный номер 5335-3408009-10
Производитель
Код 5335340800910
Доставка по всей Беларуси
Остаток Под заказ