Республика Беларусь,
г. Минск, ул. Селицкого 21к - центральный склад
Пн-пт с 8:00 до 17:00
Меню
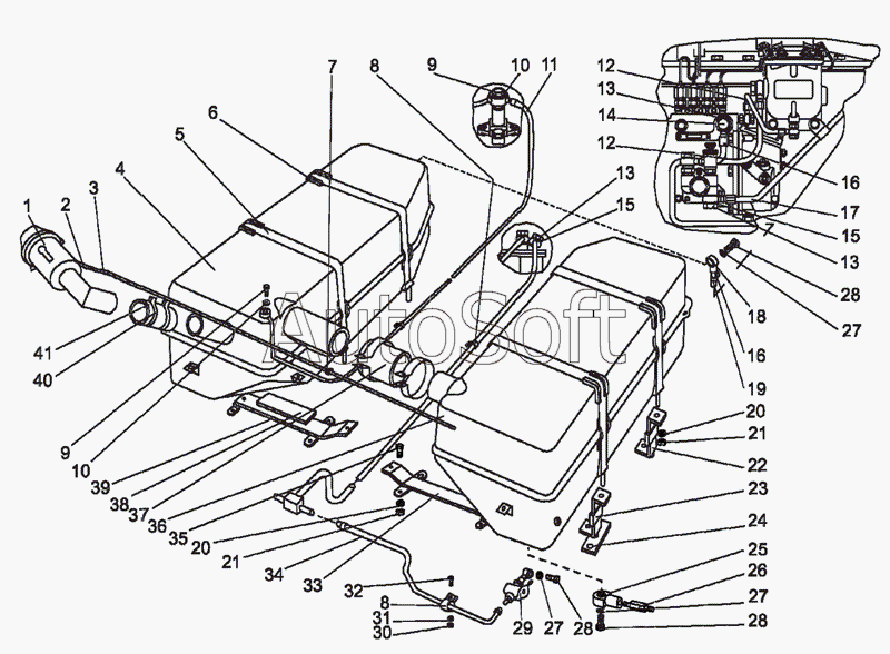
70-1101020 Бак топливный левый МТЗ
Наименование: Бак топливный 70-1101020 левый МТЗ
Каталожный номер: 70-1101020
Производитель: МТЗ
Код товара: 16221
Доставка: по всей Беларуси
Остаток: в наличии

Нашли не точность в описании товара? сообщить администратору.

+375 (44) 770-80-78 +375 (29) 747-80-78
* Выставить счет, получить техническую информацию и стоимость
Заказать деталь Онлайн
Описание
Наличие на филиалах
Применяемость
Заменить на СТО

Ширина, м: 0.47
Высота, м: 0.37
Длина, м: 0.73
Вес, кг: 12.063

Код для заказа: 16221

Марка Модель Кат.номер Наим. по каталогу Чертеж
ЛиАЗ ЛиАЗ 677 375-1101020-Б Фланец наливной трубы топливного бака Система питания автобуса Чертеж Система питания автобуса
ЗИЛ ЗИЛ-3250 (2000) 5301СС-1101020 Фланец уплотнительными Система питания дизеля
ЗИЛ ЗИЛ-5301 (2006) (2006) 5301СС-1101020 Фланец уплотнительными Установка системы питания автобусов ЗИЛ-3250 и ЗИЛ-32501 Чертеж Установка системы питания автобусов ЗИЛ-3250 и ЗИЛ-32501
МТЗ МТЗ-80 (1998) 70-1101020 Бак Топливные баки Чертеж Топливные баки
МТЗ МТЗ-100 85-1101020 Бак левый Баки топливные
МТЗ МТЗ-900 70-1101020 Бак Топливные баки Чертеж Топливные баки
МТЗ МТЗ-1221 (1997) 85-1101020 Бак левый Баки топливные
МТЗ МТЗ-082 082БС-1101020 Бак Бак 082БС-1101
МТЗ МТЗ-1005 (2008) 85-1101020 Бак левый Топливные баки Чертеж Топливные баки
МТЗ МТЗ-80 (2002) (2002) 70-1101020 Бак 1101 Баки топливные Чертеж 1101 Баки топливные
МТЗ МТЗ-90/92 (2008) 70-1101020 Бак Бак топливный Чертеж Бак топливный
МТЗ МЛ-131 (2008) МЛ131-1101020 Бак топливный Система топливная Чертеж Система топливная
МТЗ МЛ-131 (2008) 354-1101020-Б Кронштейн Система топливная Чертеж Система топливная
МТЗ МЛПТ-354М (2008) МЛ127-1101020 Бак топливный Система топливная Чертеж Система топливная
МТЗ МЛПТ-354М (2008) 354-1101020-Б Кронштейн Система топливная Чертеж Система топливная
МТЗ МТЗ-80 (2009) (2009) 70-1101020 Бак Баки топливные (металлические) Чертеж Баки топливные (металлические)
ЮМЗ ЮМЗ-6Л (1991) 45-1101020 СБ Установка топливного бака Топливный бак. Крышка топливного бака Чертеж Топливный бак. Крышка топливного бака
ЮМЗ ЮМЗ-6Л (1991) 45-1101020 СБ Установка топливного бака Топливный бак. Крышка топливного бака Чертеж Топливный бак. Крышка топливного бака
ПТЗ К-744Р2 744-1101020 Линейка топливомера Бак топливный 744Р1-1101000 Чертеж Бак топливный 744Р1-1101000
ПТЗ K-744P1 (2001) 744-1101020 Линейка топливомера Бак топливный Чертеж Бак топливный
Склад Адрес Контакт Остатки
г. Минск ул. Селицкого, 21к +375 (44) 770-80-78 ( Мало )
Схема проезда
г. Барановичи ул. Бадака, 27Б +375 (29) 350-33-47 Под заказ
Схема проезда
г. Барановичи ул. Пролетарская, 40 +375 (29) 795-96-37 Под заказ
Схема проезда
г. Берёза ул. Красноармейская, 89/11 +375 (29) 676-70-71 Под заказ
Схема проезда
г. Березино ул. Комсомольская, д. 24 +375 (44) 770-80-17 Под заказ
Схема проезда
г. Бобруйск ул. Орловского, 22к3 +375 (29) 345-37-07 Под заказ
Схема проезда
г. Бобруйск ул. Гоголя, 181/1-6 +375 (29) 630-05-01 Под заказ
Схема проезда
г. Борисов ул. Демина, 2а +375 (44) 560-99-75 Под заказ
Схема проезда
г. Брест Тельминский с/с, 1Д/1, 1 км южнее д. Тельмы-2 +375 (44) 599-90-75 Под заказ
Схема проезда
г. Витебск ул. Правды, 33 +375 (44) 770-80-87 Под заказ
Схема проезда
г. Витебск ул. Петруся Бровки, 34 +375 (29) 636-25-08 Под заказ
Схема проезда
г. Глубокое ул. Энгельса, 22 +375 (44) 505-71-40 Под заказ
Схема проезда
г. Гомель ул. Барыкина, 291Б +375 (44) 514-15-30 Под заказ
Схема проезда
г. Гомель ул. Текстильная, 10 +375 (44) 540-02-05 Под заказ
Схема проезда
г. Горки ул.Мира, д.51а/1 +375 (44) 565-33-61 Под заказ
Схема проезда
г. Гродно ул. Карского, 35 +375 (44) 770-70-21 Под заказ
Схема проезда
г. Дрогичин ул. Юбилейная, 42 +375 (29) 682-17-13 Под заказ
Схема проезда
г. Дятлово ул. Советская ,104 +375 (29) 187-87-37 Под заказ
Схема проезда
г. Житковичи ул. Комсомольская, 49 +375 (29) 394-82-52 Под заказ
Схема проезда
г. Жлобин ул. Козлова, 25 +375 (29) 346-06-78 Под заказ
Схема проезда
г. Ивацевичи ул. Загородная, 6А +375 (29) 188-59-01 Под заказ
Схема проезда
г. Кобрин ул. Пролетарская, 177А +375 (44) 588-10-80 Под заказ
Схема проезда
г. Кричев ул. Комсомольская, 126 +375 (29) 628-88-42 Под заказ
Схема проезда
г. Лельчицы ул. Советская, д.96/1 +375 (29) 346-98-96 Под заказ
Схема проезда
г. Лепель ул. Лобанка, 43 +375 (44) 778-65-21 Под заказ
Схема проезда
г. Лида ул. Качана, 7 +375 (29) 612-60-61 Под заказ
Схема проезда
г. Лунинец ул.Красная, 175а +375 (44) 721-46-74 Под заказ
Схема проезда
г. Минск ул. Бабушкина, 37 +375 (29) 632-00-82 Под заказ
Схема проезда
г. Могилев ул. Габровская 11Б +375 (29) 662-02-16 Под заказ
Схема проезда
г. Мозырь промузел Козенки +375 (44) 731-94-60 Под заказ
Схема проезда
г. Молодечно ул. Галицкого, 14 +375 (44) 567-28-47 Под заказ
Схема проезда
г. Несвиж ул. Кутузова, 2 +375 (29) 394-82-48 Под заказ
Схема проезда
г. Новогрудок ул. Индустриальная, 3 +375 (44) 729-39-19 Под заказ
Схема проезда
г. Орша ул. Сергея Кирова, д. 34 +375 (44) 583-91-42 Под заказ
Схема проезда
г. Осиповичи ул. Короткая, 11 +375 (29) 165-60-07 Под заказ
Схема проезда
г. Ошмяны ул. Льнозоводская 3 +375 (44) 770-80-91 Под заказ
Схема проезда
г. Петриков ул. Первомайская, 124 +375 (33) 660-06-75 Под заказ
Схема проезда
г. Пинск ул. Калиновского 32 +375 (44) 560-99-59 Под заказ
Схема проезда
г. Полоцк ул. Пролетарская, 6 +375 (29) 644-57-58 Под заказ
Схема проезда
г. Полоцк ул. Строительная, 30Б +375 (29) 302-97-91 Под заказ
Схема проезда
г. Полоцк-2 ул. Шенягина, 52 +375 (29) 302-94-73 Под заказ
Схема проезда
г. Поставы ул. Советская, 69 +375 (44) 770-80-13 Под заказ
Схема проезда
г. Пружаны ул. Макаренко, 21 +375 (29) 348-83-18 Под заказ
Схема проезда
г. Слоним ул. Советская, 93а +375 (29) 394-82-01 Под заказ
Схема проезда
г. Слуцк ул. Тутаринова, 8 +375 (29) 346-06-90 Под заказ
Схема проезда
г. Сморгонь ул. Железнодорожная, 32 +375 (29) 671-02-10 Под заказ
Схема проезда
г. Солигорск Чижевичский сельсовет, 3Г +375 (29) 899-58-52 Под заказ
Схема проезда
г. Столин ул. Быковского, 29 +375 (33) 304-54-36 Под заказ
Схема проезда
г. Щучин ул. Советская, 39 +375 (29) 177-29-70 Под заказ
Схема проезда
Товары из этой категории
Клапан нагнетательный УТН-5.1111220, 463А-16с16Р (22 мм) ПАРУС 463А-16с16Р
Клапан нагнетательный УТН-5.1111220, 463А-16с16Р (22 мм) ПАРУС
Каталожный номер 463А-16с16Р
Производитель ПАРУС ПАРУС
Код 00-ГР032045
Доставка по всей Беларуси
Доступность остатки на филиалах Остатки на филиалах
Остаток: г.Минск, ул.Селицкого 21к В наличии
Склад Адрес Контакт Остатки
г. Минск ул. Селицкого, 21к +375 (44) 770-80-78 ( Много )
Схема проезда
г. Барановичи ул. Пролетарская, 40 +375 (29) 795-96-37 ( Средне )
Схема проезда
г. Брест Тельминский с/с, 1Д/1, 1 км южнее д. Тельмы-2 +375 (44) 599-90-75 ( Много )
Схема проезда
г. Витебск ул. Петруся Бровки, 34 +375 (29) 636-25-08 ( Много )
Схема проезда
г. Гомель ул. Барыкина, 291Б +375 (44) 514-15-30 ( Много )
Схема проезда
г. Гродно ул. Карского, 35 +375 (44) 770-70-21 ( Средне )
Схема проезда
г. Мозырь промузел Козенки +375 (44) 731-94-60 ( Много )
Схема проезда
г. Пинск ул. Калиновского 32 +375 (44) 560-99-59 ( Средне )
Схема проезда
Корпус 245-1117081-CR
Корпус
Каталожный номер 245-1117081-CR
Производитель ММЗ ММЗ
Код 49402
Доставка по всей Беларуси
Доступность остатки на филиалах Остатки на филиалах
Остаток: г.Минск, ул.Селицкого 21к В наличии
Склад Адрес Контакт Остатки
г. Минск ул. Селицкого, 21к +375 (44) 770-80-78 ( Средне )
Схема проезда
г. Борисов ул. Демина, 2а +375 (44) 560-99-75 ( Мало )
Схема проезда
г. Гродно ул. Карского, 35 +375 (44) 770-70-21 ( Мало )
Схема проезда
Топливопровод дренажный Д-243,-245,-260 240-1104320
Топливопровод дренажный Д-243,-245,-260
Каталожный номер 240-1104320
Производитель RSTA RSTA
Код 11830
Доставка по всей Беларуси
Доступность остатки на филиалах Остатки на филиалах
Остаток В наличии
Склад Адрес Контакт Остатки
г. Бобруйск ул. Орловского, 22к3 +375 (29) 345-37-07 ( Мало )
Схема проезда
г. Жлобин ул. Козлова, 25 +375 (29) 346-06-78 ( Мало )
Схема проезда
г. Лепель ул. Лобанка, 43 +375 (44) 778-65-21 ( Мало )
Схема проезда
г. Новогрудок ул. Индустриальная, 3 +375 (44) 729-39-19 ( Мало )
Схема проезда
г. Осиповичи ул. Короткая, 11 +375 (29) 165-60-07 ( Средне )
Схема проезда
г. Ошмяны ул. Льнозоводская 3 +375 (44) 770-80-91 ( Мало )
Схема проезда
г. Полоцк-2 ул. Шенягина, 52 +375 (29) 302-94-73 ( Мало )
Схема проезда
г. Полоцк-2 ул. Шенягина, 52 +375 (29) 302-94-73 ( Мало )
Схема проезда
г. Слоним ул. Советская, 93а +375 (29) 394-82-01 ( Средне )
Схема проезда
г. Слуцк ул. Тутаринова, 8 +375 (29) 346-06-90 ( Мало )
Схема проезда
г. Столин ул. Быковского, 29 +375 (33) 304-54-36 ( Средне )
Схема проезда
Распылитель (аналог 145) форсунки 6А1-20С2-50.1
Распылитель (аналог 145) форсунки
Каталожный номер 6А1-20С2-50.1
Производитель RSTA RSTA
Код 16175
Доставка по всей Беларуси
Доступность остатки на филиалах Остатки на филиалах
Остаток В наличии
Склад Адрес Контакт Остатки
г. Барановичи ул. Бадака, 27Б +375 (29) 350-33-47 ( Мало )
Схема проезда
г. Гродно ул. Карского, 35 +375 (44) 770-70-21 ( Мало )
Схема проезда
г. Мозырь промузел Козенки +375 (44) 731-94-60 ( Мало )
Схема проезда
г. Пинск ул. Калиновского 32 +375 (44) 560-99-59 ( Мало )
Схема проезда
г. Полоцк-2 ул. Шенягина, 52 +375 (29) 302-94-73 ( Мало )
Схема проезда
г. Слуцк ул. Тутаринова, 8 +375 (29) 346-06-90 ( Мало )
Схема проезда
Топливопровод обратка с форсунок 70-1104180
Топливопровод обратка с форсунок
Каталожный номер 70-1104180
Производитель RSTA RSTA
Код 11684
Доставка по всей Беларуси
Доступность остатки на филиалах Остатки на филиалах
Остаток: г.Минск, ул.Селицкого 21к В наличии
Склад Адрес Контакт Остатки
г. Минск ул. Селицкого, 21к +375 (44) 770-80-78 ( Много )
Схема проезда
г. Барановичи ул. Пролетарская, 40 +375 (29) 795-96-37 ( Мало )
Схема проезда
г. Бобруйск ул. Гоголя, 181/1-6 +375 (29) 630-05-01 ( Средне )
Схема проезда
г. Бобруйск ул. Орловского, 22к3 +375 (29) 345-37-07 ( Мало )
Схема проезда
г. Борисов ул. Демина, 2а +375 (44) 560-99-75 ( Мало )
Схема проезда
г. Витебск ул. Правды, 33 +375 (44) 770-80-87 ( Средне )
Схема проезда
г. Гомель ул. Барыкина, 291Б +375 (44) 514-15-30 ( Средне )
Схема проезда
г. Горки ул.Мира, д.51а/1 +375 (44) 565-33-61 ( Мало )
Схема проезда
г. Гродно ул. Карского, 35 +375 (44) 770-70-21 ( Мало )
Схема проезда
г. Дрогичин ул. Юбилейная, 42 +375 (29) 682-17-13 ( Мало )
Схема проезда
г. Житковичи ул. Комсомольская, 49 +375 (29) 394-82-52 ( Мало )
Схема проезда
г. Лельчицы ул. Советская, д.96/1 +375 (29) 346-98-96 ( Средне )
Схема проезда
г. Молодечно ул. Галицкого, 14 +375 (44) 567-28-47 ( Мало )
Схема проезда
г. Несвиж ул. Кутузова, 2 +375 (29) 394-82-48 ( Средне )
Схема проезда
г. Осиповичи ул. Короткая, 11 +375 (29) 165-60-07 ( Средне )
Схема проезда
г. Ошмяны ул. Льнозоводская 3 +375 (44) 770-80-91 ( Средне )
Схема проезда
г. Петриков ул. Первомайская, 124 +375 (33) 660-06-75 ( Мало )
Схема проезда
г. Полоцк-2 ул. Шенягина, 52 +375 (29) 302-94-73 ( Средне )
Схема проезда
г. Пружаны ул. Макаренко, 21 +375 (29) 348-83-18 ( Мало )
Схема проезда
г. Слоним ул. Советская, 93а +375 (29) 394-82-01 ( Мало )
Схема проезда
г. Столин ул. Быковского, 29 +375 (33) 304-54-36 ( Средне )
Схема проезда