Республика Беларусь,
г. Минск, ул. Селицкого 21к - центральный склад
Пн-пт с 8:00 до 17:00
Меню
6СТ-190 АКБ А3 (4) R+ клемма под болт FORA-S
Наименование: АКБ 6СТ-190 А3 (4) R+ клемма под болт FORA-S
Каталожный номер: 6СТ-190
Производитель: FORA-S
Код товара: 00-ГР022488
Доставка: по всей Беларуси
Остаток: в наличии

Нашли не точность в описании товара? сообщить администратору.

+375 (44) 770-80-78 +375 (29) 747-80-78
* Выставить счет, получить техническую информацию и стоимость
Заказать деталь Онлайн
Описание
Наличие на филиалах
Применяемость
Заменить на СТО

FORA-S 190 (1250A, 480*223*223) клемма болт c бортом.
Полярность Грузовая рус (R+)

АКБ 6СТ-190А3 FORA-S клемма полд болт. Код товара для заказа: 00-ГР022488

Марка Модель Кат.номер Наим. по каталогу Чертеж
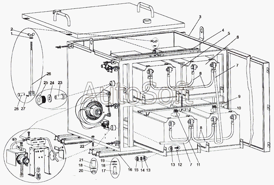
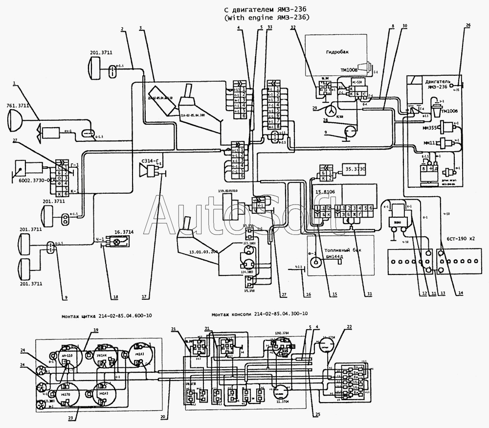
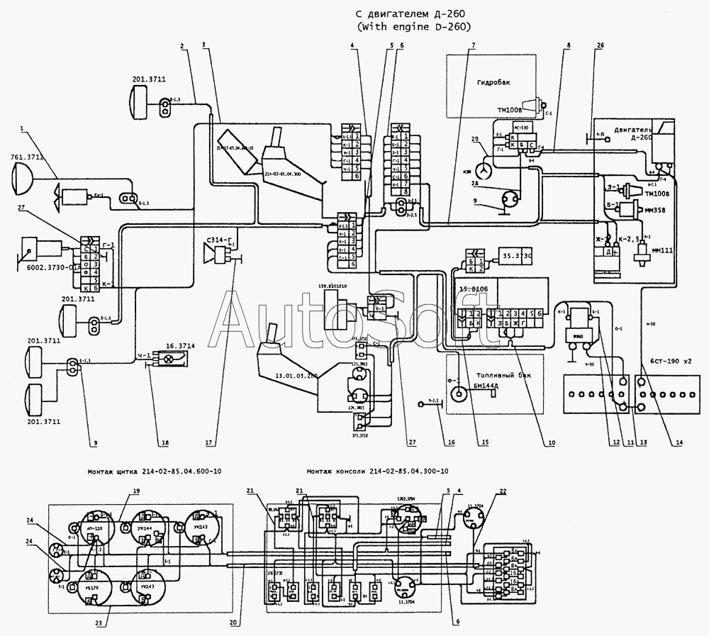
ТВЭКС ЕТ-25 6СТ-190 Батарея аккумуляторная Электрооборудование (с двигателем ЯМЗ-236) Чертеж Электрооборудование (с двигателем ЯМЗ-236)
ТВЭКС ЕТ-25 6СТ-190 Батарея аккумуляторная Электрооборудование (с двигателем ЯМЗ-236) Чертеж Электрооборудование (с двигателем ЯМЗ-236)
ТВЭКС ЕТ-25 6СТ-190 Батарея аккумуляторная Электрооборудование (с двигателем ЯМЗ-236) Чертеж Электрооборудование (с двигателем ЯМЗ-236)
ТВЭКС ЕТ-25 6СТ-190 Батарея аккумуляторная Электрооборудование (с двигателем ЯМЗ-236) Чертеж Электрооборудование (с двигателем ЯМЗ-236)
ТВЭКС ЕТ-25 6СТ-190 Батарея аккумуляторная Электрооборудование (с двигателем ЯМЗ-236) Чертеж Электрооборудование (с двигателем ЯМЗ-236)
ТВЭКС ВП-05 (2005) (2005) 6СТ-190 Батарея аккумуляторная Электрооборудование Чертеж Электрооборудование
ТВЭКС ВП-05 (2005) (2005) 6СТ-190 Батарея аккумуляторная Электрооборудование Чертеж Электрооборудование
ТВЭКС ВП-05 (2005) (2005) 6СТ-190 Батарея аккумуляторная Электрооборудование Чертеж Электрооборудование
ТВЭКС ВП-05 (вариант) (2005) 6СТ-190 Батарея аккумуляторная 005-06-88.18.000 Электрооборудование Чертеж 005-06-88.18.000 Электрооборудование
ТВЭКС ЕТ-25-20 (2007) 6СТ-190 Батарея аккумуляторная 225-10-88.12.000 Электрооборудование (с подогревателем HYDRONIC) Чертеж 225-10-88.12.000 Электрооборудование (с подогревателем HYDRONIC)
ТВЭКС ЕТ-20-20 (2012) 6СТ-190 Батарея аккумуляторная 220-20-88.67.000 Электрооборудование Чертеж 220-20-88.67.000 Электрооборудование
ТВЭКС ЕТ-20-20 (2012) 6СТ-190 Батарея аккумуляторная 220-20-88.67.000 Электрооборудование Чертеж 220-20-88.67.000 Электрооборудование
УралАЗ УРАЛ-43203-10 ИААЕ.563414.006 (ФЯЗ.552.075) Батарея аккумуляторная 6СТ-190 ТМ Установка аккумуляторных батарей Чертеж Установка аккумуляторных батарей
ЛиАЗ ЛиАЗ-5256, 6212 (2006) (2006) АКБ: 6СТ-190 АП Батарея аккумуляторная (Подольск) Установка аккумуляторных батарей Чертеж Установка аккумуляторных батарей
МЗКТ МЗКТ-7429 (2005) 0000-3703401 Батарея 6СТ-190 АП Крепление контейнера и аккумуляторных батарей контейнера Чертеж Крепление контейнера и аккумуляторных батарей контейнера
МЗКТ МЗКТ-7429 (2005) 0000-3703401 Батарея 6СТ-190 АП Установка аккумуляторных батарей и контейнера
МЗКТ МЗКТ-6527 (2010) 0000-3703401 Батарея 6СТ-190 АП Установка аккумуляторных батареи и контейнера
МЗКТ МЗКТ-6527 (2010) 0000-3703401 Батарея 6СТ-190 АП Установка аккумуляторных батарей и контейнера
МЗКТ МЗКТ-6527 (2010) 0000-3703401 Батарея 6СТ-190 АП Установка аккумуляторных батарей и контейнера
МЗКТ МЗКТ-69234 (2010) 0000-3703401 Батарея 6СТ-190 АП Установка аккумуляторных батарей и контейнера Чертеж Установка аккумуляторных батарей и контейнера
Склад Адрес Контакт Остатки
г. Минск ул. Селицкого, 21к +375 (44) 770-80-78 ( Много )
Схема проезда
г. Бобруйск ул. Орловского, 22к3 +375 (29) 345-37-07 ( Средне )
Схема проезда
г. Гомель ул. Барыкина, 291Б +375 (44) 514-15-30 ( Мало )
Схема проезда
г. Житковичи ул. Комсомольская, 49 +375 (29) 394-82-52 ( Много )
Схема проезда
г. Жлобин ул. Козлова, 25 +375 (29) 346-06-78 ( Средне )
Схема проезда
г. Ивацевичи ул. Загородная, 6А +375 (29) 188-59-01 ( Мало )
Схема проезда
г. Лунинец ул.Красная, 175а +375 (44) 721-46-74 ( Средне )
Схема проезда
г. Несвиж ул. Кутузова, 2 +375 (29) 394-82-48 ( Средне )
Схема проезда
г. Новогрудок ул. Индустриальная, 3 +375 (44) 729-39-19 ( Мало )
Схема проезда
г. Осиповичи ул. Короткая, 11 +375 (29) 165-60-07 ( Средне )
Схема проезда
г. Петриков ул. Первомайская, 124 +375 (33) 660-06-75 ( Средне )
Схема проезда
г. Поставы ул. Советская, 69 +375 (44) 770-80-13 ( Средне )
Схема проезда
г. Слоним ул. Советская, 93а +375 (29) 394-82-01 ( Средне )
Схема проезда
г. Барановичи ул. Бадака, 27Б +375 (29) 350-33-47 Под заказ
Схема проезда
г. Барановичи ул. Пролетарская, 40 +375 (29) 795-96-37 Под заказ
Схема проезда
г. Берёза ул. Красноармейская, 89/11 +375 (29) 676-70-71 Под заказ
Схема проезда
г. Березино ул. Комсомольская, д. 24 +375 (44) 770-80-17 Под заказ
Схема проезда
г. Бобруйск ул. Гоголя, 181/1-6 +375 (29) 630-05-01 Под заказ
Схема проезда
г. Борисов ул. Демина, 2а +375 (44) 560-99-75 Под заказ
Схема проезда
г. Брест Тельминский с/с, 1Д/1, 1 км южнее д. Тельмы-2 +375 (44) 599-90-75 Под заказ
Схема проезда
г. Витебск ул. Правды, 33 +375 (44) 770-80-87 Под заказ
Схема проезда
г. Витебск ул. Петруся Бровки, 34 +375 (29) 636-25-08 Под заказ
Схема проезда
г. Глубокое ул. Энгельса, 22 +375 (44) 505-71-40 Под заказ
Схема проезда
г. Гомель ул. Текстильная, 10 +375 (44) 540-02-05 Под заказ
Схема проезда
г. Горки ул.Мира, д.51а/1 +375 (44) 565-33-61 Под заказ
Схема проезда
г. Гродно ул. Карского, 35 +375 (44) 770-70-21 Под заказ
Схема проезда
г. Дрогичин ул. Юбилейная, 42 +375 (29) 682-17-13 Под заказ
Схема проезда
г. Дятлово ул. Советская ,104 +375 (29) 187-87-37 Под заказ
Схема проезда
г. Кобрин ул. Пролетарская, 177А +375 (44) 588-10-80 Под заказ
Схема проезда
г. Кричев ул. Комсомольская, 126 +375 (29) 628-88-42 Под заказ
Схема проезда
г. Лельчицы ул. Советская, д.96/1 +375 (29) 346-98-96 Под заказ
Схема проезда
г. Лепель ул. Лобанка, 43 +375 (44) 778-65-21 Под заказ
Схема проезда
г. Лида ул. Качана, 7 +375 (29) 612-60-61 Под заказ
Схема проезда
г. Минск ул. Бабушкина, 37 +375 (29) 632-00-82 Под заказ
Схема проезда
г. Могилев ул. Габровская 11Б +375 (29) 662-02-16 Под заказ
Схема проезда
г. Мозырь промузел Козенки +375 (44) 731-94-60 Под заказ
Схема проезда
г. Молодечно ул. Галицкого, 14 +375 (44) 567-28-47 Под заказ
Схема проезда
г. Орша ул. Сергея Кирова, д. 34 +375 (44) 583-91-42 Под заказ
Схема проезда
г. Ошмяны ул. Льнозоводская 3 +375 (44) 770-80-91 Под заказ
Схема проезда
г. Пинск ул. Калиновского 32 +375 (44) 560-99-59 Под заказ
Схема проезда
г. Полоцк ул. Пролетарская, 6 +375 (29) 644-57-58 Под заказ
Схема проезда
г. Полоцк ул. Строительная, 30Б +375 (29) 302-97-91 Под заказ
Схема проезда
г. Полоцк-2 ул. Шенягина, 52 +375 (29) 302-94-73 Под заказ
Схема проезда
г. Пружаны ул. Макаренко, 21 +375 (29) 348-83-18 Под заказ
Схема проезда
г. Слуцк ул. Тутаринова, 8 +375 (29) 346-06-90 Под заказ
Схема проезда
г. Сморгонь ул. Железнодорожная, 32 +375 (29) 671-02-10 Под заказ
Схема проезда
г. Солигорск Чижевичский сельсовет, 3Г +375 (29) 899-58-52 Под заказ
Схема проезда
г. Столин ул. Быковского, 29 +375 (33) 304-54-36 Под заказ
Схема проезда
г. Щучин ул. Советская, 39 +375 (29) 177-29-70 Под заказ
Схема проезда
Аналоги
АКБ 6СТ-190 АП3 (4) R+ клемма под болт ALFA 6СТ-190
АКБ 6СТ-190 АП3 (4) R+ клемма под болт ALFA
Каталожный номер 6СТ-190
Производитель ALFA ALFA
Код 00-ГР042298
Доставка по всей Беларуси
Доступность остатки на филиалах Остатки на филиалах
Остаток: г.Минск, ул.Селицкого 21к В наличии
Склад Адрес Контакт Остатки
г. Минск ул. Селицкого, 21к +375 (44) 770-80-78 ( Средне )
Схема проезда
г. Лунинец ул.Красная, 175а +375 (44) 721-46-74 ( Мало )
Схема проезда
г. Пружаны ул. Макаренко, 21 +375 (29) 348-83-18 ( Мало )
Схема проезда
г. Слоним ул. Советская, 93а +375 (29) 394-82-01 ( Средне )
Схема проезда
АКБ 6СТ-190 А3 (4) R+ клемма под болт  FIREBALL 6СТ-190
АКБ 6СТ-190 А3 (4) R+ клемма под болт FIREBALL
Каталожный номер 6СТ-190
Производитель Fireball Fireball
Код 00-ГР042146
Доставка по всей Беларуси
Доступность остатки на филиалах Остатки на филиалах
Остаток Под заказ
АКБ 6СТ-190 АП3 (4) R+ HIT 6СТ-190
АКБ 6СТ-190 АП3 (4) R+ HIT
Каталожный номер 6СТ-190
Производитель HIT HIT
Код 00-ГР041040
Доставка по всей Беларуси
Доступность остатки на филиалах Остатки на филиалах
Остаток: г.Минск, ул.Селицкого 21к В наличии
Склад Адрес Контакт Остатки
г. Минск ул. Селицкого, 21к +375 (44) 770-80-78 ( Много )
Схема проезда
г. Барановичи ул. Пролетарская, 40 +375 (29) 795-96-37 ( Мало )
Схема проезда
г. Горки ул.Мира, д.51а/1 +375 (44) 565-33-61 ( Средне )
Схема проезда
г. Гродно ул. Карского, 35 +375 (44) 770-70-21 ( Средне )
Схема проезда
г. Жлобин ул. Козлова, 25 +375 (29) 346-06-78 ( Средне )
Схема проезда
г. Ивацевичи ул. Загородная, 6А +375 (29) 188-59-01 ( Средне )
Схема проезда
г. Лунинец ул.Красная, 175а +375 (44) 721-46-74 ( Мало )
Схема проезда
г. Молодечно ул. Галицкого, 14 +375 (44) 567-28-47 ( Средне )
Схема проезда
г. Ошмяны ул. Льнозоводская 3 +375 (44) 770-80-91 ( Средне )
Схема проезда
АКБ 6СТ-190 (4) R+ Tornado 6СТ-190
АКБ 6СТ-190 (4) R+ Tornado
Каталожный номер 6СТ-190
Производитель Торнадо Торнадо
Код 00-ГР035241
Доставка по всей Беларуси
Доступность остатки на филиалах Остатки на филиалах
Остаток Под заказ
АКБ 6СТ-190 АП3 HIT 6СТ-190
АКБ 6СТ-190 АП3 HIT
Каталожный номер 6СТ-190
Производитель HIT HIT
Код 00-ГР033575
Доставка по всей Беларуси
Доступность остатки на филиалах Остатки на филиалах
Остаток: г.Минск, ул.Селицкого 21к В наличии
Склад Адрес Контакт Остатки
г. Минск ул. Селицкого, 21к +375 (44) 770-80-78 ( Мало )
Схема проезда
г. Глубокое ул. Энгельса, 22 +375 (44) 505-71-40 ( Средне )
Схема проезда
г. Лепель ул. Лобанка, 43 +375 (44) 778-65-21 ( Мало )
Схема проезда
г. Лунинец ул.Красная, 175а +375 (44) 721-46-74 ( Мало )
Схема проезда
г. Новогрудок ул. Индустриальная, 3 +375 (44) 729-39-19 ( Средне )
Схема проезда
г. Осиповичи ул. Короткая, 11 +375 (29) 165-60-07 ( Средне )
Схема проезда
г. Полоцк-2 ул. Шенягина, 52 +375 (29) 302-94-73 ( Мало )
Схема проезда
Товары из этой категории
АКБ 6СТ-77А3 6СТ-77
АКБ 6СТ-77А3
Каталожный номер 6СТ-77
Производитель Курский аккумулятор Курский аккумулятор
Код 22367
Доставка по всей Беларуси
Доступность остатки на филиалах Остатки на филиалах
Остаток Под заказ
АКБ 6СТ-90А3 MASTER BATTERIES 6СТ-90А3
АКБ 6СТ-90А3 MASTER BATTERIES
Каталожный номер 6СТ-90А3
Производитель MASTER BATTERIES MASTER BATTERIES
Код 00-ГР019221
Доставка по всей Беларуси
Доступность остатки на филиалах Остатки на филиалах
Остаток В наличии
Склад Адрес Контакт Остатки
г. Бобруйск ул. Орловского, 22к3 +375 (29) 345-37-07 ( Мало )
Схема проезда
АКБ 6СТ-90 АП3 (1)  L+ ALFA 6СТ-90
АКБ 6СТ-90 АП3 (1) L+ ALFA
Каталожный номер 6СТ-90
Производитель ALFA ALFA
Код 00-ГР034927
Доставка по всей Беларуси
Доступность остатки на филиалах Остатки на филиалах
Остаток: г.Минск, ул.Селицкого 21к В наличии
Склад Адрес Контакт Остатки
г. Минск ул. Селицкого, 21к +375 (44) 770-80-78 ( Мало )
Схема проезда
г. Осиповичи ул. Короткая, 11 +375 (29) 165-60-07 ( Мало )
Схема проезда
АКБ 6СТ-60А3 ENERGY ONE 6СТ-60А3
АКБ 6СТ-60А3 ENERGY ONE
Каталожный номер 6СТ-60А3
Производитель ENERGY ONE ENERGY ONE
Код 00-ГР020178
Доставка по всей Беларуси
Доступность остатки на филиалах Остатки на филиалах
Остаток: г.Минск, ул.Селицкого 21к В наличии
Склад Адрес Контакт Остатки
г. Минск ул. Селицкого, 21к +375 (44) 770-80-78 ( Мало )
Схема проезда
г. Витебск ул. Правды, 33 +375 (44) 770-80-87 ( Мало )
Схема проезда
г. Жлобин ул. Козлова, 25 +375 (29) 346-06-78 ( Мало )
Схема проезда
г. Несвиж ул. Кутузова, 2 +375 (29) 394-82-48 ( Мало )
Схема проезда
г. Солигорск Чижевичский сельсовет, 3Г +375 (29) 899-58-52 ( Мало )
Схема проезда
АКБ 6СТ-90А3 KAINAR 6СТ-90А3
АКБ 6СТ-90А3 KAINAR
Каталожный номер 6СТ-90А3
Производитель KAINAR KAINAR
Код 00-ГР018893
Доставка по всей Беларуси
Доступность остатки на филиалах Остатки на филиалах
Остаток: г.Минск, ул.Селицкого 21к В наличии
Склад Адрес Контакт Остатки
г. Минск ул. Селицкого, 21к +375 (44) 770-80-78 ( Средне )
Схема проезда
г. Ивацевичи ул. Загородная, 6А +375 (29) 188-59-01 ( Средне )
Схема проезда
г. Молодечно ул. Галицкого, 14 +375 (44) 567-28-47 ( Мало )
Схема проезда
г. Новогрудок ул. Индустриальная, 3 +375 (44) 729-39-19 ( Средне )
Схема проезда
г. Осиповичи ул. Короткая, 11 +375 (29) 165-60-07 ( Средне )
Схема проезда
г. Петриков ул. Первомайская, 124 +375 (33) 660-06-75 ( Мало )
Схема проезда