Республика Беларусь,
г. Минск, ул. Селицкого 21к - центральный склад
Пн-пт с 8:00 до 17:00
Меню
85-4608031-Б Прокладка
Наименование: Прокладка 85-4608031-Б
Каталожный номер: 85-4608031-Б
Производитель: RSTA
Код товара: 59466
Доставка: по всей Беларуси
Остаток: под заказ

Нашли не точность в описании товара? сообщить администратору.

+375 (44) 770-80-78 +375 (29) 747-80-78
* Выставить счет, получить техническую информацию и стоимость
Заказать деталь Онлайн
Описание
Наличие на филиалах
Применяемость
Заменить на СТО

БС вес: 0,001 на 02.06.2020

Код для заказа: 59466

Марка Модель Кат.номер Наим. по каталогу Чертеж
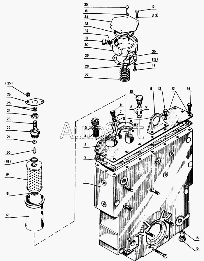
МТЗ МТЗ-80 (1998) 80-4608031 Прокладка Корпус гидроагрегатов, фильтр и привод гидронасоса
МТЗ МТЗ-80 (1998) 80-4608031 Прокладка Корпус гидроагрегатов, фильтр Чертеж Корпус гидроагрегатов, фильтр
МТЗ МТЗ-100 85-4608031 Прокладка Бак масляный и фильтр
МТЗ МТЗ-900 85-4608031 Прокладка Бак масляный и Фильтр
МТЗ МТЗ-1221 (1997) 85-4608031 Прокладка Бак масляный и фильтр
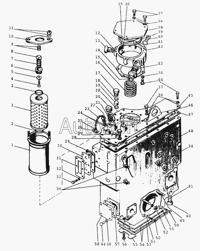
МТЗ МТЗ-1523 822-4608031 Корпус Бак
МТЗ МТЗ-1522 (2008) 822-4608031 Корпус Бак
МТЗ МТЗ-822 (2008) 822-4608031 Корпус Бак Чертеж Бак
МТЗ МТЗ-822 (2008) 822-4608031 Корпус Бак масляный Чертеж Бак масляный
МТЗ МТЗ-922 (2008) 822-4608031 Корпус Бак Чертеж Бак
МТЗ МТЗ-922 (2008) 822-4608031 Корпус Бак масляный
МТЗ МТЗ-923 (2008) 822-4608031 Корпус Бак
МТЗ МТЗ-923 (2008) 822-4608031 Корпус Бак масляный Чертеж Бак масляный
МТЗ МТЗ-1005 (2008) 85-4608031 Прокладка Бак масляный и фильтр
МТЗ МТЗ-80 (2002) (2002) 85-4608031 Прокладка 4608 Корпус гидроагрегатов и фильтр Чертеж 4608 Корпус гидроагрегатов и фильтр
МТЗ МТЗ-80 (2002) (2002) 80-4608031 Прокладка 4608 Корпус гидроагрегатов и фильтр. Вариант Чертеж 4608 Корпус гидроагрегатов и фильтр. Вариант
МТЗ МТЗ-90/92 (2008) 80-4608031 Прокладка Корпус гидроагрегатов, фильтр и привод гидронасоса Чертеж Корпус гидроагрегатов, фильтр и привод гидронасоса
МТЗ МТЗ-80 (2009) (2009) 85-4608031 Прокладка Корпус гидроагрегатов и фильтр
МТЗ МТЗ-80 (2009) (2009) 80-4608031 Прокладка Корпус гидроагрегатов и фильтр. Вариант
МТЗ МТЗ-570 (2010) 85-4608031-Б Прокладка Корпус гидросистемы и фильтр
Товары из этой категории
Тяга центральная навески, РФ А61.03.000
Тяга центральная навески, РФ
Каталожный номер А61.03.000
Производитель RCZP LTD RCZP LTD
Код 19830
Доставка по всей Беларуси
Доступность остатки на филиалах Остатки на филиалах
Остаток Под заказ
Гайка А04.02.020-01 А04.02.020-01
Гайка А04.02.020-01
Каталожный номер А04.02.020-01
Производитель RSTA RSTA
Код 16899
Доставка по всей Беларуси
Доступность остатки на филиалах Остатки на филиалах
Остаток В наличии
Склад Адрес Контакт Остатки
г. Березино ул. Комсомольская, д. 24 +375 (44) 770-80-17 ( Средне )
Схема проезда
г. Бобруйск ул. Орловского, 22к3 +375 (29) 345-37-07 ( Средне )
Схема проезда
г. Глубокое ул. Энгельса, 22 +375 (44) 505-71-40 ( Много )
Схема проезда
г. Дрогичин ул. Юбилейная, 42 +375 (29) 682-17-13 ( Средне )
Схема проезда
г. Жлобин ул. Козлова, 25 +375 (29) 346-06-78 ( Средне )
Схема проезда
г. Ивацевичи ул. Загородная, 6А +375 (29) 188-59-01 ( Средне )
Схема проезда
г. Лепель ул. Лобанка, 43 +375 (44) 778-65-21 ( Средне )
Схема проезда
г. Осиповичи ул. Короткая, 11 +375 (29) 165-60-07 ( Средне )
Схема проезда
г. Ошмяны ул. Льнозоводская 3 +375 (44) 770-80-91 ( Средне )
Схема проезда
г. Полоцк-2 ул. Шенягина, 52 +375 (29) 302-94-73 ( Средне )
Схема проезда
г. Полоцк-2 ул. Шенягина, 52 +375 (29) 302-94-73 ( Средне )
Схема проезда
г. Щучин ул. Советская, 39 +375 (29) 177-29-70 ( Средне )
Схема проезда
Палец нижний раскоса для МТЗ 50-4605084
Палец нижний раскоса для МТЗ
Каталожный номер 50-4605084
Производитель RSTA RSTA
Код 33023
Доставка по всей Беларуси
Доступность остатки на филиалах Остатки на филиалах
Остаток: г.Минск, ул.Селицкого 21к В наличии
Склад Адрес Контакт Остатки
г. Минск ул. Селицкого, 21к +375 (44) 770-80-78 ( Много )
Схема проезда
г. Бобруйск ул. Орловского, 22к3 +375 (29) 345-37-07 ( Средне )
Схема проезда
г. Глубокое ул. Энгельса, 22 +375 (44) 505-71-40 ( Средне )
Схема проезда
г. Горки ул.Мира, д.51а/1 +375 (44) 565-33-61 ( Средне )
Схема проезда
г. Дрогичин ул. Юбилейная, 42 +375 (29) 682-17-13 ( Средне )
Схема проезда
г. Ивацевичи ул. Загородная, 6А +375 (29) 188-59-01 ( Средне )
Схема проезда
г. Кричев ул. Комсомольская, 126 +375 (29) 628-88-42 ( Средне )
Схема проезда
г. Новогрудок ул. Индустриальная, 3 +375 (44) 729-39-19 ( Средне )
Схема проезда
г. Осиповичи ул. Короткая, 11 +375 (29) 165-60-07 ( Средне )
Схема проезда
г. Ошмяны ул. Льнозоводская 3 +375 (44) 770-80-91 ( Средне )
Схема проезда
г. Полоцк-2 ул. Шенягина, 52 +375 (29) 302-94-73 ( Средне )
Схема проезда
г. Сморгонь ул. Железнодорожная, 32 +375 (29) 671-02-10 ( Средне )
Схема проезда
г. Столин ул. Быковского, 29 +375 (33) 304-54-36 ( Средне )
Схема проезда
Устройство  запорное РВД ключ 36 (00) А60/75-4616320
Устройство запорное РВД ключ 36 (00)
Каталожный номер А60/75-4616320
Производитель КНР КНР
Код 47046
Доставка по всей Беларуси
Доступность остатки на филиалах Остатки на филиалах
Остаток: г.Минск, ул.Селицкого 21к В наличии
Склад Адрес Контакт Остатки
г. Минск ул. Селицкого, 21к +375 (44) 770-80-78 ( Мало )
Схема проезда
г. Дрогичин ул. Юбилейная, 42 +375 (29) 682-17-13 ( Мало )
Схема проезда
г. Житковичи ул. Комсомольская, 49 +375 (29) 394-82-52 ( Мало )
Схема проезда
г. Лунинец ул.Красная, 175а +375 (44) 721-46-74 ( Мало )
Схема проезда
Стяжка навески в сборе 50-4605115
Стяжка навески в сборе
Каталожный номер 50-4605115
Производитель КНР КНР
Код 11678
Доставка по всей Беларуси
Доступность остатки на филиалах Остатки на филиалах
Остаток: г.Минск, ул.Селицкого 21к В наличии
Склад Адрес Контакт Остатки
г. Минск ул. Селицкого, 21к +375 (44) 770-80-78 ( Средне )
Схема проезда
г. Борисов ул. Демина, 2а +375 (44) 560-99-75 ( Мало )
Схема проезда
г. Витебск ул. Правды, 33 +375 (44) 770-80-87 ( Средне )
Схема проезда
г. Глубокое ул. Энгельса, 22 +375 (44) 505-71-40 ( Средне )
Схема проезда
г. Гомель ул. Барыкина, 291Б +375 (44) 514-15-30 ( Мало )
Схема проезда
г. Горки ул.Мира, д.51а/1 +375 (44) 565-33-61 ( Мало )
Схема проезда
г. Дрогичин ул. Юбилейная, 42 +375 (29) 682-17-13 ( Средне )
Схема проезда
г. Ивацевичи ул. Загородная, 6А +375 (29) 188-59-01 ( Средне )
Схема проезда
г. Кричев ул. Комсомольская, 126 +375 (29) 628-88-42 ( Средне )
Схема проезда
г. Лепель ул. Лобанка, 43 +375 (44) 778-65-21 ( Мало )
Схема проезда
г. Лунинец ул.Красная, 175а +375 (44) 721-46-74 ( Средне )
Схема проезда
г. Молодечно ул. Галицкого, 14 +375 (44) 567-28-47 ( Мало )
Схема проезда
г. Новогрудок ул. Индустриальная, 3 +375 (44) 729-39-19 ( Средне )
Схема проезда
г. Осиповичи ул. Короткая, 11 +375 (29) 165-60-07 ( Мало )
Схема проезда
г. Ошмяны ул. Льнозоводская 3 +375 (44) 770-80-91 ( Средне )
Схема проезда
г. Петриков ул. Первомайская, 124 +375 (33) 660-06-75 ( Мало )
Схема проезда
г. Полоцк-2 ул. Шенягина, 52 +375 (29) 302-94-73 ( Средне )
Схема проезда
г. Полоцк-2 ул. Шенягина, 52 +375 (29) 302-94-73 ( Средне )
Схема проезда
г. Поставы ул. Советская, 69 +375 (44) 770-80-13 ( Средне )
Схема проезда
г. Пружаны ул. Макаренко, 21 +375 (29) 348-83-18 ( Средне )
Схема проезда
г. Слоним ул. Советская, 93а +375 (29) 394-82-01 ( Мало )
Схема проезда
г. Столин ул. Быковского, 29 +375 (33) 304-54-36 ( Средне )
Схема проезда
г. Щучин ул. Советская, 39 +375 (29) 177-29-70 ( Мало )
Схема проезда