Республика Беларусь,
г. Минск, ул. Селицкого 21к - центральный склад
Пн-пт с 8:00 до 17:00
Меню
64301-1001050 Кронштейн МАЗ ОАО
Наименование: Кронштейн МАЗ ОАО
Каталожный номер: 64301-1001050
Код товара: 643011001050
Доставка: по всей Беларуси
Остаток: под заказ 1-45 дней

Нашли не точность в описании товара? сообщить администратору.

+375 (44) 770-80-78 +375 (29) 747-80-78
* Выставить счет, получить техническую информацию и стоимость
Заказать деталь Онлайн
Описание
Наличие на филиалах
Применяемость
Заменить на СТО

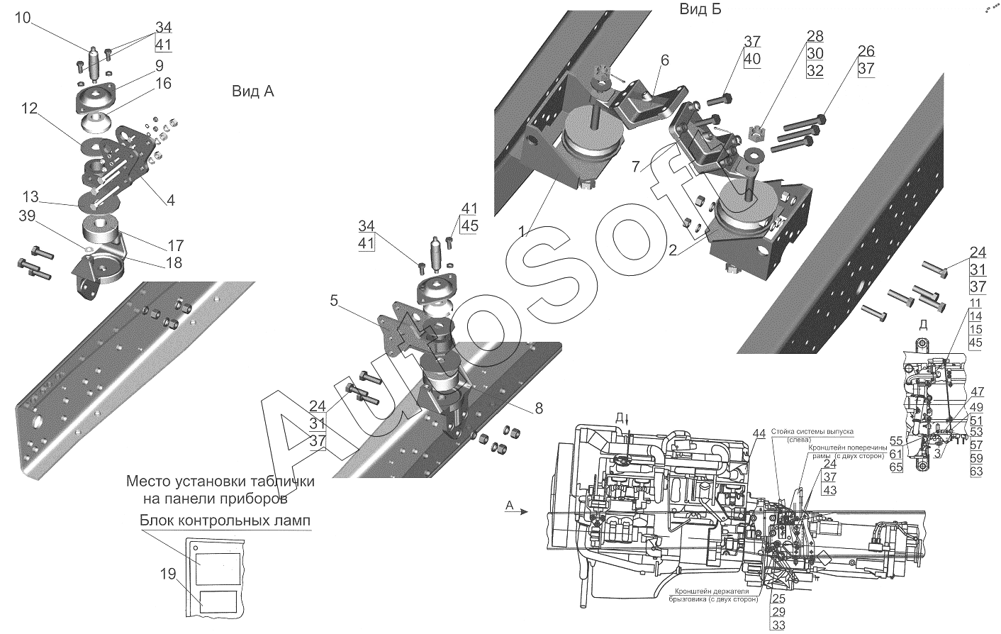
64301-1001050 Кронштейн.

  • Производитель: МАЗ ОАО
  • Каталожный номер по заводу: 64301-1001050
  • Код для заказа:  643011001050
Марка Модель Кат.номер Наим. по каталогу Чертеж
МАЗ МАЗ-643068 (2003) 64301-1001050 Кронштейн Крепление двигателя 64301-1001002 Чертеж Крепление двигателя 64301-1001002
МАЗ МАЗ-643068 (2003) 64301-1001050 Кронштейн Крепление двигателя 64301-1001002-010 Чертеж Крепление двигателя 64301-1001002-010
МАЗ МАЗ-643068 (2003) 64301-1001050 Кронштейн Крепление двигателя 64301-1001002-020 Чертеж Крепление двигателя 64301-1001002-020
МАЗ МАЗ-5440 (2002) 64301-1001050 Кронштейн Крепление двигателя 64301-1001002
МАЗ МАЗ-5440 (2002) 64301-1001050 Кронштейн Крепление двигателя 64301-1001002-010
МАЗ МАЗ-5440 (2002) 64301-1001050 Кронштейн Крепление двигателя 64301-1001002-020
МАЗ МАЗ-6430A8 (5440A8, 5440A5) (2008) 64301-1001050 Кронштейн Крепление двигателя
МАЗ МАЗ-6430A8 (5440A8, 5440A5) (2008) 64301-1001050 Кронштейн Крепление двигателя
МАЗ МАЗ-6430A8 (5440A8, 5440A5) (2008) 64301-1001050 Кронштейн Крепление двигателя
МАЗ МАЗ-6430A8 (5440A8, 5440A5) (2008) 64301-1001050 Кронштейн Крепление двигателя 6430A8-1001002-040, (-740)
МАЗ МАЗ-5440B9, 6430B9 (2013) 64301-1001050 Кронштейн Крепление двигателя 5440B9-1001002-000 Чертеж Крепление двигателя 5440B9-1001002-000
МАЗ МАЗ-5440B9, 6430B9 (2013) 64301-1001050 Кронштейн Крепление двигателя 6430B9-1001002-000 Чертеж Крепление двигателя 6430B9-1001002-000
МАЗ МАЗ-650108 (2008) 64301-1001050 Кронштейн Крепление двигателя (650108-1001002, 650108-1001002-700) Чертеж Крепление двигателя (650108-1001002, 650108-1001002-700)
МАЗ МАЗ-650108 (2008) 64301-1001050 Кронштейн Крепление двигателя (650108-1001002-010, 650108-1001002-710) Чертеж Крепление двигателя (650108-1001002-010, 650108-1001002-710)
МАЗ МАЗ-530905 (2009) 64301-1001050 Кронштейн Крепление двигателя 530905-1001002 (-010) Чертеж Крепление двигателя 530905-1001002 (-010)
МАЗ МАЗ-6501B9 (2015) 64301-1001050 Кронштейн Крепление двигателя 6501B9-1001002-330, (-335,-350,-355, -360,-365, -380,-385) Чертеж  Крепление двигателя 6501B9-1001002-330, (-335,-350,-355, -360,-365, -380,-385)
МАЗ МАЗ-6501B9 (2015) 64301-1001050 Кронштейн Крепление двигателя 6430B9-1001002-020, (-030) Чертеж  Крепление двигателя 6430B9-1001002-020, (-030)
МАЗ МАЗ-6501B9 (2015) 64301-1001050 Кронштейн Крепление двигателя 6501B9-1001002-320, (-325,-340,-345, -370,-375) Чертеж  Крепление двигателя 6501B9-1001002-320, (-325,-340,-345, -370,-375)
МАЗ МАЗ-651608 (2012) 64301-1001050 Кронштейн Крепление двигателя 651608-1001002, (-600), (-700) Чертеж  Крепление двигателя 651608-1001002, (-600), (-700)
Товары из этой категории
Втулка  МАЗ ОАО 103-2402029
Втулка МАЗ ОАО
Каталожный номер 103-2402029
Производитель
Код 1032402029
Доставка по всей Беларуси
Остаток Под заказ
Отопитель, МАЗ ОАО 206000-8110002-10
Отопитель, МАЗ ОАО
Каталожный номер 206000-8110002-10
Производитель
Код 206000811000210
Доставка по всей Беларуси
Остаток Под заказ
Гайка ступицы 551603-3103087-000
Гайка ступицы
Каталожный номер 551603-3103087-000
Производитель
Код 5516033103087000
Доставка по всей Беларуси
Остаток Под заказ
Маслоуловитель  МАЗ ОАО 543266-3502076
Маслоуловитель МАЗ ОАО
Каталожный номер 543266-3502076
Производитель
Код 5432663502076
Доставка по всей Беларуси
Остаток Под заказ
Гайка колеса  JAC, Китай 3101060R001
Гайка колеса JAC, Китай
Каталожный номер 3101060R001
Производитель
Код 3101060R001
Доставка по всей Беларуси
Остаток Под заказ