Республика Беларусь,
г. Минск, ул. Селицкого 21к - центральный склад
Пн-пт с 8:00 до 17:00
Меню
64227-1203030 Хомут МАЗ ОАО
Наименование: Хомут МАЗ ОАО
Каталожный номер: 64227-1203030
Код товара: 642271203030
Доставка: по всей Беларуси
Остаток: под заказ 1-45 дней

Нашли не точность в описании товара? сообщить администратору.

+375 (44) 770-80-78 +375 (29) 747-80-78
* Выставить счет, получить техническую информацию и стоимость
Заказать деталь Онлайн
Описание
Наличие на филиалах
Применяемость
Заменить на СТО

64227-1203030 Хомут.

  • Производитель: МАЗ ОАО
  • Каталожный номер по заводу: 64227-1203030
  • Код для заказа:  642271203030
Марка Модель Кат.номер Наим. по каталогу Чертеж
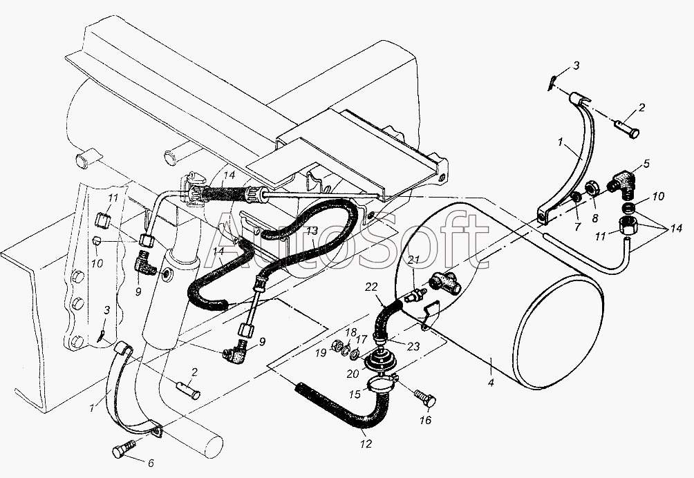
МАЗ МАЗ-437040 (Зубренок) (2002) 64227-1203030 Хомут Топливопроводы питания подогревателя. Thermo 90S
МАЗ МАЗ-437040 (Зубренок) (2002) 64227-1203030 Хомут Топливопроводы питания подогревателя. Hydronic 10
МАЗ МАЗ-54323 64227-1203030 Хомут Крепление глушителя и вспомогательного тормоза МАЗ-54323 Чертеж Крепление глушителя и вспомогательного тормоза МАЗ-54323
МАЗ МАЗ-5516 64227-1203030 Хомут Крепление глушителя и вспомогательного тормоза МАЗ-64229, МАЗ-5516 Чертеж Крепление глушителя и вспомогательного тормоза МАЗ-64229, МАЗ-5516
МАЗ МАЗ-64229 64227-1203030 Хомут Крепление глушителя и вспомогательного тормоза МАЗ-64229, МАЗ-5516 Чертеж Крепление глушителя и вспомогательного тормоза МАЗ-64229, МАЗ-5516
МАЗ Общий (см. мод-ции) 64227-1203030 Хомут Крепление глушителя и вспомогательного тормоза МАЗ-64229, МАЗ-5516 Чертеж Крепление глушителя и вспомогательного тормоза МАЗ-64229, МАЗ-5516
МАЗ Общий (см. мод-ции) 64227-1203030 Хомут Крепление глушителя и вспомогательного тормоза МАЗ-54323 Чертеж Крепление глушителя и вспомогательного тормоза МАЗ-54323
МАЗ МАЗ-5336 (2005) 64227-1203030 Хомут Установка топливопроводов подогревателя
МАЗ МАЗ-6303 (2005) (2005) 64227-1203030 Хомут Установка топливопроводов подогревателя
МАЗ МАЗ-64226 (2000) 64227-1203030 Хомут Топливопроводы подогревателя
МАЗ МАЗ-54326 (2000) 64227-1203030 Хомут Топливопроводы подогревателя Чертеж Топливопроводы подогревателя
МАЗ МАЗ-5337 (2005) (2005) 64227-1203030 Хомут Установка топливопроводов подогревателя
МАЗ МАЗ-5516А5 (2007) 64227-1203030 Хомут Установка топливопроводов подогревателя 64229-1015004-01, 5516-1015004 Чертеж Установка топливопроводов подогревателя 64229-1015004-01, 5516-1015004
МАЗ МАЗ-650119 (2010) 64227-1203030 Хомут Топливопроводы питания подогревателя 544019-1015004 Чертеж Топливопроводы питания подогревателя 544019-1015004
МАЗ МАЗ-650119 (2010) 64227-1203030 Хомут Установка независимого воздушного отопителя
МАЗ МАЗ-6430A8 (5440A8, 5440A5) (2008) 64227-1203030 Хомут Установка независимого воздушного отопителя 6430-8100002-011, 6430-8100002-021
МАЗ МАЗ-6430A8 (5440A8, 5440A5) (2008) 64227-1203030 Хомут Установка независимого воздушного отопителя 6430-8100002-010
МАЗ МАЗ-555142 (2007) 64227-1203030 Хомут Установка топливного подогревателя 555142-1015004-010 Чертеж Установка топливного подогревателя 555142-1015004-010
МАЗ МАЗ-551605 (2007) 64227-1203030 Хомут Установка топливопроводов подогревателя
МАЗ МАЗ-631236 (2007) 64227-1203030 Хомут Установка топливопроводов подогревателя 555003-1015004
Аналоги
Хомут подвески глушителя 64227-1203030
Хомут подвески глушителя
Каталожный номер 64227-1203030
Производитель МАЗ МАЗ
Код 1139
Доставка по всей Беларуси
Доступность остатки на филиалах Остатки на филиалах
Остаток Под заказ
Товары из этой категории
Собачка  МАЗ ОАО 886-3508030
Собачка МАЗ ОАО
Каталожный номер 886-3508030
Производитель
Код 8863508030
Доставка по всей Беларуси
Остаток Под заказ
Глушитель  Вавилова з-д,Минск 8088.00.00.000
Глушитель Вавилова з-д,Минск
Каталожный номер 8088.00.00.000
Производитель
Код 80880000000
Доставка по всей Беларуси
Остаток Под заказ
Чехол  МАЗ ОАО, УВК 103-1703644
Чехол МАЗ ОАО, УВК
Каталожный номер 103-1703644
Производитель
Код 1031703644
Доставка по всей Беларуси
Остаток Под заказ
Фланец подводящий 543403-1015131-001
Фланец подводящий
Каталожный номер 543403-1015131-001
Производитель
Код 5434031015131001
Доставка по всей Беларуси
Остаток Под заказ
Вилка передняя  МАЗ ОАО 551605-8521243
Вилка передняя МАЗ ОАО
Каталожный номер 551605-8521243
Производитель
Код 5516058521243
Доставка по всей Беларуси
Остаток Под заказ