Республика Беларусь,
г. Минск, ул. Селицкого 21к - центральный склад
Пн-пт с 8:00 до 17:00
Меню
64221-1108029 Подставка МАЗ ОАО
Наименование: Подставка МАЗ ОАО
Каталожный номер: 64221-1108029
Код товара: 642211108029
Доставка: по всей Беларуси
Остаток: под заказ

Нашли не точность в описании товара? сообщить администратору.

+375 (44) 770-80-78 +375 (29) 747-80-78
* Выставить счет, получить техническую информацию и стоимость
Заказать деталь Онлайн
Описание
Наличие на филиалах
Применяемость
Заменить на СТО

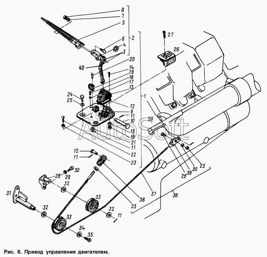
64221-1108029 Подставка.

  • Производитель: МАЗ ОАО
  • Каталожный номер по заводу: 64221-1108029
  • Код для заказа:  642211108029
Марка Модель Кат.номер Наим. по каталогу Чертеж
МАЗ МАЗ-437040 (Зубренок) (2002) 64221-1108029 Подставка Привод подачи топлива
МАЗ МАЗ-53363 64221-1108029 Подставка Привод подачи топлива Чертеж Привод подачи топлива
МАЗ МАЗ-53366 64221-1108029 Подставка Привод подачи топлива Чертеж Привод подачи топлива
МАЗ МАЗ-54321 64221-1108029 Подставка Привод управления двигателем Чертеж Привод управления двигателем
МАЗ МАЗ-54323 64221-1108029 Подставка Привод подачи топлива МАЗ-64229,54323,5516
МАЗ МАЗ-5434 64221-1108029 Подставка Привод подачи топлива Чертеж Привод подачи топлива
МАЗ МАЗ-5516 64221-1108029 Подставка Привод подачи топлива МАЗ-64229,54323,5516 Чертеж Привод подачи топлива МАЗ-64229,54323,5516
МАЗ МАЗ-6303 (2000) 64221-1108029 Подставка Привод подачи топлива Чертеж Привод подачи топлива
МАЗ МАЗ-6317 64221-1108029 Подставка Привод управления двигателем Чертеж Привод управления двигателем
МАЗ МАЗ-64221 64221-1108029 Подставка Привод управления двигателем
МАЗ МАЗ-64255 64221-1108029 Подставка Привод подачи топлива
МАЗ МАЗ-64229 64221-1108029 Подставка Привод подачи топлива МАЗ-64229,54323,5516
МАЗ Общий (см. мод-ции) 64221-1108029 Подставка Привод подачи топлива МАЗ-64229,54323,5516
МАЗ МАЗ-543202 (2003) 64221-1108029 Подставка Управление двигателем на автомобилях МАЗ
МАЗ МАЗ-5336 (2005) 64221-1108029 Подставка Управление двигателем на автомобилях МАЗ Чертеж Управление двигателем на автомобилях МАЗ
МАЗ МАЗ-6422 (2003) 64221-1108029 Подставка Управление двигателем на автомобилях МАЗ Чертеж Управление двигателем на автомобилях МАЗ
МАЗ МАЗ-6303 (2005) (2005) 64221-1108029 Подставка Управление двигателем на автомобилях МАЗ Чертеж Управление двигателем на автомобилях МАЗ
МАЗ МАЗ-64226 (2000) 64221-1108029 Подставка Привод управления двигателем
МАЗ МАЗ-54326 (2000) 64221-1108029 Подставка Привод управления двигателем
МЗКТ МЗКТ-65158 (1999) 64221-1108029 Подставка Педаль с кронштейном
Товары из этой категории
Накладка  МАЗ ОАО 9758-2912415-10
Накладка МАЗ ОАО
Каталожный номер 9758-2912415-10
Производитель
Код 9758291241510
Доставка по всей Беларуси
Остаток Под заказ
Кронштейн фонаря заднего левый  МАЗ ОАО 6422А8-3716015-000
Кронштейн фонаря заднего левый МАЗ ОАО
Каталожный номер 6422А8-3716015-000
Производитель
Код 6422А83716015000
Доставка по всей Беларуси
Остаток Под заказ
Вставка  МАЗ ОАО, УВК 543224-1203832
Вставка МАЗ ОАО, УВК
Каталожный номер 543224-1203832
Производитель
Код 5432241203832
Доставка по всей Беларуси
Остаток Под заказ
Держатель  МАЗ ОАО 6430-5325264
Держатель МАЗ ОАО
Каталожный номер 6430-5325264
Производитель
Код 64305325264
Доставка по всей Беларуси
Остаток Под заказ
Шплинт 4х40 ост 3700117175  МАЗ ОАО 258056
Шплинт 4х40 ост 3700117175 МАЗ ОАО
Каталожный номер 258056
Производитель
Код 258056
Доставка по всей Беларуси
Остаток Под заказ