Республика Беларусь,
г. Минск, ул. Селицкого 21к - центральный склад
Пн-пт с 8:00 до 17:00
Меню
6422-3504250 Трос МАЗ ОАО
Наименование: Трос МАЗ ОАО
Каталожный номер: 6422-3504250
Код товара: 64223504250
Доставка: по всей Беларуси
Остаток: под заказ

Нашли не точность в описании товара? сообщить администратору.

+375 (44) 770-80-78 +375 (29) 747-80-78
* Выставить счет, получить техническую информацию и стоимость
Заказать деталь Онлайн
Описание
Наличие на филиалах
Применяемость
Заменить на СТО

6422-3504250 Трос.

  • Производитель: МАЗ ОАО
  • Каталожный номер по заводу: 6422-3504250
  • Код для заказа:  64223504250
Марка Модель Кат.номер Наим. по каталогу Чертеж
МАЗ МАЗ-53363 6422-3504250 Трос привода тормозов Привод включения сцепления и тормозного крана Чертеж Привод включения сцепления и тормозного крана
МАЗ МАЗ-53366 6422-3504250 Трос привода тормозов Привод включения сцепления и тормозного крана Чертеж Привод включения сцепления и тормозного крана
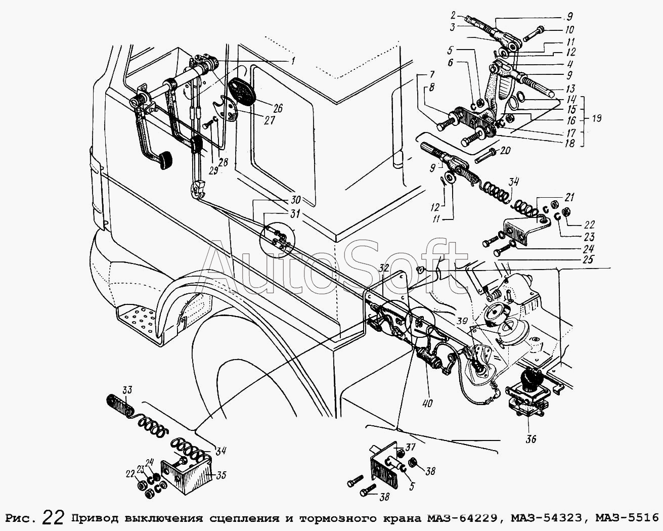
МАЗ МАЗ-54323 6422-3504250 Трос привода тормозов Привод выключения сцепления и тормозного крана МАЗ-64229, МАЗ-54323, МАЗ-5516
МАЗ МАЗ-54323 6422-3504250 Трос привода тормозов Привод выключения сцепления и тормозного крана МАЗ-64229, МАЗ-54323, МАЗ-5516
МАЗ МАЗ-54328 6422-3504250 Трос привода тормозов Система тормозная МАЗ-54323
МАЗ МАЗ-5516 6422-3504250 Трос привода тормозов Привод выключения сцепления и тормозного крана МАЗ-64229, МАЗ-54323, МАЗ-5516 Чертеж Привод выключения сцепления и тормозного крана МАЗ-64229, МАЗ-54323, МАЗ-5516
МАЗ МАЗ-5516 6422-3504250 Трос привода тормозов Привод выключения сцепления и тормозного крана МАЗ-64229, МАЗ-54323, МАЗ-5516 Чертеж Привод выключения сцепления и тормозного крана МАЗ-64229, МАЗ-54323, МАЗ-5516
МАЗ МАЗ-6303 (2000) 6422-3504250 Трос привода тормозов Привод включения сцепления и тормозного крана Чертеж Привод включения сцепления и тормозного крана
МАЗ МАЗ-64229 6422-3504250 Трос привода тормозов Привод выключения сцепления и тормозного крана МАЗ-64229, МАЗ-54323, МАЗ-5516 Чертеж Привод выключения сцепления и тормозного крана МАЗ-64229, МАЗ-54323, МАЗ-5516
МАЗ МАЗ-64229 6422-3504250 Трос привода тормозов Привод выключения сцепления и тормозного крана МАЗ-64229, МАЗ-54323, МАЗ-5516
МАЗ Общий (см. мод-ции) 6422-3504250 Трос привода тормозов Привод выключения сцепления и тормозного крана МАЗ-64229, МАЗ-54323, МАЗ-5516 Чертеж Привод выключения сцепления и тормозного крана МАЗ-64229, МАЗ-54323, МАЗ-5516
МАЗ Общий (см. мод-ции) 6422-3504250 Трос привода тормозов Привод выключения сцепления и тормозного крана МАЗ-64229, МАЗ-54323, МАЗ-5516 Чертеж Привод выключения сцепления и тормозного крана МАЗ-64229, МАЗ-54323, МАЗ-5516
Аналоги
Трос тормозной L-1550мм 6422-3504250
Трос тормозной L-1550мм
Каталожный номер 6422-3504250
Производитель СпецМаш СпецМаш
Код 542
Доставка по всей Беларуси
Доступность остатки на филиалах Остатки на филиалах
Остаток Под заказ
Товары из этой категории
Трубка со шлангом сб., МАЗ ОАО 544008-3570230-700
Трубка со шлангом сб., МАЗ ОАО
Каталожный номер 544008-3570230-700
Производитель
Код 5440083570230700
Доставка по всей Беларуси
Остаток Под заказ
Панель окна боковая правая  МАЗ ОАО 6430-5301044
Панель окна боковая правая МАЗ ОАО
Каталожный номер 6430-5301044
Производитель
Код 64305301044
Доставка по всей Беларуси
Остаток Под заказ
Стремянка ушка  МАЗ ОАО 500-2912024
Стремянка ушка МАЗ ОАО
Каталожный номер 500-2912024
Производитель
Код 5002912024
Доставка по всей Беларуси
Остаток Под заказ
Защита тормозного механизма  JAC, Китай S35020060-F3
Защита тормозного механизма JAC, Китай
Каталожный номер S35020060-F3
Производитель
Код S35020060F3
Доставка по всей Беларуси
Остаток Под заказ
Кронштейн с колонкой  МАЗ ОАО 64221-3403008
Кронштейн с колонкой МАЗ ОАО
Каталожный номер 64221-3403008
Производитель
Код 642213403008
Доставка по всей Беларуси
Остаток Под заказ