Республика Беларусь,
г. Минск, ул. Селицкого 21к - центральный склад
Пн-пт с 8:00 до 17:00
Меню
5336-8008059 Прижим нижний МАЗ ОАО
Наименование: Прижим нижний МАЗ ОАО
Каталожный номер: 5336-8008059
Код товара: 53368008059
Доставка: по всей Беларуси
Остаток: под заказ

Нашли не точность в описании товара? сообщить администратору.

+375 (44) 770-80-78 +375 (29) 747-80-78
* Выставить счет, получить техническую информацию и стоимость
Заказать деталь Онлайн
Описание
Наличие на филиалах
Применяемость
Заменить на СТО

5336-8008059 Прижим нижний.

  • Производитель: МАЗ ОАО
  • Каталожный номер по заводу: 5336-8008059
  • Код для заказа:  53368008059
Марка Модель Кат.номер Наим. по каталогу Чертеж
МАЗ МАЗ-437040 (Зубренок) (2002) 5336-8008059 Прижим нижний Установка обтекателей Чертеж Установка обтекателей
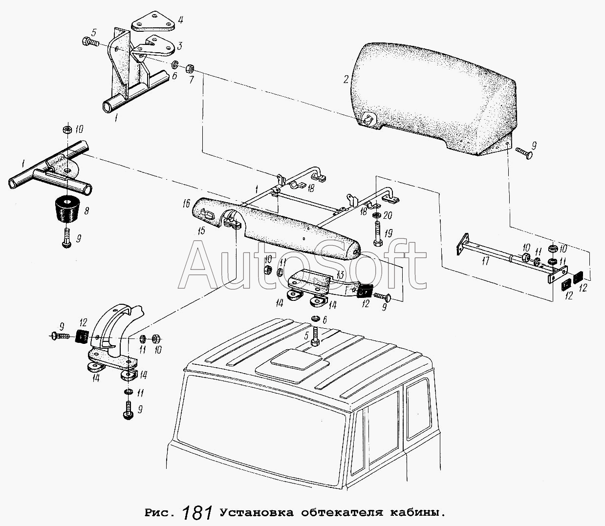
МАЗ МАЗ-53363 5336-8008059 Прижим нижний Установка обтекателя кабины Чертеж Установка обтекателя кабины
МАЗ МАЗ-53363 5336-8008059 Прижим нижний Установка воздушного фильтра и воздухозаборника Чертеж Установка воздушного фильтра и воздухозаборника
МАЗ МАЗ-53366 5336-8008059 Прижим нижний Установка обтекателя кабины
МАЗ МАЗ-53366 5336-8008059 Прижим нижний Установка воздушного фильтра и воздухозаборника Чертеж Установка воздушного фильтра и воздухозаборника
МАЗ МАЗ-5337 5336-8008059 Прижим нижний Установка обтекателя кабины Чертеж Установка обтекателя кабины
МАЗ МАЗ-53371 5336-8008059 Прижим нижний Установка обтекателя кабины Чертеж Установка обтекателя кабины
МАЗ МАЗ-54321 5336-8008059 Прижим нижний Установка обтекателя кабины Чертеж Установка обтекателя кабины
МАЗ МАЗ-54321 5336-8008059 Прижим нижний Крепление воздушного фильтра
МАЗ МАЗ-54323 5336-8008059 Прижим нижний Установка обтекателя кабины Чертеж Установка обтекателя кабины
МАЗ МАЗ-54323 5336-8008059 Прижим нижний Установка воздушного фильтра и воздухозаборника МАЗ-64229, 54323, 5516 Чертеж Установка воздушного фильтра и воздухозаборника МАЗ-64229, 54323, 5516
МАЗ МАЗ-5434 5336-8008059 Прижим нижний Крепление воздушного фильтра МАЗ-64255
МАЗ МАЗ-5516 5336-8008059 Прижим нижний Установка обтекателя кабины Чертеж Установка обтекателя кабины
МАЗ МАЗ-5516 5336-8008059 Прижим нижний Установка воздушного фильтра и воздухозаборника МАЗ-64229, 54323, 5516 Чертеж Установка воздушного фильтра и воздухозаборника МАЗ-64229, 54323, 5516
МАЗ МАЗ-5551 5336-8008059 Прижим нижний Установка обтекателя кабины Чертеж Установка обтекателя кабины
МАЗ МАЗ-6303 (2000) 5336-8008059 Прижим нижний Установка обтекателя кабины
МАЗ МАЗ-6303 (2000) 5336-8008059 Прижим нижний Установка воздушного фильтра и воздухозаборника
МАЗ МАЗ-64221 5336-8008059 Прижим нижний Установка обтекателя кабины Чертеж Установка обтекателя кабины
МАЗ МАЗ-64221 5336-8008059 Прижим нижний Крепление воздушного фильтра
МАЗ МАЗ-64255 5336-8008059 Прижим нижний Крепление воздушного фильтра МАЗ-64255 Чертеж Крепление воздушного фильтра МАЗ-64255
Товары из этой категории
Решетка  МАЗ ОАО 103465-5604350
Решетка МАЗ ОАО
Каталожный номер 103465-5604350
Производитель
Код 1034655604350
Доставка по всей Беларуси
Остаток Под заказ
Уплотнитель  МАЗ ОАО 6312В5-1309016
Уплотнитель МАЗ ОАО
Каталожный номер 6312В5-1309016
Производитель
Код 6312В51309016
Доставка по всей Беларуси
Остаток Под заказ
Скоба  МАЗ ОАО 630300-1001030
Скоба МАЗ ОАО
Каталожный номер 630300-1001030
Производитель
Код 6303001001030
Доставка по всей Беларуси
Остаток Под заказ
Угольник  МАЗ ОАО 402930
Угольник МАЗ ОАО
Каталожный номер 402930
Производитель
Код 402930
Доставка по всей Беларуси
Остаток Под заказ
Глушитель  Вавилова з-д,Минск 8088.00.00.000
Глушитель Вавилова з-д,Минск
Каталожный номер 8088.00.00.000
Производитель
Код 80880000000
Доставка по всей Беларуси
Остаток Под заказ