Республика Беларусь,
г. Минск, ул. Селицкого 21к - центральный склад
Пн-пт с 8:00 до 17:00
Меню
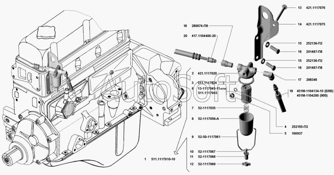
511-1117010-10 Фильтр топливный тонкой очистки
Наименование: Фильтр топливный 511-1117010-10 тонкой очистки
Каталожный номер: 511-1117010-10
Производитель: РФ
Код товара: 59353
Доставка: по всей Беларуси
Остаток: под заказ

Нашли не точность в описании товара? сообщить администратору.

+375 (44) 770-80-78 +375 (29) 747-80-78
* Выставить счет, получить техническую информацию и стоимость
Заказать деталь Онлайн
Описание
Наличие на филиалах
Применяемость
Заменить на СТО

Код для заказа: 59353

Марка Модель Кат.номер Наим. по каталогу Чертеж
ГАЗ ГАЗ-3302 (ГАЗель) 511.1117010 Фильтр тонкой очистки топлива Бак топливный, насос топливный, фильтр тонкой очистки топлива, трубопроводы Чертеж Бак топливный, насос топливный, фильтр тонкой очистки топлива, трубопроводы
ГАЗ ГАЗ-2705 (ГАЗель) (2000) 511.1117010 Фильтр тонкой очистки топлива Насос топливный, фильтр тонкой очистки, отстойник бензиновый и трубопроводы топливные двигателей ЗМЗ-4061.10, ЗМЗ-4063.10
ГАЗ ГАЗ-2705 (ГАЗель) (2000) 511.1117010 Фильтр тонкой очистки топлива Фильтры топливные, отстойник бензиновый и фильтр тонкой очистки Чертеж Фильтры топливные, отстойник бензиновый и фильтр тонкой очистки
ГАЗ ГАЗ-2217 (Соболь) (1999) 511.1117010-01 Фильтр тонкой очистки топлива Насос топливный, фильтр тонкой очистки, отстойник бензиновый и трубопроводы топливные двигателя ЗМЗ-4063 Чертеж Насос топливный, фильтр тонкой очистки, отстойник бензиновый и трубопроводы топливные двигателя ЗМЗ-4063
ГАЗ ГАЗ-3308 (2000) 511.1117010-01 Фильтр тонкой очистки топлива Топливопроводы автомобиля с бензиновым двигателем
ГАЗ ГАЗель 4х4 (2001) (2009) 511.1117010 Фильтр тонкой очистки топлива Бензиновый двигатель. Двухрядная кабина Чертеж Бензиновый двигатель. Двухрядная кабина
ГАЗ ГАЗель 4х4 (2001) (2009) 511.1117010 Фильтр тонкой очистки топлива Бензиновый двигатель. Однорядная кабина Чертеж Бензиновый двигатель. Однорядная кабина
ГАЗ ГАЗ-3308 (2002) 511.1117010-01 Фильтр тонкой очистки топлива Топливопроводы автомобиля с бензиновым двигателем Чертеж Топливопроводы автомобиля с бензиновым двигателем
ГАЗ ГАЗ-33027 (Дополнение) 511.1117010 Фильтр тонкой очистки топлива Система питания Чертеж Система питания
УМЗ УМЗ-4215 (2002) 511.1117010-10 Фильтр тонкой очистки топлива в сборе Трубопроводы топливные, фильтр тонкой очистки топлива
УМЗ УМЗ-421 (2002) 511.1117010-10 Фильтр тонкой очистки топлива в сборе Трубопроводы топливные, Фильтр тонкой очистки топлива Чертеж Трубопроводы топливные, Фильтр тонкой очистки топлива
ПАЗ ПАЗ-3205-110 (2005) 511- 1117010-03 Фильтр тонкой очистки топлива Фильтр тонкой очистки топлива
ПАЗ ПАЗ-3205-110 (2005) 511- 1117010-01 Фильтр тонкой очистки топлива Фильтр тонкой очистки топлива
ПАЗ ПАЗ-3205-110 (2005) 511-1117010-02 Фильтр тонкой очистки топлива Фильтр тонкой очистки топлива
УАЗ УАЗ 3741 (каталог 2002 г.) (2002) 511.1117010-01 Фильтр тонкой очистки топлива в сборе Фильтр грубой очистки топлива, клапан топливный электромагнитный, фильтр тонкой очистки топлива Чертеж Фильтр грубой очистки топлива, клапан топливный электромагнитный, фильтр тонкой очистки топлива
УАЗ УАЗ-31512 (2002) 511.1117010-01 Фильтр тонкой очистки топлива в сборе Фильтр грубой очистки топлива, клапан топливный электромагнитный, фильтр тонкой очистки топлива Чертеж Фильтр грубой очистки топлива, клапан топливный электромагнитный, фильтр тонкой очистки топлива
Товары из этой категории
Фильтр масляный 2101-1012005-20 супер 2101-1012005
Фильтр масляный 2101-1012005-20 супер
Каталожный номер 2101-1012005
Производитель Автомагнат Автомагнат
Код 16009
Доставка по всей Беларуси
Доступность остатки на филиалах Остатки на филиалах
Остаток: г.Минск, ул.Селицкого 21к В наличии
Склад Адрес Контакт Остатки
г. Минск ул. Селицкого, 21к +375 (44) 770-80-78 ( Много )
Схема проезда
г. Барановичи ул. Пролетарская, 40 +375 (29) 795-96-37 ( Средне )
Схема проезда
г. Барановичи ул. Бадака, 27Б +375 (29) 350-33-47 ( Средне )
Схема проезда
г. Березино ул. Комсомольская, д. 24 +375 (44) 770-80-17 ( Средне )
Схема проезда
г. Бобруйск ул. Гоголя, 181/1-6 +375 (29) 630-05-01 ( Средне )
Схема проезда
г. Бобруйск ул. Орловского, 22к3 +375 (29) 345-37-07 ( Средне )
Схема проезда
г. Борисов ул. Демина, 2а +375 (44) 560-99-75 ( Средне )
Схема проезда
г. Брест Тельминский с/с, 1Д/1, 1 км южнее д. Тельмы-2 +375 (44) 599-90-75 ( Средне )
Схема проезда
г. Витебск ул. Правды, 33 +375 (44) 770-80-87 ( Средне )
Схема проезда
г. Глубокое ул. Энгельса, 22 +375 (44) 505-71-40 ( Средне )
Схема проезда
г. Дрогичин ул. Юбилейная, 42 +375 (29) 682-17-13 ( Средне )
Схема проезда
г. Дятлово ул. Советская ,104 +375 (29) 187-87-37 ( Средне )
Схема проезда
г. Житковичи ул. Комсомольская, 49 +375 (29) 394-82-52 ( Много )
Схема проезда
г. Жлобин ул. Козлова, 25 +375 (29) 346-06-78 ( Средне )
Схема проезда
г. Ивацевичи ул. Загородная, 6А +375 (29) 188-59-01 ( Средне )
Схема проезда
г. Кобрин ул. Пролетарская, 177А +375 (44) 588-10-80 ( Средне )
Схема проезда
г. Кричев ул. Комсомольская, 126 +375 (29) 628-88-42 ( Средне )
Схема проезда
г. Лельчицы ул. Советская, д.96/1 +375 (29) 346-98-96 ( Много )
Схема проезда
г. Лунинец ул.Красная, 175а +375 (44) 721-46-74 ( Средне )
Схема проезда
г. Молодечно ул. Галицкого, 14 +375 (44) 567-28-47 ( Средне )
Схема проезда
г. Новогрудок ул. Индустриальная, 3 +375 (44) 729-39-19 ( Средне )
Схема проезда
г. Осиповичи ул. Короткая, 11 +375 (29) 165-60-07 ( Мало )
Схема проезда
г. Ошмяны ул. Льнозоводская 3 +375 (44) 770-80-91 ( Мало )
Схема проезда
г. Петриков ул. Первомайская, 124 +375 (33) 660-06-75 ( Средне )
Схема проезда
г. Пинск ул. Калиновского 32 +375 (44) 560-99-59 ( Средне )
Схема проезда
г. Полоцк-2 ул. Шенягина, 52 +375 (29) 302-94-73 ( Средне )
Схема проезда
г. Полоцк-2 ул. Шенягина, 52 +375 (29) 302-94-73 ( Много )
Схема проезда
г. Полоцк-2 ул. Шенягина, 52 +375 (29) 302-94-73 ( Средне )
Схема проезда
г. Пружаны ул. Макаренко, 21 +375 (29) 348-83-18 ( Средне )
Схема проезда
г. Слоним ул. Советская, 93а +375 (29) 394-82-01 ( Много )
Схема проезда
г. Сморгонь ул. Железнодорожная, 32 +375 (29) 671-02-10 ( Средне )
Схема проезда
г. Солигорск Чижевичский сельсовет, 3Г +375 (29) 899-58-52 ( Мало )
Схема проезда
г. Щучин ул. Советская, 39 +375 (29) 177-29-70 ( Средне )
Схема проезда
Клапан выпускной 610800050050 Weichai 610800050050
Клапан выпускной 610800050050 Weichai
Каталожный номер 610800050050
Производитель WEICHAI WEICHAI
Код 00-ГР034249
Доставка по всей Беларуси
Доступность остатки на филиалах Остатки на филиалах
Остаток: г.Минск, ул.Селицкого 21к В наличии
Склад Адрес Контакт Остатки
г. Минск ул. Селицкого, 21к +375 (44) 770-80-78 ( Много )
Схема проезда
Элемент фильтрующий 405-1109013-10
Элемент фильтрующий
Каталожный номер 405-1109013-10
Производитель УП Фильтр УП Фильтр
Код 33838
Доставка по всей Беларуси
Доступность остатки на филиалах Остатки на филиалах
Остаток: г.Минск, ул.Селицкого 21к В наличии
Склад Адрес Контакт Остатки
г. Минск ул. Селицкого, 21к +375 (44) 770-80-78 ( Средне )
Схема проезда
г. Бобруйск ул. Гоголя, 181/1-6 +375 (29) 630-05-01 ( Мало )
Схема проезда
г. Гомель ул. Барыкина, 291Б +375 (44) 514-15-30 ( Мало )
Схема проезда
г. Гомель ул. Барыкина, 291Б +375 (44) 514-15-30 ( Мало )
Схема проезда
г. Гродно ул. Карского, 35 +375 (44) 770-70-21 ( Мало )
Схема проезда
г. Дятлово ул. Советская ,104 +375 (29) 187-87-37 ( Мало )
Схема проезда
г. Кричев ул. Комсомольская, 126 +375 (29) 628-88-42 ( Мало )
Схема проезда
г. Новогрудок ул. Индустриальная, 3 +375 (44) 729-39-19 ( Средне )
Схема проезда
г. Ошмяны ул. Льнозоводская 3 +375 (44) 770-80-91 ( Мало )
Схема проезда
г. Полоцк-2 ул. Шенягина, 52 +375 (29) 302-94-73 ( Мало )
Схема проезда
Шланг топливный длинный 4022-1104126
Шланг топливный длинный
Каталожный номер 4022-1104126
Производитель RSTA RSTA
Код 12126
Доставка по всей Беларуси
Доступность остатки на филиалах Остатки на филиалах
Остаток: г.Минск, ул.Селицкого 21к В наличии
Склад Адрес Контакт Остатки
г. Минск ул. Селицкого, 21к +375 (44) 770-80-78 ( Мало )
Схема проезда
г. Барановичи ул. Пролетарская, 40 +375 (29) 795-96-37 ( Мало )
Схема проезда
г. Гродно ул. Карского, 35 +375 (44) 770-70-21 ( Мало )
Схема проезда
г. Дрогичин ул. Юбилейная, 42 +375 (29) 682-17-13 ( Мало )
Схема проезда
г. Ивацевичи ул. Загородная, 6А +375 (29) 188-59-01 ( Мало )
Схема проезда
г. Кричев ул. Комсомольская, 126 +375 (29) 628-88-42 ( Средне )
Схема проезда
г. Новогрудок ул. Индустриальная, 3 +375 (44) 729-39-19 ( Мало )
Схема проезда
г. Осиповичи ул. Короткая, 11 +375 (29) 165-60-07 ( Мало )
Схема проезда
г. Сморгонь ул. Железнодорожная, 32 +375 (29) 671-02-10 ( Мало )
Схема проезда
Фильтр очистки масла DIFA 5501
Фильтр очистки масла
Каталожный номер DIFA 5501
Производитель ДИФА ДИФА
Код 39073
Доставка по всей Беларуси
Доступность остатки на филиалах Остатки на филиалах
Остаток: г.Минск, ул.Селицкого 21к В наличии
Склад Адрес Контакт Остатки
г. Минск ул. Бабушкина, 37 +375 (29) 632-00-82 ( Мало )
Схема проезда
г. Минск ул. Селицкого, 21к +375 (44) 770-80-78 ( Много )
Схема проезда
г. Барановичи ул. Пролетарская, 40 +375 (29) 795-96-37 ( Средне )
Схема проезда
г. Барановичи ул. Бадака, 27Б +375 (29) 350-33-47 ( Мало )
Схема проезда
г. Березино ул. Комсомольская, д. 24 +375 (44) 770-80-17 ( Средне )
Схема проезда
г. Берёза ул. Красноармейская, 89/11 +375 (29) 676-70-71 ( Мало )
Схема проезда
г. Бобруйск ул. Гоголя, 181/1-6 +375 (29) 630-05-01 ( Средне )
Схема проезда
г. Бобруйск ул. Орловского, 22к3 +375 (29) 345-37-07 ( Мало )
Схема проезда
г. Брест Тельминский с/с, 1Д/1, 1 км южнее д. Тельмы-2 +375 (44) 599-90-75 ( Средне )
Схема проезда
г. Глубокое ул. Энгельса, 22 +375 (44) 505-71-40 ( Мало )
Схема проезда
г. Гомель ул. Барыкина, 291Б +375 (44) 514-15-30 ( Средне )
Схема проезда
г. Горки ул.Мира, д.51а/1 +375 (44) 565-33-61 ( Средне )
Схема проезда
г. Гродно ул. Карского, 35 +375 (44) 770-70-21 ( Мало )
Схема проезда
г. Дятлово ул. Советская ,104 +375 (29) 187-87-37 ( Средне )
Схема проезда
г. Житковичи ул. Комсомольская, 49 +375 (29) 394-82-52 ( Мало )
Схема проезда
г. Кричев ул. Комсомольская, 126 +375 (29) 628-88-42 ( Мало )
Схема проезда
г. Лепель ул. Лобанка, 43 +375 (44) 778-65-21 ( Средне )
Схема проезда
г. Могилев ул. Габровская 11Б +375 (29) 662-02-16 ( Мало )
Схема проезда
г. Мозырь промузел Козенки +375 (44) 731-94-60 ( Мало )
Схема проезда
г. Молодечно ул. Галицкого, 14 +375 (44) 567-28-47 ( Средне )
Схема проезда
г. Новогрудок ул. Индустриальная, 3 +375 (44) 729-39-19 ( Средне )
Схема проезда
г. Орша ул. Сергея Кирова, д. 34 +375 (44) 583-91-42 ( Средне )
Схема проезда
г. Осиповичи ул. Короткая, 11 +375 (29) 165-60-07 ( Мало )
Схема проезда
г. Петриков ул. Первомайская, 124 +375 (33) 660-06-75 ( Средне )
Схема проезда
г. Пинск ул. Калиновского 32 +375 (44) 560-99-59 ( Средне )
Схема проезда
г. Полоцк-2 ул. Шенягина, 52 +375 (29) 302-94-73 ( Мало )
Схема проезда
г. Полоцк-2 ул. Шенягина, 52 +375 (29) 302-94-73 ( Мало )
Схема проезда
г. Слуцк ул. Тутаринова, 8 +375 (29) 346-06-90 ( Средне )
Схема проезда
г. Щучин ул. Советская, 39 +375 (29) 177-29-70 ( Мало )
Схема проезда