Республика Беларусь,
г. Минск, ул. Селицкого 21к - центральный склад
Пн-пт с 8:00 до 17:00
Меню
500-1602668 Пружина стяжная МАЗ ОАО
Наименование: Пружина стяжная МАЗ ОАО
Каталожный номер: 500-1602668
Код товара: 5001602668
Доставка: по всей Беларуси
Остаток: под заказ 1-45 дней

Нашли не точность в описании товара? сообщить администратору.

+375 (44) 770-80-78 +375 (29) 747-80-78
* Выставить счет, получить техническую информацию и стоимость
Заказать деталь Онлайн
Описание
Наличие на филиалах
Применяемость
Заменить на СТО

500-1602668 Пружина стяжная.

  • Производитель: МАЗ ОАО
  • Каталожный номер по заводу: 500-1602668
  • Код для заказа:  5001602668
Марка Модель Кат.номер Наим. по каталогу Чертеж
МАЗ МАЗ-500А 500-1602668 Пружина Педаль и привод выключения сцепления Чертеж Педаль и привод выключения сцепления
МАЗ МАЗ-503А 500-1602668 Пружина Педаль и привод выключения сцепления Чертеж Педаль и привод выключения сцепления
МАЗ МАЗ-504А 500-1602668 Пружина Педаль и привод выключения сцепления
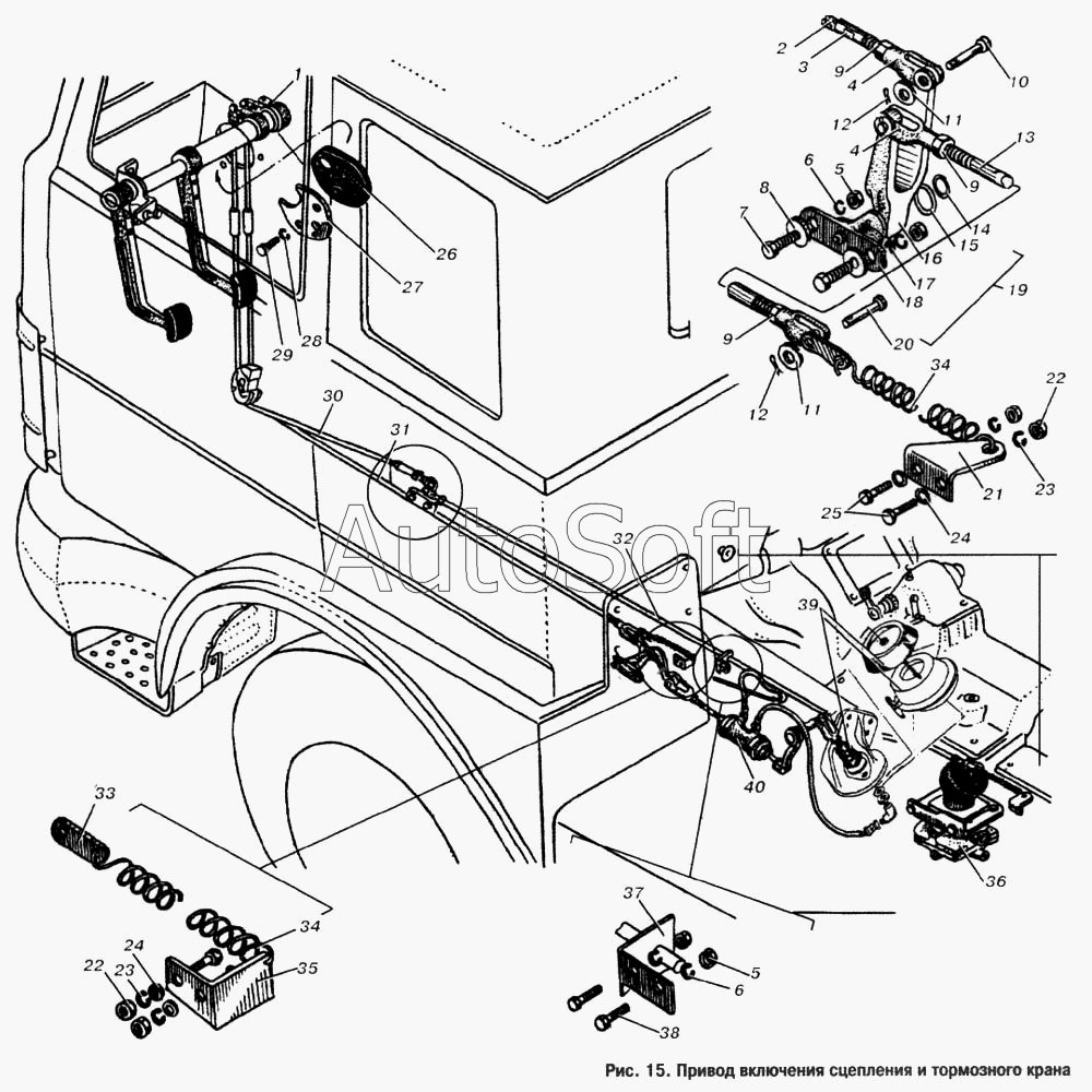
МАЗ МАЗ-53363 500-1602668 Пружина Привод включения сцепления и тормозного крана Чертеж Привод включения сцепления и тормозного крана
МАЗ МАЗ-53366 500-1602668 Пружина Привод включения сцепления и тормозного крана Чертеж Привод включения сцепления и тормозного крана
МАЗ МАЗ-5337 500-1602668 Пружина Привод выключения сцепления и тормозного крана МАЗ-5551, МАЗ-53371,МАЗ-5337 Чертеж Привод выключения сцепления и тормозного крана МАЗ-5551, МАЗ-53371,МАЗ-5337
МАЗ МАЗ-5337 500-1602668 Пружина Привод выключения сцепления и тормозного крана МАЗ-5551, МАЗ-53371,МАЗ-5337
МАЗ МАЗ-53371 500-1602668 Пружина Привод выключения сцепления и тормозного крана МАЗ-5551, МАЗ-53371,МАЗ-5337 Чертеж Привод выключения сцепления и тормозного крана МАЗ-5551, МАЗ-53371,МАЗ-5337
МАЗ МАЗ-53371 500-1602668 Пружина Привод выключения сцепления и тормозного крана МАЗ-5551, МАЗ-53371,МАЗ-5337 Чертеж Привод выключения сцепления и тормозного крана МАЗ-5551, МАЗ-53371,МАЗ-5337
МАЗ МАЗ-54321 500-1602668 Пружина Механизм управления сцеплением Чертеж Механизм управления сцеплением
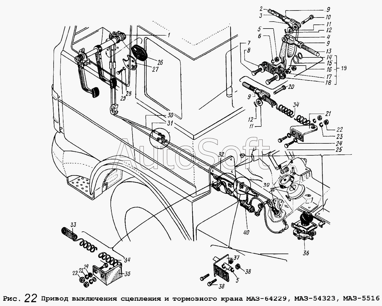
МАЗ МАЗ-54323 500-1602668 Пружина Привод выключения сцепления и тормозного крана МАЗ-64229, МАЗ-54323, МАЗ-5516
МАЗ МАЗ-54323 500-1602668 Пружина Привод выключения сцепления и тормозного крана МАЗ-64229, МАЗ-54323, МАЗ-5516
МАЗ МАЗ-5434 500-1602668 Пружина Механизм выключения сцепления и тормозного крана Чертеж Механизм выключения сцепления и тормозного крана
МАЗ МАЗ-5516 500-1602668 Пружина Привод выключения сцепления и тормозного крана МАЗ-64229, МАЗ-54323, МАЗ-5516 Чертеж Привод выключения сцепления и тормозного крана МАЗ-64229, МАЗ-54323, МАЗ-5516
МАЗ МАЗ-5516 500-1602668 Пружина Привод выключения сцепления и тормозного крана МАЗ-64229, МАЗ-54323, МАЗ-5516 Чертеж Привод выключения сцепления и тормозного крана МАЗ-64229, МАЗ-54323, МАЗ-5516
МАЗ МАЗ-5551 500-1602668 Пружина Привод выключения сцепления и тормозного крана МАЗ-5551, МАЗ-53371,МАЗ-5337 Чертеж Привод выключения сцепления и тормозного крана МАЗ-5551, МАЗ-53371,МАЗ-5337
МАЗ МАЗ-5551 500-1602668 Пружина Привод выключения сцепления и тормозного крана МАЗ-5551, МАЗ-53371,МАЗ-5337 Чертеж Привод выключения сцепления и тормозного крана МАЗ-5551, МАЗ-53371,МАЗ-5337
МАЗ МАЗ-6303 (2000) 500-1602668 Пружина Привод включения сцепления и тормозного крана Чертеж Привод включения сцепления и тормозного крана
МАЗ МАЗ-64221 500-1602668 Пружина Механизм управления сцеплением Чертеж Механизм управления сцеплением
МАЗ МАЗ-64255 500-1602668 Пружина Механизм выключения сцепления и тормозного крана Чертеж Механизм выключения сцепления и тормозного крана
Товары из этой категории
Кольцо  МАЗ ОАО, УВК 4370-2402064
Кольцо МАЗ ОАО, УВК
Каталожный номер 4370-2402064
Производитель
Код 43702402064
Доставка по всей Беларуси
Остаток Под заказ
Накладка  МАЗ ОАО 152-5401723
Накладка МАЗ ОАО
Каталожный номер 152-5401723
Производитель
Код 1525401723
Доставка по всей Беларуси
Остаток Под заказ
Болт 3М14х1,5-6пх50  МАЗ ОАО 372532
Болт 3М14х1,5-6пх50 МАЗ ОАО
Каталожный номер 372532
Производитель
Код 372532
Доставка по всей Беларуси
Остаток Под заказ
Палец 12х40  МАЗ ОАО 260089
Палец 12х40 МАЗ ОАО
Каталожный номер 260089
Производитель
Код 260089
Доставка по всей Беларуси
Остаток Под заказ
Труба приемная  МАЗ ОАО 543202-1203032
Труба приемная МАЗ ОАО
Каталожный номер 543202-1203032
Производитель
Код 5432021203032
Доставка по всей Беларуси
Остаток Под заказ