Республика Беларусь,
г. Минск, ул. Селицкого 21к - центральный склад
Пн-пт с 8:00 до 17:00
Меню
379659 Угольник МАЗ ОАО
Наименование: Угольник МАЗ ОАО
Каталожный номер: 379659
Код товара: 379659
Доставка: по всей Беларуси
Остаток: под заказ 1-45 дней

Нашли не точность в описании товара? сообщить администратору.

+375 (44) 770-80-78 +375 (29) 747-80-78
* Выставить счет, получить техническую информацию и стоимость
Заказать деталь Онлайн
Описание
Наличие на филиалах
Применяемость
Заменить на СТО

379659 Угольник.

  • Производитель: МАЗ ОАО
  • Каталожный номер по заводу: 379659
  • Код для заказа:  379659
Марка Модель Кат.номер Наим. по каталогу Чертеж
МАЗ МАЗ-500А 379659-П29 Угольник конечный Схема пневматического привода тормозов автомобилей МАЗ-500А и МАЗ-504А Чертеж Схема пневматического привода тормозов автомобилей МАЗ-500А и МАЗ-504А
МАЗ МАЗ-500А 379659-П29 Угольник конечный Схема пневматического привода тормозов автомобиля МАЗ-503А
МАЗ МАЗ-503А 379659-П29 Угольник конечный Схема пневматического привода тормозов автомобилей МАЗ-500А и МАЗ-504А
МАЗ МАЗ-503А 379659-П29 Угольник конечный Схема пневматического привода тормозов автомобиля МАЗ-503А Чертеж Схема пневматического привода тормозов автомобиля МАЗ-503А
МАЗ МАЗ-504А 379659-П29 Угольник конечный Схема пневматического привода тормозов автомобилей МАЗ-500А и МАЗ-504А Чертеж Схема пневматического привода тормозов автомобилей МАЗ-500А и МАЗ-504А
МАЗ МАЗ-504А 379659-П29 Угольник конечный Схема пневматического привода тормозов автомобиля МАЗ-503А
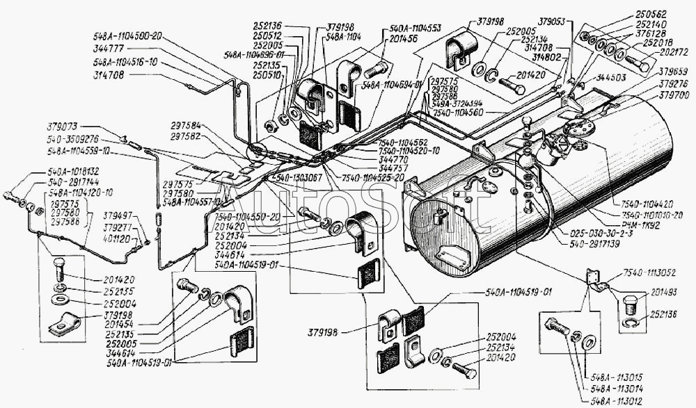
БелАЗ 7522, 7540, 75401, 7523, 75231 Общий 379659 Угольник Топливные баки и топливные трубопроводы Чертеж Топливные баки и топливные трубопроводы
БелАЗ 7522, 7540, 75401, 7523, 75231 Общий 379659 Угольник Топливные баки и топливные трубопроводы Чертеж Топливные баки и топливные трубопроводы
БелАЗ 7522, 7540, 75401, 7523, 75231 Общий 379659 Угольник Топливные баки и топливные трубопроводы Чертеж Топливные баки и топливные трубопроводы
БелАЗ 7522, 7540, 75401, 7523, 75231 Общий 379659 Угольник Трубопроводы пневматического привода тормозной системы Чертеж Трубопроводы пневматического привода тормозной системы
БелАЗ 7522, 7540, 75401, 7523, 75231 Общий 379659 Угольник Трубопроводы пневматического привода тормозной системы Чертеж Трубопроводы пневматического привода тормозной системы
БелАЗ 7522, 7540, 75401, 7523, 75231 Общий 379659 Угольник Трубопроводы пневматического привода тормозной системы Чертеж Трубопроводы пневматического привода тормозной системы
БелАЗ 7522, 7540, 75401, 7523, 75231 Общий 379659 Угольник Трубопроводы пневматического привода тормозной системы Чертеж Трубопроводы пневматического привода тормозной системы
БелАЗ 7522 379659 Угольник Топливные баки и топливные трубопроводы Чертеж Топливные баки и топливные трубопроводы
БелАЗ 7522 379659 Угольник Трубопроводы пневматического привода тормозной системы Чертеж Трубопроводы пневматического привода тормозной системы
БелАЗ 7540 379659 Угольник Топливные баки и топливные трубопроводы Чертеж Топливные баки и топливные трубопроводы
БелАЗ 7540 379659 Угольник Трубопроводы пневматического привода тормозной системы Чертеж Трубопроводы пневматического привода тормозной системы
БелАЗ 75401 379659 Угольник Топливные баки и топливные трубопроводы Чертеж Топливные баки и топливные трубопроводы
БелАЗ 75401 379659 Угольник Трубопроводы пневматического привода тормозной системы Чертеж Трубопроводы пневматического привода тормозной системы
БелАЗ 7523 379659 Угольник Топливные баки и топливные трубопроводы Чертеж Топливные баки и топливные трубопроводы
Товары из этой категории
Ниппель  МАЗ ОАО 402417
Ниппель МАЗ ОАО
Каталожный номер 402417
Производитель
Код 402417
Доставка по всей Беларуси
Остаток Под заказ
Болт М16х1,5-6нх95  МАЗ ОАО 372623
Болт М16х1,5-6нх95 МАЗ ОАО
Каталожный номер 372623
Производитель
Код 372623
Доставка по всей Беларуси
Остаток Под заказ
Колодка тормозная  ТАИМ,Бобруйск 5440-3502090
Колодка тормозная ТАИМ,Бобруйск
Каталожный номер 5440-3502090
Производитель
Код 54403502090
Доставка по всей Беларуси
Остаток Под заказ
Кронштейн верхний  МАЗ ОАО 64221-2905416
Кронштейн верхний МАЗ ОАО
Каталожный номер 64221-2905416
Производитель
Код 642212905416
Доставка по всей Беларуси
Остаток Под заказ
Воздухопровод  МАЗ ОАО 6422-1705050
Воздухопровод МАЗ ОАО
Каталожный номер 6422-1705050
Производитель
Код 64221705050
Доставка по всей Беларуси
Остаток Под заказ