Республика Беларусь,
г. Минск, ул. Селицкого 21к - центральный склад
Пн-пт с 8:00 до 17:00
Меню
379501 Ниппель МАЗ ОАО
Наименование: Ниппель МАЗ ОАО
Каталожный номер: 379501
Код товара: 379501
Доставка: по всей Беларуси
Остаток: под заказ 1-45 дней

Нашли не точность в описании товара? сообщить администратору.

+375 (44) 770-80-78 +375 (29) 747-80-78
* Выставить счет, получить техническую информацию и стоимость
Заказать деталь Онлайн
Описание
Наличие на филиалах
Применяемость
Заменить на СТО

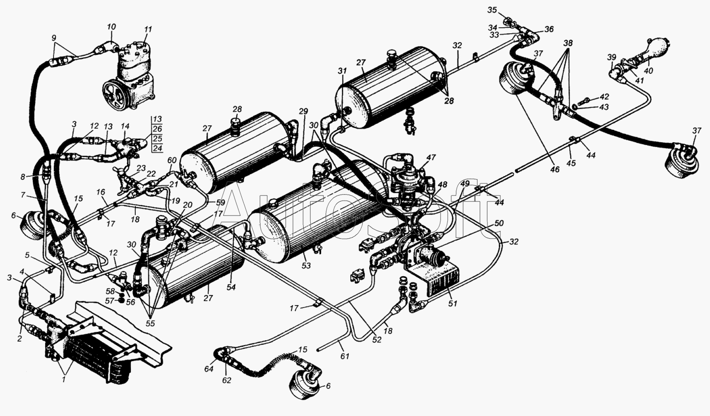
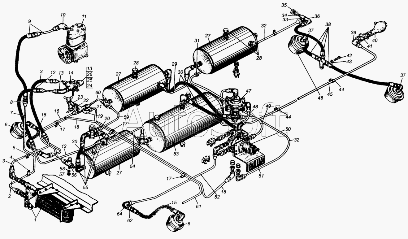
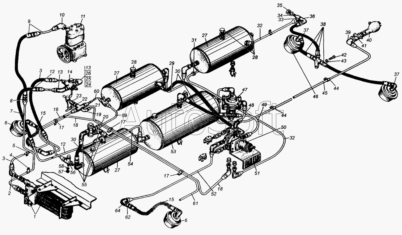
379501 Ниппель.

  • Производитель: МАЗ ОАО
  • Каталожный номер по заводу: 379501
  • Код для заказа:  379501
Марка Модель Кат.номер Наим. по каталогу Чертеж
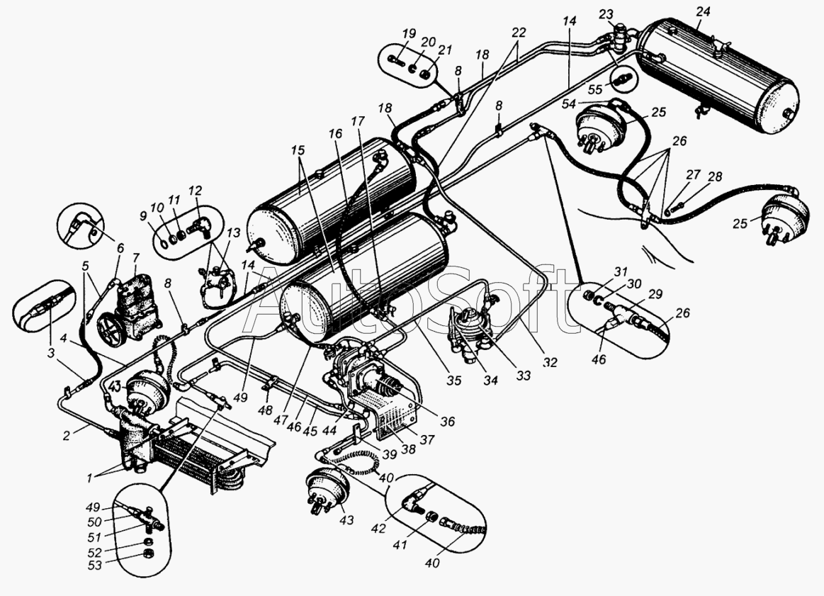
МАЗ МАЗ-500А 379501-П29 Ниппель Схема пневматического привода тормозов автомобиля МАЗ-503А
МАЗ МАЗ-503А 379501-П29 Ниппель Схема пневматического привода тормозов автомобиля МАЗ-503А Чертеж Схема пневматического привода тормозов автомобиля МАЗ-503А
МАЗ МАЗ-504А 379501-П29 Ниппель Схема пневматического привода тормозов автомобиля МАЗ-503А
МАЗ МАЗ-5335 (2004) 379501-П29 Ниппель Привод пневматический тормозов автомобиля МАЗ-5335
МАЗ МАЗ-5335 (2004) 379501-П29 Ниппель Привод пневматический тормозов автомобиля МАЗ-5549
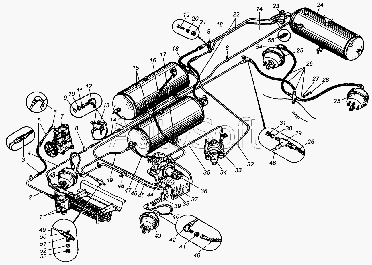
МАЗ МАЗ-5335 (2004) 379501-П29 Ниппель Привод пневматический тормозов автомобилей МАЗ-5429, МАЗ-504В Чертеж Привод пневматический тормозов автомобилей МАЗ-5429, МАЗ-504В
МАЗ МАЗ-5335 (2004) 379501-П29 Ниппель Привод пневматический тормозов автомобиля МАЗ-509А Чертеж Привод пневматический тормозов автомобиля МАЗ-509А
МАЗ МАЗ-504В (2005) 379501-П29 Ниппель Привод пневматический тормозов МАЗ-5335
МАЗ МАЗ-504В (2005) 379501-П29 Ниппель Привод пневматический тормозов МАЗ-5549 Чертеж Привод пневматический тормозов МАЗ-5549
МАЗ МАЗ-504В (2005) 379501-П29 Ниппель Привод пневматический тормозов МАЗ-5429, МАЗ-504В Чертеж Привод пневматический тормозов МАЗ-5429, МАЗ-504В
МАЗ МАЗ-504В (2005) 379501-П29 Ниппель Привод пневматический тормозов МАЗ-509А Чертеж Привод пневматический тормозов МАЗ-509А
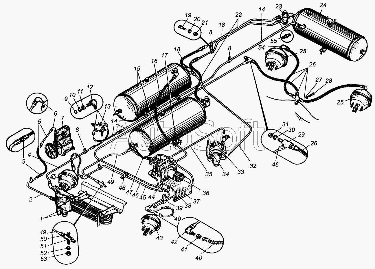
МАЗ МАЗ-5429 (2003) 379501-П29 Ниппель Привод пневматический тормозов МАЗ-5335 Чертеж Привод пневматический тормозов МАЗ-5335
МАЗ МАЗ-5429 (2003) 379501-П29 Ниппель Привод пневматический тормозов МАЗ-5549 Чертеж Привод пневматический тормозов МАЗ-5549
МАЗ МАЗ-5429 (2003) 379501-П29 Ниппель Привод пневматический тормозов МАЗ-5429, МАЗ-504В Чертеж Привод пневматический тормозов МАЗ-5429, МАЗ-504В
МАЗ МАЗ-5429 (2003) 379501-П29 Ниппель Привод пневматический тормозов МАЗ-509А Чертеж Привод пневматический тормозов МАЗ-509А
МАЗ МАЗ-5549 (2003) 379501-П29 Ниппель Привод пневматический тормозов МАЗ-5335 Чертеж Привод пневматический тормозов МАЗ-5335
МАЗ МАЗ-5549 (2003) 379501-П29 Ниппель Привод пневматический тормозов МАЗ-5549 Чертеж Привод пневматический тормозов МАЗ-5549
МАЗ МАЗ-5549 (2003) 379501-П29 Ниппель Привод пневматический тормозов МАЗ-5429, МАЗ-504В Чертеж Привод пневматический тормозов МАЗ-5429, МАЗ-504В
МАЗ МАЗ-5549 (2003) 379501-П29 Ниппель Привод пневматический тормозов МАЗ-509А Чертеж Привод пневматический тормозов МАЗ-509А
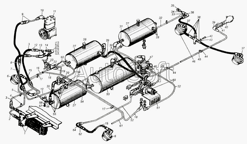
МЗКТ МЗКТ-79092 (2005) 379501 Ниппель Главный тормозной цилиндр Чертеж Главный тормозной цилиндр
Аналоги
Ниппель 379501 МАЗ 379501
Ниппель 379501 МАЗ
Каталожный номер 379501
Производитель МАЗ МАЗ
Код 00-ГР018763
Доставка по всей Беларуси
Доступность остатки на филиалах Остатки на филиалах
Остаток Под заказ
Товары из этой категории
Лист 1  МАЗ ОАО 64221-2902052-20
Лист 1 МАЗ ОАО
Каталожный номер 64221-2902052-20
Производитель
Код 64221290205220
Доставка по всей Беларуси
Остаток Под заказ
Рессора задняя  МАЗ ОАО 5440-2912012-020
Рессора задняя МАЗ ОАО
Каталожный номер 5440-2912012-020
Производитель
Код 54402912012020
Доставка по всей Беларуси
Остаток Под заказ
Кожух, ОЗАА,Осиповичи 555142-1309011-001
Кожух, ОЗАА,Осиповичи
Каталожный номер 555142-1309011-001
Производитель
Код 5551421309011000
Доставка по всей Беларуси
Остаток Под заказ
Штуцер  МАЗ ОАО 303266-1104014
Штуцер МАЗ ОАО
Каталожный номер 303266-1104014
Производитель
Код 3032661104014
Доставка по всей Беларуси
Остаток Под заказ
Запор борта  МАЗ ОАО 6501W6-8505050-020
Запор борта МАЗ ОАО
Каталожный номер 6501W6-8505050-020
Производитель
Код 6501W68505050020
Доставка по всей Беларуси
Остаток Под заказ