Республика Беларусь,
г. Минск, ул. Селицкого 21к - центральный склад
Пн-пт с 8:00 до 17:00
Меню
375010 Гайка М24х2-6н МАЗ ОАО
Наименование: Гайка М24х2-6н МАЗ ОАО
Каталожный номер: 375010
Код товара: 375010
Доставка: по всей Беларуси
Остаток: под заказ 1-45 дней

Нашли не точность в описании товара? сообщить администратору.

+375 (44) 770-80-78 +375 (29) 747-80-78
* Выставить счет, получить техническую информацию и стоимость
Заказать деталь Онлайн
Описание
Наличие на филиалах
Применяемость
Заменить на СТО

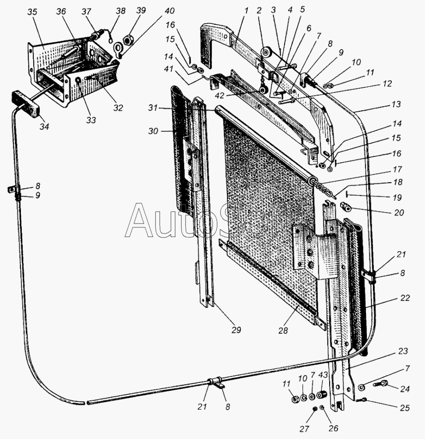
375010 Гайка М24х2-6н.

  • Производитель: МАЗ ОАО
  • Каталожный номер по заводу: 375010
  • Код для заказа:  375010
Марка Модель Кат.номер Наим. по каталогу Чертеж
МАЗ МАЗ-500А 375010-П29 Гайка Шторка радиатора
МАЗ МАЗ-500А 375010-П29 Гайка Привод ручного тормоза
МАЗ МАЗ-503А 375010-П29 Гайка Шторка радиатора
МАЗ МАЗ-503А 375010-П29 Гайка Привод ручного тормоза
МАЗ МАЗ-504А 375010-П29 Гайка Шторка радиатора
МАЗ МАЗ-504А 375010-П29 Гайка Привод ручного тормоза
МАЗ МАЗ-5335 (2004) 375010-П29 Гайка Шторка радиатора
МАЗ МАЗ-5335 (2004) 375010-П29 Гайка Привод пневматический тормозов автомобиля МАЗ-5549
МАЗ МАЗ-5335 (2004) 375010-П29 Гайка Привод пневматический тормозов автомобиля МАЗ-509А Чертеж Привод пневматический тормозов автомобиля МАЗ-509А
МАЗ МАЗ-5335 (2004) 375010-П29 Гайка Управление стояночным тормозом автомобилей МАЗ-5335, МАЗ-5549
МАЗ МАЗ-5335 (2004) 375010-П29 Гайка Управление стояночным тормозом автомобилей МАЗ-5429, МАЗ-504В
МАЗ МАЗ-5335 (2004) 375010-П29 Гайка Управление стояночным тормозом автомобиля МАЗ-509А
МАЗ МАЗ-504В (2005) 375010-П29 Гайка Шторка радиатора Чертеж Шторка радиатора
МАЗ МАЗ-504В (2005) 375010-П29 Гайка Управление стояночным тормозом МАЗ-5335, МАЗ-5549
МАЗ МАЗ-504В (2005) 375010-П29 Гайка Управление стояночным тормозом МАЗ-5429, МАЗ-504В
МАЗ МАЗ-504В (2005) 375010-П29 Гайка Управление стояночным тормозом МАЗ-509А Чертеж Управление стояночным тормозом МАЗ-509А
МАЗ МАЗ-504В (2005) 375010-П29 Гайка Привод пневматический тормозов МАЗ-5549 Чертеж Привод пневматический тормозов МАЗ-5549
МАЗ МАЗ-504В (2005) 375010-П29 Гайка Привод пневматический тормозов МАЗ-509А Чертеж Привод пневматический тормозов МАЗ-509А
МАЗ МАЗ-5429 (2003) 375010-П29 Гайка Шторка радиатора Чертеж Шторка радиатора
МЗКТ МЗКТ-65158 (1999) 375010 Гайка М24х2-6Н Установка привода шторки
Товары из этой категории
Шпонка 6х9 ост 37.001.213-78  МАЗ ОАО 378060
Шпонка 6х9 ост 37.001.213-78 МАЗ ОАО
Каталожный номер 378060
Производитель
Код 378060
Доставка по всей Беларуси
Остаток Под заказ
Палец  МАЗ ОАО 54321-2916034
Палец МАЗ ОАО
Каталожный номер 54321-2916034
Производитель
Код 543212916034
Доставка по всей Беларуси
Остаток Под заказ
Комплект ключа с замками  JAC, Китай 3704020R1040-Z001
Комплект ключа с замками JAC, Китай
Каталожный номер 3704020R1040-Z001
Производитель
Код 3704020R1040Z001
Доставка по всей Беларуси
Остаток Под заказ
Лист 5  МАЗ ОАО 64229-2912105
Лист 5 МАЗ ОАО
Каталожный номер 64229-2912105
Производитель
Код 642292912105
Доставка по всей Беларуси
Остаток Под заказ
Кронштейн  МАЗ ОАО 6430-2916040
Кронштейн МАЗ ОАО
Каталожный номер 6430-2916040
Производитель
Код 64302916040
Доставка по всей Беларуси
Остаток Под заказ