Республика Беларусь,
г. Минск, ул. Селицкого 21к - центральный склад
Пн-пт с 8:00 до 17:00
Меню
374809 Гайка М18х1,5-5н-6н МАЗ ОАО
Наименование: Гайка М18х1,5-5н-6н МАЗ ОАО
Каталожный номер: 374809
Код товара: 374809
Доставка: по всей Беларуси
Остаток: под заказ 1-45 дней

Нашли не точность в описании товара? сообщить администратору.

+375 (44) 770-80-78 +375 (29) 747-80-78
* Выставить счет, получить техническую информацию и стоимость
Заказать деталь Онлайн
Описание
Наличие на филиалах
Применяемость
Заменить на СТО

374809 Гайка М18х1,5-5н-6н.

  • Производитель: МАЗ ОАО
  • Каталожный номер по заводу: 374809
  • Код для заказа:  374809
Марка Модель Кат.номер Наим. по каталогу Чертеж
МАЗ МАЗ-500А 374809-П29 Гайка Передняя рессора Чертеж Передняя рессора
МАЗ МАЗ-503А 374809-П29 Гайка Передняя рессора Чертеж Передняя рессора
МАЗ МАЗ-504А 374809-П29 Гайка Передняя рессора Чертеж Передняя рессора
МАЗ МАЗ-437040 (Зубренок) (2002) 374809 Гайка М18х1,5-5Н6Н Установка кабины Чертеж Установка кабины
МАЗ МАЗ-437040 (Зубренок) (2002) 374809 Гайка М18х1,5-5Н6Н Кронштейн с колонкой
МАЗ МАЗ-53363 374809 Гайка М18х1,5-5Н6Н Переднее подрессоривание кабины Чертеж Переднее подрессоривание кабины
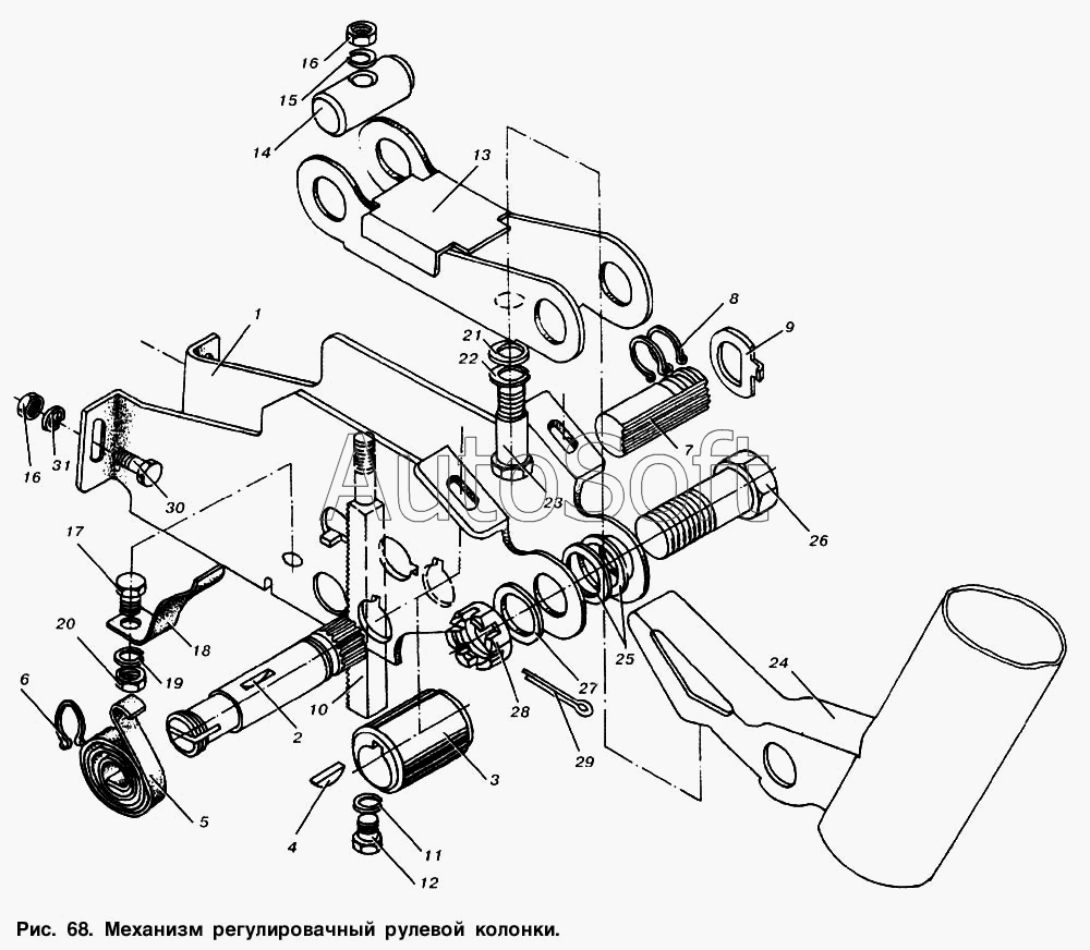
МАЗ МАЗ-53363 374809 Гайка М18х1,5-5Н6Н Механизм регулировочный рулевой колонки Чертеж Механизм регулировочный рулевой колонки
МАЗ МАЗ-53366 374809 Гайка М18х1,5-5Н6Н Переднее подрессоривание кабины Чертеж Переднее подрессоривание кабины
МАЗ МАЗ-53366 374809 Гайка М18х1,5-5Н6Н Механизм регулировочный рулевой колонки Чертеж Механизм регулировочный рулевой колонки
МАЗ МАЗ-5337 374809 Гайка М18х1,5-5Н6Н Переднее подрессоривание кабины Чертеж Переднее подрессоривание кабины
МАЗ МАЗ-5337 374809 Гайка М18х1,5-5Н6Н Механизм регулировочный рулевой колонки Чертеж Механизм регулировочный рулевой колонки
МАЗ МАЗ-53371 374809 Гайка М18х1,5-5Н6Н Переднее подрессоривание кабины Чертеж Переднее подрессоривание кабины
МАЗ МАЗ-53371 374809 Гайка М18х1,5-5Н6Н Механизм регулировочный рулевой колонки
МАЗ МАЗ-54321 374809 Гайка М18х1,5-5Н6Н Переднее подрессоривание кабины Чертеж Переднее подрессоривание кабины
МАЗ МАЗ-54321 374809 Гайка М18х1,5-5Н6Н Кронштейн с рулевой колонкой
МАЗ МАЗ-54323 374809 Гайка М18х1,5-5Н6Н Переднее подрессоривание кабины
МАЗ МАЗ-54323 374809 Гайка М18х1,5-5Н6Н Механизм регулировочный рулевой колонки Чертеж Механизм регулировочный рулевой колонки
МАЗ МАЗ-5434 374809 Гайка М18х1,5-5Н6Н Механизм регулировочный рулевой колонки
МАЗ МАЗ-5516 374809 Гайка М18х1,5-5Н6Н Переднее подрессоривание кабины Чертеж Переднее подрессоривание кабины
МАЗ МАЗ-5516 374809 Гайка М18х1,5-5Н6Н Механизм регулировочный рулевой колонки Чертеж Механизм регулировочный рулевой колонки
Аналоги
Гайка М18х1,5-5Н6Н 374809 МАЗ 374809
Гайка М18х1,5-5Н6Н 374809 МАЗ
Каталожный номер 374809
Производитель
Код 00-ГР035470
Доставка по всей Беларуси
Доступность остатки на филиалах Остатки на филиалах
Остаток: г.Минск, ул.Селицкого 21к В наличии
Склад Адрес Контакт Остатки
г. Минск ул. Селицкого, 21к +375 (44) 770-80-78 ( Средне )
Схема проезда
г. Бобруйск ул. Гоголя, 181/1-6 +375 (29) 630-05-01 ( Средне )
Схема проезда
Гайка М18х1,5-5Н6Н 374809
Гайка М18х1,5-5Н6Н
Каталожный номер 374809
Производитель Контур Сервис Метиз Контур Сервис Метиз
Код 5449
Доставка по всей Беларуси
Доступность остатки на филиалах Остатки на филиалах
Остаток В наличии
Склад Адрес Контакт Остатки
г. Барановичи ул. Пролетарская, 40 +375 (29) 795-96-37 ( Много )
Схема проезда
г. Бобруйск ул. Гоголя, 181/1-6 +375 (29) 630-05-01 ( Средне )
Схема проезда
г. Бобруйск ул. Орловского, 22к3 +375 (29) 345-37-07 ( Много )
Схема проезда
г. Борисов ул. Демина, 2а +375 (44) 560-99-75 ( Много )
Схема проезда
г. Брест Тельминский с/с, 1Д/1, 1 км южнее д. Тельмы-2 +375 (44) 599-90-75 ( Много )
Схема проезда
г. Гомель ул. Барыкина, 291Б +375 (44) 514-15-30 ( Средне )
Схема проезда
г. Гродно ул. Карского, 35 +375 (44) 770-70-21 ( Мало )
Схема проезда
г. Дрогичин ул. Юбилейная, 42 +375 (29) 682-17-13 ( Средне )
Схема проезда
г. Дятлово ул. Советская ,104 +375 (29) 187-87-37 ( Много )
Схема проезда
г. Житковичи ул. Комсомольская, 49 +375 (29) 394-82-52 ( Средне )
Схема проезда
г. Кобрин ул. Пролетарская, 177А +375 (44) 588-10-80 ( Много )
Схема проезда
г. Мозырь промузел Козенки +375 (44) 731-94-60 ( Средне )
Схема проезда
г. Молодечно ул. Галицкого, 14 +375 (44) 567-28-47 ( Средне )
Схема проезда
г. Новогрудок ул. Индустриальная, 3 +375 (44) 729-39-19 ( Средне )
Схема проезда
г. Орша ул. Сергея Кирова, д. 34 +375 (44) 583-91-42 ( Средне )
Схема проезда
г. Осиповичи ул. Короткая, 11 +375 (29) 165-60-07 ( Много )
Схема проезда
г. Ошмяны ул. Льнозоводская 3 +375 (44) 770-80-91 ( Средне )
Схема проезда
г. Полоцк-2 ул. Шенягина, 52 +375 (29) 302-94-73 ( Много )
Схема проезда
г. Полоцк-2 ул. Шенягина, 52 +375 (29) 302-94-73 ( Много )
Схема проезда
г. Пружаны ул. Макаренко, 21 +375 (29) 348-83-18 ( Средне )
Схема проезда
г. Слоним ул. Советская, 93а +375 (29) 394-82-01 ( Много )
Схема проезда
г. Слуцк ул. Тутаринова, 8 +375 (29) 346-06-90 ( Много )
Схема проезда
г. Столин ул. Быковского, 29 +375 (33) 304-54-36 ( Много )
Схема проезда
г. Щучин ул. Советская, 39 +375 (29) 177-29-70 ( Средне )
Схема проезда
Товары из этой категории
Гайка м20х1.5-6н ост3700112475  МАЗ ОАО 250640
Гайка м20х1.5-6н ост3700112475 МАЗ ОАО
Каталожный номер 250640
Производитель
Код 250640
Доставка по всей Беларуси
Остаток Под заказ
Буфер  МАЗ ОАО 5336-6106097-10
Буфер МАЗ ОАО
Каталожный номер 5336-6106097-10
Производитель
Код 5336610609710
Доставка по всей Беларуси
Остаток Под заказ
Бампер задний  МАЗ ОАО 6317-2804010
Бампер задний МАЗ ОАО
Каталожный номер 6317-2804010
Производитель
Код 63172804010
Доставка по всей Беларуси
Остаток Под заказ
Поперечина  МАЗ ОАО 53366-8501034
Поперечина МАЗ ОАО
Каталожный номер 53366-8501034
Производитель
Код 533668501034
Доставка по всей Беларуси
Остаток Под заказ
Кронштейн  МАЗ ОАО 64226-5205083
Кронштейн МАЗ ОАО
Каталожный номер 64226-5205083
Производитель
Код 642265205083
Доставка по всей Беларуси
Остаток Под заказ