Республика Беларусь,
г. Минск, ул. Селицкого 21к - центральный склад
Пн-пт с 8:00 до 17:00
Меню
374544 Гайка МАЗ ОАО
Наименование: Гайка МАЗ ОАО
Каталожный номер: 374544
Код товара: 374544
Доставка: по всей Беларуси
Остаток: под заказ 1-45 дней

Нашли не точность в описании товара? сообщить администратору.

+375 (44) 770-80-78 +375 (29) 747-80-78
* Выставить счет, получить техническую информацию и стоимость
Заказать деталь Онлайн
Описание
Наличие на филиалах
Применяемость
Заменить на СТО

374544 Гайка.

  • Производитель: МАЗ ОАО
  • Каталожный номер по заводу: 374544
  • Код для заказа:  374544
Марка Модель Кат.номер Наим. по каталогу Чертеж
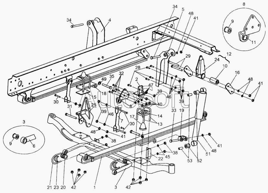
МАЗ МАЗ-437040 (Зубренок) (2002) 374544 Гайка М12х1,25-6Н Рама
МАЗ МАЗ-437040 (Зубренок) (2002) 374544 Гайка М12х1,25-6Н Установка бокового ограждения и заднего бампера МАЗ-4370
МАЗ МАЗ-437040 (Зубренок) (2002) 374544 Гайка М12х1,25-6Н Подвеска передняя Чертеж Подвеска передняя
МАЗ МАЗ-437040 (Зубренок) (2002) 374544 Гайка М12х1,25-6Н Задняя подвеска Чертеж Задняя подвеска
МАЗ МАЗ-5335 (2004) 374544-П29 Гайка Дифференциал заднего моста Чертеж Дифференциал заднего моста
МАЗ МАЗ-504В (2005) 374544-П29 Гайка Дифференциал заднего моста
МАЗ МАЗ-5429 (2003) 374544-П29 Гайка Дифференциал заднего моста
МАЗ МАЗ-5549 (2003) 374544-П29 Гайка Дифференциал заднего моста
АМАЗ МАЗ-256 374544 Гайка М12х1,25-6Н Рама 437030-2800010
АМАЗ МАЗ-256 374544 Гайка М12х1,25-6Н Подвеска передняя 4370-2900001, 4370-2900001-011 Чертеж Подвеска передняя 4370-2900001, 4370-2900001-011
АМАЗ МАЗ-256 374544 Гайка М12х1,25-6Н Задняя подвеска 4370-2900002 Чертеж Задняя подвеска 4370-2900002
АМАЗ МАЗ-203 (2007) 374544-10 Гайка М12x1,25-6H Установка силового агрегата и карданного вала
АМАЗ МАЗ-103 (2005) (2005) 374544-10 Гайка М12x1,25-6H Установка карданного вала (до сентября 2003 года) Чертеж Установка карданного вала (до сентября 2003 года)
АМАЗ МАЗ-103 (2005) (2005) 374544-10 Гайка М12x1,25-6H Установка карданного вала (после сентября 2003 года) Чертеж Установка карданного вала (после сентября 2003 года)
АМАЗ МАЗ-256 (вариант) (2006) 374544 Гайка М12х1,25-6Н Рама
МЗКТ МЗКТ-80211 (2010) 374544 Гайка М12х1,25-6Н Тяги 80211-3414060-10, 652511-3414070 Чертеж Тяги 80211-3414060-10, 652511-3414070
МЗКТ МЗКТ-80211 (2010) 374544 Гайка М12х1,25-6Н Тяга 8021-3414080-20 Чертеж Тяга 8021-3414080-20
МЗКТ МЗКТ-74171 (2010) 374544 Гайка М12х1,25-6Н Тяга 652511-3414080-20
МЗКТ МЗКТ-652511 (2010) 374544 Гайка М12х1,25-6Н Тяга 652511-3414070
МЗКТ МЗКТ-652511 (2010) 374544 Гайка М12х1,25-6Н Тяга 652511-3414080-20 Чертеж Тяга 652511-3414080-20
Товары из этой категории
Зажим  МАЗ ОАО 6303-2506062
Зажим МАЗ ОАО
Каталожный номер 6303-2506062
Производитель
Код 63032506062
Доставка по всей Беларуси
Остаток Под заказ
Брус противооткатный  МАЗ ОАО 642208-2809010
Брус противооткатный МАЗ ОАО
Каталожный номер 642208-2809010
Производитель
Код 6422082809010
Доставка по всей Беларуси
Остаток Под заказ
Шланг  МАЗ ОАО 5336-3408024
Шланг МАЗ ОАО
Каталожный номер 5336-3408024
Производитель
Код 53363408024
Доставка по всей Беларуси
Остаток Под заказ
Заглушка  МАЗ ОАО, УВК 500-1602076
Заглушка МАЗ ОАО, УВК
Каталожный номер 500-1602076
Производитель
Код 5001602076
Доставка по всей Беларуси
Остаток Под заказ
Прижим  МАЗ ОАО 64221-3716086
Прижим МАЗ ОАО
Каталожный номер 64221-3716086
Производитель
Код 642213716086
Доставка по всей Беларуси
Остаток Под заказ