Республика Беларусь,
г. Минск, ул. Селицкого 21к - центральный склад
Пн-пт с 8:00 до 17:00
Меню
372212 Болт М14х1.5-6дх35 МАЗ ОАО
Наименование: Болт М14х1.5-6дх35 МАЗ ОАО
Каталожный номер: 372212
Код товара: 372212
Доставка: по всей Беларуси
Остаток: под заказ 1-45 дней

Нашли не точность в описании товара? сообщить администратору.

+375 (44) 770-80-78 +375 (29) 747-80-78
* Выставить счет, получить техническую информацию и стоимость
Заказать деталь Онлайн
Описание
Наличие на филиалах
Применяемость
Заменить на СТО

372212 Болт М14х1.5-6дх35.

  • Производитель: МАЗ ОАО
  • Каталожный номер по заводу: 372212
  • Код для заказа:  372212
Марка Модель Кат.номер Наим. по каталогу Чертеж
МАЗ МАЗ-437040 (Зубренок) (2002) 372212 Болт М14х1,5-6gх35 Механизм подъема кабины Чертеж Механизм подъема кабины
МАЗ МАЗ-437040 (Зубренок) (2002) 372212 Болт М14х1,5-6gх35 Рама
МАЗ МАЗ-643068 (2003) 372212 Болт М14х1,5-6gх35 Установка подогревателя Чертеж Установка подогревателя
МАЗ МАЗ-643068 (2003) 372212 Болт М14х1,5-6gх35 Подвеска задняя пневматическая Чертеж Подвеска задняя пневматическая
МАЗ МАЗ-643068 (2003) 372212 Болт М14х1,5-6gх35 Установка аккумуляторных батарей Чертеж Установка аккумуляторных батарей
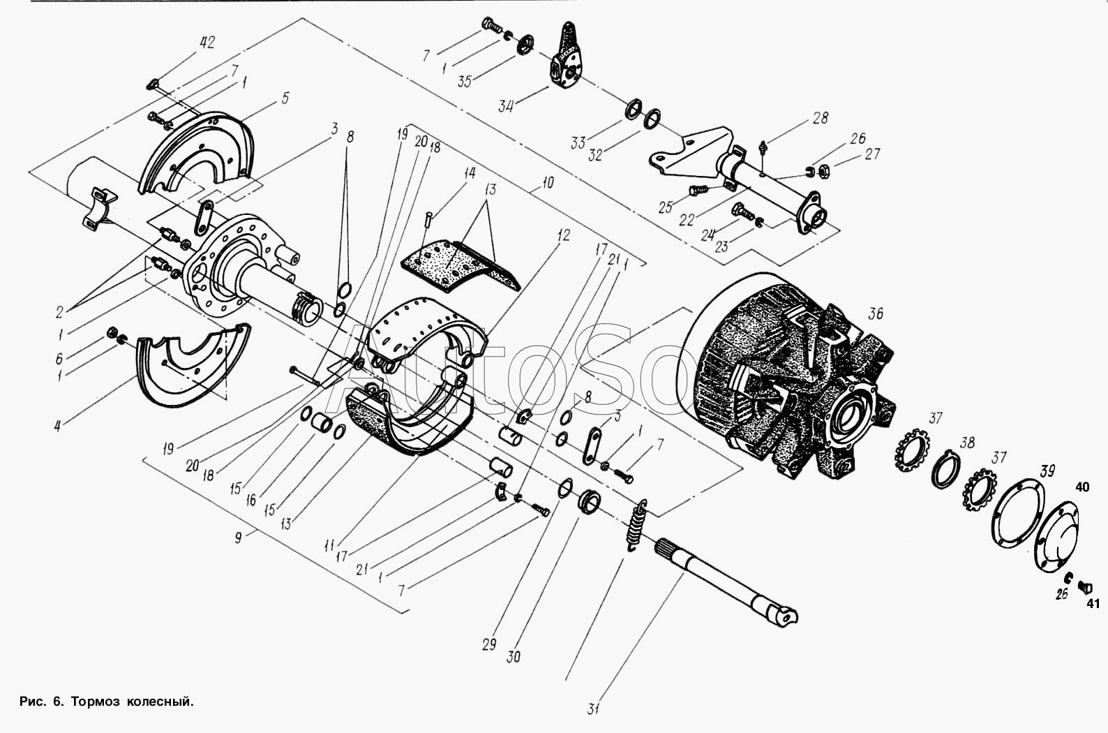
МАЗ МАЗ-83781 372212 Болт М14х1,5-6gх35 Тормоз колесный Чертеж Тормоз колесный
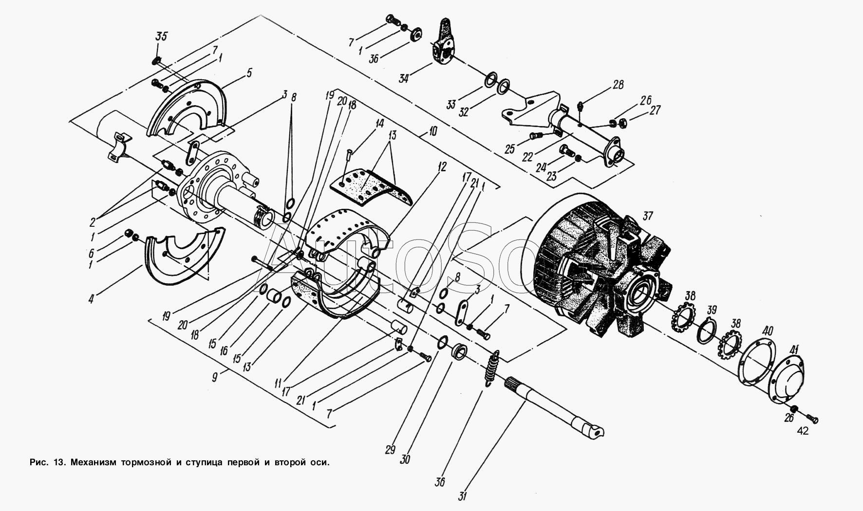
МАЗ МАЗ-93892 372212 Болт М14х1,5-6gх35 Механизм тормозной и ступица первой и второй оси Чертеж Механизм тормозной и ступица первой и второй оси
МАЗ МАЗ-543202 (2003) 372212 Болт М14х1,5-6gх35 Подвеска задняя пневматическая 54327-2900002-20 Чертеж Подвеска задняя пневматическая 54327-2900002-20
МАЗ МАЗ-543202 (2003) 372212 Болт М14х1,5-6gх35 Установка аккумуляторных батарей
МАЗ МАЗ-5336 (2005) 372212 Болт М14х1,5-6gх35 Установка аккумуляторных батарей Чертеж Установка аккумуляторных батарей
МАЗ МАЗ-6422 (2003) 372212 Болт М14х1,5-6gх35 Подвеска задняя пневматическая 54327-2900002-20 Чертеж Подвеска задняя пневматическая 54327-2900002-20
МАЗ МАЗ-6422 (2003) 372212 Болт М14х1,5-6gх35 Установка аккумуляторных батарей Чертеж Установка аккумуляторных батарей
МАЗ МАЗ-544069 372212 Болт М14х1,5-6gх35 Механизм подъема кабины 64302-5000040 Чертеж Механизм подъема кабины 64302-5000040
МАЗ МАЗ-544069 372212 Болт М14х1,5-6gх35 Установка подогревателя 64302-1015001-030
МАЗ МАЗ-544069 372212 Болт М14х1,5-6gх35 Подвеска задняя пневматическая 5440-2900002-020, 5440-2900002-021 Чертеж Подвеска задняя пневматическая 5440-2900002-020, 5440-2900002-021
МАЗ МАЗ-544069 372212 Болт М14х1,5-6gх35 Установка аккумуляторных батарей Чертеж Установка аккумуляторных батарей
МАЗ МАЗ-6303 (2005) (2005) 372212 Болт М14х1,5-6gх35 Установка аккумуляторных батарей Чертеж Установка аккумуляторных батарей
МЗКТ МЗКТ-65158 (1999) 372212 Болт М14х1,5-6gх35 Установка крыльев Чертеж Установка крыльев
МЗКТ МЗКТ-65158 (1999) 372212 Болт М14х1,5-6gх35 Установка крыльев Чертеж Установка крыльев
АМАЗ МАЗ-256 372212 Болт М14х1,5-6gх35 Рама 437030-2800010
Товары из этой категории
Прокладка средняя, ОЗАА,Осиповичи 555102-5112122-010
Прокладка средняя, ОЗАА,Осиповичи
Каталожный номер 555102-5112122-010
Производитель
Код 5551025112122010
Доставка по всей Беларуси
Остаток Под заказ
Болт М14-6дх55 ОСТ37001123-96  МАЗ ОАО 201594
Болт М14-6дх55 ОСТ37001123-96 МАЗ ОАО
Каталожный номер 201594
Производитель
Код 201594
Доставка по всей Беларуси
Остаток Под заказ
Кронштейн бака  МАЗ ОАО 650119-1101102
Кронштейн бака МАЗ ОАО
Каталожный номер 650119-1101102
Производитель
Код 6501191101102
Доставка по всей Беларуси
Остаток Под заказ
Контейнер сб.  МАЗ ОАО 6430-3748010
Контейнер сб. МАЗ ОАО
Каталожный номер 6430-3748010
Производитель
Код 64303748010
Доставка по всей Беларуси
Остаток Под заказ
Шплинт 5х45 ост 3700117175  МАЗ ОАО 258071
Шплинт 5х45 ост 3700117175 МАЗ ОАО
Каталожный номер 258071
Производитель
Код 258071
Доставка по всей Беларуси
Остаток Под заказ