Республика Беларусь,
г. Минск, ул. Селицкого 21к - центральный склад
Пн-пт с 8:00 до 17:00
Меню
372203 Болт М14х1,5-6нх32 ОСТ 370011237 МАЗ ОАО
Наименование: Болт М14х1,5-6нх32 ОСТ 370011237 МАЗ ОАО
Каталожный номер: 372203
Код товара: 372203
Доставка: по всей Беларуси
Остаток: под заказ 1-45 дней

Нашли не точность в описании товара? сообщить администратору.

+375 (44) 770-80-78 +375 (29) 747-80-78
* Выставить счет, получить техническую информацию и стоимость
Заказать деталь Онлайн
Описание
Наличие на филиалах
Применяемость
Заменить на СТО

372203 Болт М14х1,5-6нх32 ОСТ 370011237.

  • Производитель: МАЗ ОАО
  • Каталожный номер по заводу: 372203
  • Код для заказа:  372203
Марка Модель Кат.номер Наим. по каталогу Чертеж
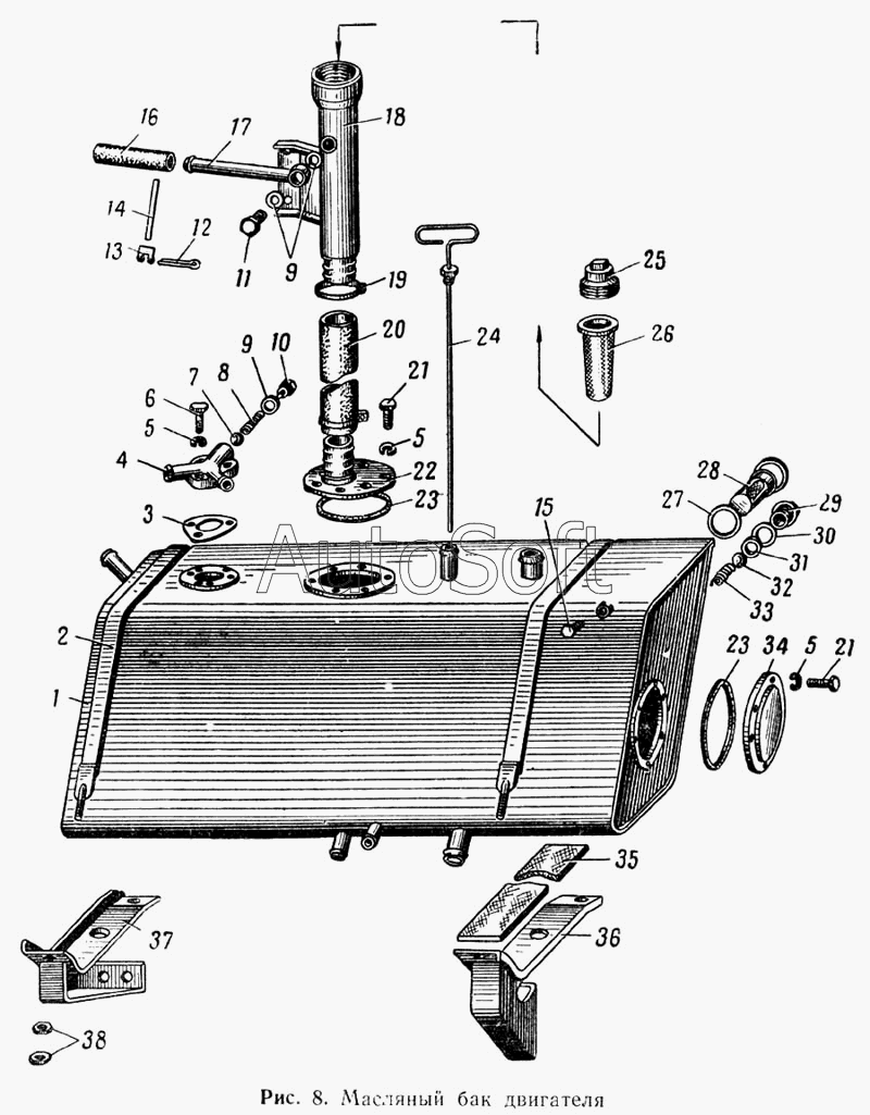
МАЗ МАЗ-537 372203-П2 Болт Масляный бак двигателя Чертеж Масляный бак двигателя
МАЗ МАЗ-537 372203-П2 Болт Полуосевой кардан с крестовинами передних мостов Чертеж Полуосевой кардан с крестовинами передних мостов
МАЗ МАЗ-53363 372203 Болт М14х1,5-62х32 Тормозной механизм задних бездисковых колес Чертеж Тормозной механизм задних бездисковых колес
МАЗ МАЗ-53366 372203 Болт М14х1,5-62х32 Тормозной механизм задних бездисковых колес
МАЗ МАЗ-5337 372203 Болт М14х1,5-62х32 Тормозной механизм задних бездисковых колес Чертеж Тормозной механизм задних бездисковых колес
МАЗ МАЗ-53371 372203 Болт М14х1,5-62х32 Тормозной механизм задних бездисковых колес Чертеж Тормозной механизм задних бездисковых колес
МАЗ МАЗ-54323 372203 Болт М14х1,5-62х32 Тормозной механизм задних бездисковых колес
МАЗ МАЗ-5434 372203 Болт М14х1,5-62х32 Установка лесовозного оборудования. Рамка. Коник. Брызговики Чертеж Установка лесовозного оборудования. Рамка. Коник. Брызговики
МАЗ МАЗ-5516 372203 Болт М14х1,5-62х32 Тормозной механизм задних бездисковых колес Чертеж Тормозной механизм задних бездисковых колес
МАЗ МАЗ-5551 372203 Болт М14х1,5-62х32 Тормозной механизм задних бездисковых колес Чертеж Тормозной механизм задних бездисковых колес
МАЗ МАЗ-6303 (2000) 372203 Болт М14х1,5-62х32 Тормозной механизм задних бездисковых колес Чертеж Тормозной механизм задних бездисковых колес
МАЗ МАЗ-64255 372203 Болт М14х1,5-62х32 Установка лесовозного оборудования. Рамка. Коник. Брызговики Чертеж Установка лесовозного оборудования. Рамка. Коник. Брызговики
МАЗ МАЗ-64229 372203 Болт М14х1,5-62х32 Тормозной механизм задних бездисковых колес
МАЗ Общий (см. мод-ции) 372203 Болт М14х1,5-62х32 Тормозной механизм задних бездисковых колес
МАЗ МАЗ-544069 372203 Болт М14х1,5-62х32 Установка системы охлаждения 643069-1300005
МАЗ МАЗ-5516А5 (2007) 372203 Болт М14х1,5-62х32 Крепление двигателя
МАЗ МАЗ-6430A8 (5440A8, 5440A5) (2008) 372203 Болт М14х1,5-62х32 Крепление двигателя
МАЗ МАЗ-555142 (2007) 372203 Болт М14х1,5-62х32 Крепление двигателя 555142-1001002-030, 555142-1001002-020 Чертеж Крепление  двигателя 555142-1001002-030, 555142-1001002-020
АМАЗ МАЗ-103 (2005) (2005) 372203 Болт М14х1,5-6gх32 Установка стабилизатора положения рамки Чертеж Установка стабилизатора положения рамки
МЗКТ МЗКТ-65151 "Волат" (2010) 372203 Болт М14х1,5-6gх32 Подрессоривание кабины переднее (Кабина с пневмоподвеской)
Товары из этой категории
Пружина  ТАИМ,Бобруйск 4370-3501034
Пружина ТАИМ,Бобруйск
Каталожный номер 4370-3501034
Производитель
Код 43703501034
Доставка по всей Беларуси
Остаток Под заказ
Подшипник  МАЗ ОАО, УВК 664910Е
Подшипник МАЗ ОАО, УВК
Каталожный номер 664910Е
Производитель
Код 664910Е
Доставка по всей Беларуси
Остаток Под заказ
Упор  МАЗ ОАО 101-5409360
Упор МАЗ ОАО
Каталожный номер 101-5409360
Производитель
Код 1015409360
Доставка по всей Беларуси
Остаток Под заказ
Кронштейн  МАЗ ОАО 6430-2902445
Кронштейн МАЗ ОАО
Каталожный номер 6430-2902445
Производитель
Код 64302902445
Доставка по всей Беларуси
Остаток Под заказ
Выключатель ВК 24-2  Агат,Минск ЦИКС.642241.012
Выключатель ВК 24-2 Агат,Минск
Каталожный номер ЦИКС.642241.012
Производитель
Код ЦИКС642241012
Доставка по всей Беларуси
Остаток Под заказ