Республика Беларусь,
г. Минск, ул. Селицкого 21к - центральный склад
Пн-пт с 8:00 до 17:00
Меню
344790 Гайка накидная МАЗ ОАО
Наименование: Гайка накидная МАЗ ОАО
Каталожный номер: 344790
Код товара: 344790
Доставка: по всей Беларуси
Остаток: под заказ 1-45 дней

Нашли не точность в описании товара? сообщить администратору.

+375 (44) 770-80-78 +375 (29) 747-80-78
* Выставить счет, получить техническую информацию и стоимость
Заказать деталь Онлайн
Описание
Наличие на филиалах
Применяемость
Заменить на СТО

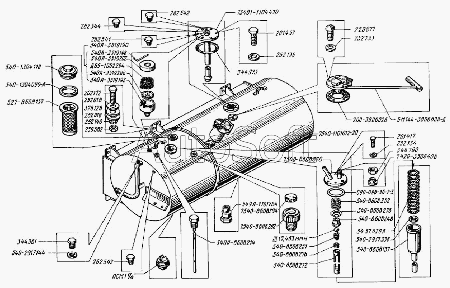
344790 Гайка накидная.

  • Производитель: МАЗ ОАО
  • Каталожный номер по заводу: 344790
  • Код для заказа:  344790
Марка Модель Кат.номер Наим. по каталогу Чертеж
МАЗ МАЗ-500А 344790-П29 Гайка соединительная Трубопроводы и шланги механизма подъема платформы
МАЗ МАЗ-503А 344790-П29 Гайка соединительная Трубопроводы и шланги механизма подъема платформы Чертеж Трубопроводы и шланги механизма подъема платформы
МАЗ МАЗ-504А 344790-П29 Гайка соединительная Трубопроводы и шланги механизма подъема платформы Чертеж Трубопроводы и шланги механизма подъема платформы
МАЗ МАЗ-537 344790-П2 Гайка соединительная Трубопроводы гидроусилителя руля Чертеж Трубопроводы гидроусилителя руля
МАЗ МАЗ-74131 (1996) 344790 Гайка 1-20 Трубопроводы и шланги рулевого управления Чертеж Трубопроводы и шланги рулевого управления
БелАЗ 7522, 7540, 75401, 7523, 75231 Общий 344790 Гайка Топливный бак Чертеж Топливный бак
БелАЗ 7540 344790 Гайка Топливный бак Чертеж Топливный бак
БелАЗ 75401 344790 Гайка Топливный бак Чертеж Топливный бак
БелАЗ 7513 (2002) 344790 Гайка Редуктор электромотор-колеса
БелАЗ 7513 (2002) 344790 Гайка Редуктор электромотор-колеса
БелАЗ 7513 (2002) 344790 Гайка Баллоны воздушные самосвала БелАЗ-75131
БелАЗ 7513 (2002) 344790 Гайка Баллоны воздушные самосвала БелАЗ-75132
БелАЗ 7512 (2002) 344790 Гайка Детали масляного бака БелАЗ-7549
БелАЗ 7512 (2002) 344790 Гайка Баллон воздушный с кронштейном БелАЗ-7549 Чертеж Баллон воздушный с кронштейном БелАЗ-7549
БелАЗ 7512 (2002) 344790 Гайка Баллон воздушный с кронштейном БелАЗ-7512, 75123
БелАЗ 75600 (2010) 344790 Гайка Клапан предохранительный 7549-1032148 Чертеж Клапан предохранительный 7549-1032148
МЗКТ МЗКТ-79092 (2005) 344790 Гайка 1-20 Трубопроводы и шланги рулевого управления Чертеж Трубопроводы и шланги рулевого управления
МЗКТ МЗКТ-7429 (2005) 344790 Гайка 1-20 Трубопроводы и шланги рулевого управления Чертеж Трубопроводы и шланги рулевого управления
МЗКТ МЗКТ-65151 "Волат" (2010) 344790 Гайка 1-20 Трубопроводы механизма подьема борта
МЗКТ МЗКТ-74131 (1996) 344790 Гайка 1-20 Трубопроводы и шланги рулевого управления
Товары из этой категории
Ниппель  МАЗ ОАО 402415
Ниппель МАЗ ОАО
Каталожный номер 402415
Производитель
Код 402415
Доставка по всей Беларуси
Остаток Под заказ
Привод останова двигателя, МАЗ ОАО 631727-1115010-000
Привод останова двигателя, МАЗ ОАО
Каталожный номер 631727-1115010-000
Производитель
Код 6317271115010000
Доставка по всей Беларуси
Остаток Под заказ
Гайка  МАЗ ОАО 375013
Гайка МАЗ ОАО
Каталожный номер 375013
Производитель
Код 375013
Доставка по всей Беларуси
Остаток Под заказ
Фильтр очистки топлива  Дифа,Гродно DIFA 6104
Фильтр очистки топлива Дифа,Гродно
Каталожный номер DIFA 6104
Производитель
Код DIFA6104
Доставка по всей Беларуси
Остаток Под заказ
Лист 4  МАЗ ОАО 6312-2902104-000
Лист 4 МАЗ ОАО
Каталожный номер 6312-2902104-000
Производитель
Код 63122902104000
Доставка по всей Беларуси
Остаток Под заказ