Республика Беларусь,
г. Минск, ул. Селицкого 21к - центральный склад
Пн-пт с 8:00 до 17:00
Меню
311712-П2 Гайка МАЗ ОАО
Наименование: Гайка МАЗ ОАО
Каталожный номер: 311712-П2
Код товара: 311712П2
Доставка: по всей Беларуси
Остаток: под заказ 1-45 дней

Нашли не точность в описании товара? сообщить администратору.

+375 (44) 770-80-78 +375 (29) 747-80-78
* Выставить счет, получить техническую информацию и стоимость
Заказать деталь Онлайн
Описание
Наличие на филиалах
Применяемость
Заменить на СТО

311712-П2 Гайка.

  • Производитель: МАЗ ОАО
  • Каталожный номер по заводу: 311712-П2
  • Код для заказа:  311712П2
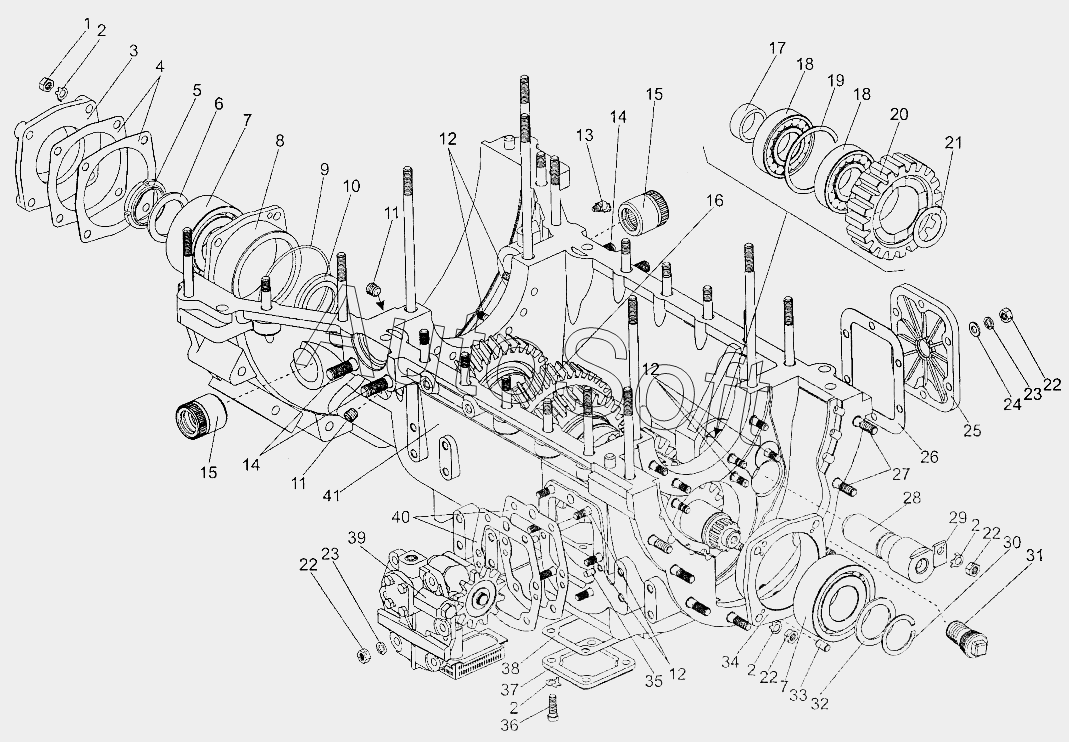
Марка Модель Кат.номер Наим. по каталогу Чертеж
МАЗ КПП МАЗ-543205-070 311712 Гайка М50х1.5-6Н Валы и шестерни основной КП Чертеж Валы и шестерни основной КП
МЗКТ МЗКТ-65158 (1999) 311712 Гайка М50х1,5 Валы и шестерни коробки передач Чертеж Валы и шестерни коробки передач
МЗКТ МЗКТ-79092 (2005) 311712 Гайка М50х1,5 Детали коробки передач Чертеж Детали коробки передач
МЗКТ МЗКТ-7930-200 (2005) 311712 Гайка М50х1,5 Нижняя часть картера коробки передач Чертеж Нижняя часть картера коробки передач
МЗКТ МЗКТ-7429 (2005) 311712 Гайка М50х1,5 Нижняя часть картера коробки передач Э202-1701014-04 Чертеж Нижняя часть картера коробки передач Э202-1701014-04
МЗКТ МЗКТ-6527 (2010) 311712 Гайка М50х1,5 Валы и шестерни промежуточного вала
МЗКТ МЗКТ-65151 "Волат" (2010) 311712 Гайка М50х1,5 Нижняя часть картера Э202-1701014-10 Чертеж Нижняя часть картера  Э202-1701014-10
МЗКТ МЗКТ-652511 (2010) 311712 Гайка М50х1,5 Валы и шестерни промежуточного вала
МЗКТ МЗКТ-700600-011 (2013) 311712 Гайка М50х1,5 Нижняя часть картера коробки передач 65151-1701014-10 Чертеж Нижняя часть картера коробки передач 65151-1701014-10
ЯМЗ ЯМЗ-236 М 311712-П2 Гайка Валы и шестерни коробок передач 201 Чертеж Валы и шестерни коробок передач 201
ЯМЗ ЯМЗ-238 М 311712-П2 Гайка Валы и шестерни коробок передач 201 Чертеж Валы и шестерни коробок передач 201
ЯМЗ ЯМЗ-238 АМ 311712-П2 Гайка Валы и шестерни коробок передач 201 Чертеж Валы и шестерни коробок передач 201
ЯМЗ ЯМЗ-238 ГМ 311712-П2 Гайка Валы и шестерни коробок передач 201
ЯМЗ ЯМЗ-238 ИМ 311712-П2 Гайка Валы и шестерни коробок передач 201 Чертеж Валы и шестерни коробок передач 201
ЯМЗ ЯМЗ-238 НД 311712-П2 Гайка Валы и шестерни коробок передач 201 Чертеж Валы и шестерни коробок передач 201
ЯМЗ ЯМЗ-238 Н 311712-П2 Гайка Валы и шестерни коробок передач 201
ЯМЗ ЯМЗ-238 Л 311712-П2 Гайка Валы и шестерни коробок передач 201 Чертеж Валы и шестерни коробок передач 201
ЯМЗ ЯМЗ-238 ПМ и 238 ФМ 311712-П2 Гайка Валы и шестерни коробок передач 201
ЯМЗ Общий (см. мод-ции) 311712-П2 Гайка Валы и шестерни коробок передач 201 Чертеж Валы и шестерни коробок передач 201
ЯМЗ ЯМЗ-8421.10 311712-П2 Гайка Валы и шестерни коробки передач Чертеж Валы и шестерни коробки передач
Товары из этой категории
Фильтр топливный гр. очистки  JAC, Китай 1105020R0070
Фильтр топливный гр. очистки JAC, Китай
Каталожный номер 1105020R0070
Производитель
Код 1105020R0070
Доставка по всей Беларуси
Остаток Под заказ
Клапан обратный  Универсал,Бобруйск 642290-1311400
Клапан обратный Универсал,Бобруйск
Каталожный номер 642290-1311400
Производитель
Код 6422901311400
Доставка по всей Беларуси
Остаток Под заказ
Палец 8х22 ост 37.001.163-97  МАЗ ОАО 260033
Палец 8х22 ост 37.001.163-97 МАЗ ОАО
Каталожный номер 260033
Производитель
Код 260033
Доставка по всей Беларуси
Остаток Под заказ
Болт М16х1.5-6дх45 ОСТ 37.001.123-96  МАЗ ОАО 202145
Болт М16х1.5-6дх45 ОСТ 37.001.123-96 МАЗ ОАО
Каталожный номер 202145
Производитель
Код 202145
Доставка по всей Беларуси
Остаток Под заказ
Винт 2М10-6дх35  МАЗ ОАО 231725
Винт 2М10-6дх35 МАЗ ОАО
Каталожный номер 231725
Производитель
Код 231725
Доставка по всей Беларуси
Остаток Под заказ