Республика Беларусь,
г. Минск, ул. Селицкого 21к - центральный склад
Пн-пт с 8:00 до 17:00
Меню
297588 Лента МАЗ ОАО
Наименование: Лента МАЗ ОАО
Каталожный номер: 297588
Код товара: 297588
Доставка: по всей Беларуси
Остаток: под заказ 1-45 дней

Нашли не точность в описании товара? сообщить администратору.

+375 (44) 770-80-78 +375 (29) 747-80-78
* Выставить счет, получить техническую информацию и стоимость
Заказать деталь Онлайн
Описание
Наличие на филиалах
Применяемость
Заменить на СТО

297588 Лента.

  • Производитель: МАЗ ОАО
  • Каталожный номер по заводу: 297588
  • Код для заказа:  297588
Марка Модель Кат.номер Наим. по каталогу Чертеж
ГАЗ ГАЗ-14 (Чайка) (1980) 297588-П29 Лента стяжная 10х380 Механизм усилительный рулевого управления, трубопроводы и шланги рулевого управления
ГАЗ ГАЗ-3110 297588-П29 Лента стяжная 10х380 Вентилятор, насос водяной, ремни привода вентилятора и водяного насоса, термостат, датчик указателя температуры охлаждающей жидкости двигателей ЗМЗ-402.10 и ЗМЗ-4021.10 Чертеж Вентилятор, насос водяной, ремни привода вентилятора и водяного насоса, термостат, датчик указателя температуры охлаждающей жидкости двигателей ЗМЗ-402.10 и ЗМЗ-4021.10
ГАЗ ГАЗ-3110 297588-П29 Лента стяжная 10х380 Насос и кронштейны насоса, бачок и шланги раздельного рулевого гидроусилителя, уплотнитель брызговика Чертеж Насос и кронштейны насоса, бачок и шланги раздельного рулевого гидроусилителя, уплотнитель брызговика
ГАЗ ГАЗ-2705 (ГАЗель) (2000) 297588-П29 Лента стяжная 10х380 Вентилятор, насос водяной, приводы вентилятора и водяного насоса, термостат, датчик указателя температуры охлаждающей жидкости двигателей ЗМЗ-4025.10, ЗМЗ-4026.10 Чертеж Вентилятор, насос водяной, приводы вентилятора и водяного насоса, термостат, датчик указателя температуры охлаждающей жидкости двигателей ЗМЗ-4025.10, ЗМЗ-4026.10
ГАЗ ГАЗ-3309 297588-П29 Лента стяжная 10х380 Охладитель Чертеж Охладитель
ГАЗ ГАЗ-66 (Каталог 1983 г.) (1983) 297588-П29 Лента стяжная 10х380 Пусковой подогреватель
ГАЗ ГАЗ-66 (Каталог 1996 г.) (1996) 297588-П29 Лента стяжная 10х380 Подогреватель пусковой
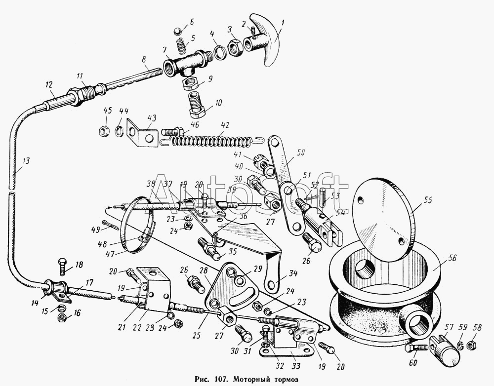
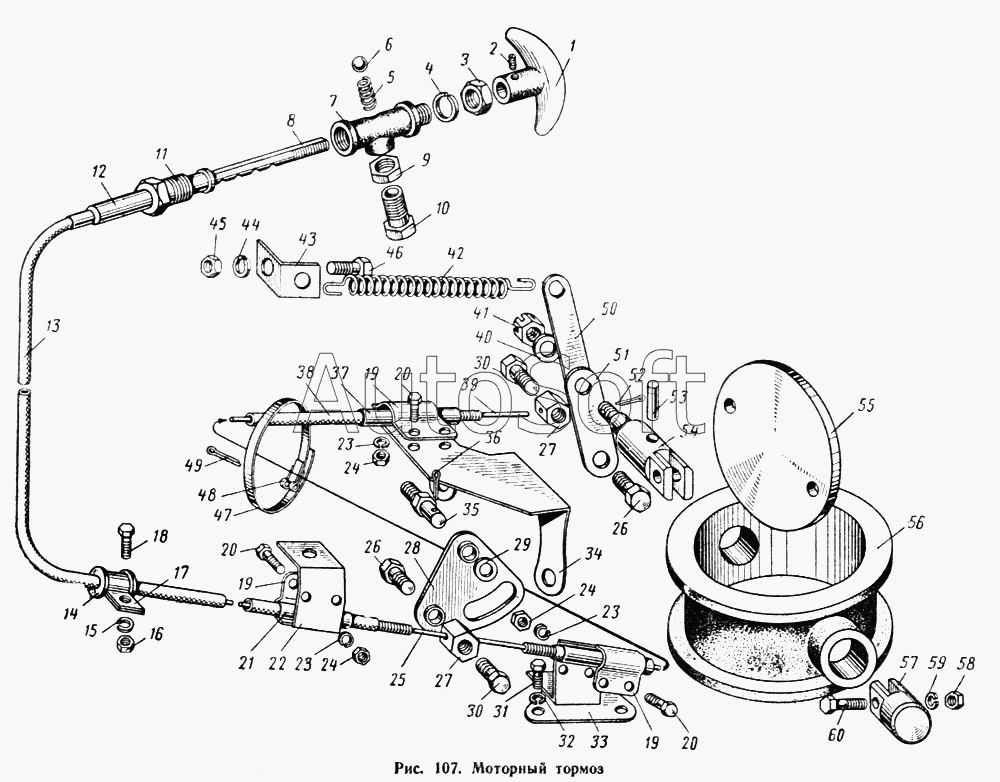
МАЗ МАЗ-500А 297588-П29 Лента стяжная Моторный тормоз Чертеж Моторный тормоз
МАЗ МАЗ-503А 297588-П29 Лента стяжная Моторный тормоз
МАЗ МАЗ-504А 297588-П29 Лента стяжная Моторный тормоз Чертеж Моторный тормоз
МАЗ МАЗ-537 297588-П8 Лента стяжная Схема системы охлаждения двигателя Чертеж Схема системы охлаждения двигателя
МАЗ МАЗ-537 297588-П Лента Кран пневмоуправления раздаточной коробкой Чертеж Кран пневмоуправления раздаточной коробкой
МАЗ МАЗ-537 297588-П8 Лента стяжная Схема пневмогидравлической системы Чертеж Схема пневмогидравлической системы
МАЗ МАЗ-537 297588-П8 Лента стяжная Схема электрооборудования Чертеж Схема электрооборудования
МАЗ МАЗ-537 297588-П8 Лента стяжная Привод управления коробкой отбора мощности Чертеж Привод управления коробкой отбора мощности
МАЗ МАЗ-53363 297588 Лента Заливка и контроль уровня масла Чертеж Заливка и контроль уровня масла
МАЗ МАЗ-53363 297588 Лента Силовой цилиндр гидроусилителя рулевого управления Чертеж Силовой цилиндр гидроусилителя рулевого управления
МАЗ МАЗ-53366 297588 Лента Заливка и контроль уровня масла Чертеж Заливка и контроль уровня масла
МАЗ МАЗ-53366 297588 Лента Силовой цилиндр гидроусилителя рулевого управления
МАЗ МАЗ-5337 297588 Лента Заливка и контроль уровня масла Чертеж Заливка и контроль уровня масла
Товары из этой категории
Болт  МАЗ ОАО 372642
Болт МАЗ ОАО
Каталожный номер 372642
Производитель
Код 372642
Доставка по всей Беларуси
Остаток Под заказ
Трубка  МАЗ ОАО 5440-2927015-010
Трубка МАЗ ОАО
Каталожный номер 5440-2927015-010
Производитель
Код 54402927015010
Доставка по всей Беларуси
Остаток Под заказ
Буфер  МАЗ ОАО, УВК 5336-5001766-01
Буфер МАЗ ОАО, УВК
Каталожный номер 5336-5001766-01
Производитель
Код 5336500176601
Доставка по всей Беларуси
Остаток Под заказ
Фильтр воздушный  JAC, Китай S11090010-A7
Фильтр воздушный JAC, Китай
Каталожный номер S11090010-A7
Производитель
Код S11090010A7
Доставка по всей Беларуси
Остаток Под заказ
Угольник  МАЗ ОАО 5516W4-1303335-000
Угольник МАЗ ОАО
Каталожный номер 5516W4-1303335-000
Производитель
Код 5516W41303335000
Доставка по всей Беларуси
Остаток Под заказ