Республика Беларусь,
г. Минск, ул. Селицкого 21к - центральный склад
Пн-пт с 8:00 до 17:00
Меню
262545 Пробка 3/4 ост 3700117775 МАЗ ОАО
Наименование: Пробка 3/4 ост 3700117775 МАЗ ОАО
Каталожный номер: 262545
Код товара: 262545
Доставка: по всей Беларуси
Остаток: под заказ 1-45 дней

Нашли не точность в описании товара? сообщить администратору.

+375 (44) 770-80-78 +375 (29) 747-80-78
* Выставить счет, получить техническую информацию и стоимость
Заказать деталь Онлайн
Описание
Наличие на филиалах
Применяемость
Заменить на СТО

262545 Пробка 3/4 ост 3700117775.

  • Производитель: МАЗ ОАО
  • Каталожный номер по заводу: 262545
  • Код для заказа:  262545
Марка Модель Кат.номер Наим. по каталогу Чертеж
МАЗ МАЗ-5516 262545 Пробка КГ 3/4" Гидроцилиндр подъема платформы МАЗ-5516 Чертеж Гидроцилиндр подъема платформы МАЗ-5516
МАЗ МАЗ-5551 262545 Пробка КГ 3/4" Цилиндр механизма подъема платформы МАЗ-5551 Чертеж Цилиндр механизма подъема платформы МАЗ-5551
МАЗ МАЗ-9506 262545 Пробка КГ 3/4" Гидроцилиндр подъема платформы Чертеж Гидроцилиндр подъема платформы
МАЗ Общий (см. мод-ции) 262545 Пробка КГ 3/4" Цилиндр механизма подъема платформы МАЗ-5551
МАЗ Общий (см. мод-ции) 262545 Пробка КГ 3/4" Гидроцилиндр подъема платформы МАЗ-5516
ЛиАЗ ЛиАЗ 5256 262545-П29 Пробка КГ 3/4" Картер гидротрансформатора
БелАЗ 7522, 7540, 75401, 7523, 75231 Общий 262545 Пробка Картер коробки передач Чертеж Картер коробки передач
БелАЗ 7522, 7540, 75401, 7523, 75231 Общий 262545 Пробка Насос гидромеханической передачи задний Чертеж Насос гидромеханической передачи задний
БелАЗ 7522, 7540, 75401, 7523, 75231 Общий 262545 Пробка Золотниковая коробка пятиступенчатой гидромеханической передачи Чертеж Золотниковая коробка пятиступенчатой гидромеханической передачи
БелАЗ 7522, 7540, 75401, 7523, 75231 Общий 262545 Пробка Тормоз-замедлитель трехступенчатой гидромеханической передачи Чертеж Тормоз-замедлитель трехступенчатой гидромеханической передачи
БелАЗ 7522 262545 Пробка Тормоз-замедлитель трехступенчатой гидромеханической передачи Чертеж Тормоз-замедлитель трехступенчатой гидромеханической передачи
БелАЗ 7540 262545 Пробка Картер коробки передач Чертеж Картер коробки передач
БелАЗ 7540 262545 Пробка Насос гидромеханической передачи задний Чертеж Насос гидромеханической передачи задний
БелАЗ 7540 262545 Пробка Золотниковая коробка пятиступенчатой гидромеханической передачи Чертеж Золотниковая коробка пятиступенчатой гидромеханической передачи
БелАЗ 75401 262545 Пробка Тормоз-замедлитель трехступенчатой гидромеханической передачи Чертеж Тормоз-замедлитель трехступенчатой гидромеханической передачи
БелАЗ 7523 262545 Пробка Тормоз-замедлитель трехступенчатой гидромеханической передачи
БелАЗ 75231 262545 Пробка Картер коробки передач Чертеж Картер коробки передач
БелАЗ 75231 262545 Пробка Насос гидромеханической передачи задний Чертеж Насос гидромеханической передачи задний
БелАЗ 75231 262545 Пробка Золотниковая коробка пятиступенчатой гидромеханической передачи Чертеж Золотниковая коробка пятиступенчатой гидромеханической передачи
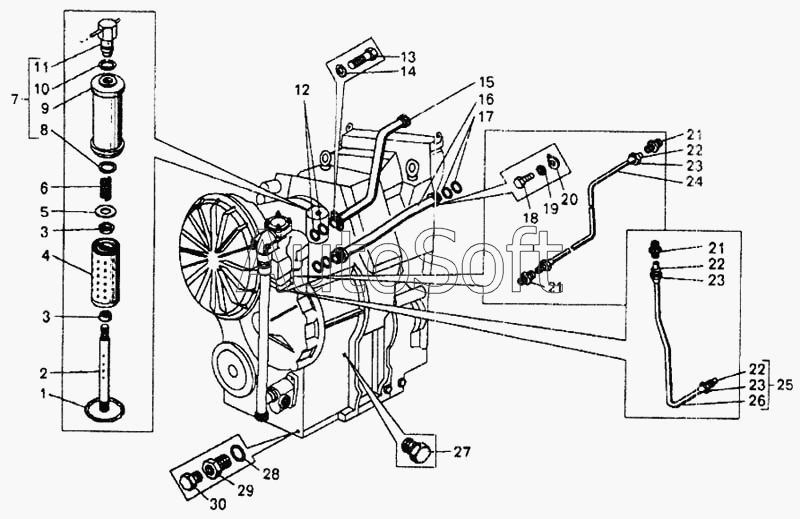
БелАЗ 7548А (2000) 262545 Пробка Гидромеханическая передача (фильтр тонкой очистки и трубопроводы тормоза-замедлителя) Чертеж Гидромеханическая передача (фильтр тонкой очистки и трубопроводы тормоза-замедлителя)
Товары из этой категории
Кронштейн БСК  МАЗ ОАО 64221-3723064
Кронштейн БСК МАЗ ОАО
Каталожный номер 64221-3723064
Производитель
Код 642213723064
Доставка по всей Беларуси
Остаток Под заказ
Уплотнитель  МАЗ ОАО 6312В5-1309016
Уплотнитель МАЗ ОАО
Каталожный номер 6312В5-1309016
Производитель
Код 6312В51309016
Доставка по всей Беларуси
Остаток Под заказ
Лопатка монтажная  МАЗ ОАО 6422-3901284
Лопатка монтажная МАЗ ОАО
Каталожный номер 6422-3901284
Производитель
Код 64223901284
Доставка по всей Беларуси
Остаток Под заказ
Фильтр топл грубой оч  Weichai, Китай 1002018309
Фильтр топл грубой оч Weichai, Китай
Каталожный номер 1002018309
Производитель
Код 1002018309
Доставка по всей Беларуси
Остаток Под заказ
Шланг  Универсал,Бобруйск 6430-3506085
Шланг Универсал,Бобруйск
Каталожный номер 6430-3506085
Производитель
Код 64303506085
Доставка по всей Беларуси
Остаток Под заказ