Республика Беларусь,
г. Минск, ул. Селицкого 21к - центральный склад
Пн-пт с 8:00 до 17:00
Меню
262531 Пробка 1/8 ост 3700117675 МАЗ ОАО
Наименование: Пробка 1/8 ост 3700117675 МАЗ ОАО
Каталожный номер: 262531
Код товара: 262531
Доставка: по всей Беларуси
Остаток: под заказ 1-45 дней

Нашли не точность в описании товара? сообщить администратору.

+375 (44) 770-80-78 +375 (29) 747-80-78
* Выставить счет, получить техническую информацию и стоимость
Заказать деталь Онлайн
Описание
Наличие на филиалах
Применяемость
Заменить на СТО

262531 Пробка 1/8 ост 3700117675.

  • Производитель: МАЗ ОАО
  • Каталожный номер по заводу: 262531
  • Код для заказа:  262531
Марка Модель Кат.номер Наим. по каталогу Чертеж
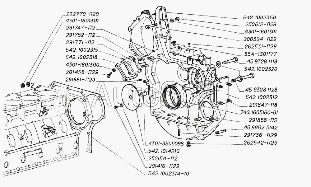
ГАЗ ГАЗ-14 (Чайка) (1980) 262531-П Пробка КГ 1/8" Блок и головка цилиндров двигателя Чертеж Блок и головка цилиндров двигателя
ГАЗ ГАЗ-14 (Чайка) (1980) 262531-П8 Пробка 1/8"-27 коническая масляного канала Привод управления планетарным механизмом коробки передач
ГАЗ ГАЗ-14 (Чайка) (1980) 262531-П8 Пробка 1/8"-27 коническая масляного канала Регулятор переключения системы гидравлического управления коробкой передач Чертеж Регулятор переключения системы гидравлического управления коробкой передач
ГАЗ ГАЗ-24 262531-П Пробка КГ 1/8" Блок и головка цилиндров Чертеж Блок и головка цилиндров
ГАЗ ГАЗ-24 262531-П8 Пробка 1/8"-27 коническая масляного канала Механизм переключения передач
ГАЗ ГАЗ-24-10 (1995) 262531-П29 Пробка КГ 1/8" Блок и головка цилиндров двигателя Чертеж Блок и головка цилиндров двигателя
ГАЗ ГАЗ-3102 (2000) 262531-П29 Пробка КГ 1/8" Вал распределительный и газопровод
ГАЗ ГАЗ-3105 (1996) 262531-П29 Пробка КГ 1/8" Головка цилиндров
ГАЗ ГАЗ-3105 (1996) 262531-П Пробка КГ 1/8" Вал коленчатый
ГАЗ ГАЗ-3306 (1994) 262531-П29 Пробка КГ 1/8" Картер маховика Чертеж Картер маховика
ГАЗ ГАЗ-4301 262531-П29 Пробка КГ 1/8" Картер маховика Чертеж Картер маховика
ГАЗ ГАЗ-52-01 262531-П8 Пробка 1/8"-27 коническая масляного канала Блок цилиндров
ГАЗ ГАЗ-52-01 262531-П8 Пробка 1/8"-27 коническая масляного канала Карданный вал промежуточный
ГАЗ ГАЗ-52-02 262531-П8 Пробка 1/8"-27 коническая масляного канала Блок и головка цилиндров
ГАЗ ГАЗ-53 А (1989) 262531-П Пробка КГ 1/8" Блок и головка цилиндров Чертеж Блок и головка цилиндров
ГАЗ ГАЗ-66 (Каталог 1983 г.) (1983) 262531-П Пробка КГ 1/8" Блок и головка цилиндров двигателя
ГАЗ ГАЗ-66 (Каталог 1983 г.) (1983) 262531-П Пробка КГ 1/8" Блок и головка цилиндров двигателя
ГАЗ ГАЗ-66 (Каталог 1983 г.) (1983) 262531-П Пробка КГ 1/8" Поворотные кулаки
ГАЗ ГАЗ-69 (1957) 262531-П8 Пробка 1/8"-27 коническая масляного канала Блок цилиндров Чертеж Блок цилиндров
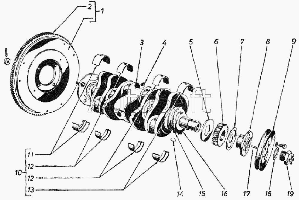
ГАЗ ГАЗ-69 (1957) 262531-П Пробка КГ 1/8" Коленчатый вал и маховик Чертеж Коленчатый вал и маховик
Товары из этой категории
Сопло круглое в сборе  ОЗАА,Осиповичи 6430-8104140
Сопло круглое в сборе ОЗАА,Осиповичи
Каталожный номер 6430-8104140
Производитель
Код 64308104140
Доставка по всей Беларуси
Остаток Под заказ
Замок  МАЗ ОАО, УВК 101-5606100
Замок МАЗ ОАО, УВК
Каталожный номер 101-5606100
Производитель
Код 1015606100
Доставка по всей Беларуси
Остаток Под заказ
Кольцо наружное  МАЗ ОАО 4370-2402066
Кольцо наружное МАЗ ОАО
Каталожный номер 4370-2402066
Производитель
Код 43702402066
Доставка по всей Беларуси
Остаток Под заказ
Буксирный прибор  БААЗ,Барановичи 5336-2707212-11
Буксирный прибор БААЗ,Барановичи
Каталожный номер 5336-2707212-11
Производитель
Код 5336270721211
Доставка по всей Беларуси
Остаток Под заказ
Крышка  МАЗ ОАО 103-3502029-10
Крышка МАЗ ОАО
Каталожный номер 103-3502029-10
Производитель
Код 103350202910
Доставка по всей Беларуси
Остаток Под заказ