Республика Беларусь,
г. Минск, ул. Селицкого 21к - центральный склад
Пн-пт с 8:00 до 17:00
Меню
260056 Палец 10х25 МАЗ ОАО
Наименование: Палец 10х25 МАЗ ОАО
Каталожный номер: 260056
Код товара: 260056
Доставка: по всей Беларуси
Остаток: под заказ

Нашли не точность в описании товара? сообщить администратору.

+375 (44) 770-80-78 +375 (29) 747-80-78
* Выставить счет, получить техническую информацию и стоимость
Заказать деталь Онлайн
Описание
Наличие на филиалах
Применяемость
Заменить на СТО

260056 Палец 10х25.

  • Производитель: МАЗ ОАО
  • Каталожный номер по заводу: 260056
  • Код для заказа:  260056
Марка Модель Кат.номер Наим. по каталогу Чертеж
УАЗ УАЗ-3151 (1993) 260056-П29 Палец 10х25 Сиденье трехместное в сборе, остов трехместного сиденья, фиксатор трехместного сиденья, спинка трехместного сиденья Чертеж Сиденье трехместное в сборе, остов трехместного сиденья, фиксатор трехместного сиденья, спинка трехместного сиденья
УАЗ УАЗ-3151 (1993) 260056-П29 Палец 10х25 Привод выключения сцепления Чертеж Привод выключения сцепления
УАЗ УАЗ-3151 (1993) 260056-П29 Палец 10х25 Педаль и привод механизма управления тормозами Чертеж Педаль и привод механизма управления тормозами
УАЗ УАЗ-3741 260056-П29 Палец 10х25 Откидное сиденье в сборе, крепление откидного сиденья, подушка откидного сиденья Чертеж Откидное сиденье в сборе, крепление откидного сиденья, подушка откидного сиденья
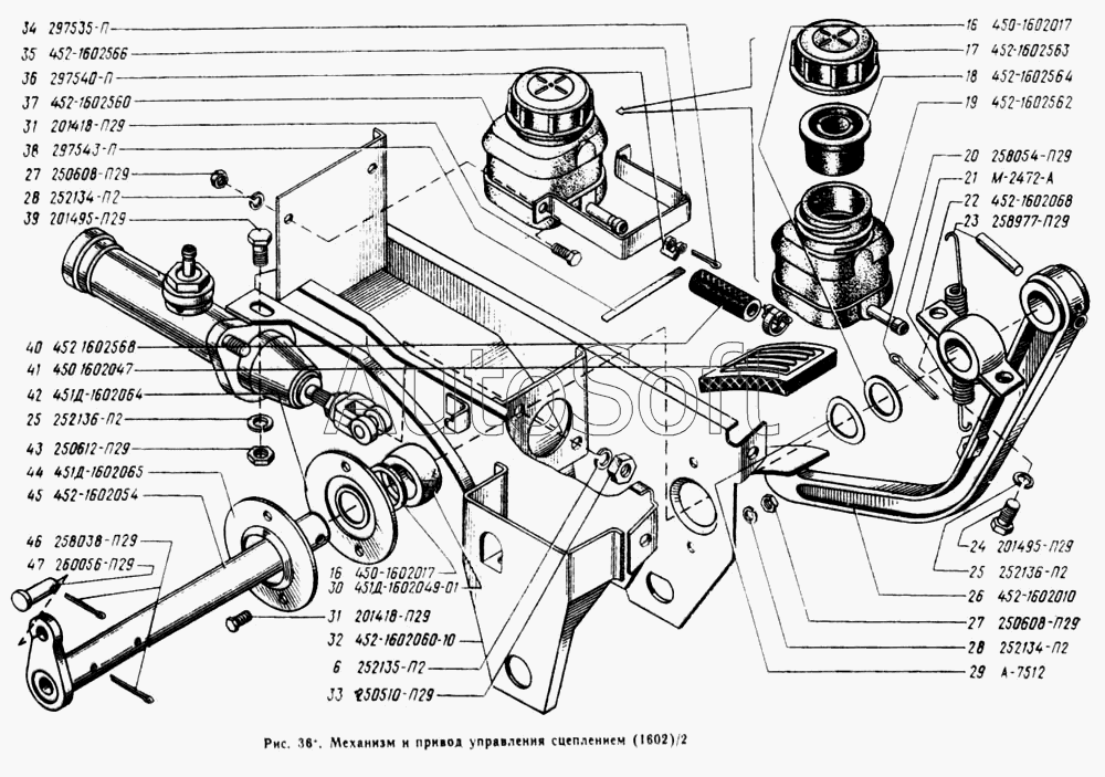
УАЗ УАЗ-3741 260056-П29 Палец 10х25 Механизм и привод управления сцеплением
УАЗ УАЗ-3741 260056-П29 Палец 10х25 Педаль и привод механизма управления тормозами, цилиндр главный гидравлических тормозов Чертеж Педаль и привод механизма управления тормозами, цилиндр главный гидравлических тормозов
УАЗ УАЗ-3962 260056-П29 Палец 10х25 Откидное сиденье в сборе, крепление откидного сиденья, подушка откидного сиденья
УАЗ УАЗ-3962 260056-П29 Палец 10х25 Механизм и привод управления сцеплением Чертеж Механизм и привод управления сцеплением
УАЗ УАЗ-3962 260056-П29 Палец 10х25 Педаль и привод механизма управления тормозами, цилиндр главный гидравлических тормозов Чертеж Педаль и привод механизма управления тормозами, цилиндр главный гидравлических тормозов
УАЗ УАЗ-2206 260056-П29 Палец 10х25 Откидное сиденье в сборе, крепление откидного сиденья, подушка откидного сиденья Чертеж Откидное сиденье в сборе, крепление откидного сиденья, подушка откидного сиденья
УАЗ УАЗ-2206 260056-П29 Палец 10х25 Механизм и привод управления сцеплением Чертеж Механизм и привод управления сцеплением
УАЗ УАЗ-2206 260056-П29 Палец 10х25 Педаль и привод механизма управления тормозами, цилиндр главный гидравлических тормозов Чертеж Педаль и привод механизма управления тормозами, цилиндр главный гидравлических тормозов
УАЗ УАЗ-3303 260056-П29 Палец 10х25 Откидное сиденье в сборе, крепление откидного сиденья, подушка откидного сиденья Чертеж Откидное сиденье в сборе, крепление откидного сиденья, подушка откидного сиденья
УАЗ УАЗ-3303 260056-П29 Палец 10х25 Механизм и привод управления сцеплением Чертеж Механизм и привод управления сцеплением
УАЗ УАЗ-3303 260056-П29 Палец 10х25 Педаль и привод механизма управления тормозами, цилиндр главный гидравлических тормозов Чертеж Педаль и привод механизма управления тормозами, цилиндр главный гидравлических тормозов
УАЗ УАЗ-3160 (2002) 260056-П29 Палец 10х25 Привод выключения сцепления Чертеж Привод выключения сцепления
УАЗ УАЗ-3160 (2002) 260056-П29 Палец 10х25 Педаль и привод механизма управления тормозами, цилиндр главный гидравлических тормозов Чертеж Педаль и привод механизма управления тормозами, цилиндр главный гидравлических тормозов
МАЗ МАЗ-500А 260056-П52 Палец Привод ручного тормоза
МАЗ МАЗ-503А 260056-П52 Палец Привод ручного тормоза
МАЗ МАЗ-504А 260056-П52 Палец Привод ручного тормоза
Товары из этой категории
Амортизатор  МАЗ ОАО, УВК 103-1001020
Амортизатор МАЗ ОАО, УВК
Каталожный номер 103-1001020
Производитель
Код 1031001020
Доставка по всей Беларуси
Остаток Под заказ
Лист с хомутами  МАЗ ОАО 6516V8-2902054-000
Лист с хомутами МАЗ ОАО
Каталожный номер 6516V8-2902054-000
Производитель
Код 6516V82902054000
Доставка по всей Беларуси
Остаток Под заказ
рукоятка внешней ручки средней задвижной двери  JAC, Китай 6705210R004-AM
рукоятка внешней ручки средней задвижной двери JAC, Китай
Каталожный номер 6705210R004-AM
Производитель
Код 6705210R004AM
Доставка по всей Беларуси
Остаток Под заказ
Болт м12х1.25-6нх60  МАЗ ОАО 371781
Болт м12х1.25-6нх60 МАЗ ОАО
Каталожный номер 371781
Производитель
Код 371781
Доставка по всей Беларуси
Остаток Под заказ
Усилитель  МАЗ ОАО 5336-2902462
Усилитель МАЗ ОАО
Каталожный номер 5336-2902462
Производитель
Код 53362902462
Доставка по всей Беларуси
Остаток Под заказ