Республика Беларусь,
г. Минск, ул. Селицкого 21к - центральный склад
Пн-пт с 8:00 до 17:00
Меню
260013 Палец МАЗ ОАО
Наименование: Палец МАЗ ОАО
Каталожный номер: 260013
Код товара: 260013
Доставка: по всей Беларуси
Остаток: под заказ 1-45 дней

Нашли не точность в описании товара? сообщить администратору.

+375 (44) 770-80-78 +375 (29) 747-80-78
* Выставить счет, получить техническую информацию и стоимость
Заказать деталь Онлайн
Описание
Наличие на филиалах
Применяемость
Заменить на СТО

260013 Палец.

  • Производитель: МАЗ ОАО
  • Каталожный номер по заводу: 260013
  • Код для заказа:  260013
Марка Модель Кат.номер Наим. по каталогу Чертеж
ГАЗ ГАЗ-52-02 260013-П29 Палец 6х22 Рама, брызговики двигателя, бампер передний, прибор буксирный, крюки буксирные передние и держатель запасного колеса
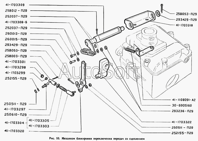
ГАЗ ГАЗ-71 260013-П29 Палец 6х22 Механизм блокировки переключения передач со сцеплением Чертеж Механизм блокировки переключения передач со сцеплением
МАЗ МАЗ-500А 260013-П52 Палец Шторка радиатора
МАЗ МАЗ-503А 260013-П52 Палец Шторка радиатора
МАЗ МАЗ-504А 260013-П52 Палец Шторка радиатора
МАЗ МАЗ-53363 260013 Палец 6х22 Шторка радиатора и его привод
МАЗ МАЗ-53366 260013 Палец 6х22 Шторка радиатора и его привод Чертеж Шторка радиатора и его привод
МАЗ МАЗ-5337 260013 Палец 6х22 Шторка радиатора и его привод
МАЗ МАЗ-53371 260013 Палец 6х22 Шторка радиатора и его привод Чертеж Шторка радиатора и его привод
МАЗ МАЗ-54323 260013 Палец 6х22 Шторка радиатора и его привод
МАЗ МАЗ-5434 260013 Палец 6х22 Шторка радиатора и его привод Чертеж Шторка радиатора и его привод
МАЗ МАЗ-5516 260013 Палец 6х22 Шторка радиатора и его привод Чертеж Шторка радиатора и его привод
МАЗ МАЗ-5551 260013 Палец 6х22 Шторка радиатора и его привод Чертеж Шторка радиатора и его привод
МАЗ МАЗ-6303 (2000) 260013 Палец 6х22 Шторка радиатора и его привод Чертеж Шторка радиатора и его привод
МАЗ МАЗ-64255 260013 Палец 6х22 Шторка радиатора и его привод Чертеж Шторка радиатора и его привод
МАЗ МАЗ-64229 260013 Палец 6х22 Шторка радиатора и его привод Чертеж Шторка радиатора и его привод
МАЗ МАЗ-643068 (2003) 260013 Палец 6х22 Установка ручек, замка и ограничителя двери Чертеж Установка ручек, замка и ограничителя двери
МАЗ Общий (см. мод-ции) 260013 Палец 6х22 Шторка радиатора и его привод Чертеж Шторка радиатора и его привод
АМАЗ МАЗ-103 (2000) 260013 Палец 6х22 Привод управления двигателем 101-1108002-41 Чертеж Привод управления двигателем 101-1108002-41
АМАЗ МАЗ-103 (2000) 260013 Палец 6х22 Привод управления двигателем 103-1108002-10 Чертеж Привод управления двигателем 103-1108002-10
Аналоги
Палец 260013 МАЗ 260013
Палец 260013 МАЗ
Каталожный номер 260013
Производитель МАЗ МАЗ
Код 00-ГР017135
Доставка по всей Беларуси
Доступность остатки на филиалах Остатки на филиалах
Остаток Под заказ
Товары из этой категории
Шплинт 4х20 ост 3700117175  МАЗ ОАО 258052
Шплинт 4х20 ост 3700117175 МАЗ ОАО
Каталожный номер 258052
Производитель
Код 258052
Доставка по всей Беларуси
Остаток Под заказ
Кронштейн, МАЗ ОАО 206060-1001043-25
Кронштейн, МАЗ ОАО
Каталожный номер 206060-1001043-25
Производитель
Код 206060100104325
Доставка по всей Беларуси
Остаток Под заказ
Плита опорная  ОЗАА,Осиповичи 64221-3504018
Плита опорная ОЗАА,Осиповичи
Каталожный номер 64221-3504018
Производитель
Код 642213504018
Доставка по всей Беларуси
Остаток Под заказ
Провод стартера  МАЗ ОАО, УВК 544008-3724062
Провод стартера МАЗ ОАО, УВК
Каталожный номер 544008-3724062
Производитель
Код 5440083724062
Доставка по всей Беларуси
Остаток Под заказ
Винт М6-6нх44  МАЗ ОАО 373800
Винт М6-6нх44 МАЗ ОАО
Каталожный номер 373800
Производитель
Код 373800
Доставка по всей Беларуси
Остаток Под заказ