Республика Беларусь,
г. Минск, ул. Селицкого 21к - центральный склад
Пн-пт с 8:00 до 17:00
Меню
256838 Заклепка 10х24 ост37.001.152-75 МАЗ ОАО
Наименование: Заклепка 10х24 ост37.001.152-75 МАЗ ОАО
Каталожный номер: 256838
Код товара: 256838
Доставка: по всей Беларуси
Остаток: под заказ 1-45 дней

Нашли не точность в описании товара? сообщить администратору.

+375 (44) 770-80-78 +375 (29) 747-80-78
* Выставить счет, получить техническую информацию и стоимость
Заказать деталь Онлайн
Описание
Наличие на филиалах
Применяемость
Заменить на СТО

256838 Заклепка 10х24 ост37.001.152-75.

  • Производитель: МАЗ ОАО
  • Каталожный номер по заводу: 256838
  • Код для заказа:  256838
Марка Модель Кат.номер Наим. по каталогу Чертеж
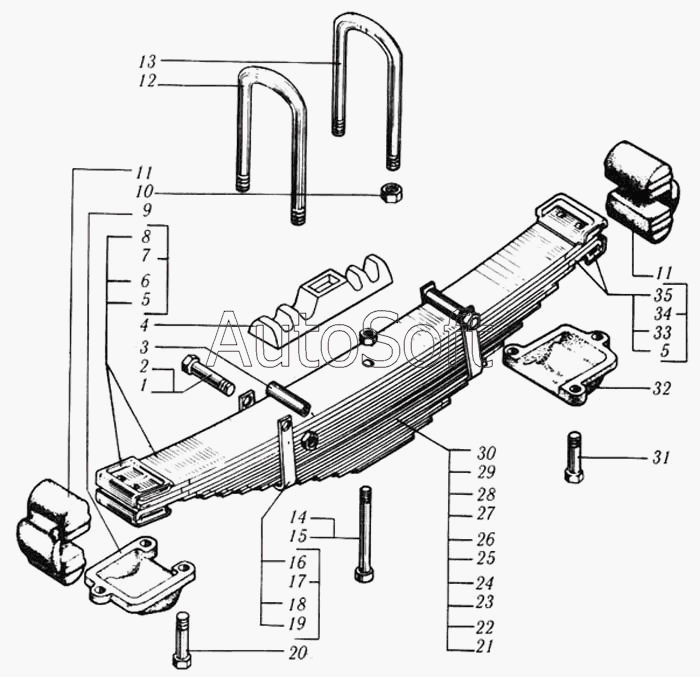
МАЗ МАЗ-500А 256838-П Заклепка Задняя рессора Чертеж Задняя рессора
МАЗ МАЗ-503А 256838-П Заклепка Задняя рессора Чертеж Задняя рессора
МАЗ МАЗ-504А 256838-П Заклепка Задняя рессора Чертеж Задняя рессора
МАЗ МАЗ-643068 (2003) 256838 Заклепка 10х24 Рессора задняя Чертеж Рессора задняя
ЛиАЗ ЛиАЗ 677 256838-П Заклепка хомута Передняя подвеска
ЛиАЗ ЛиАЗ 677 256838-П Заклепка хомута Задняя подвеска
ЗИЛ ЗИЛ-5301 (2000) 256838-П29 Заклепка Подвеска передняя
УралАЗ УРАЛ-375 256838-П Заклепка 10х24 Передняя подвеска (Рис. 66) Чертеж Передняя подвеска (Рис. 66)
УралАЗ УРАЛ-375 256838-П Заклепка 10х24 Задняя подвеска (Рис. 68) Чертеж Задняя подвеска (Рис. 68)
УралАЗ УРАЛ-375 256838-П Заклепка 10х24 Схема пневмогидравлических тормозов автомобиля Урал-375Д (Рис. 94) Чертеж Схема пневмогидравлических тормозов автомобиля Урал-375Д (Рис. 94)
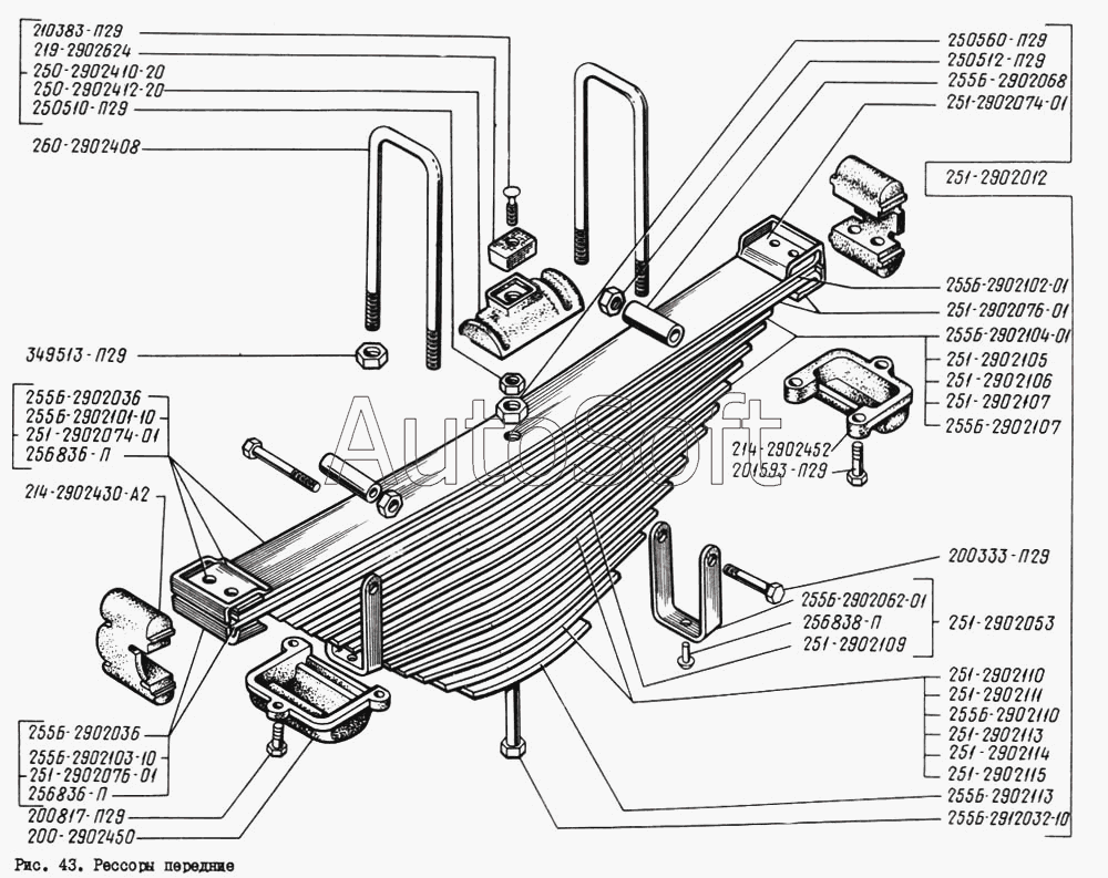
УралАЗ УРАЛ-4320-31 256838 Заклепка 10х24 Передняя рессора Чертеж Передняя рессора
УралАЗ УРАЛ-4320 256838 Заклепка 10х24 Передняя подвеска Чертеж Передняя подвеска
УралАЗ УРАЛ-43202 256838 Заклепка 10х24 Передняя подвеска Чертеж Передняя подвеска
КрАЗ КрАЗ-255 256838-П Заклепка 10х24 Рессоры передние Чертеж Рессоры передние
КрАЗ КрАЗ-256 256838-П Заклепка 10х24 Рессоры передние
КрАЗ КрАЗ-250 256838-П Заклепка 10х24 Рессора передняя
КрАЗ КрАЗ-260 256838-П Заклепка 10х24 Рессоры передние Чертеж Рессоры передние
КрАЗ КрАЗ-6443 256838-П Заклепка 10х24 Рессоры передние
КрАЗ КрАЗ-6510 (1993) 256838-П Заклепка 10х24 Рессоры передние Чертеж Рессоры передние
КрАЗ КрАЗ-6443 (каталог 2004 г) 256838-П Заклепка 10х24 Рессоры передние Чертеж Рессоры передние
Аналоги
Заклепка 10х24 ост37.001.152-75 256838 МАЗ 256838
Заклепка 10х24 ост37.001.152-75 256838 МАЗ
Каталожный номер 256838
Производитель МАЗ МАЗ
Код 00-ГР016610
Доставка по всей Беларуси
Доступность остатки на филиалах Остатки на филиалах
Остаток Под заказ
Товары из этой категории
Пластина  МАЗ ОАО 6422-3716066
Пластина МАЗ ОАО
Каталожный номер 6422-3716066
Производитель
Код 64223716066
Доставка по всей Беларуси
Остаток Под заказ
Глушитель  Вавилова з-д,Минск 8088.00.00.000
Глушитель Вавилова з-д,Минск
Каталожный номер 8088.00.00.000
Производитель
Код 80880000000
Доставка по всей Беларуси
Остаток Под заказ
Лист 3  МАЗ ОАО 509-2912103-20
Лист 3 МАЗ ОАО
Каталожный номер 509-2912103-20
Производитель
Код 509291210320
Доставка по всей Беларуси
Остаток Под заказ
Кожух вентилятора в сборе  ОЗАА,Осиповичи 5440В9-1309011
Кожух вентилятора в сборе ОЗАА,Осиповичи
Каталожный номер 5440В9-1309011
Производитель
Код 5440В91309011
Доставка по всей Беларуси
Остаток Под заказ
Лист с шарниром  МАЗ ОАО 4380-2902055
Лист с шарниром МАЗ ОАО
Каталожный номер 4380-2902055
Производитель
Код 43802902055
Доставка по всей Беларуси
Остаток Под заказ