Республика Беларусь,
г. Минск, ул. Селицкого 21к - центральный склад
Пн-пт с 8:00 до 17:00
Меню
250869 Гайка М12х1,255н6н ОСТ 3700112475 МАЗ ОАО
Наименование: Гайка М12х1,255н6н ОСТ 3700112475 МАЗ ОАО
Каталожный номер: 250869
Код товара: 250869
Доставка: по всей Беларуси
Остаток: под заказ 1-45 дней

Нашли не точность в описании товара? сообщить администратору.

+375 (44) 770-80-78 +375 (29) 747-80-78
* Выставить счет, получить техническую информацию и стоимость
Заказать деталь Онлайн
Описание
Наличие на филиалах
Применяемость
Заменить на СТО

250869 Гайка М12х1,255н6н ОСТ 3700112475.

  • Производитель: МАЗ ОАО
  • Каталожный номер по заводу: 250869
  • Код для заказа:  250869
Марка Модель Кат.номер Наим. по каталогу Чертеж
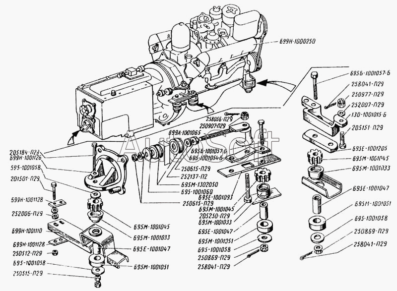
ГАЗ ГАЗ-14 (Чайка) (1980) 250869-П29 Гайка М12х1,25-6Н Стойки и рычаги передней подвески Чертеж Стойки и рычаги передней подвески
ГАЗ ГАЗ-2217 (Соболь) (1999) 250869-П29 Гайка М12х1,25-6Н Передняя подвеска, стабилизатор поперечной устойчивости Чертеж Передняя подвеска, стабилизатор поперечной устойчивости
ГАЗ ГАЗ-66 (Каталог 1983 г.) (1983) 250869-П29 Гайка М12х1,25-6Н Крепление платформы Чертеж Крепление платформы
АМАЗ МАЗ-103 (2000) 250869 Гайка М12х1,25-6Н Установка привода переключения передач 103-1703002
АМАЗ МАЗ-103 (2000) 250869 Гайка М12х1,25-6Н Установка привода переключения передач Чертеж Установка привода переключения передач
АМАЗ МАЗ-103 (2000) 250869 Гайка М12х1,25-6Н Установка привода переключения передач 104С-1703002 Чертеж Установка привода переключения передач 104С-1703002
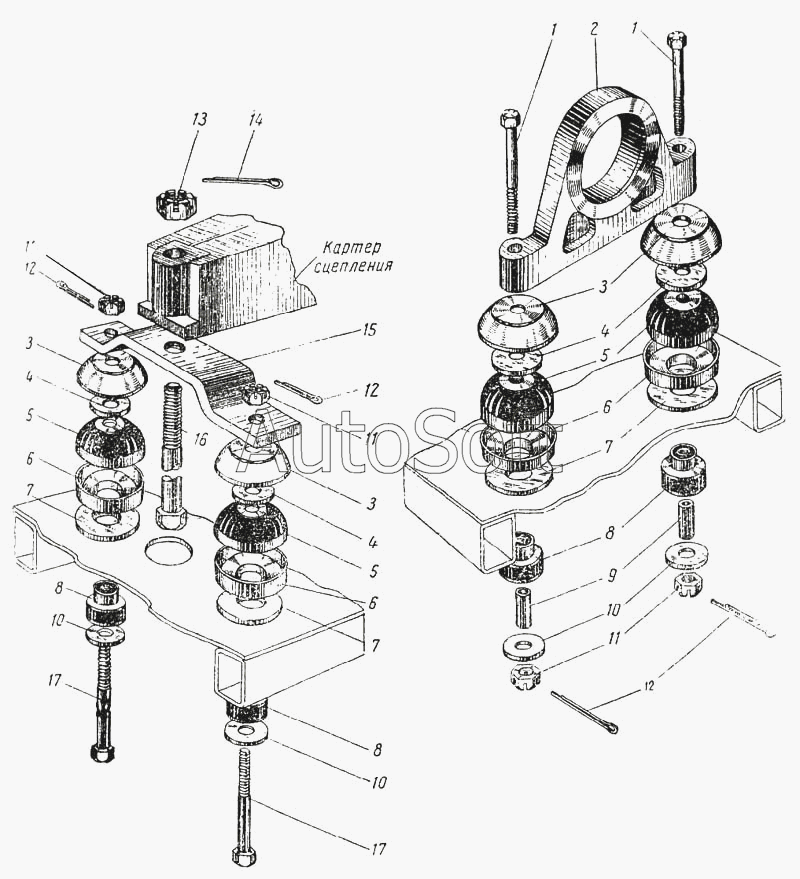
ЛАЗ ЛАЗ 695Б 250869-П Гайка М12Х1,25 Подвеска двигателя Чертеж Подвеска двигателя
ЛАЗ ЛАЗ 695Б 250869-П2 Гайка М12Х1,25 Водяной насос Чертеж Водяной насос
ЛАЗ ЛАЗ 695Н (1976) 250869-П8 Гайка М12х1,25 Двигатель и его подвеска Чертеж Двигатель и его подвеска
ЛАЗ ЛАЗ 695Н (1976) 250869-П8 Гайка М12х1,25 Электрооборудование
ЛАЗ ЛАЗ 699Р 250869-П29 Гайка Двигатель в сборе и подвеска двигателя Чертеж Двигатель в сборе и подвеска двигателя
ЛАЗ ЛАЗ 699Р 250869-П29 Гайка Генератор Г286А Чертеж Генератор Г286А
ЛАЗ ЛАЗ 4207 250869-П8 Гайка М12х1,25 Штанга передней и задней подвесок Чертеж Штанга передней и задней подвесок
ЛАЗ ЛАЗ 5252 250869-П29 Гайка Реактивные штанги передней подвески Чертеж Реактивные штанги передней подвески
ЛиАЗ ЛиАЗ 677 250869-П8 Гайка Подвеска двигателя Чертеж Подвеска двигателя
ЛиАЗ ЛиАЗ 677 250869-П8 Гайка Радиатор, подвеска и трубопроводы
ЛиАЗ ЛиАЗ 677 250869-П8 Гайка Подвеска гидропередачи
КАВЗ КАВЗ-685 (1971) 250869-П29 Гайка М12 Схема электрооборудования
ЗИЛ ЗИЛ-433360 (1995) 250869-П8 Гайка Двигатель и его подвеска Чертеж Двигатель и его подвеска
ЗИЛ ЗИЛ-442160 (1995) 250869-П8 Гайка Двигатель и его подвеска Чертеж Двигатель и его подвеска
Товары из этой категории
Тяга  МАЗ ОАО 533632-1703490
Тяга МАЗ ОАО
Каталожный номер 533632-1703490
Производитель
Код 5336321703490
Доставка по всей Беларуси
Остаток Под заказ
Пружина  МАЗ ОАО 101-5713161
Пружина МАЗ ОАО
Каталожный номер 101-5713161
Производитель
Код 1015713161
Доставка по всей Беларуси
Остаток Под заказ
Пластина стопорная  МАЗ ОАО 6430-2506067
Пластина стопорная МАЗ ОАО
Каталожный номер 6430-2506067
Производитель
Код 64302506067
Доставка по всей Беларуси
Остаток Под заказ
Усилитель  МАЗ ОАО 63171-8405042
Усилитель МАЗ ОАО
Каталожный номер 63171-8405042
Производитель
Код 631718405042
Доставка по всей Беларуси
Остаток Под заказ
Пружина колодок верх  МАЗ ОАО 500-3502034-01
Пружина колодок верх МАЗ ОАО
Каталожный номер 500-3502034-01
Производитель
Код 500350203401
Доставка по всей Беларуси
Остаток Под заказ