Республика Беларусь,
г. Минск, ул. Селицкого 21к - центральный склад
Пн-пт с 8:00 до 17:00
Меню
238-1721250-А2 Прокладка
Наименование: Прокладка 238-1721250-А2
Каталожный номер: 238-1721250-А2
Производитель: RSTA
Код товара: 00-ГР000462
Доставка: по всей Беларуси
Остаток: под заказ

Нашли не точность в описании товара? сообщить администратору.

+375 (44) 770-80-78 +375 (29) 747-80-78
* Выставить счет, получить техническую информацию и стоимость
Заказать деталь Онлайн
Описание
Наличие на филиалах
Применяемость
Заменить на СТО

Прокладка 238-1721250-А2, группа: 17 — КПП МАЗ  , 238-1721250-А2.

  • Каталожный номер: 238-1721250-А2
  • Код товара  для заказа:  00-ГР000462
Марка Модель Кат.номер Наим. по каталогу Чертеж
МАЗ МАЗ-54328 238-1721250-А Прокладка картера понижающей передачи Картер и масляный насос 201.1704010 понижающей передачи Чертеж Картер и масляный насос 201.1704010 понижающей передачи
ЯМЗ ЯМЗ-236 М 238-1721250-А Прокладка картера Картер и масляный насос 201.1704010 понижающей передачи Чертеж Картер и масляный насос 201.1704010 понижающей передачи
ЯМЗ ЯМЗ-236 НЕ, 236 БЕ, 7601.10 (2003) 238-1721250-А2 Прокладка картера Картер демультипликатора Чертеж Картер демультипликатора
ЯМЗ ЯМЗ-238 М 238-1721250-А Прокладка картера Картер и масляный насос 201.1704010 понижающей передачи Чертеж Картер и масляный насос 201.1704010 понижающей передачи
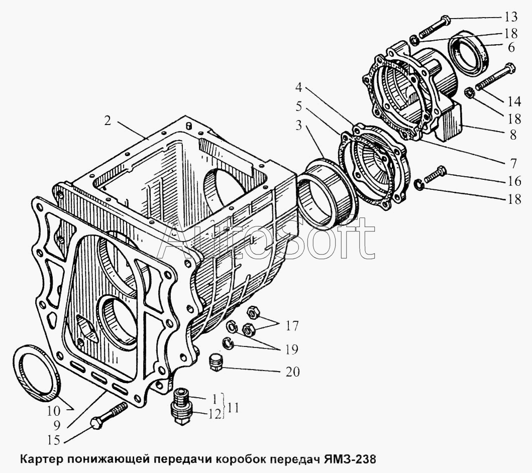
ЯМЗ ЯМЗ-238 М 238-1721250-А Прокладка картера Картер понижающей передачи коробок передач ЯМЗ-238
ЯМЗ ЯМЗ-238 АМ 238-1721250-А Прокладка картера Картер и масляный насос 201.1704010 понижающей передачи
ЯМЗ ЯМЗ-238 АМ 238-1721250-А Прокладка картера Картер понижающей передачи коробок передач ЯМЗ-238
ЯМЗ ЯМЗ-238 ГМ 238-1721250-А Прокладка картера Картер и масляный насос 201.1704010 понижающей передачи
ЯМЗ ЯМЗ-238 ГМ 238-1721250-А Прокладка картера Картер понижающей передачи коробок передач ЯМЗ-238
ЯМЗ ЯМЗ-238 ИМ 238-1721250-А Прокладка картера Картер и масляный насос 201.1704010 понижающей передачи Чертеж Картер и масляный насос 201.1704010 понижающей передачи
ЯМЗ ЯМЗ-238 НД 238-1721250-А Прокладка картера Картер и масляный насос 201.1704010 понижающей передачи
ЯМЗ ЯМЗ-238 НД 238-1721250-А Прокладка картера Картер понижающей передачи коробок передач ЯМЗ-238
ЯМЗ ЯМЗ-238 Н 238-1721250-А Прокладка картера Картер и масляный насос 201.1704010 понижающей передачи
ЯМЗ ЯМЗ-238 Н 238-1721250-А Прокладка картера Картер понижающей передачи коробок передач ЯМЗ-238 Чертеж Картер понижающей передачи коробок передач ЯМЗ-238
ЯМЗ ЯМЗ-238 Л 238-1721250-А Прокладка картера Картер и масляный насос 201.1704010 понижающей передачи
ЯМЗ ЯМЗ-238 Л 238-1721250-А Прокладка картера Картер понижающей передачи коробок передач ЯМЗ-238
ЯМЗ ЯМЗ-238 ПМ и 238 ФМ 238-1721250-А Прокладка картера Картер и масляный насос 201.1704010 понижающей передачи
ЯМЗ ЯМЗ-238 ПМ и 238 ФМ 238-1721250-А Прокладка картера Картер понижающей передачи коробок передач ЯМЗ-238
ЯМЗ Общий (см. мод-ции) 238-1721250-А Прокладка картера Картер и масляный насос 201.1704010 понижающей передачи Чертеж Картер и масляный насос 201.1704010 понижающей передачи
ЯМЗ Общий (см. мод-ции) 238-1721250-А Прокладка картера Картер понижающей передачи коробок передач ЯМЗ-238 Чертеж Картер понижающей передачи коробок передач ЯМЗ-238
Товары из этой категории
Воздухораспределитель 201-1723010
Воздухораспределитель
Каталожный номер 201-1723010
Производитель CZDP CZDP
Код 4147
Доставка по всей Беларуси
Доступность остатки на филиалах Остатки на филиалах
Остаток В наличии
Склад Адрес Контакт Остатки
г. Житковичи ул. Комсомольская, 49 +375 (29) 394-82-52 ( Мало )
Схема проезда
Переключатель клапан рычага КПП 6430-1703800 У
Переключатель клапан рычага КПП
Каталожный номер 6430-1703800 У
Производитель МАЗ МАЗ
Код 3725
Доставка по всей Беларуси
Доступность остатки на филиалах Остатки на филиалах
Остаток: г.Минск, ул.Селицкого 21к В наличии
Склад Адрес Контакт Остатки
г. Минск ул. Селицкого, 21к +375 (44) 770-80-78 ( Мало )
Схема проезда
г. Борисов ул. Демина, 2а +375 (44) 560-99-75 ( Мало )
Схема проезда
г. Брест Тельминский с/с, 1Д/1, 1 км южнее д. Тельмы-2 +375 (44) 599-90-75 ( Мало )
Схема проезда
г. Витебск ул. Правды, 33 +375 (44) 770-80-87 ( Мало )
Схема проезда
г. Гродно ул. Карского, 35 +375 (44) 770-70-21 ( Средне )
Схема проезда
г. Дрогичин ул. Юбилейная, 42 +375 (29) 682-17-13 ( Мало )
Схема проезда
г. Кобрин ул. Пролетарская, 177А +375 (44) 588-10-80 ( Мало )
Схема проезда
г. Могилев ул. Габровская 11Б +375 (29) 662-02-16 ( Мало )
Схема проезда
г. Мозырь промузел Козенки +375 (44) 731-94-60 ( Средне )
Схема проезда
г. Молодечно ул. Галицкого, 14 +375 (44) 567-28-47 ( Мало )
Схема проезда
г. Ошмяны ул. Льнозоводская 3 +375 (44) 770-80-91 ( Мало )
Схема проезда
г. Полоцк-2 ул. Шенягина, 52 +375 (29) 302-94-73 ( Мало )
Схема проезда
г. Пружаны ул. Макаренко, 21 +375 (29) 348-83-18 ( Мало )
Схема проезда
г. Слоним ул. Советская, 93а +375 (29) 394-82-01 ( Мало )
Схема проезда
Вилка  переключения 1-ой передачи,Автодизель 336.1702024
Вилка переключения 1-ой передачи,Автодизель
Каталожный номер 336.1702024
Производитель Автодизель Автодизель
Код 49356
Доставка по всей Беларуси
Доступность остатки на филиалах Остатки на филиалах
Остаток: г.Минск, ул.Селицкого 21к В наличии
Склад Адрес Контакт Остатки
г. Минск ул. Селицкого, 21к +375 (44) 770-80-78 ( Средне )
Схема проезда
Шестерня 3-й передачи втор.валал Z=37,Автодизель 236-1701131
Шестерня 3-й передачи втор.валал Z=37,Автодизель
Каталожный номер 236-1701131
Производитель Автодизель Автодизель
Код 9604
Доставка по всей Беларуси
Доступность остатки на филиалах Остатки на филиалах
Остаток: г.Минск, ул.Селицкого 21к В наличии
Склад Адрес Контакт Остатки
г. Минск ул. Селицкого, 21к +375 (44) 770-80-78 ( Много )
Схема проезда
г. Барановичи ул. Бадака, 27Б +375 (29) 350-33-47 ( Средне )
Схема проезда
г. Брест Тельминский с/с, 1Д/1, 1 км южнее д. Тельмы-2 +375 (44) 599-90-75 ( Мало )
Схема проезда
г. Витебск ул. Петруся Бровки, 34 +375 (29) 636-25-08 ( Мало )
Схема проезда
г. Гродно ул. Карского, 35 +375 (44) 770-70-21 ( Мало )
Схема проезда
г. Могилев ул. Габровская 11Б +375 (29) 662-02-16 ( Мало )
Схема проезда
г. Мозырь промузел Козенки +375 (44) 731-94-60 ( Мало )
Схема проезда
г. Новогрудок ул. Индустриальная, 3 +375 (44) 729-39-19 ( Мало )
Схема проезда
г. Полоцк-2 ул. Шенягина, 52 +375 (29) 302-94-73 ( Средне )
Схема проезда
Муфта зубчатая КПП 239,Автодизель 239.1721380
Муфта зубчатая КПП 239,Автодизель
Каталожный номер 239.1721380
Производитель Автодизель Автодизель
Код 10150
Доставка по всей Беларуси
Доступность остатки на филиалах Остатки на филиалах
Остаток: г.Минск, ул.Селицкого 21к В наличии
Склад Адрес Контакт Остатки
г. Минск ул. Селицкого, 21к +375 (44) 770-80-78 ( Средне )
Схема проезда
г. Гомель ул. Барыкина, 291Б +375 (44) 514-15-30 ( Мало )
Схема проезда
Прокладка  регулировочная,Автодизель 239.1701462-03
Прокладка регулировочная,Автодизель
Каталожный номер 239.1701462-03
Производитель Автодизель Автодизель
Код 8115
Доставка по всей Беларуси
Доступность остатки на филиалах Остатки на филиалах
Остаток Под заказ
Крышка первичного вала 433420-1701039 МАЗ 433420-1701039
Крышка первичного вала 433420-1701039 МАЗ
Каталожный номер 433420-1701039
Производитель МАЗ МАЗ
Код 00-ГР033013
Доставка по всей Беларуси
Доступность остатки на филиалах Остатки на филиалах
Остаток: г.Минск, ул.Селицкого 21к В наличии
Склад Адрес Контакт Остатки
г. Минск ул. Селицкого, 21к +375 (44) 770-80-78 ( Мало )
Схема проезда
Шайба упорная шестерни 2 передачи втор.вала,Автодизель 236-1701122-А
Шайба упорная шестерни 2 передачи втор.вала,Автодизель
Каталожный номер 236-1701122-А
Производитель Автодизель Автодизель
Код 10085
Доставка по всей Беларуси
Доступность остатки на филиалах Остатки на филиалах
Остаток: г.Минск, ул.Селицкого 21к В наличии
Склад Адрес Контакт Остатки
г. Минск ул. Селицкого, 21к +375 (44) 770-80-78 ( Средне )
Схема проезда
г. Бобруйск ул. Орловского, 22к3 +375 (29) 345-37-07 ( Средне )
Схема проезда
г. Брест Тельминский с/с, 1Д/1, 1 км южнее д. Тельмы-2 +375 (44) 599-90-75 ( Средне )
Схема проезда
г. Витебск ул. Петруся Бровки, 34 +375 (29) 636-25-08 ( Средне )
Схема проезда
г. Могилев ул. Габровская 11Б +375 (29) 662-02-16 ( Мало )
Схема проезда
г. Мозырь промузел Козенки +375 (44) 731-94-60 ( Средне )
Схема проезда
г. Новогрудок ул. Индустриальная, 3 +375 (44) 729-39-19 ( Средне )
Схема проезда
г. Пинск ул. Калиновского 32 +375 (44) 560-99-59 ( Средне )
Схема проезда
г. Полоцк-2 ул. Шенягина, 52 +375 (29) 302-94-73 ( Средне )
Схема проезда
г. Слуцк ул. Тутаринова, 8 +375 (29) 346-06-90 ( Средне )
Схема проезда