Республика Беларусь,
г. Минск, ул. Селицкого 21к - центральный склад
Пн-пт с 8:00 до 17:00
Меню
220086 Винт М5-6дх30 ОСТ 3700112776 МАЗ ОАО
Наименование: Винт М5-6дх30 ОСТ 3700112776 МАЗ ОАО
Каталожный номер: 220086
Код товара: 220086
Доставка: по всей Беларуси
Остаток: под заказ 1-45 дней

Нашли не точность в описании товара? сообщить администратору.

+375 (44) 770-80-78 +375 (29) 747-80-78
* Выставить счет, получить техническую информацию и стоимость
Заказать деталь Онлайн
Описание
Наличие на филиалах
Применяемость
Заменить на СТО

220086 Винт М5-6дх30 ОСТ 3700112776.

  • Производитель: МАЗ ОАО
  • Каталожный номер по заводу: 220086
  • Код для заказа:  220086
Марка Модель Кат.номер Наим. по каталогу Чертеж
ГАЗ ГАЗ-14 (Чайка) (1980) 220086-П29 Винт М5-6gх30 ОСТ 37.001.127-81 Газопровод впускной и выпускной, вентиляция картера и термостат системы охлаждения двигателя Чертеж Газопровод впускной и выпускной, вентиляция картера и термостат системы охлаждения двигателя
ГАЗ ГАЗ-14 (Чайка) (1980) 220086-П29 Винт М5-6gх30 ОСТ 37.001.127-81 Бак топливный, пробка топливного бака, трубопроводы топливные и фильтр тонкой очистки топлива Чертеж Бак топливный, пробка топливного бака, трубопроводы топливные и фильтр тонкой очистки топлива
ГАЗ ГАЗ-14 (Чайка) (1980) 220086-П29 Винт М5-6gх30 ОСТ 37.001.127-81 Радиатор, подвеска радиатора, трубопроводы и шланги, пробка радиатора, краник сливной, жалюзи радиатора и привод и бачок расширительный Чертеж Радиатор, подвеска радиатора, трубопроводы и шланги, пробка радиатора, краник сливной, жалюзи радиатора и привод и бачок расширительный
ГАЗ ГАЗ-14 (Чайка) (1980) 220086-П29 Винт М5-6gх30 ОСТ 37.001.127-81 Регулятор переключения системы гидравлического управления коробкой передач Чертеж Регулятор переключения системы гидравлического управления коробкой передач
ГАЗ ГАЗ-24 220086-П29 Винт М5-6gх30 ОСТ 37.001.127-81 Бак бензиновый Чертеж Бак бензиновый
ГАЗ ГАЗ-24 220086-П29 Винт М5-6gх30 ОСТ 37.001.127-81 Радиатор Чертеж Радиатор
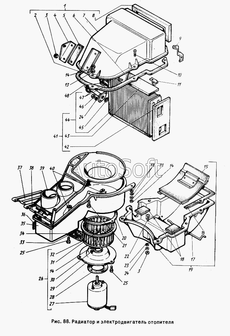
ГАЗ ГАЗ-24-10 (1995) 220086-П29 Винт М5-6gх30 ОСТ 37.001.127-81 Радиатор и электродвигатель отопителя Чертеж Радиатор и электродвигатель отопителя
ГАЗ ГАЗ-24-10 (1995) 220086-П29 Винт М5-6gх30 ОСТ 37.001.127-81 Вентиляция картера, фильтр воздушный двигателя и устройства дополнительного карбюратора Чертеж Вентиляция картера, фильтр воздушный двигателя и устройства дополнительного карбюратора
ГАЗ ГАЗ-24-10 (1995) 220086-П29 Винт М5-6gх30 ОСТ 37.001.127-81 Бак топливный Чертеж Бак топливный
ГАЗ ГАЗ-24-10 (1995) 220086 Винт М5-6gх30 Карбюратор
ГАЗ ГАЗ-24-10 (1995) 220086-П29 Винт М5-6gх30 ОСТ 37.001.127-81 Радиатор, трубопроводы и шланги, пробка радиатора, краник сливной, кожух вентилятора, жалюзи и расширительный бачок Чертеж Радиатор, трубопроводы и шланги, пробка радиатора, краник сливной, кожух вентилятора, жалюзи и расширительный бачок
ГАЗ ГАЗ-24-10 (1995) 220086-П29 Винт М5-6gх30 ОСТ 37.001.127-81 Усилитель тормоза вакуумный, сигнализация прекращения действия тормозов аварийная, трубопроводы вакуумного усилителя тормоза Чертеж Усилитель тормоза вакуумный, сигнализация прекращения действия тормозов аварийная, трубопроводы вакуумного усилителя тормоза
ГАЗ ГАЗ-3102 (2000) 220086-П29 Винт М5-6gх30 ОСТ 37.001.127-81 Радиатор и электродвигатель отопителя
ГАЗ ГАЗ-3102 (2000) 220086-П29 Винт М5-6gх30 ОСТ 37.001.127-81 Бак топливный
ГАЗ ГАЗ-3102 (2000) 220086-П29 Винт М5-6gх30 ОСТ 37.001.127-81 Радиатор, подвеска радиатора, трубопроводы и шланги, пробка радиатора, кожух вентилятора, жалюзи и расширительный бачок
ГАЗ ГАЗ-3102 (2000) 220086-П29 Винт М5-6gх30 ОСТ 37.001.127-81 Термостат системы охлаждения, водяной насос, вентилятор и его привод, краник сливной Чертеж Термостат системы охлаждения, водяной насос, вентилятор и его привод, краник сливной
ГАЗ ГАЗ-3102 (2000) 220086-П29 Винт М5-6gх30 ОСТ 37.001.127-81 Усилитель тормоза вакуумный, сигнализатор аварийный тормозов, трубопроводы вакуумного усилителя тормоза
ГАЗ ГАЗ-31029 220086-П29 Винт М5-6gх30 ОСТ 37.001.127-81 Радиатор и электродвигатель отопителя
ГАЗ ГАЗ-31029 220086-П29 Винт М5-6gх30 ОСТ 37.001.127-81 Бак топливный
ГАЗ ГАЗ-31029 220086 Винт М5-6gх30 Карбюратор Чертеж Карбюратор
Аналоги
Винт М5-6ДХ30 ГОСТ 220086 220086
Винт М5-6ДХ30 ГОСТ 220086
Каталожный номер 220086
Производитель МАЗ МАЗ
Код 00-ГР005897
Доставка по всей Беларуси
Доступность остатки на филиалах Остатки на филиалах
Остаток Под заказ
Товары из этой категории
Фонарь задний  Руденск 7462.3716-08
Фонарь задний Руденск
Каталожный номер 7462.3716-08
Производитель
Код 7462371608
Доставка по всей Беларуси
Остаток Под заказ
Патрубок дальний (шланг пвд 63,L=525мм)  МАЗ ОАО 6418-8102612
Патрубок дальний (шланг пвд 63,L=525мм) МАЗ ОАО
Каталожный номер 6418-8102612
Производитель
Код 64188102612
Доставка по всей Беларуси
Остаток Под заказ
Серьга  МАЗ ОАО 5336-2916018
Серьга МАЗ ОАО
Каталожный номер 5336-2916018
Производитель
Код 53362916018
Доставка по всей Беларуси
Остаток Под заказ
Шайба регулировочная  МАЗ ОАО 6430-2502094
Шайба регулировочная МАЗ ОАО
Каталожный номер 6430-2502094
Производитель
Код 64302502094
Доставка по всей Беларуси
Остаток Под заказ
Панель в сборе  ОЗАА,Осиповичи 203065-5301541
Панель в сборе ОЗАА,Осиповичи
Каталожный номер 203065-5301541
Производитель
Код 2030655301541
Доставка по всей Беларуси
Остаток Под заказ